Fórum témák
» Több friss téma |
Fórum » Léptetőmotorok (vezérlése)
Programoztál már pic-et? Mert ha ezekkel nem tudsz egy adatlap meg némi utánaolvasás után választ adni, akkor nem hiszem. Ha adott forráskódot akarsz beégetni, akkor meg ahhoz szokott kapcsolás lenni, ha nincs kapcsolás honnan tudod melyik lábán mit vezérel a program.
Ha beírod a keresőbe: "léptető motorok", akkor a találatok közül egyből a harmadik ez:
Léptetőmotorok alapjai, működésük Ha ennyi segítség sem elég, akkor talán máshogy próbáld megoldani a problémát...
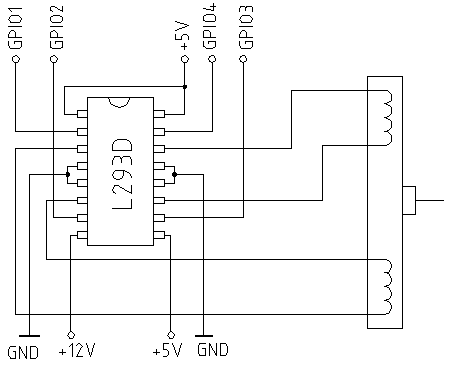
Ilyennek terveztem meg az L298-as vezérlőt. Vélemény? Kritika? Ötlet?
Igen programoztam egyszerűbbeket már, de végül is egy léptetőt se nehezebb, mert meg kell adni hogy mit adjon melyik lábán mikor a PIC.
Mostanában sajna nincs időm élni ennek a dolognak, így nem nagyon csinálom. Leköt a Marshall JCM800 Építése. Ha az kész akkor jön a léptető vezérlő.
Üdv,
Nagyon rég óta nem írtam de nem volt kedvem tovább kínlódni megint ezzel a léptetőmotor vezérlő áramkörrel... De most..! Kitaláltam, hogy maratok neki egy nyákot és megkísérlek még egy próbát... A nyákot elkezdtem tervezni EAGLE-ben a képek alapján és rájöttem, hogy valami nem stimmel! Nézd már meg légy szíves, hogy szerinted is hibás e valami. Feltöltöm a már majdnem kész nyáktervet is meg lefényképezve is hátha nem EAGLE-t használsz. Nem értem pl.: hogy a 4030-as 13-as lába miért nincs összekötve a 4013-as IC lábával a nyákrajzon mikor a sematikus ábrán meg össze van... Vagy pl.: a 4030-as 1,2,5,6,8,13-as lába össze van kötve ami szinte rajta sincs a sematikus ábrán.. Ezért nem ment nekem már harmadszorra se ez a kapcsolás pedig már lassan egy éve szenvedek vele.. Előre is köszönöm, ha tudsz segíteni István
STK672-vel foglalkozott már valaki? Van egy pár darabom, amivel szeretnék meghajtani egy 6 kivezetéses motort.
Konkrétan STK672-110A típus. Megépítettem ezt a kapcsolást, és forog is, de idővel elkezd melegedni az stk, és szakaszosan letilt. Az ütemet egy mikrovezérlővel adom. Az enable lábat összezártam az 5V-tal. Most egy adapterről kap 16V-ot. Amikor megadtam neki a 24V-ot, akkor elhalálozott. Azóta eldobta magát még kettő, már nagyon érdekelne a jelenség oka. Szerintetek mi lehet a baja?
Ojjé!
Megoldottam. Ha valakinél ismét előkerülne a dolog, oda kell figyelni, hogy a vezérlő lábakon alkalmazott felhúzó ellenállások nem lehetnek akármekkorák. Én 100k-val próbáltam, és azért volt bizonytalan a működése. 10k az ajánlott. Azt stk672-110 lábkompatibilis a 330-assal. Ezek alapján a bekötés: 1. Föld 2,3,4,5. Motor tekercsei 6. +5V 7. referencia, ide a feszültséget kér az áramkorláthoz 8. mode 10k az 5v-ra 9. órajel, ez határozza meg a forgási sebességet. 10. irány balra/jobbra 10k az 5v-ra 11. reset, kondi a 12. lábra, és vele párhuzamosan egy 30ohm-os ellenállás 12. engedélyezés, 10k az 5v-ra A motor közös vezetékeit lehet kötni a +24v-ra, a 24v negatívja meg mehet a földre. Ennyi. A clk bemenetet kell lökdösni egy négyszögjellel, és már forog is.
MŰKÖDIK!!!
A sematikus ábrán nincs annyi összeköttetés (nem tudom, hogy miért ) mint a kész nyákon a képen...Már Eagle ben kész a nyákterv, de még kicsit módosítok rajta.. Ha kimaratom és kész lesz felteszek ide mindent. :yes: De, hogy erre miért nem jöttem rá eddig.. István
Szevasztok!
A neten találtam valahol egy step/dir vezérlő rajzot, amivel a bipoláris motorjaimat szeretném kipróbálni. Kérdésem az lenne hogy ez így szerintetek működhet?(a piros vonalon túli részt én rajzoltam oda, nem tudom jó-e...
Egy kis segítséget szeretnék kérni. Megépítettem a mellékelt kapcsolást, az L293D lábait egy 4017-es icvel kapcsolgatom az órajelet egy 555 biztosítja, ledeket tettem a kimenetre szépen villog is sorba mind a 4db, 6hz körül. Namost a gondom az hogy a bipoláris motorom 3at ugrik szépen előre aztán visszaugrik a kezdőpozícióba és mem tudom miért. (az l293d minden lába működik, mert ha csak egyre adok feszt a motort nem lehet megmozdítani kézzel). Már mérgemben mind a 24 féleképpen bekötöttem. mert ugye max annyiféleképpen lehet 4 lábat bekötni, de vagy ide-oda jár vagy 3at lép előre aztán visszaugrik a kezdő pozícóba. 2 különböző motorral is ezt csinálja. Ha 1-3-2-4 lábára manuálisan odaérintve adom az áramot akkor körbefordul. Előre is megköszönném ha valaki fel tudna világosítani mit rontottam el. 5 voltot kap a motor nem 12-t ahogy a rajzon szerepel, de 5v is van ráírva.
Közbe nem adtam fel és meglett a gikszer forrása, leírom hátha más is belefut. Szal a 4017 egyik kimenete kicsit gyengébbre sikerült és nem nyitott tökéletesen, látszólag ment de nem tökéletesen. IC csere után szépen működött minden.
Hali!
Egy kérdésem lenne. Használok egy profi vezérlőkártyát, nem egyet eladtam belőle, nem jött visszajelzés hogy nem lenne jó, de nálam érdekesen üzemel. Egy 2600Mhz-s gépen fut, új telepítés, a mach3 tesztje jónak mutatja. Mach3-at használnék de lehet hogy valami nem jól van beállítva benne. Raktam rá egy 1.7Nm-es nema 23-ast, mert kicsit nehéz a mechanika, de csak úgy simán tekergettem a motort (mechanika nélkül) és két dolgot sem értek: 1:Belövöm a motortesztnél a sebességet, és ha nyilakat nyomkodom, akkor azzal a speeddel teker mint állat. Kiadok egy g0x200-at majd egy g0x0-t és nem ugyan oda áll vissza 2:Nem is azzal a sebességgel mozog G0 parancsanál mint amit belőttem a motornak, pedig azt vettem ki a leírásból, az a gyors pozícionálás, de sokkal lassabban megy mint a nyilakkal. Lehet hogy a mach 3 rossz, vagy a gép nem jó?
Sziasztok,
lenne egy floppy-ból kiszeparált bipoláris léptetőmotorom. Néztem több kapcsolást is, de mind sok alkatrészből állt. Egy ilyen kapcsolás nem állná meg a helyét? (így utólag megnézve azért a bázisra tennék ellenállást, ill. nem 12V-al táplálnám, meg azzal érzékeltetni szerettem volna hogy másik tápról lenne meghajtva mint az MCU)
Szerintem nem. Ez egy hídkapcsolás akarna lenni, ami DC motorok irányváltásához van kitalálva. Nem jó, mert a szerencsétlen áram nem tud végigfolyni semerre sem a diódák miatt. Konkrétan az alsó diódákra gondolok. Nem sorba, hanem párhuzamosan kell kötni őket a tranzisztorokkal (az összeset).
Szerintem nézz szét valami fax, nyomtató, másológép tájon, hátha tudsz belőle bontani vezérlőt, motorostul. Mondjuk ott inkább unipolárisat használnak. Én pl. STK ic-ket szoktam, nagyon masszív cuccok ezek.
Hali!
Első körben Én a Mach3-ra gyanakodnék mindenképp. Sokan esküsznek rá....Én valahogy nem voltam elragattatva tőle. Próbáld meg az EMC2-t linuxos cnc szoftver, netről letölthető.(live módban megy cd-ről) Én azzal kísérletezgettem, sokkal nagyobb sikerrel. És gyorsabban mentek az én motorjaim is linux alatt, mint a win-es mach3-al. Azért mondom, hogy mentek, mert nekem meg a vezérlőm döglött meg. De az istennek nem jövök rá mi lehet a gond. Heteken keresztül tesztelgettem, tanulgattam a szoftvert és egyszer csak úgy gondolta a vezérlő, hogy ő nem hajlandó tovább. TB6560-as vezérlőt használok.Valakinek ötlete?
Ha a gyorsmenet sebessége nagyobb annál, amit a motor a saját és a mechanika közös inerciájával adni képes, akkor az elindulás lesz bizonytalan oda is, vissza is. A csúszások természetesen össze is adódnak. Próbáld ki a lassító áttételt, és növeld meg az egységhez tartozó lépésszámot. Lassúbb lesz, de biztosabb, határozottabb.
A motor önmagában áll, nincs rajta a mechanika. Lassítani tudom a mach3-al max.
Akkor ki kell próbálni a gyorsmeneti sebességet 90, 80, 75%-on. Ha változás van, akkor biztosan a tehetetlenség a ludas. A mechanikához pedig hozzátartozik az orsó, és a szán is, a teljes szerkezet tehetetlenségét le kell győzni a motornak. A viszonylag nehéz megmunkálófej megmozdítása például nagyobb terhelést is adhat, mint maga a forgácsoló mellékmozgás. Ha nem gördülő, hanem sikló vezetése van a tengelyeknek, akkor a tapadási súrlódás nagyságrenddel nagyobb mint csúszási, ez újabb indulást nehezítő körülmény. A nagyobb viszkozitású szánkenőolaj valamennyit segíthet. A szerkezet könnyítése is eredményes lehet.
Ha nagyobb motort tettél a régi vezérlőre, de az PWM-es, akkor gyakorlatilag nem lett erősebb, hisz ugyanakkora teljesítményt adsz a tekercsekre.
Úgy látszik elbeszélünk egymás mellett.
A motor önmagában áll. Nincs rárakva mechanika, tengely, bármi. Csak a motor. A motor tengelyén tettem egy függőleges vonalat, mindig oda állítom vissza. Léptetem a mach3-al mintha menne 200mm-ert, majd vissza 0-ra és akár egy ilyen ciklusnál is eltérés van. Így a kopasz motort a nyilakkal vezérelve tud egy adott sebességet, míg a g kódból vezérelve ez a sebesség leesik kb. 50-75%-ra, és nem értem miért. Most bevittem a vezérlőt, meg a motort, rárakom a benti 4 magos gépemre, ha ott jó, akkor a géppel van gond, ha ott sem jó, akkor egy mikrokontrollerrel fogom kipróbálni, vagy ha addig kiderül melyik live-cdn van a emc2 akkor még azzal kipróbálom. Ráadásul a vezérlőn állítható a motoráram, és próbáltam 3A-el is, erősebb lett a motor, de ugyan úgy hibázott.
A feltételek tehát ugyanazok, de blokkból vezérelve hibázik. Akkor ez csak a port vezérlés hibája lehet, a Mach3 ezek szerint rosszul kezeli. A léptetőimpulzusok hossza állítható? Esetleg üzemmódoktól függően?
Teljes mértékben egyetértek minden szavaddal. És ez a dióda igen... így nem nagyon indulna el a rendszer. Viszont ha normálisan bekötném a védődiódát, működne a kapcsolás?
Tudom, hogy jobb megolás lenne a motorvezérlő, de néztem az L293-as olcsóbb helyen is 2-300Ft(plusz a segédalkatrészek), 8db tranzisztor, meg a diódák, ill. ellenállások nem fájnának csak modnjuk 100Ft-t. ű Nem hosszútávon szeretném üzemeltetni, inkább csak kipróbálásra, így a motorvezérlő onanntól fogva csak porosodna míg a tranzisztorok... Amit viszont legkevésbé szeretnék, hogy hazavágja a PIC-et, mert akkor többet vesztek mint nyernék...
Léptetőimpulzusok hossza nem állítható, de minél magasabb hercet adtam meg a mac3-ban annál rosszabb volt a helyzet.
Sajnos 25.000-nél lejjebb nem lehet venni, pedig kipróbáltam volna azzal is. Az érdekes az, hogy maga a vezérlő leírása kifejezetten a mach3-at tartalmazza, ebay-es termék, több százat eladtak belőle, ezért gondolom hogy a hiba az én készülékemben van, ezért szedtem szét a mechanikát és a motort, és kiderült hogy már a motornál megbukik a rendszer. Mi a mach3 jelenlegi legújabb verziója? Változik egyáltalán.
Nem igazán fog működni a diódák átvariálása után sem...
Az alsó tranzisztorok akkor nyitnak ki, ha a bázisuk kb. -0.6V-ot kapnak. De a pic nem tud negatív feszültséget kiadni, vagyis sosem fognak vezetni. A felső tranzisztorok az emitterükön másolják a bázisfeszültséget, vagyis amikor a pic logikai 0-ad, akkor le lesz zárva, amikor logikai 1-et, akkor kb. 4V lesz az emitterén. Szerintem olyan tranzisztor, amiből 8-at kapsz 100 Ft-ért nem fogja bírni a terhelést, de ez pusztán magánvélemény... Milyen típusokra gondoltál? Idézet: „minél magasabb hercet adtam meg” Bocs, hogy beleszólok, de tiszteljük már meg Heinrich Rudolf Hertz urat, akiről a frekvencia mértékegységét elnevezték, hogy rendesen írjuk a nevét Hertz vagy rövidítsük Hz, ne pedig fonetikusan "herc"...
Szia!
A Mach3-nál az elindulás és a leállás fokozatosan történik, nem pedig a gyorsmenet sebességével, itt nem történhet lépésvesztés. A beállításánál egy trapéz görbén lehet beállítani. Lehet hogy a gyorsmenet túl nagy fordulat a motornak, lejjebb kéne venni, és úgy megnézni.
Eddig értem, de a jog üzemmódban nagyobb sebességre is képes.... ez ez ami kicsit ködössé teszi a helyzetet.
Ne haragudjatok biztos én fogalmazok rosszul, hogy nem értitek, vagy nem vagyok tisztába a gyorsmenet fogalmával.
Motor confignál beállítok egy fordulatot amit tud a motor. Forgatom a nyilakkal jobbra balra azzal a sebességel megy amit a motorconfigban belőttem. Kiadok egy g0x200-at elindul a motor de csak 50-75% sebességgel ahhoz képest ahogy a nyilakkal ment. Ez biztos nem normális. A másik gyanús dolgot tegnap vettem észre:Belőttem egy sebességre, amit simán tudott tartani megfogni nem bírtuk a tengelyt olyan erős volt (1.7Nm-es) Forgattam a nyilakkal és volt amikor nem indult el, vagy éppen csak elindult utána leállt miközben a mach azt mondta forog, és volt is áram hangja a motornak, mégsem ment. Lehet hogy ilyenkor pont volt egy lépésvesztés amiről a vezérlés nem tudott és úgy vezérelte a motor tekercseket tovább mintha minden rendben lenne, ettől hasalt el a motor. Csakhogy! A következő körben (mikor a motoráram körbe ér) a motornak tovább kellett volna mozdulni, de ha így beállt, akkor amíg a nyilat el nem engedtem már nem mozdult odébb. Amint a nyilat felengedtem és újra akár azt az irányt akár a másik irányt megnyomtam elindult. Ezt 10-ből egyszer produkálta (persze átlag nem minden 10.-re) Ez egy 1.7Nm-es Nema 23-asmotor 2.5-3A-el is volt próbálva, egyébiránt bitang erős nem hiszem hogy egy nem túl magas sebességet ne tudna. A mach3 tesztje a gépet excelentre hozza ki.
Igaz, bocsi, csak a gépelés hevében fordult elő. Tudom én, elektroműszerész sulit végeztem, igaz régen, de ez azért megvolt fejben, csak ujjból veszett el.
|
Bejelentkezés
Hirdetés |




Mostanában sajna nincs időm élni ennek a dolognak, így nem nagyon csinálom.
Leköt a Marshall JCM800 Építése.
Ha az kész akkor jön a léptető vezérlő.



) mint a kész nyákon a képen...



De az istennek nem jövök rá mi lehet a gond. Heteken keresztül tesztelgettem, tanulgattam a szoftvert és egyszer csak úgy gondolta a vezérlő, hogy ő nem hajlandó tovább. 




