Fórum témák
» Több friss téma |
Hello van egy 3x48V-os 3fázisú trafóm ehhez szeretnék egy fesz szabájzót építeni tudnátok segíteni?
köszi.
Emlékeim szerint a 48 V elég sok a bemenetére egy 317-es IC-nek is, az is asszem csak 40V-ot tud fogadni. Szal előbb le kéne osztani - sztem - a kijövő feszt, és csak utána szabályozni.
De istenigazából ennek utána kellene nézni az adatlapokon, hátha van olyan fesz-stab, ami bírja...
ráadásul ez majd 70v lesz egyenirányítva:eek2:
szóval tul bonyolult megvalósítani?
tegyek le róla? labortápnak szerettem volna sztem elég combosat lehetett volna belőle csinálni
Szép feladat...
Hirtelen két megoldás jut eszembe: a tirisztoros 3fázisú egyenirányítás, amivel elérheted, hogy 60V legyen a pufferon, így pl a HV betűjelű kapcsolóüzemű táp IC-k használhatóak, a másik a "lebegő" táp kapcsolás, amire példákat akár a 723 adatlapján is lehet találni. A teljesítményrész persze attól függ, mekkora áramot akarsz kivenni belőle.
Köszi a válaszokat tudnátok esetleg konkrét kapcsolást is küldeni???
Ez nem konkrét kapcsolás, hanem egy app. note a power integrations DPA-Switch nevű DC-DC konverter IC-ihez. Az az ötletem, hogy valahogy úgy oldol meg az egyenirányítást, hogy a feszkó ne menjen 60Vdc fölé, és akkor ezzel az IC vel készíthetsz egy fix tápot valamekkora feszre, és arról már mehet egy hagyományos labortáp kapcsolás, ami 35-40V bemenő feszt igényel. Elvileg meg lehetne csinálni a DPA-t szabályozhatóra is valamilyen tartományon belül, de én ilyen módon még nem használtam.
Vagy használhatsz TOPSWITCH-GX-et is, bár ez hálózati kapcstápokban használatos. Remélem tudtam valamennyit segíteni.
Sziasztok.Olyan kapcsolásra lenne szükségem amivel max 24voltot lehet szabályozni,le lehessen 0-ra és teljesen föl is.De ha én ennek a bemenetére csak egy 12voltos áramforrást kötök akkor is ugyan úgy működjön le lehessen 0-ra és fel 12-re.Amit el kéne neki bírni az olyan 1-2Amper.
Szóljatok ha hülyeséget írok. köszi előre is
Ez estleg? Itt van
megpróbálom.köszönöm
L78005CV fesz szabályzó icről lenne kérdésem olvastam hogy min5V-al megy, és az alatt lévő feszt is lehet vele szabályozni? ill 5V alatt akkor semmire nem jó?! köszi a választ előre is!!!
5V-os stab.5V alatt nem szabalyoz nyilvan..
Mihez kellene Neked 5v ala?
nagyáramú ledhez stabil 3,7V és még az áram korlátot is meg kell oldanom már írtak 1 kapcsolást de nekem nincs akkora áramforrásom nekem 4 Nimh akkum van és a kapcsoláshoz 6 kéne nem megoldható számomra a több elem mert nincs hely a lámpában amibe raknám...
sziasztok
van 1 100VA-os trafóm aminek a szekunder feszültsége 24V ehez szeretnék csinálni 1 olyan kapcsolást ami 0-24V-ig tudom szabályozni az áramkört megoldható ez?? légyszi segítsetek
köszi
és ha véletlenül 5A-nél nagyobb áramerősség fojik rajta át?? pl:5.5A akkor azt kibírja?
ezen a 2n3055-öt kell csak hütésre tenni?
a többi tranyóval még nem taliztam és véletlenül nincs hozzá nyákrajzod?? mégegyszer köszi
Szia !
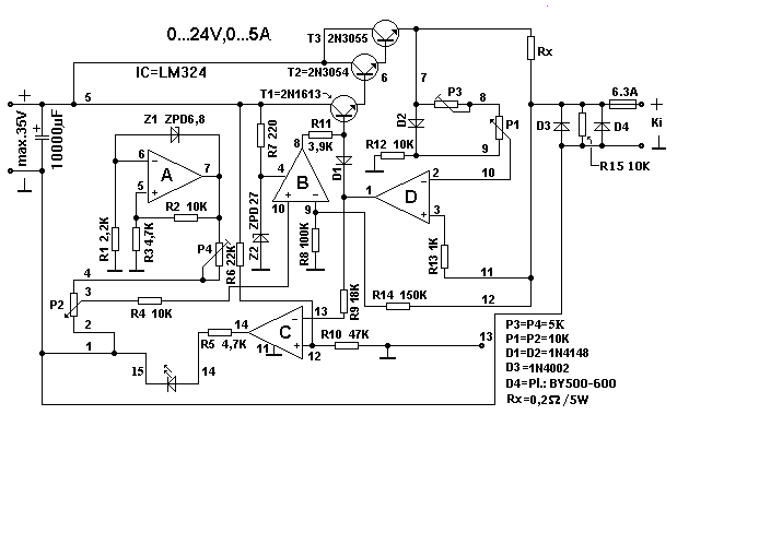
http://torolt_link6/webtartalom/kapcsolasok/tapegyseg/tap.pdf 2N3054 - 2N3055 hűtőbordára kell szerelni ! Az áramkorlátot - feszültség korlátot be kell állítani Trimmerrel max 5A, Fesz 24V igy ennél nagyobb áramot és feszt nem lehet kivenni belőle. Üdv!
Próbálta már valaki ezt a tápot terhelni?
Csak mert szerintem az egyetlen áteresztő tranzisztor igencsak izzadni fog, ha pl. 5V / 5A a terhelés.
Ezt értem, de terheltétek is rendesen?
Csak mert ha 20V esik rajta 5A mellett, akkor kíváncsi vagyok, hogy meddig bírja azzal a hűtőbordával, amit tettetek rá... Aztán cáfolj meg, ha nincs igazam, de én nem mernék rábízni 100W-ot egyetlen tranzisztorra.
Ha túl akarod méretezni persze tehetsz 125W-os tranyót is, csak felesleges. 5V-95W
Természetesen a hűtőborda nem 2x2cm.
10x20 cm-es hütőborda jó lessz a 2v3055-re?
+ duplán bordázott a bordák 2cm-er magasak és 0.4mm szélesek ez hűt rendesen?
ha tesztelted te már ezt az áramkört akkor esetleg meg tudnád mondani hogy 5A-en felül tud -e teljesíteni??
én 24V 6.25 A-os trafót találtam és ehez kéne rajz ha esetleg tudnál ehez való rajzot adni naon megköszönném
Szia !
Idézet: „10x20 cm-es hütőborda jó lessz a 2v3055-re? + duplán bordázott a bordák 2cm-er magasak és 0.4mm szélesek ez hűt rendesen?” Ha hosszú órákon keresztül 5A terhelésre készíted, akkor azért nem árt ha egy PC ventillátort is ráteszel a hűtőre. ------ Idézet: „én 24V 6.25 A-os trafót találtam és ehez kéne rajz ha esetleg tudnál ehez való rajzot adni naon megköszönném” 5A általában elég, ha ennél többet akarsz, akkor vagy duplán teszel tranyót, vagy egy más, nagyobb tranyót használsz. Üdv!
Szia !
Ha ehez hasonlóan több 2N3055 van akkor az is jó. http://torolt_link6/webtartalom/kapcsolasok/tapegyseg/tap_20.pdf Üdv! |
Bejelentkezés
Hirdetés |




köszi előre is






