Fórum témák
» Több friss téma |
Fórum » ICD2 - Kérdések - válaszok
Helló!
potyo2-rev1 (2007.06.30, Mecséry), tehát ismered. ![]() 18F-est már én is. pl. 4550-et kifogástalanul csinálja. Ehhez visszont letölt új firmwire-t. És felismeri, olvassa, csak nem írja, jobban mondva ellenőrzéskor hibát jelez. Ha kiolvason malóban nem töltötte le a változást.
Próbáld törölni előtte. Tápfeszültség megvan legalább 4,5V a PIC táplábainál?
Táp OK! Nem is törli. Amikor vadi új volt a PIC akkor sem írta.
Egykérésem lenne.
Az icd2-esemből elszállt a program, a 4550-es-ben lévő. A hexet megkaptam, de egy kókány égetővel próbálva kudarcot vallottam, amit majdnem a pic is bánt. Így a kérésem a következő lenne: valaki be tudna nekem égetni 2db picbe 1 hexet (tartalék)? Természetesen a postán felül a fáradozásért is fizetnék, ha kell. Előre is köszönöm.
Kispesten tudok segíteni, keress magánban
sziasztok
Vettem egy USB-s ICD2-t az ebayon , ugy 1 hete jött meg. ment is szépen MPLAB alatt semmi hiba nem volt vele. tegnap szerettem volna ismét haználni de valami baja lett mert nem ismeri fel a gép. Vagyis felismeri de csak UNKNOWN device nak mikor bedugom az USB be. Ha megnézem a HARDWARE azonosítót ezt írja: USB\VID_0000&PID_0000\........... így persze nem tud drivert tenni alá ezért nem működik. gondoltam lett valami a 4550 firmware-ével ezért a panelen lévő ICSP csatin kerestül egy másik égetővel újra beletettem az itt található filet: http://www.hobbielektronika.hu/kapcsolasok/files/potyo_icd2/18F4550.hex simán belement hiba nélkül de eredmény nem hozott. esetleg valaki tudna segíteni mi lehet a baj? köszönöm. megoldódott. hihetetlen de elromlott benne a kvarc!!???..... csere után ismét müködik........fél napot szívtam vele még jó ,hogy nem vágtam haza közben az SMD 4550 et.
Jó napot kívánok!
Most szeretnék belevágni ICD2 építésbe. A Mecséry István féle ( Potyo2 ) NYÁK-ot szeretném elkészíteni itthoni vasalós módszerrel, de sajnos ami az 'ICD2_rev1.zip' fájlban van ( néhány oldallal előrébb ) eagle terv nem jó. A kapcsolási rajzot megnyitja, de a board-ra azt írja ki hogy "Load error 295". Próbáltam keresni, de sehol sem találtam. Potyo oldalát próbáltam megynyitni, de nem találja a szervert. Mindenképpen kéne a .brd , mert 1-2 alkatrészt ki szeretnék cserélni ( pl. másikfajta USB csatim van ). Tehát .PDF nem jó. Akinek megvan legyen szíves fölrakni, vagy egy működő linket berakni. Köszönöm.
Ha Erre gondoltál, akkor a hiba nálad van, mert nálam az EAGLE 4.11 és az EAGLE 5.9-es is simán megnyitja!
Jáj! Elnézést kérek figyelmetlenségemért.
Több böngészőablak is nyitva volt és én az "ICD2 NYÁK-gyártás" című topikba szerettem volna írni. Nem akarom a moderátorok melóját hosszabbítani, marad itt a kérdés. És plussz egy pontosítás: link MPi-c ebben a hozzászólásában írta, hogy újratervezte a NYÁK-ot. (Piros lakkos verzió) De három hozzászólással lentebb van a hibamentes .zip csatolva. Én próbáltam linuxon eagle 5.10.0-val és Win7 alatt eagle 5.4.0-val. Mindekettő "load error 295"-öt dobott.
A probléma megoldódott. Újraterveztem a képek alapján.
Tehát nem az én tervem, hanem Potyo tervezte és én csak módosítottam. A végén már meguntam egy picit a dolgot és saját kútfőből összekötögettem, úgyhogy lehet hogy nem a legegyszerűbb lett, de remélem jó. Nyomtam rá DRC-t és a néhány overlap-ot kijavítottam, a többivel nem törődtem, mert számomra lényegtelen. Néhány alkatrész smd-lett. Megnyitottam Win7 alatt is és ott is jól megnyílt eagle-vel. Mellékelem hátha valaki még hasznát veheti.
Eléred az oldalamat ideiglenesen a potyo.bplaced.net/potyo_info alatt. A linkek, amik potyo.info domainre mutatnak, mind elérhetőek a potyo.info részt potyo.bplaced.net/potyo_info-ra átírva. Lejárt a domain és elfelejtettem meghosszabbítani, így most vagy várok 35 napot, vagy fizetek kb. 150€-t...
Amúgy én nem építenék ICD2-t már legalább 1-2 éve. Építs inkább Pickit2-t.
Üdv!
Először is: én is inkább a PICKit2-őt ajánlom, bár potyo ICD2-jét a mai napig használom és tökéletesen működik. Másodszor: a Rev1-nek jelzett változatot kerested, de végül nem azt rajzoltad meg. Én furatfémes kivitelbe terveztem a nyák-ot. Nem furatfémesben kényelmetlen lesz az alkatrészeket beforrasztani, mert az IC-k között igen csak szűk hely van, még a te átrajzolt nyák-odon is. Végül, ha mégis szükséged lenne a rev1 fájlaira, privátban elküldhetem, de ide már nem tenném fel a helyet foglalni...
Van eladó eredeti Microchip ICD2-öm ha valakit érdekel ,9000HUF b25laca@freemail.hu
Sziasztok!
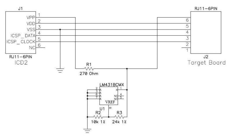
Potyo féle ICD2-vel szeretnék PIC18F46K20-t programozni. Az Mplab a következő hibaüzenetet dobta a PIC kiválasztásakor: Idézet: „ICDWarn0068: This device has a VPP(max) below the minimum ICD2 VPP level of 12V. Please ensure that external protection for MCLR is in place. (Press the Help button for an example circuit or use AC164112 available from microchipDIRECT.com.)” Magyarán a PIC max VPP-je az ICD2 min VPP-je alatt van. A PIC tápfeszültsége 3.3V Tud erre valaki valami megoldást? Szintillesztő vagy egyéb szoftveres mágia? Köszi! U.i.: Rákerestem a fórumban a problémára, de egzakt megoldást nem találtam.
Valami olyasmi van, hogy ezeknek a chipeknek a max Vpp-je 8V, ezért kell egy soros ellenállás a Vpp vonallal sorba (2-300ohm) és egy 8V-os zener a kontroller Vpp lába és a gnd közé. A help gombra kattintva láthatsz pontosabb áramköri képet.
Megépítettem az Mplab súgójában lévő kapcsolást.
12V-t adtam rá és 8.53V jön ki belőle. Ez akkor most elfogadható vagy valamit módosítsak még rajta? Hogy tudnám csökkenteni a feszültséget? (soros ellenállás növelésével?) Köszi!
Nézd meg, hogy mekkora a megengedett feszültség a chipedre. Ha a 8,5V alatta van, akkor jó.
Ellentmondásos információkat találtam.
A PIC adatlapja: Idézet: „Voltage on MCLR with respect to VSS (Note 2) 0V to +13.25V” Máshol nem találtam az adatlapban erre vonatkozó információt. Viszont a gugli kidobott egy fórumot, ahol ezt a hozzászólást találtam: Idézet: „PIC18F46K20 MCU requires MCLR/Vpp voltage between 5V and 9V DC” Bővebben: Link Azaz a hozzászólás szerint még a 9V is ok. Szerintetek akkor kipróbálhatom?
Adatlap maximum 11V-ot ad meg, úgyhogy a 8,5V-al nyugodtan próbálhatod.
Egy kérdésem lenne.
dsPIC 30 és dsPIC33 progizására képes az itt utánépített ICD2? Nekem is ilyen van, és nem tudom, hogy megfelelően támogatja-e a fenti piceket.
Ha a gyári tudja, akkor az utánépített is, amennyiben olyan változattal rendelkezel, amin ott vannak a szintillesztők (74HC125 és 74HC126). Hogy a gyári tudja-e, azt meg tudod nézni az MPLAB-ban, amikor kiválasztod a Select Device alatt a konkrét PIC-et, és zöldre vált vagy nem vált az ICD2 melletti jelzés.
Egy potyo2-rev1-es icd2-esem van. Azért kérdeztem, mert azzal nem vagyok tisztában, hogy mi történik, ha ilyen picet akarok programozni, mivel ezek már nem 5V-osak, hanem 3,3V-al mennek. Az icd2 nem égeti le a picet? Vagy valahol esetleg be lehet állítani, hogy csak 3,3V-os legyen?
Külföldi fórumokon olvasgattam olyat, hogy tönkretette a picet az égető. Megy ellenállásokról beszéltek, ami kell az égetéshez. Vagy valamit félreértettem?
A lényeg, hogy még azelőtt kiválaszd az MPLAB-ban a picet, mielőtt összedugod ICD2-vel. Így az ICD2 nem ad ki 5V-os tápot, nem fog semmi sem tönkremenni. Persze a 3,3V-os tápot neked kell biztosítanod a PIC számára.
Sziasztok!
ICD2-t szeretnék beüzemelni win 7 - 64 bit oprendszer alatt, (MPLAB 8.76). MPLAB telepítése után a win alaphelyzetben nem ismeri fel az USB-re dugott ICD2-t, illetve nem telepíti az MPLAB-ból a drivert. Nem hub-ról megy az USB. Ha ráerőltetem a 64 bites win7-hez való, drivert az MPLAB-ból akkor sem kapcsolódik az MPLAB az ICD2-höz. Találkozott már valaki ezzel a problémával? Néztem a leírásokat, de én nem találok megoldást. XP alatt természetesen simán ment. Előre is köszi! Johny
Megválaszolom:
ChipCad Kft. szerint bizonyos szériaszám alatt az ICD2 programozó 64 bites operációs rendszer alatt (win7 64 bit-en biztosan) egyszerűen nem működik és kész.
Sziasztok
Érdeklődnék hogy hol tudom megnézni hogy jelenleg melyik Piceket lehet ICD2-el debuggolni? Elnézést ha picit hülyeségnek tűnik a kérdés de gondolom itt is mind a Pickit2-nél létezik valamiféle táblázat ami tartalmazza a debuggolható Picek listáját.
Az MPLAB helpjében van valahol ilyen, fejből nem tudom, hogy pontosan hol. Vagy ha ott nem, akkor program files/microchip/mplab mappában keresgélj doksik után, valahol ott lesz.
|
Bejelentkezés
Hirdetés |










