Fórum témák
» Több friss téma |
Mielőtt kérdezel, a következő két dolgot ellenőrizd!
I. A helyes tápfeszültségek megléte.
II. A kimeneten van-e egyenfeszültség.
Élesztés.
köszönöm a segítséget
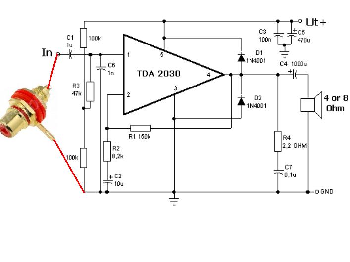
Akkor nálam valami gáz lehet,gondolom nem azért nem működik mert csak +-47V-ról járatom?
A kapcsolási séma hasonlit a filmes hangmérnököknél "Bopi" -ra kereszteltre. Sokat csináltak, az EA 080 dobozába is. Nagyon odavoltak érte.
Egyszer nagyon korrektül megcsinált, müszakilag kifogástalannal, jó alkatrészbázissal egy hetet szórakoztam, hátha jó lesz gitárra. Védelem nélkül se. Nem nyertem. Sokkal primitivebb kapcsoláss jobban bejött Ennek ellentmond hogy a SAE is ezt használja, az meg igen jó, rangos darab, nem olcsó darab ( Elton John a kontrolokba ilyet használt mikor itt volt. ( Kifelé mezeibbek voltak )
Köszi. Tehát magyarán nem nagy szám.... - Pedig nagyon hittem benne, részletes, tudományos magyarázatot közöl a szerzője a kapcsolás mellé. Azt terveztem, hogy az Orion SE 260 végfokjai helyébe ezeket építeném be, csak a hűtőbordák és a relés védelem maradna meg. Szerintem azért ezek a Leach Amp-ok annál azért jobbak vagy mégsem? A RIAA-ját már átvariáltam, az eredeti, uA739-esekre épülő kapcsolás helyett HFM 1-et tettem be és az bevált. Még az sincs kizárva, hogy az előfokját (a 3 tranyós kapcsolást) is kiváltanám valamire. - Ekkor már elmondhatom, hogy semmi sem az eredeti benne......
Én nem aszt mondtam, hogy nem jó, hanem kérdeztél tapasztalatokat.
Én irtam a magamét
Nézz szét külföldi fórumokon, 2-3 évvel ezelőtt olvastam róla valahol, ott is írtak hideget és meleget is. Ha annyira jó lenne akkor az amatőrök ott is "rárepültek" volna mint a 80-as években mindenki a Quad-ra, amit én most sem cserélnék le rá. Mondom ezt annak ellenére hogy a Leach-et még sosem hallottam.
Hali!
az lenne a kérdésem hogy az alábbi kapcsolási rajzon bal oldalt a jel + megy be bal oldalt a tápfesz + és negatív része na most az itteni negatív részre kapcsolom rá a jel negatívját? 14 w
Elég nehéz volt kisilabizálni az írásod, de a jel negítívja rajzon lévő negatívval (GND) közös.
Nem vagy egyszerű eset úgy írás, fogalmazás terén.
Igen, én is így gondolom, nekem is gyanús, hogy bár tudományosan nagyon meggyőző, de hangilag mégsem annyira jó......
Tényleg furcsa, hogy a nyugalmit semmi nem kontrolálja.
Sziasztok! Milyen következménye lenne annak, ha egy 4x25 W-os autórádiót rákötnék egy 4.1es hangrendszerre?
Nem furcsa .. , mert az IC tartalmazza a stabilitását , benne van .
Ez már akkor Ürteknika ? semmiféle érzékelő a bordáról, és a jó " messze" lévő IC tudja. Blutuszon komunikálnak, vagy Wifin ? Olyan okos, hogy még azt is tudja melyik oldal a szabályzandó
Főleg, hogy a darlingtonok hisztisebbek a borda hőre Meg ne sértödj ! Nem bántásiból irtam. Azt hiszem Te vagy a rozsdamentes specialistája. Kalapot emelek , mert én nagyon utálok vele matatni. Kobaltos fúróval is
Figyelőellenállásokon keresztül étertesül az IC a nyugalmi áramról és az esetleges túlterhelésről. 7,14 és 4,17-es lábak az érzékelés feszültségbemenetei.
Rozsdamentes lemezt én sem kedvelem , bár néha használom , CIROKL ebben is a mester .
de a borda hő volt a téma.
Oké, hogy a szilicium 2mV/Celsius, Darlingtonnál duplán ? de szerintem inkább túláramfigyelésre van. Ha az a csúszómunkapontú megoldás lenne hatalmas reklámmal nyomnák,hogy "New Class A"
Bocs, összekevertellek benneteket
Az adatlap szerint az IC elvan látva "Overload Protection and for Automatic Quiescent Current Control"-al. Mindent megold csipen belül.
Nem tudom miért nem szeretitek az inox-ot hisz nem rozsdásodik !
Söt a jobbfajtát a mágnes se fogja.
Azt visszont nem értem hogy az A2est és az A4es alátétet miért fogja mágnes ? A rosszabbfajta visszont bizony rozsdásodik. Nem állatmódra de csúnya lessz. Az A2-es csavarok pl Én nagyon szerettem, de csak akkor, ha nem nekem kell csinálni a mutatványt vele. Gyönyörű dolgokat tudtam régen csináltatni. Bár a gravirozó is hörgött a mérőmikrofonjaimtól. Azért megcsinálta. Tegnap akadt a kezembe a 001-es darab. Élmény volt megfogni a felületét. Késsel esztergálták, de polirozással se lehet szebbet. A Brüel csúnyább.
Jó, hogy irod. Köszi
Valószinü ki van totózva a darlingtonokra, én meg azt utálom, a mondott elönyei ellenére.
Én sem szeretem ezt, sőt. De hát integrálunk, integrálunk.
Hello!
Lenne egy olyan problémám, hogy van egy régi Videoton EA6383 S asztali erősitőm, csináltunk bele LM3886 -os IC-vel 2db uj végfokot a gyári helyre. A próbléma az lenne, hogy a bemenetről búgást kap a végfok, ha leforrasztom a bemenetet a panelról, akkor a búgás megszünik. Mi a baja lehet? Honnan jöhet ez a búgás? Eredeti végfokokkal nem búgott. Köszi!
Próbáld ki, hogy csak az egyik bemenetet forrasztod le. Mond el így is búg-e.
Sziasztok.
PA-300 ügyben kérnék egy kis segítséget.Szóval +-59V-ról járatom a végfok tökéletes,tesztelve.Viszont amit nem értek,hogy a védelem az,hogyan működik benne.Az egyik led a hővédelemé a másik meg talán(?) az egyent jelzi a kimeneten?A probléma már ott kezdődik,hogy amikor ráadom a feszejt egyből behúz a relé,pedig gondolom azt csak a késleltetett "AC"-jel után kéne neki! A hőérzékelőt meg ,ha melegítem akkor ugyan kivilágít a led de nem engedi el a relét.Amúgy az összes feltűntetett fesz. érték stimmel tized pontosságra csak a "H" nem az 10V körüli. Tud valaki segíteni?
Szia
Relének pontosan olyan típusút tettél be, mint amit ajánlanak is? Mekkora az ellenállása? A doksi szerint 875 ohm -nak kellene lennie. Ha túl kicsi, akkor az előtét ellenálláson nagy fesz esik, így lehet hogy ezért van 10V a relén. De az is elképzelhető, hogy nem nyit ki rendesen a T13-a tranzisztor. Gondolom a D13 led működik a hővédelemmel együtt, ha ez jól világít, akkor nagy gond nem lehet.
Szia.
Nem pont 875 Ω-ost tettem bele mert csak 600-as meg 1K-s volt itthon de mindkettővel ugyanaz a helyzet! A hővédelem aktiválásakor csak a D14-es led világít a másik nem.Kicseréltem már a komparátort is meg a BC 337-eket is de semmi
Akkor sajnos nem tudok segíteni, ennyire nem értek hozzá, esetleg kapcsolási rajz alapján ellenőrizd a nyákod, hátha a beültetési rajzon fordítva van jelölve egy dióda, vagy tranzisztor...
|
Bejelentkezés
Hirdetés |










