Fórum témák
» Több friss téma |
Úgy látom elfelejtetted bekötni a tápszűrő kondenzátorok negatív pólusát, és az IC meg nem kapja meg a + tápot az 5. lábán.
Továbbá nem értem miért forrósodik az IC, amikor nem kerül tápfeszültség? Ugye a tápegységet középre kötötted, és nem szélre? Csatoltam, hogy szerintem mit kellene módosítani a panelon, valamint a helyes bekötést megjelöltem. Először külön-külön üzemeld be a panelokat, aztán ha működnek, csak akkor kösd be mindkettőt együtt.
Uhh de vaksi vagyok... Igazad van. Az egyik panelon megkapja a tápfeszt, azon ott van az 5. lábra menő sáv. (pont nem azt fotóztam, de azt próbáltam ki először...) A tápszűrésnek mindkettőn hiányzik a negatívja.. Kézzel rajzoltam a panelt, úgy néz ki hogy ez szépen elkerülte a figyelmemet... Köszönöm az észrevételt! :worship: Orvosolom is a problémát és jelentkezek az eredménnyel.
Örök hála
tökéletesen működik mind a kettő. Igaz ha kicsit torzít ha jobban kivezérlem még 26V ról is, de gondolom ennyit tud ez a csip. (:
Sziasztok!
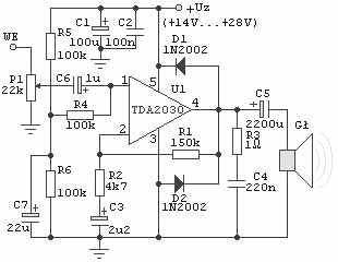
A mellékelt kapcsolási rajzzal van két problémám, ebben kérném segítségeteket. Nem tudom eldönteni, hogy a kapcsolási rajzon, vagy a nyákon cserélték fel a TDA2030 4-5 lábát, melyik a helyes? A másik problémám: C2 és C6 polaritását szerintem rosszul jelölték a kapcsolási rajzon. Szerintem kettős tápról lévén szó, ezért C6 pozitív lába a földre kell menjen. C2 esetében csak tippeltem, hogy rossz. Köszönöm a válaszokat!
Üdv!
A kapcsolási rajz a hibás, ahogy írtad a 4 láb fel van cserélve az 5el, s a kondik polaritása sem jó. A beültetési rajz a hibátlan, ott minden alkatrész helyesen van feltüntetve.
Köszönöm a választ!
Sejtettem, de nem mertem nekiállni, amíg nem kaptam megerősítést.
Én egyenárammal próbáltam, de nem megy
Valaki meg tudja nézni Nyáktervet?
Ez volt a kapcsolásirajz
Igen tudom melyik az 1-es lába
Hello!
Csináltam énis egy nyáktervet.Minden jól van bekötve?Tudom, hogy nem a legszebb.
Hali!
Meg tudnátok mondani, hogy ez az IC kibírja e az asszim. tápról való táplálási módban a 39V-ot? Vagy inkább csináljam meg a szimmetrikust 18V-tal?
Az adatlapja szerint maximum +-18V-t bír ki. Ez ugye az aszimmetrikus verziónál 36V-t jelent. Szerintem a 39V sok lenne neki. Hogyha a tápod feszültsége terhelés hatására leesik 36V-ra akkor jó lehet, de nem hinném, hogy ennyit csökkenne a feszültség.
A 47k ellenállást közvetlen az IC 1 lábára kösd, a többi jónak tűnik.
Üdv!
Aha. Akkor megcsinálom a szimmetrikust. Meglátjuk, hogy fog szólni.
Sziasztok!
Csatoltam azt a TDA2030-as kapcsolást, amit megépítettem.Sajnos kapcsolási rajz nincs hozzá. Meg tudná mondani valaki, hogy mekkora hangerőszabályzó potmétert tegyek rá? (Logaritmikus kell ha jól tudom, aminek B a jelölése. Így van?) Köszi
Üdv!
Igen, jól tudod B szoktak használni hange.szabályozásra. 10k-50k ig szinte bármilyet tehetsz bele.
Az Alpha gyártmányú potiknál pl az "A" a logaritmikus és a "B" a lineáris, de pl egyes Radiohm tipusoknál pont fordítva van
A 2030-asod bemenetére egy ilyen 2x50K Log lenne a legjobb választás, ha olcsón szeretnéd megúszni.
Remélem sikerül elküldeni a képet. Annyi megjegyzés hogy csak 18v-ról működtethető. Ez a tökéletes kapcsolás .
A piros szín a mienk ! köb..
Ha kéred felteszem valahogy a duplatápos változatot is
Szerintem valahol valami rövidzár lesz, nagyon alaposan nézd át a panelt (egyezik-e a kapcsolási rajzzal), meg az alkatrészek értékeit.
Átnéztem mindent, 2 hete még működött..
Azóta történt vele valami változtatás?
Sziasztok !
Van egy keh p5100rds típusú autósrádióm. A hangszóró kimeneteken 5.4 volt van. Gondolom ez nem okés. Mi lehet a baj? Köszi előre is
SZia ha a sassihoz képest van feszűlcség , akkor jo.Ha egymás között akkor ,az baj és ha véletlenül összeértek ,a szálak akkor meg történik, hogy zárlatos lett a végfok.
|
Bejelentkezés
Hirdetés |





tökéletesen működik mind a kettő. Igaz ha kicsit torzít ha jobban kivezérlem még 26V ról is, de gondolom ennyit tud ez a csip. (:







