Fórum témák
» Több friss téma |
- Ez a felület kizárólag, az elektronikában kezdők kérdéseinek van fenntartva és nem elfelejtve, hogy hobbielektronika a fórumunk!
- Ami tehát azt jelenti, hogy a nagymama bevásárlását nem itt beszéljük meg, ill. ez nem üzenőfal! - Kerülendő az olyan kérdés, amit egy másik meglévő (több mint 17000 van), témában kellene kitárgyalni! - És végül büntetés terhe mellett kerülendő az MSN és egyéb szleng, a magyar helyesírás mellőzése, beleértve a mondateleji nagybetűket is!
Hali
A Styropor(hungarocell, nikecell) bizony igen hajlamos a sztatikus feltoltodesre, mivel igen jo szigetelo anyag (polistyrol). Ezert szoktak ugy hasznalni, hogy a lapot becsomagoljak alufoliaba, es igy nem tud toltes kialakulni. POrobald ki! Osszetorsz egy kis darabot kis golyokka. Mindenhez odaragadnak.
Azt tudom, hogy szét 'morzsolva' nehéz tőle megszabadulni. Egyben mégis más kellene, hogy legyen. De ezen nem fog múlni. Van itthon alufólia.
Melyik háztartásban nincs?
Sziasztok!
Az a helyzet, hogy van egy Pioneer kazettás deckem, ami nagyon szépen és jól szólt pár nappal ezelőttig. Ugyanis. Találtam itthon egy hangfalat és kalandvágyam felülkerekedvén rákötöttem a hifire, de nagyon halk volt. Gondolván, hogy csak letekertem a hangerőt, elkezdtem felhangosítani a hifit, hangosodott is egy darabig, aztán valami megadta magát. Nos, a kísérlet óta visszaraktam az eredeti hangfalakat és a bal oldali ( ahova az ismeretlen hangfal volt kötve és hajtva ) azóta csak nagyon halkan szól és iszonyatosan recseg. Meglepő mód a jobb oldali része a hifinek tökéletesen működik. Ötletek, hogy mit süthettem meg? És/vagy, hogy javítható-e az ilyen jellegű hiba?
Hali!
Ha az ismeretlen hangszóró impedanciája eltér a gyáritól,akkor nem kizárt,hogy az erősítő IC bánta.Természetesen javítható,ki kell cserélni. Máté.
Hajjaj. És akkor cirka mennyibe fog nekem fájni vajon a kísérletező kedvem?
Attól függ milyen végfok van benne. Szedd szét és kövesd vissza a hangfalkimenettől visszafelé hova mennek a "tyúkbelek" Majd a panelen hova jutnak. Valószínű egy IC lesz a vége. Olyan aminek van valamilyen hűtése. Az a végfok IC.
Szerintem mehet. Nem olyan nagy az a 4x15W. Egy relé, meg nem nagyon feszültség érzékeny, teljesítmény határon belül.
sziasztok!
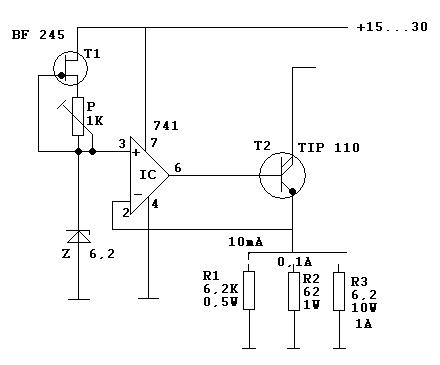
Egy Érdekes kérdésem lenne. Találtam egy Labor-áramgenerátor kapcsolást, viszont ez fix ellenállásokkal oldja meg a "szabályozást" nos én ezt át akarom építeni potis változatra. A probléma viszont az hogy ebben 10Wattos ellenállások vannak, a tartomány nem lenne nagy, mert 10K és 100mA - 1 Aig lehet szabályozni. A problémám a potenciométerrel van. Állítólag egy 10Wattos lineáris 10k-s poti több ezer Huf is lenne. Úgyhogy más módon kell megoldani a szabályozást. Gondoltam még egy tranzisztoros szabájzásra, éseme tranyó vezérlásére lehetne egy kissebb félwattos példányt is alkalmazni. Ebben kérném a segítségeteket. Hogyan készítsem el? Az áramgenerátorról tudok kapccsolást mutatni ha kell. Lehet hogy hülyeség, de én arra gondoltam hogy egy teljesítménytranzisztor pl BDxxx az emitterébe és a bázisára kötök egy kissebb potit, és ezzel szabályoznám. De ez ccsak agyalás a részemről Köszi a segítségeteket.
Szia!
Mutassad meg azt a rajzot, amiben ezt a szabályzást meg kellene valósítani.
Üdv! Kezdő vagyok és arról érdeklődnék, hogy egy erősítőnek a minőségét hangzásban mennyire befolyásolja a tápegység? És a tápegységnek melyik tulajdonságaitól függ?
Itt van egy kép a kis kapcsolásról
Ha ezt a most stabil 6,2 V-ot változtatnád, akkor is szabályozhatóvá tudnád tenni a határolást.
Teljesítménye feszültsége, "tisztasága", befolyásolja az erősítődet.
A tisztaságnál arra értem,hogy menyire van kisimítva megszűrve. Ha pl kicsi a fesz és nincs szűrve akkor búg torzít minden...
Kicsit belekotyogok én is. Személy szerint végfokoknak úgy szoktam tápot csinálni, hogy graetz+a megfelelő mennyiségű pufferkondi, a végére 100nF, ha szimmetrikus a táp akkor értelemszerűen mindkét oldalra, illetve egy 2.2k - 6.8k/5w ellenállás tápáganként gnd-re kötve, hogy kisüsse a pufferkondikat kikapcsolás után. Van aki szimmetrikus táplálásnál arra esküszik, hogy a toroidnak a két szekunder tekercsét külön-külön egyenirányítjuk 2 graetz-el, majd a dc részen alakítjuk ki a közös földpontot. Van aki az egyenirányító diódákkal párhuzamosan rak 10-100nf kondit, bár szerintem botfülem van, mert az utóbbi két változatnál semminemű hangbeli különbséget nem tapasztaltam.
Üdv
Hello!
- A Schmitt trigger ma már gyűjtőfogalom, ami általában egy hiszterézises komparátor (a bekapcsolási és kikapcsolási feszültség nem azonos, a kettő közötti rés a hiszterézis) áramkört jelent. - A zéner dióda nem Schmitt trigger, hanem stabilizátornak, vagy feszültségszint eltolónak használják. (legfeljebb Schmitt triggerben lehet használni) Triggernek, az alagút diódát szokták felhasználni. - A Schmitt triggeres CMOS áramkör bemenete is rendelkezik hiszterézissel, hogy a logikai szintek zavarvédelmi sávja nagyobb legyen. De ezek nem korrekten definiált kapcsolási pontok, típustól de legfőképpen a tápfeszültségtől függ billenési szintjük. - Általában régebbi típusú Germánium diódák voltak tűs diódák. Egyszerű demodulátorokban szokták használni. (meg még nem volt más mindenre) üdv! proli007
Viszont ne felejtsd el, hogy az a 15A 125V-os ohmikus terhelésre van kitalálva. Az 230V-on már csak kb. 8A ohmikus, de itt valami egészen csúnya induktív-kapacitív terhelést kell kapcsolgatni! Sokszor úgy adják meg a reléken hogy 230V/16A/2A, azaz csak 8 részét képes megszakítani egy induktív terhelésnek.
Tehát ebből kiindulva jelen esetben éppen hogy csak elbírja a terhelést. Persze különösebb baj még nem lehet belőle, csak hamarabb kopik el: vagy összeégnek a kapcsoló pogácsák, vagy nem fog zárni rendesen.
Sziasztok! Van egy IMG STAGELINE MPX 1 DJ keverőm, és két passzív hangszóróm, amelyek 8 OHM-osak, és a membrán átmérője 7-8 cm, de a W teljesítményét nem tudom, mivel sehol sem írja rajta. Ezt a két hangszórót rászeretném kötni a mixerre, de nincs erősítőm. A hangszóró szólna ha rákötném, illetve nem lenne baja a Mixeremnek? Hallottam olyanról, hogy másféle DJ mixerben is van erősítő, de nem tüntetik fel. ( Nem zenekari keverőre gondolok) Köszi előre is. !
A keverődnek vonalszintű kimenete van, ami csak nagy terhelőimpedanciára (esetleg nagyobb impedanciájú fülhallgatókat) tud meghajtani (fülhallgatót néhány mW-al ami arra elég). Egy füllható 32-64 Ohmos, egy tipikus terhelőfokozoat 10kOhmos (vagyis 10V-nál 1 mA folyik).
Mivel a kimeneti opampok általában rövidzárvédettek, valamint sorba szoktak velük kötni egy-egy 100 Ohmos ellenálást, ha valahogyan rá is kötöd a hangszórót, nem fogja tönkretenni (99,99%), szólni fog, de baromi halkan. A keverőd feszültségerősítést végez, tehát a bemeneti pár mV-okat felerősítő V-okra, de áramok szinte nem folynak. A hangszóród 8 Ohmos tehát a feszültség/áram arány 8, vagyis oda áram kell, amit a teljesítményerősítő (végfok) szolgáltat.
Értem, de csak azért kérdeztem, mert van egy ilyen eset is, ami családon belül van: Van egy hangszóró benne mély, közép, magas, és egy kis rádíóra van kötve, valami 30évesre, és mégis szól szépen, igaz ott csak egy hangszóró doboz van, nem 2.
Nyilván fejhallgató kimenetre van kötve, ami megint egy másik tészta.
Hát arra igen, és úgy ezt is meg tudnám oldani?
Szeretnék egy ilyen lámpát készíteni Bővebben: Link persze nem ilyen burkolattal meg minden, csak a lényeg, hogy USB-re kötöm, és 4 LED világítson. Valakinek valami ötlet? :worship: :wave: :pirul:
Íme az USB bekötése: bekötés female
Ezek alapján a tápsínre kötöd az ejtöellánnásos LED-et. (az ellenállás számolásához 5V-ról van segédprogram itt az oldalon).
Elég egyszerű a feladat...
A számítógép USB portjáról leveszed a feszültséget, ami ugye 5V körüli. PROGRAM Ezzel a programmal kiszámolod, hogy milyen ellenállás kell a ledek elé és kész. Üdv
Meg. De ennek a keverőnek (meg úgy általában a DJ keverőknek csak a cue csatornáját vezetik ki a füles kimenetre, te pedig nyilván a kevert kimenetet szeretnéd hallgatni.
Néhány alternatív megoldás: Számítógép aktív hangszóróját kötöd rá. Ehhez valószínűleg kell gyártanod rca dugó->jack aljzat átalakító kábelt. Hifi AUX bemenetére kötöd. Házimozi AUX bemenetére kötöd. Számítógép line in bemenetére kötöd, a kártya kimenetére pedig a hangszórókat. TV hang bemeneteire kötöd (esetleg kellhet rca->scart átalakító). Valamiből "kitermelsz" egy végfokot. Építesz egy végfokot.
Azta , köszi, de én azt hittem, hogy kapok egy kapcsolási rajzot, mert nagyon kezdő vagyok, és ez nekem így nehéz lesz ! :pirul: :pirul: :pirul:
|
Bejelentkezés
Hirdetés |










