Fórum témák

» Több friss téma
Fórum » Erősítő probléma
 
Témaindító: proksa1, idő: Márc 15, 2006
Témakörök:
Lapozás: OK   30 / 85
(#) sound válasza sliderboy hozzászólására (») Júl 18, 2010 / 1
 
Szia!
Nekem van egy Genius SP-E200-as PC hangfalam, én is túl halknak találtam de én végül beleépítettem az oldalon található TDA2030-as kapcsolást. Sokkal hangosabb és a trafója is bírja(mondjuk nem órákig max hangerőn).
(#) Faith hozzászólása Nov 2, 2010 /
 
Sziasztok!

Mivel amatőr vagyok a témában segítségre szorulnék. Van egy régi PCs hangszóró szettem. Mélynyomó + hangfalak. Tök jó lenne a műhelybe zenének, sajnálom kidobni.

Szétkaptam, de sajna nem találtam szemmel látható hibát. Biztosíték rendben, trafó végén mértem 12V váltóáramot. Bekapcsolásra nincs életjel, sem dióda nem gyullad ki, sem hang nem jön belőle.

Csatolnék pár képet. Látszik az IC száma is.

Tudnátok adni pár tanácsot, mit mérjek le, mit cseréljek ki, ilyesmi.

Előre is köszi!
(#) Faith válasza Faith hozzászólására (») Nov 2, 2010 /
 
Innen könnyebb leszedni:

Képek - data.hu
(#) Faith válasza Faith hozzászólására (») Nov 2, 2010 /
 
Még egy kép onlinera.
(#) Faith válasza Faith hozzászólására (») Nov 2, 2010 /
 
és még egy
(#) Faith válasza (Felhasználó 13571) hozzászólására (») Nov 11, 2010 /
 
Köszi!

Le fogom mérni.
Mit értesz "hideg" forrásztasi pontnak?
Illetve nem vagyok biztos az ICk lábainak számozásában sem.
(#) mindenes válasza Faith hozzászólására (») Nov 11, 2010 /
 
Hello!
Ellenőrizd még le a C404 és mellette levő C40x kondenzátorokat. Nekem nagyon úgy tünik hogy azokból hiányzik az elektrolit, mintha enyhén barnás lenne a tetejük.
(#) Faith válasza mindenes hozzászólására (») Nov 12, 2010 /
 
Köszönöm a tanácsokat. Remélem ma neki tudok ugrani.

Van egy multiméterem, de azon nincs kondi mérés. Csak dióda és tranzisztor, meg persze ellenállás. Hogy tudom ezzel ellenőrizni?
(#) mindenes válasza Faith hozzászólására (») Nov 12, 2010 /
 
Hello!
Először szemrevételezéssel ellenőrizd a kondikat nem biztos hogy kifolyt belőlük az elektrolit .Nézd meg hogy nincs e szétnyílva vagy megrepedve a tetejük.A kifolyt elektrolitnak barnás, kávés színe van. Hány mikrofaradosak a kondik?
(#) Faith válasza (Felhasználó 13571) hozzászólására (») Nov 12, 2010 /
 
A biztosíték rendben. 0-át mértem ellenállásnak, ill. dióda állásban is.

A két kondi, C404, C405 nincs felpúposodva. Azt már korábban is ellenörzitem, hogy nincs-e valamelyik felpúposodva. Viszont az egész lapon barnás lötty van. A kettö alatt meg föleg. Mindkettö 470µF 16V. Egy új van is itthon.

Az ICt még nem mértem.

Találtam hideg forrasztást is. A táp csatlakozó alatti egyik láb, mintha forrásztásostól ki lenne szakadva a nyákból. Ezt már korrigáltam is.
(#) Faith válasza Faith hozzászólására (») Nov 12, 2010 /
 
Hurrá! Úgy tünik siker! "Csak" a hideg forrasztást javítottam, és máris kigyullad a dióda. Egy hangszórót kötöttem rá, és megütögettem a jack bemenetet és szépen pattog.

Azért majd még kicserélem a két kondit. És akkor megtesztelem rendesen. Még visszajelzek.

Nagyon köszönöm a segítségeteket!
Ilyen apróságért kár lett volna kidobni a cuccot. Valószínüleg azért tört le a forrasztás a nyákról, mert ez a doboz leeshetett párszor. És a trafó mindkét lába ki van törve, így az összevissza lógott, rángatva a csatlakozási pontot.
(#) jenci2010 hozzászólása Dec 6, 2010 /
 
Sziasztok segitségeteket kérném. adott egy nordmende pa 1350. tipusu erősitő, amibe nem_tudom hogy végfok ict hol_lehet venni, vagy ha már nem_kaphato. mivel lehet hejettesiteni ..?

a választ előre is kőszőnőm mindenkinek.

űdv
(#) jenci2010 hozzászólása Dec 6, 2010 /
 
Még egy kérdés. nordmende pa 1350 kapcsolatban . egy őtlet. van egy magyar gyártmányu tranzisztoros erőkődőm, aminek a_potija kivan szedve, de végen szol .

A kérdés, rátudnám kőtni a nordmende pa 1350-nek a végfok előtt vagy valahová. hogy a nordmende pa 1350 erősitőbe menjen a kijelző, meg arrol lehessen hangositani a másik erősitőt ? ha_valakinek van egy elképzelése, akkor ossza meg velem. megkőszőném .


údv.
(#) Balaa16 hozzászólása Dec 11, 2010 /
 
Sziasztok!
A kérdésem az, hogy ehhez az erősítőhöz hány Ohm-os hangszórót kapcsolhatok?
Üdv: Balázs
(#) Action2K válasza Balaa16 hozzászólására (») Dec 11, 2010 /
 
Szia! Bármilyet. Még a kimeneti zárlat sem gond neki.
(#) Balaa16 válasza Action2K hozzászólására (») Dec 11, 2010 /
 
Szia!
Köszi a gyors választ!
(#) winstonlaci hozzászólása Dec 11, 2010 /
 
Sziasztok!

Vettem több, mint 1 éve egy SAL20 Aktív párt (egy aktív, egy passzív láda). Sajnos csak mostanában kezdem el használni (tehát no gari). (tegnap) normális használat (nincs túlhajtva) mellett egyszer csak búgni kezdett. Mindkét oldal búg, mint az állat, olyan 50Hz körüli, de csak a bal oldal szól, a jobb oldalin meg csak jön a búgás .

Mitől lehet ez?
Hol, hogy fogjak hozzá a hiba kereséshez? ...hátha találkoztatok már hasonló problémával.

...amúgy a cucc nem szól rosszul, de hihetetlen igénytelenek a forrasztások, hangosztó elhelyezés egy nyák darab, ami oda van csavarozva találomra a belső falhoz (két kondival), hajszál vékony hangfal kábel a passzív ládához, fél méteres hálózati stb

valószínű az egyik 'minőségi' alkatrész mehetett tönkre, na de melyik?

Előre is köszönök minden választ!


(állítólag az összes egy időzített bomba)
(#) jenci2010 válasza winstonlaci hozzászólására (») Dec 11, 2010 /
 
hell .
Valoszinű hogyha ic s az erősitőd akkor egyik végfok elszált .Ártalában zárlatnál fordul elő ilyesmi . vagy egy hibás forrasztás. ijen zárlat ellen.szokott lenni védelem hanszoro zárlat esetén leold.Vagy bisztositék miatt fordul elő .Abban az esetben ha patkolvavolt a bizti.

Forrasztásokat ellenőriz a végfok panelen.Nemtudom nemárt ellenőrizni az elkokatis.
Ha ezt megtetted. És a hiba fentáll továbra is akkor biztos zárlatos lett valamelyik végfok ic.
(#) batajohn hozzászólása Jan 2, 2011 /
 
Sziasztok!
A segítségeteket kérem a Receiver r35-ös erősítőmmel kapcsolatban.
Ha nem működik úgy 3 napig olyan ereje van hogy szédületes.De ha be van kötve(RCA csatlakozóval a gépbe)1-2 nap alatt lehalkul és alacsonyabb hangerőn meg.(Pl:Beüzemeléskor félre feltekerem úgy szól mint az állat de 2 nap múlva már sokkal gyengébben ugyanúgy félen.).Kérlek segítsetek!
Üdvözlettel:batajohn
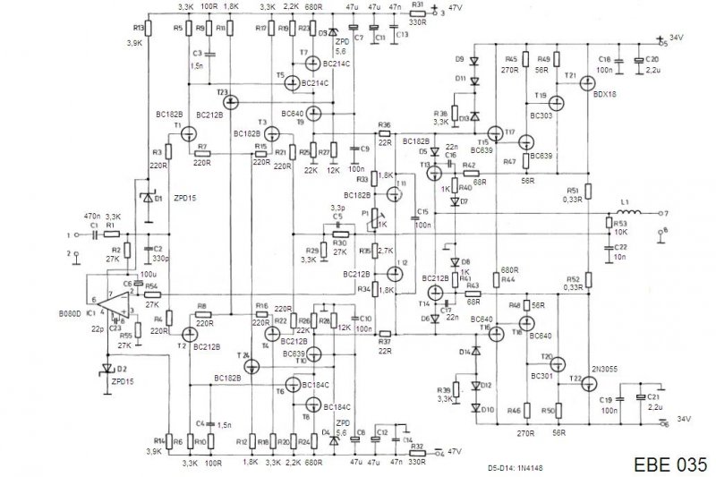
(#) cruisher hozzászólása Jan 26, 2011 /
 
Sziasztok!

Segítséget szeretnék kérni a mellékletben szereplő végfok javításához.
Mikrofon volt rákötve...emiatt begerjedt, és azóta torzít már alacsony hangerőn is. A kimeneten beáll a 0V offset, úgyhogy gondolom valahol az eleje fele lehet a gond.
Ehhez szeretnék segítséget kérni, hogy hol induljak el, és mit méregessek.Minek a meghibásodása okozhatja ezt?
A kimenetet néztem szkóppal is, bemenetre 1khz es szinuszjelet adtam, de a kimeneten szemmel láthatóan a jel nem volt deformálódott.
Segítségeteket előre is köszönöm!

ebe035.JPG
    
(#) Hardcoreman hozzászólása Feb 14, 2011 /
 
Az alábbi erősítőt megépítettem. Próbáláskor R17 elfüstölt. Vajon az lehetett a gond hogy R17 csak 0,25W-os volt?
(#) Novak válasza Hardcoreman hozzászólására (») Feb 14, 2011 /
 
Igen, egész biztosan az volt a gond! A 0,25 W oda nagyon kevés, legalább egy pár wattos kéne oda! Cseréld ki, és nem lesz gond.
(#) kadarist válasza Hardcoreman hozzászólására (») Feb 14, 2011 /
 
Szia!
Ez akkor szokott elfüstölni, ha az erősítő begerjed valami extrém nagy frekvencián. A vele soros 100nF nem zárlatos?
(#) Hardcoreman válasza kadarist hozzászólására (») Feb 14, 2011 /
 
Minden alkatrész új benne, és kimért, tehát ez a lehetőség kizárva. Épp azon gondolkoztam hogy miért kell oda az a 100 Nf kondi és az R17.. Szerintetek?
(#) kadarist válasza Hardcoreman hozzászólására (») Feb 14, 2011 /
 
Éppen gerjedésgátló szerepe van és a hangszóró induktív visszahatását is csökkenti. Egyébként működik az erősítő? A C7 + felén meg van a féltápfeszültség?
(#) Hardcoreman hozzászólása Feb 14, 2011 /
 
Tápfeszültség: 49V. A C7 pozitív pólusán 33V feszültséget mértem.
(#) kadarist válasza Hardcoreman hozzászólására (») Feb 14, 2011 /
 
Ott 24,5 V-nak kellene lenni. Az R3 változtatásával kellene belőni ezt az értéket. Szól az erősítő?
(#) Hardcoreman hozzászólása Feb 14, 2011 /
 
Kiszedtem ezt az ellenállást, és recsegve, de szól. Igaz csak 3W-os hangszóróval próbáltam a 100W-os helyett, mert az a hétvégi háznál van Na mindegy, betolok egy 10ohm/5W-os ellenállást, és remélem menni fog.
(#) Hardcoreman hozzászólása Feb 15, 2011 /
 
5W-os 10 ohmos elenállást tettem bele, s úgyis melegszik...Nem tudom mi lehet a baja, mindent ellenőroztem többször is.
(#) kadarist válasza Hardcoreman hozzászólására (») Feb 15, 2011 /
 
Gerjed, mint a fene. Képet mutass erről az erősítőről, úgy könnyebb lenne véleményt mondani róla.
Következő: »»   30 / 85
Bejelentkezés

Belépés

Hirdetés
XDT.hu
Az oldalon sütiket használunk a helyes működéshez. Bővebb információt az adatvédelmi szabályzatban olvashatsz. Megértettem