Fórum témák
» Több friss téma |
Fórum » Propeller Clock
Szia!
A Sony Capstan motorokon rajta van a ref. feszültség előállítása, (meg néhány ilyen motoron is megvan már az áramköri panelon). Tehetsz rá külön 5V-os tápfeszt is, ha nem találnád meg azon a motoráramköri sztátoron. Csak nagyon kevés Capstan motornál kell az 5V-os külön tápfesz a logikai szintek beállításához, /a nagyon régi motoroknál/. (Amióta ezek is "CMOS" áramkörökből épülnek fel, más lehet a logikai szintek feszültsége itt is.)
Szia!
- A forgótrafó működik álló helyzetben is, nem a frogása miatt indukácódik benne a feszültség, hanem a bázis által keltett változó mágneses tértől. - Egy LED -et mérj meg az elemekről hajtott ellenállással, csak úgy a három alkatrészt. Allíts be egy elegendően fényes üzemmódot. Mérd meg az ellenálláson eső feszültséget, számold ki (mérd meg) a led áramát. Számold ki, ehhez az áramhoz mekkora ellenállás tartozna a rotoron rá eső feszültségnél. Vedd a 120 -ad részét. Mérd be a tápegység részt a rotoron. Egy pic kimenetet köss fel a +5V-ra (pic nélkül), az emitter körbe a kiszámolt ellenállást, a kollektor körbe a LED-et kösd be. Indítsd el a rotort - nézd meg a fényerőt. Az a rotor áramgenerátorosan hajtja a led-eket, az áram lesz egyforma (a beállított). A 12V váltóval óvatosan, a video fej trafót tönkre is teheti...
Szia C27!
El kellene jutnod oda, hogy legalább egy egyszerű bázisáramkört összeraksz a fontosabb próbák és mérések miatt. 50Hz-es váltót nem javasolnék én sem rákötni a videó forgótrafóra semmiképpen, mert igen ”rossz” az átvitele azon a frekvencián a ferritmagos trafóknak. Ráadásul a túl vékony vezetékkel készült tekercsek terhelése sem felelne meg az elvárásoknak. (Forgás közben ez a trafó képes hűteni magát, de álló helyzetben le is éghet.) Ne felejtsük el, ezek jelszintű feszültségek átvitelére készültek, csak mi szeretnénk többszáz mA-t átpasszírozni rajta.
Ok, akkor megcsinálom a lépéseket és kipróbálom. A bázis áramkör elvileg kész van, csak a csatlakozókat kéne még felszerelni meg szépen átnézni nem e ér össze valami aminek nem kéne. A rotorról még hiányoznak az smd alkatrészek ezeket is felforrasztom kivéve az ellenállásokat amint időm lesz. Elvileg azt is megcsinálhatom ugye, hogy minden ledet kivilágítok és forgás közbe is megnézem mennyire folynak össze a ledek, mert az nem lenne vmi kellemes.
Sziasztok !
A táphoz nem vettem 12V Zénert. Van itthon 15V az jó lesz. Mit is jelöl a Volt, a terhelhetőséget?
Szia! Jó a 15Voltos de 5Wattos legyen!! Jó lehet 3Watt is de a PWM kitöltést hozzá kell igazítani ne,hogy elfüstöljön..
Köszi !
15V és 5W ami van így berakom nyugodtan.
Az lenne a nagy, ha a propeller visszaküldené a bázisnak az aktuális feszültséget és az annak megfelelő energiát küldene a propellernek.
![]() Ám lenne egy kérdésem. HDD motor méreteihez igazítanám a tekercset. Mely 100KHz környékén lenne hajtva és az említett hangolt rezgőkör lenne. Ha nem fér el, akkor növelném MHz tartományra. Nos. Nem fog ez rádió adóként működni? Azt nem szeretném, hogy egy másik földrészen is fogni lehessen. Még azt sem, hogy a környéken... A várható energiaigényt 5V,300mA-re saccolom.
Szia! A magas frekis teljesítményszintű forgótrafótól tartok némileg.. Félek a rotorban nem kívánt zajokat,feszültségeket indukál a hatalmas szórás miatt.. Ezt előbb tesztelni kell mielőtt élesben is legyártod..
Abszolute igazad van, csak azt hittem, hogy a nem publikus
16F886 programról beszélsz. Mert azt nem mondtad, hogy a forráskód melyik verzióból származik. Egyébként nem kell a hozzám intézett válaszokban a személyes névmást nagybetüvel írnod, mert én egy genny alak vagyok és nem érdemlek ennyi megtiszteltető figyelmet. Köszönöm.
Bocsánat, de még egy mondatot szeretnék elmondani ehhez a válaszhoz. Nem programozási elméletet akartam kérdezni, hanem, hogyan lehet egy nemlétező forrásból feltételesen fordítani. A feltételes fordítás a linkelés és az abszolut kód és relokálható kód technikáját ismerem. Valószínűleg mikor te születtél, én már akkor I8080 és Z80 procikat programoztam. Persze ez csak feltételezés és semmi rosszindulat nincs benne, még ha annak is látszik.
No csak ennyit. Tényleg nem gennyezni akartam.
Igy van, már neki is álltam, csak kéne rá egy hosszú hétvége. Be kell fejeznem a futó projectjeimet és akkor hirtelen belehasítok az éjszakába. Már néhány kódrészlet működik, mint pl. a PWM fényerőszabályzás. (Mondjuk nem kellene vele eldicsekednem, mert 6 sor az egész) A belső 32768Hz oscillátor és az óra/perc/másodperc számláló. A DCF77 decoder is már jól működik. Most a kommunikáción agyalok. Azt még asztalon ki kell próbálnom.
Hello Patexati!
A táp-ot lefelé vagy felfelé forditottad. Alkatrésszel felfelé könnyebb lenne beforrasztani a tekercset ha átfúrom, de lehet, hogy a propellerben okoz zárlatot valahol- bár hézagolással? Alkatrésszel lefelé viszont nehezebb beforrasztani a tekercset!
Én sem ma kezdtem a fordítást... Ha mond neked valamit: TPA-I - Focal, Odra 1070 - JASE assembly nyelven, I2920 analóg jelfeldogozó processzor. Talán még a nick nevem is emlékeztet valamire az ősprocesszor korból... Az említett időpontban még nem is gondoltak a 4004-re sem...
De tegyük már félre a csatabárdot. Ha elakadsz az átírásban, szívesen segítek, de a 16F690, 16F886, 18F2620 verziók forrása egyenlőre nem publikus. A Soubry Henk féle 16F628 kódot ennyi idő alatt már át lehetett volna írni akár a 18F2620 -ra is.
Sajnos én is hasonlóan érzek, mint patexati. Teljesen őszintén, gyakorlatilag csak apró szurkálódás megy a részedről szinte folyamatosan, amit mindig pontosítani, vagy megmagyarázni kell utólag, mert vagy félreérthető vagy túl ironikus, vagy túl szúrós. Nem patexati mellé állok, mert nem ismerem őt, csupán nekem is meglehetősen hasonló a véleményem. Én csupán olvasgatom a topikot a háttérben, annak létezése óta, úgyhogy talán így nem is számít olyan erősen a véleményem.
Szóval én csak arra próbálok rávilágítani, hogy lehet, kicsit inkább a tényszerűség és gyakoralatiasság vonalát kéne erősíteni, ahogy Hp41C is teszi pl., különben zavarossá, majd unalmassá, végül kényelmetlenné válik a topik olvasása.
Értem.
![]() Ha lenne tipped a tekercsre frekvenciára, szívesen venném. Lehet kis méretben nem megoldható a PCB tekercs. Amire még kíváncsi vagyok, mit szól majd a fém forgórészhez (HDD motor).
A nickneved után egy nyomtatóra asszociálok. De istenigazából én nem ástam ki a csatabárdot, csak mindenki azt hiszi. Lehet, hogy joggal. De nem genyóskodni akarok itt a fórumon, csak a ti fejlesztéseiteket látva kialakult bennem egy vélemény a működéssel kapcsolatban. Azt szerettem volna építő jelleggel sugallni (persze nem sikerült), hogy kéne már egy korszerűbb kütyüt készíteni, ami nem hordozza magán az ős Soubrik féle koloncokat. A mostani 886-os verziót meg azért szerettem volna megépíteni, hogy a hardveren is tudjam tesztelni, ha netán át akarom alakítani. Ezen a verzión könnyen ki tudtam volna próbálni a program modulokat és a saját szám ízére átalakítani a kódot. Ez sajnos nem megy. Ha nem hát nem. A hardver szerintem alkalmas egy fejletteb verzió megépítésésre is. Örömmel láttam, hogy azért a sugallataim termékeny talajra hullottak, mert felkaroltátok a DCF77 és a 18F2620 proci ötletét, néhányan pedig a base station -> propeller kommunikáció szükségességét, ami eddig nem, vagy csak érintőlegesen volt jelen a topicban.
Idézet: „A Soubry Henk féle 16F628 kódot ennyi idő alatt már át lehetett volna írni akár a 18F2620 -ra is.” Hát már megint egy nem jó ötlet. Ez olyan lenne, mint a romlott kaját áttenni egy fadobozból egy fényes dobozba. Attól még a romlott kaja romlott kaja maradna. Na, mindegy. Már a moderátorok is összerezzentek a topicot olvasva. Még jó, hogy nem az érzéseikre kell csak hagyatkozniuk.
Ígérem, hogy nem fogom unalomba taszítani a topicot. Ígérem, hogy ezentúl csak építő megjegyzéseket teszek a topichoz és nem fogok senkit sem lefikázni. (Nem is akartam) Ha megépűl valaha a saját propellerem, akkor szerőtársként feltüntetem a Hp41C és a patexati nevét is a stáblistán és rézbe maratom a nevüket.
Uff! Én szólottam.
Én kb 100kHz ferit használok, hogy ne legyen nagy a tekercs. Ez még mindíg nem elég nagy, hogy nyákból kis méretek adódjanak és meg lehessen emberi méretben csinálni. Marad a rézdrótos tekercs.
A hdd motor nagyon jó, csak nem szabad túl közel tenni az alu tartókhoz a tekercseket, mert elszívja az energiát és fűti a motort. Tapasztalatom szerint legalább 5-10mm távolságot meg kell hagyni a tekercs és a motor között.
Óriási távolságnak tűnik.
És ha a propelleren lenne egy tekercs mondjuk a tengelytől eltolva, az álló résznél pedig körben NeFeB mágnesek? Nem termelne elég energiát? Nyilván ez a fordulattól is függ.
Szia! Akkor marha erős motor kéne mivel az energiát meg kéne termelni és a felvett teljesítmény függvényében változna a fordulat (nekem már eszembe jutott régebben de lemondtam róla ezek miatt)..A hall szenzort is megzavarnák az erős mágnesek.. Szerintem jó a hagyományos tekercs csak ha nem igényel a rotor többet mint 5 Volt akkor vastagabb huzal,kevesebb mentből meg lehet tekerni ha emeljük a PWM frekit akkor még kevesebb menet kell mi egyszerűbb is és önhordós is lehet..
Sziasztok!
A HDD motoros verzió forgótrafó kivitelezésével igen sok probléma merül fel. Nem lehet tökéletesen házi körülmények között olyan forgó tekercset elkészíteni, amely ne rezonálná be a motor precíziós forgórészét. Erre egy lehetséges megoldás nyáklemezből készült nagyátmérőjű. lemez külső felületére ragasztott tekercs készítése, amely elég távol van a motor fémházától is, és fel van csavarozva a rotorral együtt. Alatta az állótekercs szintén megfelelő távolságban, törekedve a kis légrés elérésére. Ezzel tulajdonképpen oda jutunk, mint a PC ventillátorokból készített forgótrafós meghajtás, hiszen ez is légmagos kivitelezés, és ha nem kell nagyobb teljesítmény 1.5-2.5W-nál, kitűnően megállják a helyüket. Én mindenképpen olyan megoldást javasolnék, amelyet valóban meg lehet csinálni otthoni körülmények között, és nem igényel komolíabb forgácsoló gépműhelyt a megvalósítása.
Sziasztok!
Mit szóltok a hagyományos csúszógyűrűs kivitelhez. Nem bonyolult előállítani, és ezt a teljesítményt simán tudja.
Sziasztok!
A program fejlesztőihez lenne pár kérdésem. Nekem az alap 16F628-as órám van és nem tudom pontosan hogy mi alapján számolja az óra a másodperceket? Mivel mérjük a másodperceket (az oszcillátorral?)? A programon belül ez hol található? Továbbá hogyan történik az analóg mutatók léptetése illetve az analóg óra pontok meghatározása? A programon belül ezeket hol találom? Bocsi hogy ennyi kérdésem van de még kezdő vagyok az assembly-ben és nem világos még pár dolog. köszi
Szia!
Az alap óra működése: - Az időt a pic 20MHz oszcillátorának felhasználásával méri. A timer2 az utasítás végrehajtási cilkusokat (4 oszcillátor ciklust tesz ki) számlálja, 1000 cilkusonként azaz 200uS -onként megszakítást kér. A kiszolgáló rutinban egy szoftver 16 bites számlálót számoltat 65536-2500 -tól felfelé, ha átfordul, jelez a fő rutinnak, és újratölti magát. Ez már 2 jelzés - másodperc. - Az időt a TimeCheck rutin "tartja karban". - Az analóg mutatókat a Hands, a pöttyöket a Ticks rutin "rajzolja".
Értem köszi!
Még annyit hogy miért kell az órát a tápfesz után ki/be kapcsolni a távirányítóval, hogy működjön a kijelzés? Mi történik ilyenkor?
Sziasztok.
Még egy alap kérdés, hogy a kiegyensúlyozásnál mit használtok? Nekem kicsit ornehéz a rotor de tettem a nyák aljára egy rossz ic-t átlátszó ragasztóval és akkor elég jó lett nem üt forgás közbe csak alig érezhetően. A gondom az, hogy ez a kiegyensúlyozó ic elég nehéz darab és nem sok hely van a nyákon ólomsúlyt használ mindenki vagy mit szoktatok? (Az ólmot lehetőleg kerülném azért.) (Kiegyensúlyozásnál ugye csak a nyákot alá kell támasztani 2 helyen és akkor az oldalsó egyensúlyt meg lehet nézni aztán hogy forgás közbe hol áll meg és a végén egy csavar fejére ha ráteszem a közepét és megáll akkor jó?)
Szia!
Sok változat készült, nem mindegyikben konzisztens a belső állapot és a trafó, infra led vezérlése a portokon. Ha többször ki/be kapcsoljuk, akkor a két információ (előbb - utóbb) konzisztens lesz...
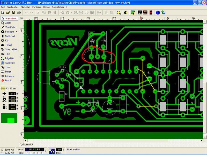
Sziasztok Én most szeretnék bele kezdeni egy propelleres órába és lenne egy alap kérdésem a mellékelt rajzon amit Vicsys mester csinált van ugye egy kvarcz , a közte lévö forr pont mi? Vagy oda lehet tenni egy rezonátort is? És még annyi hogy ha áll az ora tehát nem pörög hogy ad jelet a bázisnak mennyi távolság kell a foto tranyo és az ir led közé?
|
Bejelentkezés
Hirdetés |





16F886 programról beszélsz. Mert azt nem mondtad, hogy a forráskód melyik verzióból származik. 
Amire még kíváncsi vagyok, mit szól majd a fém forgórészhez (HDD motor). 
