Fórum témák

» Több friss téma
Fórum » Tesla tekercs építése
 
Témaindító: finenet, idő: Júl 17, 2006
Lapozás: OK   97 / 227
(#) Jaksi válasza BULL1988 hozzászólására (») Dec 5, 2010 /
 
(#) belganarancs válasza Jaksi hozzászólására (») Dec 5, 2010 /
 
Az alap leírásban tényleg nincs,de én tuti olvastam már róla valahol.Bull1988-nál a pont,az nem a minitesla része.
(#) belganarancs válasza Jaksi hozzászólására (») Dec 5, 2010 /
 
Szellős a nyák,szuppi.Én a pici nyákot preferálom.
(#) Jaksi hozzászólása Dec 5, 2010 /
 
A zöld vasmagrol tudja valaki, hogy milyen Al számú? Mert nekem ilyen van és remélem jó a 12v-os miniteslába.
(#) pcroland válasza kampy hozzászólására (») Dec 5, 2010 /
 
Köszi,köszi! Igen ez az amit kerestem
(#) Jaksi válasza Jaksi hozzászólására (») Dec 5, 2010 /
 
Na ezt találtam a szinkodokrol: "A színkód a következő: piros - olvadék, zöld - ausztenit, szürke - cementit, sárga - ledeburit, világoskék - ferrit, sötétkék - perlit"

Meg tudja mondani valaki ez alapján, hogy akkor a zöld jó lesz-e?
(#) _BiG_ válasza Jaksi hozzászólására (») Dec 5, 2010 /
 
Ilyen szövegeket, hogy ausztenit, meg ledeburit, utoljára a vas-szén állapotábra kapcsán hallottam..
(#) BULL1988 válasza Jaksi hozzászólására (») Dec 5, 2010 /
 
Szépe lett, tényleg szellős a nyák, de ez nem probléma.... Ledekkel meg fogod majd világítani?
(#) marksman válasza Jaksi hozzászólására (») Dec 5, 2010 /
 
A tesla tekercs rezonanciájára hangolt rezgőkör.
Világosan benne van a 3. tesa leírásában.
:nezze:
http://skory.gylcomp.hu/tesla/mini_tesla.html
(#) marksman válasza BULL1988 hozzászólására (») Dec 5, 2010 /
 
(#856393)
(#) BULL1988 válasza marksman hozzászólására (») Dec 5, 2010 /
 
Nem értem ezt a hozzászólást? Talán ennél a színvonalnál értelmesebbek vagyunk.... De ezek szerint vannak kivételek.

Szerinted a minitesla része? (ha igen, akkor mutasd meg, hogy hová kötöd be a kapcsolási rajzon....)
Mellesleg megjegyezném, hogy a képen csak egy plusz tekercs látható, nem pedig egy rezgőkör.... Amit te mondasz az a C4-L4....
(#) marksman válasza BULL1988 hozzászólására (») Dec 5, 2010 /
 
Az az L4.
(#) BULL1988 válasza marksman hozzászólására (») Dec 5, 2010 /
 
Szerinted az az L4? Érdekes... Megépítetted a miniteslát?
(#) marksman válasza BULL1988 hozzászólására (») Dec 5, 2010 /
 
Meg , a 3. -at , de én nem csináltam meg hozzá az L4-et mer nem tudom pontosan hogy kell.
(#) BULL1988 válasza marksman hozzászólására (») Dec 5, 2010 /
 
Itt van a gond.... Az L4 ugyanis egy radiális induktivitás (nem pedig egy plusz tekercs a primer mellett.... Nem tűnt fel, hogy a többi képen nincs plusz tekercs a primeren kívül?), a C4 megy egy pár nF nagyságrendű kondi. E kettő értékéből kiszámíthatod a Thomson-képletbe behelyettesítve a rezgőkör frekvenciáját. Ennek a frekvenciának kell megegyeznie a szekundered rezonanciafrekvenciájával. Azt meg ki tudod számolni a tekercs átmérőjének, a menetszámnak, a huzalátmérőnek és a plusz tetőkapacitás nagyságának segítségével (Skori oldalán a letöltések között van hozzá program).

Mindenképpen ajánlom a beépítését, mert sokkal stabilabbá teszi a tesla működését, nehezebben üt át a primerre a szikra, így lehet növelni a csatolást is, ergo nagyobb szikrákat kapsz....
(#) pcroland válasza BULL1988 hozzászólására (») Dec 5, 2010 /
 
Én is bele fogom majd építeni mert hosszabb lesz az élete az áramkörnek és a szikra is hosszabb és vastagabb.
(#) pcroland hozzászólása Dec 5, 2010 /
 
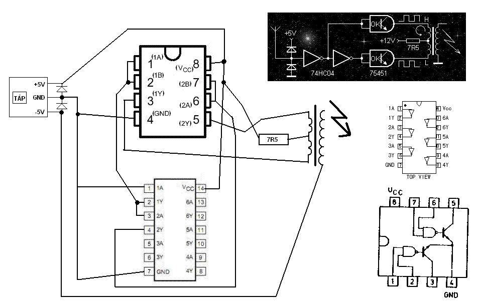
Nem tudnátok a micro teslával kapcsolatban segíteni?A képen láthatót akarom megépíteni. A tekercs méretei Ezt nem nagyon értem.Milyen széles a cső És mennyi a megtekercselt rész hossza?A 74HC04 és a 75451 lábai nincsenek odaírva nem tudja valaki melyik melyik?

névtelen.JPG
    
(#) BULL1988 válasza pcroland hozzászólására (») Dec 5, 2010 /
 
Szekunder:
d = 21,5 mm (átmérő)
h = 31 mm (megtekercselt rész hossza)
N = 470 (menetszám)
wired = 0,066 mm (huzalvastagság)
wirel = 32 m (feltekercselt huzal hossza)
RDC = 176 ohm (ellenállás - DC)
RAC = 177 ohm (ellenállás - AC)

Lábkiosztás.
(#) belganarancs válasza pcroland hozzászólására (») Dec 5, 2010 /
 
Előbb 74HC04 és a 75451 beszerezhetőségükről győződj meg..
(#) pcroland válasza BULL1988 hozzászólására (») Dec 5, 2010 /
 
Akkor a 74HC04 -nél csak az 1-es,2-es,3-as és a négyes láb elég nem is kell vcc és gnd?Tulajdonképen diódák vannak benne? És a 75451-be bele van rajzolva két tranzisztor szerüség és akkor a vonal melyikből jön a kollektor vagy az emitter?Nem lehetne a 75451 helyett tranzisztort használni?És két 75451 van az áramkörbe?
(#) pcroland válasza belganarancs hozzászólására (») Dec 5, 2010 /
 
74HC04 hestore 75451 lomex. Smd -be veszem meg.
(#) belganarancs válasza pcroland hozzászólására (») Dec 5, 2010 /
 
Akkor nyugodt vagyok.
(#) BULL1988 válasza pcroland hozzászólására (») Dec 5, 2010 /
 
Táp meg föld hogyne kellene.... Nem diódák vannak benne.... 75451-ben 2 "tranzisztorszerűség" van, így nem kell két ic belőle. Az adatlapot böngészd és rájössz a képek alapján.... (most néztem meg és rajta van! - tessék keresgetni)
(#) pcroland válasza BULL1988 hozzászólására (») Dec 5, 2010 /
 
És az ic-k gnd-jére a -5v jön vagy a föld?
(#) BULL1988 válasza pcroland hozzászólására (») Dec 5, 2010 /
 
gnd=ground (föld)
(#) pcroland válasza BULL1988 hozzászólására (») Dec 5, 2010 /
 
Ellenőriznéd jól rajzoltam-e meg?

névtelen.GIF
    
(#) BULL1988 válasza pcroland hozzászólására (») Dec 5, 2010 /
 
Egy pár helyen megkeverted a földet és a -5 voltot, nem mindegy. Valamint a primer tekercsek az ellenálláson keresztül 12 voltot kap. Szerintem rajzold le még egyszer szépen lekövetve az oldalon lévő kapcsolást.

De azt remélem tudod, hogy ezzel a kapcsolással nagyon kicsit lesz a szikrahosszod.... (a képek alapján)
(#) pcroland válasza BULL1988 hozzászólására (») Dec 5, 2010 /
 
Nem kevertem a gnd megy ahova kell és a -5vpedig csak a szekunderre. Vagy akkor,hogy kell?És igen tudom.És a 12 voltot honnan kapja?
(#) BULL1988 válasza pcroland hozzászólására (») Dec 5, 2010 /
 
Na ez az, -5 volt a szekunderre? Amúgy -5 volt nincs is a kapcsolási rajzon, stb....
(#) belganarancs válasza pcroland hozzászólására (») Dec 6, 2010 /
 
Rajzoltál egy szimmetrikus tápot,de minek?
Következő: »»   97 / 227
Bejelentkezés

Belépés

Hirdetés
XDT.hu
Az oldalon sütiket használunk a helyes működéshez. Bővebb információt az adatvédelmi szabályzatban olvashatsz. Megértettem