Fórum témák
» Több friss téma |
Fórum » Fényorgona
Akkor lenne 10 ohm ha 225mA-val számolnánk. S ez lehet már sok lesz a LED-eknek. ( S még így is csak 0.54W-os ellenállást ajánl a program. P=U*I vagy P= I2*R )
Én így számoltam: párhuzamos kapcsolás (a fesz. megtartása miatt); tápfesz: 12V; LED-en eső feszültség: 3,2V; LED-en átfolyó áram: 300mA (a csatornánkénti 3db led áramfelvétele); LED-ek száma: 3db. Szabvány ellenállás: 10Ohm, szükséges teljesítmény: 7,92W.
Valami nem igazán jó!
A kapcsolási rajzon is, (Bővebben: Link) sorosítva vannak a LED-ek. Így lehet a tranzisztor áramát csökkenteni és ezzel együtt a rajta keletkező hőt is. Valamint látható, hogy minden füzérnek egyedi áramkorlátozó ellenállása van. Nem véletlen!!! Ha a LED-eket párhuzamosan kötöd, ( Ha lehet akkor saját áramkorlátozó ellenállást tegyél minden LED-nek!. ) akkor sem fog 10 ohm -ra kijönni az előtét ellenállás értéke. Na de számoljunk kicsit! R = U / I R = ( UT - Uled ) / Iled UT = _12V_ ( CD ) Uled = _3.2V_ ( A LED-ek párhuzamos kapcsolása miatt a nyitófeszültségek nem adódnak össze! ) U =12V - 3.2V = _8.8V_ I = 3*100mA = _0.3A_ (A LED-ek párhuzamos kapcsolásánál az áramok összeadódnak! ) R = 8.8V / 0.3A = _29_ Ω _ P=U*I vagy P= I2*R = _2.64W_ Ellenőrizd a számításod! :nezze:
na látom ti itt naon benne vagytok a ledek számolgatásában lenne egy olyan kérdésem hogy találtam takaritás közben a padláson elvileg egy fényorgona vezérlö egységet amit letteb linkelek és hogy annak az egyik kivezetésére szeretnék rá kötni egy spot lámpa ledes izzoját amit szintén linkelek hogy ezt az izzot össze lehet e hozni ezzel a vezérlövel én itt storboszkopra gondoltam hogy azt csinálok az egyik kivezetésböl a másik kettöre meg valami szines ledeket kötni ne ugye ez 220 v -os hogy most milyen ledeket vegyek 220 sat vagy esetleg egy rakat 3fél nyito feszüt vagy egyéb más öttletet is szivesen fogadok
fény orgona spotlámpa izzó
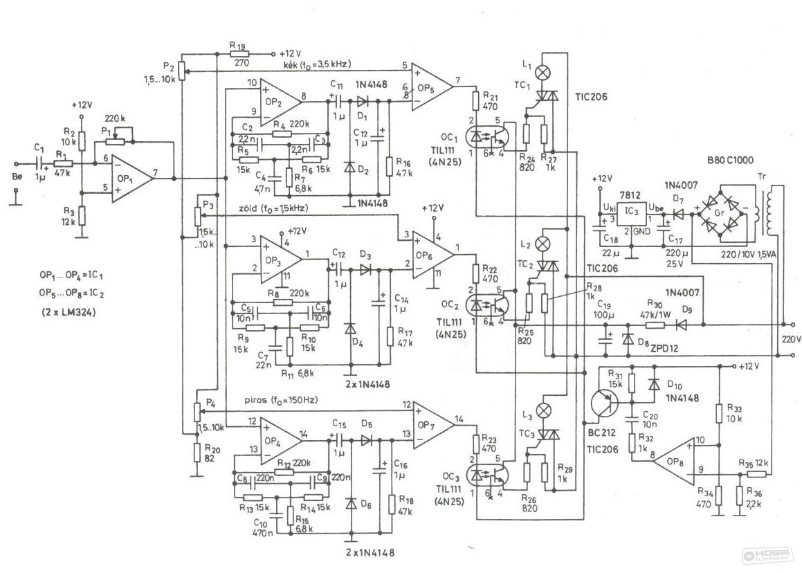
Üdv! A mellékelt fényorgonát akarom megépíteni, és szeretnék rá ütemjelző led-eket. Úgy gondoltam, hogy az optocsatolók led-jeihez kapcsolom vagy sorosan, átméretezve a 470 ohm-os ellenállásokat, vagy párhuzamosan plusz ellenállással, ha szükséges. Kérdés, hogy hogy csináljam, és bírja-e.
Előre is köszi.
Hello!
Természetesen sorosan célszerű. De szerintem egy soros Led esetén, nem kell átméretezni semmit, van elég tartaléka a 12V-nak. üdv! proli007
Sziasztok!
Utánépítettem az LM324 - 4N25 - TIC206 féle kapcsolást, ledek az optok helyein szépen villognak a zene ütemére, de utánuk már semmi. Eleinte még BT136-al is próbálkoztam, most kicseréltem mindet TIC206-ra, ellenállások, kondik szerintem rendben, az izzók kimenetein pedig olyan 30-75 V váltófeszt mértem ha ráengedtem a 230-at. Szerintetek hol lehet a gond? Köszi előre is, mellékelek két képet a panelról, szombaton HB jó lenne ha műxeneÜdv. zetef
Szia! Ha az izzókra csak 30-75V megy ki, akkor nem nyit ki teljesen a triak! Szerintem csökkents az ellenállás értékén. Az opto feltételezem jó..
Szia! Feltétele, hogy EZ az elvi kapcsolás van a nyákon is megvalósítva...
A BC212-es nullátmenet vezérlő tranzisztor ( Az OP8-as vezérli. ) rövidre zárására, hogy viselkedik az áramkör? Ha a triakok rendesen vezérelhetők akkor az OP8-as feszültségosztói körül kell ( kellene ) a hibát keresni. UI: Van egyszerűbb megoldás is a triakok vezérlésére...
Üdv megépítettem az első fényorgonám de nem működik.
A kapcsolási rajzot és a nyáktervet is az 1994/11 Hobbielektronika újságból szedtem. Átnéztem a nyákom és azt vettem észre hogy egy kondi ki lett hagyva a nyákterven...(de lehet hogy elnéztem csak ![]() Van aki már megépítette ugyan ezt a nyákot? És ha igen működött?
Sziasztok!
Kicsit megkésve, köszönöm a tippeket, végigpróbálgattam minden lehetőséget (optok rövidre zárása, nullátmenet tranyó, stb.) viszont végül a 47K/1W ellenállás csökkentése orvosolta a problémát. Talán nem volt elég a vezérlőfesz a triakoknak, pedig 11,5V körül volt a 47K-al. Most még egy probléma fennmaradt, a 'közép' csatorna még nem akarja az igazat, opto rövidrezárással begyújt a triak egy pillanatra, de egyébként nem. Másik két csati már teljesen jól megy, a bulin jól debütáltak ![]() Üdv. zetef
5 hozzászólással lejjebb raktam be ugyanerről a kapcsolásról és panelról képet.
Melyik kondira gondolsz? Készíts egy fotót róla, akkor kiderülhet mi a gond.Üdv. zetef
Szia! Ha a kontroll LED-ek is a panelon vannak akkor el kellene távolítani őket. Főleg a piros veheti el a nyitófeszültséget az optocsatoló LED-jétől. Ha mégis szeretnél kontroll LED-eket, akkor az optocsatolóval sorosan kell bekötni. Üdv.: _jani_
Csináltam képeket (nem a legjobb minőségű mert nincs fényképező gépem).
Ezek szerint neked működött ez a kapcsolás? Én eddig csak a ledekkel próbáltam de nem működött...
Alaposan ellenőrizd a nyákot. Ha rendben van akkor mérd ki a 12V-os tápegységet.
( A szűrőáramkör tesztelésénél is 12V AC-ról tápláld a kapcsolást! Ha DC-t kötsz a GRAERZ elé akkor a mullátmenet vezérlés nem fog működni és ezért a kontroll LED-ek sem fognak világítani. De az a gond áthidalható a T1-es tranzisztor rövidrezárásával. ) Kezd a stabilizátornál, majd minden IC csatlakozóban is mérd ki a tápfeszültségetek. Ha az rendben van, akkor a Ellenőrizd az R2 - R3-as feszültségosztón a feszültséget. Ott közel fél tápfeszültségnek kell lenni, mert nem egyforma a feszültségosztó ellenállásai. Ezután a potenciométereket ellenőrizd! Ha ott is rendben van minden akkor csak a kontroll LED-elet és az IC-ket kell polaritáshelyesen a foglalatokba dugni. S mehet a HF jel. Addig a 230V-os résszel ne is foglalkozz amíg a vezérlőpanel nem működik tökéletesen!
Akkor lehet csak a dc 12V a baj mert csak azzal próbáltam.
A nyákot már többször is ellenőriztem nem volt semmi baj. Köszi a tanácsot amint lehetőségem lesz kipróbálom.
Szia!
Valóban, a kontroll ledek eddig párhuzamosan be voltak kötve az optok ledjeivel, le is szedtem őket és meglepetésemre így már nem megy a vezérlés egyik csatornán sem. Ez mitől lehet? A középső csatorna továbbra sem oké, az opto jó, teszteltem, ha rövidre zárom a tranyóját akkor begyújt konstansra ő is, de amúgy nem.Üdv. zetef
Hello!
Ha mindenhova felteszed ugyan azt a kérdést, akkor válasz előbb nem lesz, csak figyelmeztetés. Nyugalom! Olvassák a népek a topikokat. Ha meg valamit szeretnél készíttetni, akkor ott az apróhirdetés. Oda tedd a kérésedet.. üdv! proli007
Szisztematikus hibakeresést kellene végrehajtanod.
Bár általában a probléma a legutolsó művelet környékén szokott lenni. Ha a párhuzamos LED-eket eltávolítottad, akkor még több "energia" jut az optocsatolóra. Igy annak határozottabban kellene működnie. Egyenlőre neked is az optocsatoló LED-re cserélését javasolnám. ( Vagy ha nem akarod eltávolítani az optocsatolókat, akkor egy-egy sorbakapcsolt LED-del tudod korrekten megoldani a visszajelzést. ( Legegyszerűbben SMD LED-et tudnál az áramkörbe beépíteni. ) Szerintem ALAPOSAN ellenőrizd le és mérd ki a középső csatornát. Mert ha a nullátmenet tranzisztorát áthidalod és nem adsz HF jelet, akkor annak nem szabad bevezérelt állapotba kerülnie. Ellenőrizd le, hogy a C12-es kondenzátor polaritáshelyesen van-e beforrasztva. Mérj feszültséget az OP8 1. 2. 3. lábán. Ellenőrizd az OP3-as szűrő alkatrészeit, hogy nincs e véletlen felcserélve valamelyik... Remélem megtalálod a probléma forrását.
Köszi a tippeket, holnap megnézem ezeket.
Üdv. zetef
hello nem tud nád hozz á csatolni 87.oldalt is mert az alappanel
nyomtatási rajz is kéne
Hali!
Kicsit tagolatlan a mondatod, de nekem nincs meg a 87. oldal, nem értem mire gondolsz pontosan.
eről van szó
ja bocs amugy a szöveg irja 87.oldalt
Minek még egy fokozat, mikor már ott van egy műveleti erősítő? Annak is bárhová állítgathatod az erősítését ha a miatt akarnád.
Gondolom a nyáktervet szeretnéd "látni"...
![]() A LED-panel Nem méret azonos!
Elég egyszer feltölteni a képet! Utána elég csak képre > Link <-elni... :nezze:
A LINK gomb mellet a VÁLASZ gombot is használd légy szíves! Köszönöm. |
Bejelentkezés
Hirdetés |





jó lenne ha műxene















