Fórum témák
» Több friss téma |
Mielőtt kérdezel, a következő két dolgot ellenőrizd!
I. A helyes tápfeszültségek megléte.
II. A kimeneten van-e egyenfeszültség.
Élesztés.
Ez csak a műveleti erősítők tápja. Az első kondin 36V van a másodikon az ellenállás után kb 14V és utána van 5voltos stabkocka majd a műveleti erősítők. Mindenhol van hidegítő kondi még külön a műveleti erősítő lábaira is raktam és semmi változás. Ezért fonom már a hajamat, mert el nem tudom képzelni, hogy miért csinálja. Az erősítő egyáltalán nincs földelve, mert nincs rá szükség és csak gond volt belőle állandóan, főleg ha olyan forrással használtam ami földelve van (számítógép).
Az biztos, hogy nem a végfokok szedik össze a zajt, mert ha leveszem a vég bemenetéről a műveleti erősítőt és csak lógni hagyom a bemenetet akkor nem tudom úgy megszikráztatni a kislámpát, hogy pattogjon.
Persze, én értem, jó kis áramkorlát, élesztésre talán jó.
Bár , hogy minek ennyi puffer kizárólag az OPA-k nak?
Nem írtam volna ezt, ha nem lenne elég tapasztalatom velük. Jó az undorító kicsit túlzás volt, de még olyan műveleti erősítőket is kerülöm ami FET bemenetű, mert egyszerűen nem tudtam megbarátkozni velük.
Még a boltos ürge is azt mondta a pécsi globálban, hogy például az Ágota végfokok is csak topláda hajtására jók mert mély hangok megszólaltatására teljesen alkalmatlanok. Mellékeltem egy erősítőt amit hallgattam egy darabig és sajnos az sem nyert, mert ugyanúgy a mélyét nem vette be a gyomrom, meg olyan semmilyen hangja sem volt.
Attól, hogy vannak jobb hangú fetes erősítők is, általában tényleg kicsit karcosabb a hangjuk. Persze a jellemzés mindenkinek ízlésétől függ, de általában ügyeskedni kell ennek eltüntetésén. A fetek hangja nagyon precíz, paraméteri alapján általában jobb mint a tranzisztoros kapcsolásoké, aminek vélhetően fő oka a feszültségvezérlésükben rejlik. Ámde mindezzel együtt is ritka a különösen jó hangú fetes erősítő.
Végül én is mondok egy ellenpéldát. Nálam a mintapanelként létező AEM600-nak nagyon lágy, nagyon barátságos, kifejezetten "nem-fetes" hangja van. Idézet: „hogy minek ennyi puffer kizárólag az OPA-k nak?” Mert van És ha meghallom a brummot az erősítőből akkor megbolondulok. Így biztos, hogy nem brummos a táp és az ellenállások miatt sincs gond mert 5V-ra stabilizálok. Idézet: „mindenféle topológiájú erősítőből vannak jók és rosszak is, ezt nem az dönti el, hogy FET-es , csöves vagy tranyós e.” Ez így igaz szerintem is, és egyetértek a delikvenshez kapcsolódó h.sz-eddel. Jézusom,meg kellene már csinálnom a Lacitól vett csövekből a GU50SE-t úgy is itt a tél.
Ó, látom honnan fúj a szél, az Ágota DS 1200 meg 600- ezeket ne is vedd alapul, PA, nem erre gondoltam, hanem az otthoni minőségi zenehallgatásra, ez nagyon nagyon más kategória. Én 10-30w-okról beszélek, nem több százról. Mindenesetre biztos vagyok benne , hogy tetszene a Hybrid hangja.
Arról tudnál ne izgulj
Nincs,mer nem merek neki állni. Nekem már 100V felett az sok...Pedig CHZ is segített már...
Ez most csak egy példa volt. Az a lényege a sztorinak, hogy amikor jellemezte az ürge az ágotákat akkor nagyon jól felismerhető volt a FET jellegzetessége.
Idézet: „éppen ezért mondom, hogy kategorikusan kijelenteni azt, hogy a FET-es undorítóan szól, egyszerűen, a szakmai tapasztalat hiányát engedi feltételezni. Ebből szűrtem le szerény feltételezésemet, miszerint a delikvens valóban nem hallott még jó FET-es erősítőt.” Ez a delikvens nem is fog hallani jó fetes erősítőt mert mindennek megvannak a maga jellegzetességei, és teljesen más kategória a FETes, a Tranzisztoros és a csöves erősítő is. Ha nekem alapban nem tetszik az egyik kategória hangja akkor kizárt dolognak tartom, hogy lenne belőle olyan ami elnyerné a tetszésemet mivel mindegyiknek megvan a maga jellegzetessége ami miatt tetszik, vagy nem tetszik valakinek. Nemhiszem, hogy mást így kellene ismeretlenül minősíteni csak mert megvan a véleménye valamiről. A csöves erősítőkről például nem írtam semmit mert nemigazán volt még dolgom ilyesmikkel és nem fogok semmit sem dícsérni, sem szídni ha nem foglalkoztam még vele.
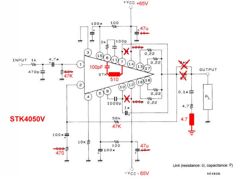
Sziasztok! Stk 4050 II -vel kapscolatban lenne egy felvetés-kérdés. A 3-as láb testen van ,és össze van kötve a hűtőfelülettel a tokon belül. Nem gond az hogy itt is ott is testet kap? Mi lenne ha csak a hűtőn kapna testet a 3-as láb pedig nem lenne bekötve?
Szerintem inkább szigeteld el a bordától és adj neki külön testet.
üdv
Itt a lényeg kolléga,
Idézet: „Ha nekem alapban nem tetszik az egyik kategória hangja akkor kizárt dolognak tartom, hogy lenne belőle olyan ami elnyerné a tetszésemet” Erre akartam kilyukadni, attól, hogy neked nem tetszik, még lehet jó az az erősítő. A jellegzetességekkel részben egyetértek, vannak ismérvei a csövesnek is és a félvezetősnek, mindössze arra szerettem volna felhívni a figyelmet, hogy így, ahogyan tetted, nem illik egy kalap alá venni és leírni valamit, azért mert FET-es. Ugyanakkor megint más hangja van egy sima FET-es erősítőnek, és megint más, egy csöves meghajtással rendelkező FET-buffernek, ahol a FET csak áramot erősít, feszültséget nem, viszont mindkettő FET-es. Teccikérteni?
Ez is egy megoldás ,de elég nehézkes az elszigetelés. Nincs ekkora mikám .
Egyetértek pigivel, az a biztos, ha szigeteled és ott adsz neki testet ahol kell, de az is elfogadható, ha csak a bordát szigeteled el a kasznitól és akkor nem kell szórakozni az IC tok szigetelésével.
üdv
Anno én úgy oldottam meg a dolgot,hogy az stk müanyag boritását óvatosan levettem vékony csavarhúzóval és a 3. lább felett a nyákon van egy kis dróttal rákötve a hátlemezre a föld,ezt könnyedén lecsiptam és visszaragasztottam a fedélt,kb két éve volt és azóta is megy.
Ez jól hangzik. Nem akarnám szigeteléssel rontani a hőátadást ha nem muszáj. Tényleg meg lehet bontani a tokot sérülések nélkül?
Szerencsére a 4050 es stk k nagyon gyengén vannak ragasztva,igy alulról a lemez és a müanyag boritás közé kis laposcsavarhúzöt óvatosan belehet kocogtatni kis kalapáccsal addig mig elnemválik a müanyagtól.Nagyon óvatos légy,hogy nehogy megugorjon és valamit lesodorj a belsö lapról.Nekem nemvolt gond a szétszedésükkel.2 darabot csináltam meg igy,mivel csak azon a kis drótocskán csatolódik a hátlemez a földjöz.Mindenképpen a két saroknál próbálkozz a lábak mellett,a két szélén nyugodtan beütheted a csavarhúzót,ott nincs a belsöpanelon semmi alkatrész kb rgy cm méjségig,azután van a végtranyó,de annak is csak a réz oldala.
Srácok! Miről beszéltek? Az STK szubsztrátját a hűtés felől egy nagyon vékony szigetelő (lakk?) réteg borítja. ott mit akartok szigetelni?
Idézet: „Ha nekem alapban nem tetszik az egyik kategória hangja akkor kizárt dolognak tartom, hogy lenne belőle olyan ami elnyerné a tetszésemet” Ennyi, és innentől szubjektív megítélés, az agyi elhatározás a domináns.
üdv
Altalában van is,de ami nekem volt a kezemben akárhogyis mértem multival,mindenhol sipolt,szerintem ez igyvan a problémávalküzdö kolégánál is,bár én azért megmérném.
Ha a SANYO már ugye nem gyártja, a klón meg nem ugyanaz ezek szerint.
Gynús,hogy ami nálam van az valami utángyártott kinai sz...r,de szerencsére még mennek.
Ezért nem értem miért kellett cirkuszolni.
Amúgy továbbra is áll a kérdés, hogy mit tudok tenni a műveleti erősítők pattogásával?
Íme elkészültem vele. Jól ráment az egész napom. Ventillátoros ügyben arra jutottam, hogy ugy sejtem akkor indul csak be ha szól a zene és a kimeneti feszültésg elér egy bizonyos szintet és akkor kapcsol be. Jól gondolom, vagy eleve hülyeség amit irtam?
Hidd el, hogy a hangositásban is vannak _nem is kicsi_ különbségek az erősitök hangjukban
Vannak legendásan jó darabok. Nagyjából a Quaddal egyidős a DC 300. Ma is gyártják, ( Jó drágán eltudják adni ) Persze a mai tranyok amiknál is bénábbak. Az akkori tranyókkal ( 2N3773 8db oldalanként, 7X7mm-es cchip, alig fért a tokba, a korabbeli RCA-ban is csak 6x6mm volt ) a világ legmegbizhatóbb erősitője büszke cimet viselte, amelett, hogy jól szólt, és hangosabb volt mint az egyebbek kétszer akkora Wattal ! Sok Road tanúsithatja
Az OPA-k bemenetén lévő kábel ami jön a potiról az szedte össze a zajt.
Már irtam, de, mégegyszer: A leghatásosabb zavarszürés a zavar megszüntetése. Pl egy 0.047-220nanos kondi a kapcsolóra. 630V-os ! nem gagyi impulzusálló., Vagy kifejezetten erre célra gyártott tokon belül van egy ellenálás sorba a kondival hogy kimélje a kapcsoló kontaktusát
Nem kizárt, hogy a nagy dampinges erősitőket kivánja a hangfalad. Crown ( Amcron ) DC 300-as az kénne Neked.
A FET-est is meglehet ilyenre csinálni
Sziasztok, nemtudtok véletlenül Szegeden valakit aki nagyon bennevan a szakmában?Egy Harman Kardon DPR 2005ös erősítő végfokait kellene javítani, SMD benne minden, nekem ez már magasiskola, előre is köszönöm, mégegy kérdés, ezt: Bővebben: Link az alkatrészt valahogy belehet szerezni?Itthon egyik alkatrészesnél se találtam.
|
Bejelentkezés
Hirdetés |




Bár , hogy minek ennyi puffer kizárólag az OPA-k nak?
Nincs,mer nem merek neki állni.
Nekem már 100V felett az sok...Pedig CHZ is segített már... 

