Fórum témák
» Több friss téma |
Fórum » Fényorgona
Nem akarsz megérteni. Egy fokozat is elég bele. Aztán ha neked úgy tetszik -nem értem miért kéne- abba az egybe is berakhatod a kondijaidat.
Sziasztok ! Elindítottam egy projektet:
Szuper jól néz ki , De remélem szigetelt dobozban lesz ! Nagyon nem szimpatikus nekem az a sok szigeteletlen "csoki" a ki és bemeneteken !
Ááá! Arra gondoltam, így csupaszon hagyom és a színek mellé egy szikrázás-csatorna is lesz
Félre a viccel. Természetesen megfelelő dobozban lesz , sőt ahogy mondani szoktam, a védőföldet is leföldelem. Sajnos a raktári készletemben nem találtam a furatosztásnak megfelelő szigetelt csatlakozót, de az is lehet, hogy benőtt vezetékezés lesz a végső simítás.Az előző fényorgonám '76-ban készült, ennek is ki kell bírnia legalább ennyit!!
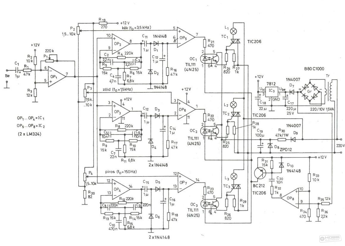
A dicsőség egyébként a kapcsolás és a panel tervezőjét illeti ,a neve a rajz alján látható.
Idézet: „Az előző fényorgonám '76-ban készült, ennek is” Ha elkészült az új , a régiről is teszek fel képet. :bohoc:
Sziasztok!
Egy új projectbe kezdek, amibe szükségem lenne egy fényorgona vezérlésre. Az volna a jó, ha 12 volt körüli feszt kapcsolgatna, de ha 220-at az se nagy baj. RGB power ledet tervezek működtetni vele, ami egy mozgó fejegységbe lesz beszerelve. Szóval lesz egy fényeket működtető egység és a fej mozgását működtető egység, de azt most hagyjuk. Szóval egy olyan kapcsolásra lenne szükségem, ami rendesen szétválasztja a frekiket, és nem villog össze vissza. És az egyszerűség is előny Főleg az PLS Help Előre is köszönöm!
Ez a leírás inkább valami kombós corallora illik
Jó, lehet... de akkor is kéne egy fényorgona vezérlés, amit már valaki megépített és tutira működik És ez még csak a kezdet a ledes stroboszkóp topicba van a folytatás, illetve egy kicsit másik darab, de ahoz még hozzászólni se mert senki... Na jó, én se mertem volna más helyében
Na igen... Az ideális valóban az lenne ha egyszerű és nagyszerű lenne!
Az egyszerűre van példa: _Mini fényorgona - nagy LED-ekkel ( 81. old. )_ _( 82. old. )_ Átdolgozott _nyákterv._ ( Visszább a nyomtatható fájlok is megtalálhatók. ) Én magam még nem építettem meg. De nem egy bonyolult kapcsolás. _Ezt_ a kapcsolást ( vagy ennek valamely változatát ) is már sikeresen utánépítették páran. Maga a kapcsolás jó! Lásd: Alkotó _elvi_ és kész _áramkörét._ Kis módosítással teljesítmény LED-eket is vezérelhet...
Köszönöm a kapcsolásokat, ez a mini fényorgona elég jónak tűnik. A ledek helyébe szerkesztek egy triakos kapcsolást és máris megvan a teljesítmény is.
Remélem nem lesz gond a kapcsolással. Persze ha gondolod, szívesen le ellenőrizzük az "elgondolásodat".
Megpróbálkozok szerintem azzal, ami fent van a kapcsolások között. Elég jó a teljesítménye. Ma rendelek is alkatrészeket azt hiszem.
Alkatrész listát hol találhatnék hozzá? Illetve nyák tervet.
Köszönöm!
Az eredeti cikk a mini fényorgonáról a Hobby Elektronika 2003. 03-as számában van.
A nyomtatható fájlokhoz <- klikk az aláhúzott szövegrészre.
Köszönöm a terveket, rendelek nyákot, és megépítem. Alkatrészlistád és nyákterved nincs véletlenül a másik kapcsoláshoz is?
Köszönöm még1x
Csak egy _Link_-el tudok most neked segíteni.
Egy _másik_változata_ az RT ÉK '93 -as kiadás 28. oldalán található. Ez csak a hálózati oldalon különbözik az előző kapcsolástól ( ha jól láttam )...
De megépítheted te is (#630670) Alkotó áramkörét.
Köszönöm a segítséget, letöltöttem Alkotó PDF fájljait. Ezzel biztosan el leszek egy darabig, megépítem a ledeset és a másikat is.
Egy kérdésem lenne csak. Lehet, hogy nem néztem meg rendesen a rajzot, vagyis a tranzisztorok adatlapját, de szerinted mekkora áramot bírnak el a ledes kapcsolásba a tranyók? Illetve szerinted a teljesítmény növeléséhez, (power led) milyen tranyókkal vagy fetekkel lehetne növelni a teljesítményét? Lehet, hogy csak ki kéne cserélni őket erősebbre, de gondoltam arra is, hogy esetleg darlington tranzisztorpáros kapcsolással oldanám meg.
A BC107-esek csak MAX 100mA-sok. A kimeneti áram növelésére jó megoldás a darlington kapcsolás. Vagy olyan tranzisztor ami egy tokban tartalmazza a datlington párost.
De a teljesítmény FET is jó. A témában van FET-es fényorgona is...
Közben megtaláltam a FET-es_fényorgonát._
Köszönöm a segítséget, azt hiszem, a ledessel kezdem. Egyébként a másik anyagára mire minden megvan, és jól is néz ki, mintha vennék egy gyárit
Igaz nem azért építgetünk, mert olcsóbb ÁltalábanA ledeim színenként 4-4-4 db, és fejenként kb 500 mA-t kérnek 3,2 volton. Az színenként 2 amper.
Éppen alkatrészeket rendelek, és azt szeretném kérdezni, hogy a ledes fényorgonában az OA95 diódát mivel helyettesíthetném? Mert nem lehet kapni egy OA diódát sem a HQ-nál.
Ha mindenáron Ge dióda kell a kapcsolásodba akkor: 1N34A ez hiába germánium, aranyárba mérik. Próbáltam megfejteni hogy melyik kapcsolást építed, de egyikben sem találtam germánium diódát így nem tudok semmi okosat mondani rá. Esetleg még schottky jöhet szóba, ha mindenképpen kisebb nyitófeszültség kell mint a szilíciumé.
Mindegy, már kimaradt a rendelésemből, majd kerítek valamit a bontottból. Egyébként ha érdekel valakit, a két kapcsolás teljes anyagára összesen, közel 10ezer forint. Ebbe nincsenek benne a ledek, és a másikhoz az izzók. De minden más, panel, marató, stb igen. És benne van az ICkból és tranyókból a tartalék is, ha meghibásodna.
Na megjöttek a cuccok. Bele is ugrok fejjel a dobozba, amiben a bontásra váró panelek vannak, hátha találok valami optimális diódát.
LM324-ből meg én barom SMD szereltet rendeltem A sietésem átka... Nembaj, már körvonalazódott az ötlet, hogyan alakítom át őket furat szereltté.
Ne alakítsd át őket, vegyél inkább furat-szereltet (filléres holmi, 50Ft körül van darabja).
AZ igaz, hogy darabja 50 Ft, de a postaköltség meg sokkal több
megnézem azt is a bontottban. Egyébként gratulálok, remek a fényorgona! |
Bejelentkezés
Hirdetés |







A sietésem átka...
megnézem azt is a bontottban. 


