Fórum témák
» Több friss téma |
Sziasztok!
Van egy két UV csöves cuccom (Típusa: Twin9), ami sajnos nem müxik. Sztem autós cucc, mert 12V-os tápfeszről megy. A probléma az, hogy nem értem a gyári bekötést.... A gyári bekötalapján a csövek egyik végén a két érintkezőre feszt kap a csövek másik végén a két érintkező össze van zárva és egyetlen vezeték megy rá, amin viszont nem tudom mit kellene kapnia.... A 4x5 cm-es panelon nincs más mint pár kondi, egy dióda, egy ellenállás egy trafó (vagy csak tekercs) és egy Di437, ami TO220-as tokozású (mint a stabilizátor IC-k), de nem tudom mi ez, nem találtam róla semmit. Bármi féle segítség érdekel: kapcsolási rajz, működési elv, tapasztalat, ötlet stb. Segítségeteket előre is köszönöm! Üdv. Zsolti
Csak tippelek: Nem lehet, hogy gyujtaskor az egyik erintkezon a szalat felmelegiti es utana kapcsolja ra a nagyfeszet? Ez megmagyarazhatna, hogy miert van az egyik vegen mind a ket erintkezo bekotve mig a masik oldalon csak az egyik.
Sziasztok!
Mellékeltem egy képet a panelról! Nem sikerült valami jól, de azért talán felsimeritek rajta a cuccokat. Üdv. Zsolti
Ezt legyel szives ujra feltenni de ugy hogy ket oldalrol lefenykepezve a panelt elesen! Ez igy nem jo semmire.
Hi!
Először is a félreértéseket elkerülendő, egy db két csöves vezérlésről van szó. Nos kyrk: Sajnos ezeknél a fotóknál jobbat a telefonommal nem tudok készíteni! Az egyik képen azt próbáltam megmutatni, hogy a csövek egyik végén a két láb össze van kötve és egy vezeték megy az egyik és a másik csőre is. Üdv: Zsolti
Töröltem az összes képet. Használd már a fényképeződön a makro üzemmódot / vidd messzebb a panelt.
Ha valaki mondja, hogy semmire nem jó a kép, az nem azért van, mert nem tudja letölteni és neked újra fel kell tenni, hanem mert tényleg semmi nem látszik a képen. Idézet: „A 4x5 cm-es panelon nincs más mint pár kondi, egy dióda ...” Az a nincs semmi, az egy inverter. 12V-os fénycső inverter. Megnézed az áramkört, és megpróbálod kitalálni, hogy melyik a bemenet és a kimenet. Bemenetnél a DI437 az egy tranzisztor. Valamelyik lába tutira a tápra vagy a földre van kötve. Azután van egy trafó, és a trafó másik oldala pedig magára a fénycsőre fog menni.
Transzverteres a táplálás és itt van egy olyan gyakorlat, hogy csak az egyik fűtőszálat kötik be mert a cső önegyenirányitással működik. A müködése a következő lehet : bekapcsoláskor a bekötött szál beizzik és a csövön levő üzemitől nagyobb feszültség begyujtja. Ezután a feszültség leesik az égési feszültségre és a cső üzemel. Ennek a megoldásnak az a hátránya, hogy a csőnek csak az egyik oldala megy tönkre az üzemeltetés során. Söt van olyan megoldás is ahol a csőnek mind a két végén csak az egyik kivezetése van bekötve. Ezek általában együtemű osszcillátorok amik táplálnak.
Sziasztok!
Topi: Sajnos bármennyire is próbálkoztam ennél jobb képet nem lehet kicsikarni a buta telefonomból. A tranyó középső lába az földre (minuszra) megy. A cső egyik végén nem az egyik láb van csak bekötve, hanem a két lába a csőnek össze van kötve és arra megy egy db vezeték. Üdv. Zsolti
Sziasztok!
Van nekem egy TESLA RVK 125 jelzésű UV csövem. NYÁK levilágítására szeretnám használni. Keresgéltem a neten de nem találtam semmi adatlapot, így nem tudom hogy mekkora feszültséggel kell táplálni, mekkora fojtótekercset kell hozzá használni. Ha valaki tud benne segíteni megköszönném
Nem vagyok benne biztos itt van róla egy kép
Köszi szépen. Az infracsövek helyett milyen ellenállást vagy fojtótekercset kellene használni?
Szaisztok!
Épiteni szeretnék egy mükörmös uv lámpát 2x9w ról van szó ugye vettem 2 uv fénycsövet vagy nemtudom minek hivjam olyasmi mint egy kompakt fénycső az energia takarékos de ez uv.... azt mondták a boltban hogy ezek egymagában a csövek nemfognak müködni kell hozzá trafó és gyujtó patron mint a neon csőhöz.... na kiderült hogy ehez nekem csak nemkel patron hanem csak trafó... a lényeg az hogy bekötöm és érdekesen viselkedik teljesen szabálytalanul.... van amikor kigyulad az egyik cső ha kihuzom a másikat aztán bedugom.. de semit se csinálok csak kihuzom és bedugom... de a másik cső továbbra se gyullad ki amugy párhuzamosan van kötve... nemtudom mitévő legyek valaki tudan segiteni hogy hogyan is müködik ez a cső és mi kell hozzá hogy mind a 2 cső egyszerre égjen??
Hány kivezetése van a csőnek? 2, vagy 4?Ha 2, akkor csak egy folytó tekercs kell bele, ha 4, akkor gyújtó is.
2 kivezetése van a csőnek és van is hozzá minden csőhöz azaz a 2 csőhöz külön külön 2 db folytó tekercs 9w osak tehát 1 csőhöz való de próbáltam aztis hogy egy 19 w osra kötöttem a 2 csövet sorba is és párhuzamosdan is... és mégse megy..... próbáltam a 220ba is direktbe bedugta ott se semmi legalább durrant volna el vagy valami de semmi.... mindent kipróbáltam az égvilágon és nem akar kigyuladni... .... amugy ha a trafóból kifeléjövő fázist és a sima nullát kocogtatom az égő érintkezőjéhez akkor látom hogy fel fel villan de nem a teljes fényerejével hanem csa pici villanások...:S mi lehet ennek a baja vajon??:S a cső tuti jó mert visszavittem a boltba ott bedugták a mükörmös lámpába is világit szóval teljesen nem értem...:s milehet...:S valami ötletet adjatok légyszives mert már nagyon felbosszantott... napok kérdése és összetöröm XD ha nemfog müködni
köszi előre is!
Igaz, megoldható gyújtóval is, de a 4 vezetékesek inkább
az elektronikus előtétekhez vannak kitalálva...
Nem értem pontosan hogy mit hogy kötöttél, de annyi a lényeg hogy köss sorosan egy fénycsövet és egy előtétet (fojtó tekercs)és ezt 230ra. Ha nem világít akkor vagy a cső vagy az előtét rossz.
Ha két darabod van, ebből kell kettőt csinálni és mindkettőt tápra kötni, így két külön köröd van, ha meg is hal az egyik másiknak menni kell. Mindezek mellé pedig illik egy fázisjavító kondi, persze méretezve.
Köszi szépen a tanácsokat
![]() Nagyon sok embert kérdeztem villamos mérnököket meg nagyonsok elektroninkai müszerészt stb.... a lényeg az mindenki mást mondot... de sehogyse volt jó senkinek a tanácsára mindenki azt mondta hogy elvileg pedig müködnie kellene de mégse ment..... nemtudtam nyugodni.... a neten keresgéltem.... felhivtam 1-2 boltot pár elektronikai boltot is hogy segitsenek mi lehet a baj.... hát persze zsákutcába futotam senki se mondott semmit.... teljesen véletlen felhivtam egy mükörmös boltot felvette egy kiscsaj a telefont és mondtam hogy mi a problémám és hogy uv cső van e nekik ? ekkor megkérdezte a kiscsaj hogy trafós vagy digitális begyujtásu lámpám van?HOPPÁÁÁÁ! Értitek? kiscsaj! a lényeg az megoldotta a problémámat egy hétköznapi ember elektronikához mitsem értő igaz nagyon csinos kiscsaj nade a lényeg az hogy azért.... nemtudom mit tanitanak a VILLAMOSMÉRNÖKÖKNEK meg egyébkéntis az összes MÉRNÖKNEK az egyetemen ha egy ilyen egyszerü dolgot nem ismernek és nemtudnak megoldani...... Köszi szépen amugy mindenkinek a segitséget de végül egy 22 éves cicababa oldotta meg a problémám na helóka
Erre azért kíváncsi lennék...
Mit jelent az hogy digitális begyújtású? Nincs olyan hogy digitális lámpa. Hacsak azt nem veszem annak hogy vagy világít vagy nem, azaz logikai egy és nulla. Max az elektronikus előtét lehet mikroprocesszoros vezérlésű. Lehet hogy nem támadásnak szántad, de villamosmérnökként azért érdekelne hogy ilyen hatalmas szakmai háttérrel ami a kiscsaj mögött van, mi is volt pontosan a megoldás. Adnál további infót errő légyszi?
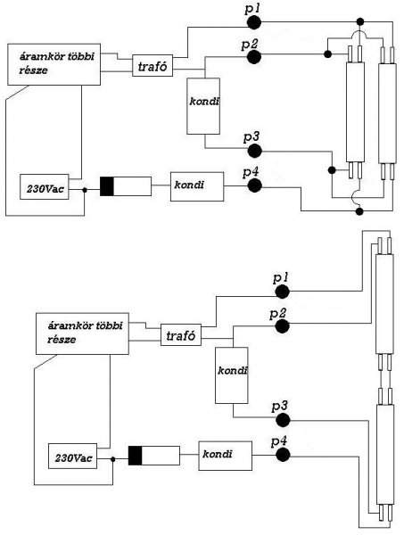
Hello! Suliban gondnoktól kaptam egy F4T5-BLB uv fénycsövet.És kiszedtem egy 11W-os TUSKÓ-s takarékos izzóból a meghajtót.Négy szál ment a dupla csőre.Ez azt jelenti,hogy a 11W 2*5.5W-ból jött ki?És ha igen akkor az uv csövemre(4W)tehetek 5.5W-os meghajtót rá?És akkor úgy jó lenne ahogy a rajzon?És akkor,honnan találom ki melyik két szál kell nekem?Ha próbálkozok akkor nmóem romolhat el se a cső se a meghajtó?
Az nem dupla cső hanem a "neon" két végén a két kivezetés. Kösd be ugyanúgy mint a kompakt fénycsövet. És ne zárd össze a végpontokat, főleg ne így (mert így tuti nem működik)...
De nem tudom melyik szál hol volt mindegy az?Így vannak a jelölések:
p1:A kis trafóra megy p2:A trafó másik szekunderére kötve p3:A p2 és p3 között egy kondenzátor van p4:Sorosan van kötve a feszültségre:dióda,kondi és a csatlakozó(így vannak sorba).Én azt hiszem,hogy a trafót kötném a 230-helyére.És a két másikat a gyújtó helyére.Jól gondolom?
NEM!!!
Valahogy úgy, ahogyan a lépen látható.
Köszi mindkettőtöknek?Akkor így kell?És akkor nem gond,hogy 11W-os volt a cső és én a helyére 4W-osat kötök?
Igen így kell. De biztos ami biztos, itt egy kép egy 15W-os Tungsram előtétről. Az viszont tény és való, hogy a cső és az elektronika teljesítményének illik egyformának lenni. Ha a csőnek alacsonyabb a teljesítménye az nem olyan nagy baj. Fordítva már nem az igazi. Legfeljebb ha "túlhajtod a csövet" nem él olyan sokáig. De ez valójában megjósolhatatlan, mert függ az elektronika és a cső jóságától. Neked meg ha jól értelmeztelek egyébként is használt csöved van. Tehát vagy igen, vagy nem. Próbáld ki. Sokat nem vesztesz.
|
Bejelentkezés
Hirdetés |








köszi előre is! 
nade a lényeg az hogy azért.... nemtudom mit tanitanak a VILLAMOSMÉRNÖKÖKNEK meg egyébkéntis az összes MÉRNÖKNEK az egyetemen ha egy ilyen egyszerü dolgot nem ismernek és nemtudnak megoldani...... Köszi szépen amugy mindenkinek a segitséget de végül egy 22 éves cicababa oldotta meg a problémám
na helóka





