Fórum témák

» Több friss téma
Fórum » Elektronikában kezdők kérdései
- Ez a felület kizárólag, az elektronikában kezdők kérdéseinek van fenntartva és nem elfelejtve, hogy hobbielektronika a fórumunk!
- Ami tehát azt jelenti, hogy a nagymama bevásárlását nem itt beszéljük meg, ill. ez nem üzenőfal!
- Kerülendő az olyan kérdés, amit egy másik meglévő (több mint 17000 van), témában kellene kitárgyalni!
- És végül büntetés terhe mellett kerülendő az MSN és egyéb szleng, a magyar helyesírás mellőzése, beleértve a mondateleji nagybetűket is!
Lapozás: OK   1106 / 4034
(#) RFeri81 hozzászólása Dec 27, 2010 /
 
Lenne még egy gondom RFT SK 3000 típusú magnóval kapcsolatban. A lejátszófej forrasztásai elengedték a vékony kábeleket próbáltam visszaforrasztani, de csak búgást hallottam. Hol keressem a hibát? Annyira vékony a fej kábele, hogy szinte képtelenség forrasztani.
(#) zolika60 válasza RFeri81 hozzászólására (») Dec 27, 2010 /
 
Szerintem vidd el valakihez, aki megtudja forrasztani. A végén, még több kárt okozol benne, mint amennyi úgy is van, aztán meg sirathatod. :yes:
(#) Mybuster hozzászólása Dec 27, 2010 /
 
sziasztok!
Lenne egy kérdésem ha MP3 jack csatlakozójára rákötök egy ledet és bedugom tényleg ütemre fog villogni?
(#) MaTe193 válasza Mybuster hozzászólására (») Dec 27, 2010 /
 
Hali!
Nem fog,mivel a LED nyitófeszültsége általában 2-3V,az mp3 pedig mV nagyságrendben dolgozik.
Máté.
(#) Mybuster hozzászólása Dec 27, 2010 /
 
Akkor hogyan tudom megoldani kapcs. rajz?
(#) MaTe193 válasza Mybuster hozzászólására (») Dec 27, 2010 /
 
Ebben a témában próbálkozz.
Máté.
(#) Mybuster válasza MaTe193 hozzászólására (») Dec 27, 2010 /
 
Ok.
(#) dinokal válasza Abukodonozo hozzászólására (») Dec 27, 2010 /
 
Szia! Van még valahol egy kapcsolásom, csak nem találom.
TDA 2002 vagy 2003-massal, bekötni a felezős rajz OP1 helyére, és hagyd el a kimenő tranzisztorokat.
Max. 3,5A terhelés, teljes hő és rövidzár védelem. Maga a pompa nagy terhelésekre.
(#) Abukodonozo válasza Dániel X hozzászólására (») Dec 27, 2010 /
 
Ezt a kapcsolást ilyen kis teljesítményre tervezték, ha nagyobb kell, nem érdemes kínlódni vele. Miért akarsz jack dugót kötni a kimenetre?
(#) Abukodonozo válasza dinokal hozzászólására (») Dec 27, 2010 /
 
Nem is rossz ötlet! Persze, csak mint érdekesség merült fel bennem a kérdés...
(#) potenciameter válasza nagy_david1 hozzászólására (») Dec 27, 2010 /
 
Értem, csak az a baj, hogy nem találok 5w-os ellenállást hasonló értékkel. Van két darab 15W-os 200ohmosom, ezek nem lesznek jók sorosan összekötve? Vagy esetleg kisebb teljesitményü 550ohmos nem fogja elbirni?
(#) nagy_david1 válasza potenciameter hozzászólására (») Dec 27, 2010 /
 
Kisebb teljesítményt felejtsd el mert így is lehet ha a ventilátor kell majd hűtse saját előtétellenállását is Kevés lesz sorosan a két 15W-os ellenállásod. Akkor már inkább 3-at kötnék sorosan. Ha ragaszkodsz az ellenállásos megoldáshoz akkor menj be egy üzletbe és próbáld meg az eladóval kiszámolni, hogy 2-3 ellenállásból hogyan lehetne kihozni a kívánt értéket. Én személy szerint zener + tranzisztor, dc-dc konverter vagy pwm-es meghajtással próbálkoznék.
(#) subway hozzászólása Dec 27, 2010 /
 
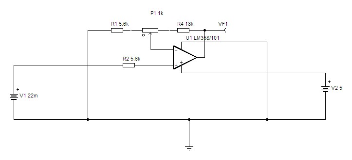
Üdv mindenkinek. A segítségeteket szeretném kérni. Adott állandó 22mV. Hogyan tudnék a lehető legegyszerűbben, lehetőleg egy alkatrésszel 96mV-ot csinálni belőle?
(#) vilmosd válasza potenciameter hozzászólására (») Dec 27, 2010 /
 
Kerdes: Milyen tipusu ventillator ez? Mert ha elektronikus (PC) ventillator, akkor felejtsd el a soros ellenallasos fesz csokkentest. A vezerlo Hall azonnal meghal. Kapcsolo uzemu stabler, vagy egy kulon kis trafo+ egyeniranyito. Mondjuk a kapcsolo uzemi stabilizator is problemas erre a feszre. Viszont mivel kis teljessitmenyrol van szo egy pici 12 voltos tapegyseget siman fel lehet hasznalni.
(#) David.zsombor válasza subway hozzászólására (») Dec 27, 2010 /
 
Eggyel sehogy vagyis igen de az drága lesz
DC-DC converter kell hozzá.Bővebben: Link
Bővebben: Link
(#) David.zsombor válasza MaTe193 hozzászólására (») Dec 27, 2010 /
 
De egy egyszerű egytranyós kapcsolással meg lehet oldani:A jack kimenetével vezérled a tranzisztor bázisát.
(#) LGS94 hozzászólása Dec 27, 2010 /
 
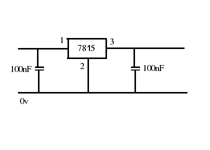
Üdv! Egy olyan tápegységet szeretnék építeni ami 15V-ot ad! Alapanyagaim: 1x12V-os trafó Graetz híd 1000µF puffer kondi, 100nF-os hidegítés és egy L7815CV deszültségszabáylzóm! Ha nem 15V kellen hanem lehetne több akkor meg tudnám építeni de így nem vagyok benne biztos! Van a feszabályzó annak van egy bemenete egy GND és egy kimenet! Én úgy gondoltam, hogy A trafóról a 12V-ot egyenirányítom és utánna a +-ra kötöm a bemenetet és a - a GND-re és utánna a kimenet rámegy a kondi +-ra a GND pedig a - ra és már meg is van ezt még hidegítem és kész? Bocs ha kicsit hülyén írtam le de nem tanulom ezeket a dolgokat csak amit neten olvasok és onnan tudok meg mert ez nekem hobbi mert nagyon tetszik az elektronika!
(#) vilmosd válasza subway hozzászólására (») Dec 27, 2010 /
 
Hali
Nem tudom pontosan mit akarsz, de egy OPA meg tudja oldani ezt a problemat. A potival be lehet allitani a pontos erositest.
Csa Vili

OPADC.JPG
    
(#) David.zsombor válasza vilmosd hozzászólására (») Dec 27, 2010 /
 
Ez is dc-dc converter?
(#) vilmosd válasza David.zsombor hozzászólására (») Dec 27, 2010 /
 
Nem tudom mit akarsz DC/DC konverterrel a 22 mV atalkitasanal. A DC/DC konverterek sokkal magasabb feszekrol jarnak.
(#) David.zsombor válasza vilmosd hozzászólására (») Dec 27, 2010 /
 
Jó én igazán nem értek hozzá de gondoltam ez jó lesz mert a kapcsolásban is 1.5 v ból csinál 3 v-ot.
De akkor a fenti kapcsolással meg tudok hajtani 1 1,5v os elemről egy ledet?
(#) subway válasza David.zsombor hozzászólására (») Dec 27, 2010 /
 
de le is írták hogy 0,8V a minimum, ami nekem nagyon nincs. És konkrétan egy vezérlés elhalt alkatrészét kéne így felhúzni. VAgyis a vezérlés megy, csak negyed akkora fesszel mint ahogy az eredeti kérdésben is látjátok. A komplett vezérlés csere meg 45kHUF.- Szal gondoltam hátha van rá valami jó felhúzási megoldás, hogy újra menjen a vezérlés, és ne kelljen kompletten cserélni.
(#) subway válasza vilmosd hozzászólására (») Dec 27, 2010 /
 
Tetszik a kapcsolás. EGy próbát megér... Viszont cask VCC Max 14,2V-om van
(#) subway válasza subway hozzászólására (») Dec 27, 2010 /
 
Nem szoltam, átnyálaztam az adatlapott...
(#) vilmosd válasza David.zsombor hozzászólására (») Dec 27, 2010 /
 
Idézet:
„Jó én igazán nem értek hozzá”
Akkor nem kell hozzaszolni! Ha nem erted a kerdest Te sem, akkor a szegeny kerdezo mit fog kezdeni a valaszoddal?
(#) misi93 válasza LGS94 hozzászólására (») Dec 27, 2010 /
 
Heló. itt egy rajz hogy kell bekötni az ic-t és az áramkör elé teszed az egyenirányítást. (És a 7815-nek is ez a lábkiosztása mint a 7805-nek)
(#) vilmosd válasza LGS94 hozzászólására (») Dec 27, 2010 /
 
Hali
Ezek vegul is elegendoek egy 15 voltos taphoz, de a 7815 nelkul. Az egyeniranyitas es szures utan kb. 15 volt lesz az elkon. Ez nagyon keves a stabler mukodesehez, tehat nem fog megjelenni a kimeneten 15 volt. A stabil mukodeshez legalabb 18 volt bemeneti fesz kellene. Amennyiben a keszulek nem erzekeny a fesz stabilitasara, akkor nyugodtan ra lehet kotni az elkora. Esetleg ha megirnad mire akarod hasznalni ezt a tapegyseget, akkor konnyebb lenne tanacsot adni.
(#) subway válasza vilmosd hozzászólására (») Dec 28, 2010 /
 
Nekem egy olyan kérdésem lenne, hogy ha már ilyen jó választ kaptam tőled. Ma voltam spannál, és konkrétan az ő kocsijában, mint kiderül típushiba, hogy a 3. henger vezérlése elhal. De ahogy ma méricskéltem neki, volt a 3as vezérszálon is feszültség, csak ugyebár töredéke a működő szálaknak. Hát a vezérlése az vérbeli japán vagyis lehetetlen cserélni, bármit is... Ezért is gondoltam, hogy ha ott van a jel, csak nincs elég fesz a megfelelő alkatrész behúzásához, akkor esetleg ha egy ilyen erősítéssel visszakapná a jel a delejt? Van rá esély, hogy újra működni fog? Gondoltam jel késleltetésre is, de hát azt úgy eltalálni, hogy jó is legyen.... Ezért is méricskéltem inkább...Szerinted? Van rá esély hogy megindul az a fránya henger?
(#) vilmosd válasza subway hozzászólására (») Dec 28, 2010 /
 
Hali
Nem tudom. Nem ismerem a gepjarmu elektronikakat( szerencsere). Nem tudom milyen jeladotol jon, de nem lehet esetleg valami jelado problema?
(#) LGS94 válasza vilmosd hozzászólására (») Dec 28, 2010 /
 
Egy hangszóróvédő áramkörhöz szeretném!
Következő: »»   1106 / 4034
Bejelentkezés

Belépés

Hirdetés
XDT.hu
Az oldalon sütiket használunk a helyes működéshez. Bővebb információt az adatvédelmi szabályzatban olvashatsz. Megértettem