Fórum témák

» Több friss téma
Fórum » PIC égetési hibák, problémák, kérdések
Lapozás: OK   37 / 82
(#) hackerfish válasza (Felhasználó 15355) hozzászólására (») Dec 21, 2010 /
 
Köszi!
(#) watt válasza hackerfish hozzászólására (») Dec 21, 2010 /
 
Az MPLAB-hoz is fel lehet telepíteni a kezelő környezetét, csak telepítéskor ki kell választani. Az újabbakban már automatikusan települ. A v8.6 most a legújabb, érdemes letölteni és azt használni!
De ha csak programozni kell, akkor a saját programját érdemes használni.
(#) watt hozzászólása Dec 30, 2010 /
 
misi93 ezen kérdésére a válasz:
A Vdd-t a Q4 és a Q5 kapcsolja, de ezt te is látod a rajzból. Derítsd ki, hol akad el a feszültség a D10 diódától fogva végigmérve a kört! Lehet, hogy itt is lesz egy rossz alkatrész!
Írd meg, hogy a Q4 B, Q5 B, E, C-n milyen feszültségek vannak akkor, ha a D10 anódon van feszültség a COM port 4. lábáról származóan!
Egyébként akkor is meg kéne legyen a Vdd 5V-ja, ha a Vpp-t kapcsolod be! Tehát ott valami gond van a tranyókkal! Várom a méréseket...
(#) watt válasza watt hozzászólására (») Dec 30, 2010 /
 
Gondoltam felteszem a rajzot, hogy kéznél legyen.
(#) misi93 válasza watt hozzászólására (») Dec 30, 2010 /
 
A com port 4-es lábán, (a progiban nincs bekapcsolva semmi) -9.97v-ot mérek. Ha viszont bekapcsolom a Vdd-t akkor felugrik 10.15v-ra. A dióda után ha nincs bekapcsolva a Vdd akkor 0v, Vdd bekapcs akkor 9.56v.
kikapcsolva: Q4 B: 0v Q5: B:5,03v E:5,1v C: 0v
Bekapcsolva a Vdd-t Q4 B:4,74v Q5: B: 5,05v E:5,1v C: 0v van. Q4: C: 5,4v be és kikapcsoláskor is!
(#) watt válasza misi93 hozzászólására (») Dec 30, 2010 /
 
Idézet:
„Bekapcsolva a Vdd-t Q4 B:4,74v”

Akkor a Q4 vagy rossz, vagy az E-e nincs lent a testen! (A többi mérési eredmény jó, illetve ebből következik.)
(#) misi93 válasza watt hozzászólására (») Dec 30, 2010 /
 
Lent van testen az Emittere. Megyek kicserélem.
(#) watt válasza misi93 hozzászólására (») Dec 30, 2010 /
 
Érdekes, hogy mennyi rossz BC182-d van, honnan származnak? Érdemes megnézned egyből a Q1-et is!
(#) misi93 válasza watt hozzászólására (») Dec 30, 2010 /
 
HQ-ból

SZERK: De amit bele fogok tenni az is HQ-ból származik csak régebbi
(#) watt válasza misi93 hozzászólására (») Dec 30, 2010 /
 
Ez meglepő, nekem soha semmi... Mindegy, várom a fejleményeket.
(#) misi93 válasza watt hozzászólására (») Dec 30, 2010 /
 
Jelentem működik. De még a Q 1-et nem néztem meg. Folytatom az élesztést.
(#) misi93 válasza misi93 hozzászólására (») Dec 30, 2010 /
 
Működik a PGC vonal, de elfelejtettem mondani hogy a 270ohm helyett 250ohm van ez baj?(5,07v van ha bekapcsolom). A PGD vonal viszont nem működik, és a zöld led "kigyullad", tudom kicserélem a bc182-t
(#) watt válasza misi93 hozzászólására (») Dec 30, 2010 /
 
Jó a 250ohm is, de a 150ohm helyett nem jó!

Kifogtál egy rossz sorozatot, nem semmi, ilyet még nem pipáltam!

A zöld LED együtt fut az adat vonallal, ennek a kevés COM láb az oka. Valahogy meg kellett oldani a Vdd On-Off kérdést, hát így lehetett.
(#) misi93 válasza watt hozzászólására (») Dec 30, 2010 /
 
A 150ohm az meg van de 270k-t rendeltem ,és így összeraktam 100+150ohmmal.
(#) watt válasza misi93 hozzászólására (») Dec 30, 2010 /
 
Jó lesz úgy. Na hogy áll a Q1? Az R1 -en is mérhetsz a 9. láb felől, hogy a MAX232 veszi-e a lapot! Ha ott változik a fesz, akkor a tranyó a ludas!
(#) misi93 válasza watt hozzászólására (») Dec 30, 2010 /
 
Működik teljesen , Az a BC182 szórakozott "csak". A PGD-PGC vonalak ha be vannak kapcsolva 5v felettiek. (kb 5.06v) Ha jól értelmezem a leírásodat akkor jöhet a pices próba. A felhúzó ellenállás az "R3" ellenállás? és kell még külsőleg valami a picen kívül?
(#) watt válasza misi93 hozzászólására (») Dec 30, 2010 /
 
Nos igen, itt ellentmondásba keveredtem magammal. Az R3-at jól látod felhúzó az MCLR és a Vdd között, és igen ez normális esetben a céláramkörön van. Ha nem felejted el a céláramkörön(PIC-en), akkor nem kell beépítened. Ha beépíted és a PIC-en is rajta van(ahogy annak lennie kéne mindig), akkor a két 10k, 5k lesz, ami egy kicsit nagy áramot folyathat a regulátorok felé, nem túl egészséges, de nem feltétlenül végzetes. Kevésbé, mint ha a 10k egyik helyen sem lenne rajta. Igazából arra is gondoltam, hogy 47k-t kéne tenni oda, az védene is a Vpp lebegésétől, és nem terhelné a regulátort. Lehet, hogy ezt kellene neked is tenned, ha van ilyen ellenállásod. 56k is jó, vagy a körüli.

Ha ez megvan, akkor jöhet a PIC felismertetése. Gondosan vedd sorra a bekötéseket, hogy minden oda kerüljön a PIC-en ahová kell! Legyen a táplábak között 100n--s kondi is! Az ICSP kábel ne legyen 10cm-nél hosszabb.
(#) misi93 válasza watt hozzászólására (») Dec 30, 2010 /
 
A PIC-en nincsen ellenállás, így is cseréljem ki a 10k-t? Némelyik picnek 2 földje van össze kössem őket? (PIC18f2550)Az alábbi képen jól kötöttem be? Bocs a béna rajzért. :hide:
(#) watt válasza misi93 hozzászólására (») Dec 30, 2010 /
 
A bekötés jó. Ha a PIC-re nem teszel most, akkor most nem kell, de a 10k-t mindenképpen rá kell tenni majd, mert az a láb vagy MCLR funkciójú, tehát ha nincs rajta, el sem indul a program, vagy bemenet(ha az MCLR ki van kapcsolva a konfigban), akkor meg a bemenet miatt kell, mert egy bemenet nem lebeghet egy CMOS eszközön, mert hibát okozhat a program futásában, valamint felesleges fogyasztást generálhat. Ha esetleg ezt a lábat bemenetnek használnád, akkor az kivétel, miután akkor a bementi kör úgy is meghatározott szinten fogja tartani.

Egyébként kicserélheted 47k-ra az is megfelelő a feladatra. Valószínű én is át fogom írni az értékét.
(#) misi93 válasza watt hozzászólására (») Dec 30, 2010 /
 
Akkor kicserélem. És Nagyon köszönöm az eddigi segítségeidet, nélküled még mindig szórakoztam volna vele!
(#) watt válasza misi93 hozzászólására (») Dec 30, 2010 /
 
Szívesen! Majd írd meg, ha sikerült beégetned a 2550-et!
(#) icserny válasza misi93 hozzászólására (») Dec 30, 2010 /
 
A VUSB és a föld közé tenni kell egy 470 nF körüli kondenzátort!
(#) misi93 válasza icserny hozzászólására (») Dec 30, 2010 /
 
Köszi. Majd megcsinálom. Csak akkor kell ha programozom, vagy ha használom is?
(#) Szmuuu hozzászólása Jan 7, 2011 /
 
Sziasztok!

Olyan problémával állok szemben h van egy 3BMI féle JDM égetőm. Eddig több 16F84A-t égettem vele problémák nélkül. Ma egy aprócsak 12C509A lett volna az alany, de programozáskor eleve lényegesen lassabb a menet, másrész fel se tölti rá a kért adathalmazt.
Rögvest a sikertelenségek után egy 16F84A-t olvastam, töröltem, írtam sikeresen!
Picit méregettem én is mert olvastam h ez okozója lehet a jelenségeknek.
VDD égetéskor: 5.11V
VPP égetéskor: 6.75V (ennek kicsit többnek kéne lennie)
Két kérdésem lenne:
Miért ment hiba nélkül a 16F84A égetése?
Ezt a kapcsolást h tudom akár külső táposra átalakítani?

Mellékelem a kapcs rajzot és az égető kinézetét.

Köszi előre is!
(#) watt válasza Szmuuu hozzászólására (») Jan 8, 2011 /
 
Mielőtt nagyon belemerülnél a JDM toldásába, nézz fel az oldalamra...
(#) mrbini hozzászólása Jan 8, 2011 /
 
Tisztelt Szakik!
Pickit2-vel szeretnék beégetni 18F252-t
A hiba a következő:
Kíírja, hogy az írás sikerült, de mikor kiolvasom csak sok 0 van beírva.
Tudna valaki segíteni mi lehet a probléma?
(#) vilmosd válasza mrbini hozzászólására (») Jan 8, 2011 /
 
Mert be van kapcsolva a "codeprotect". Igy a kiolvasakor csak "0000" olvashato a program memoriabol. Ez a lopicsekvedelem. Kapcsold ki a "codeprotect"-et es maris olvashato lesz. A mar beegetett, ismeretlen tartalmu eszkoz mindig ilyet csinal. Viszont a bonusz, hogy nem lehet kiolvasni. En is igy szoktam vedeni a projekjeimet. Nyugodtan kiadom a kapcsrajzo, mert a PIC-et nem lehet "copy" "paste" funkcioval masolni.
(#) mrbini hozzászólása Jan 8, 2011 /
 
Köszönöm a gyors választ.
Code és data protect nincsen kipipálva íráskor.
Valami nem jó mert a beírt program nem fut rendesen, ezért próbáltam volna visszaellenőrizni.
(#) Mallar hozzászólása Jan 8, 2011 /
 
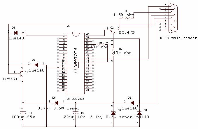
Sziasztok El szándékszom indulni a mikrokontrollerek rögös útján. Az első kiszemelt példányom a PIC16F877-es Ennek kerestem egy egyszerű programozót és készítettem hozzá nyákrajzot. Azt szeretném, ha megnéznétek működni fog-e, jól csináltam-e mindent. Vagy tudtok e ajánlani másik programozót.
(#) watt válasza Mallar hozzászólására (») Jan 8, 2011 /
 
Ez egy JDM. Olvass utána az oldalamon. Javaslom helyette a WPB_F18_F16_x.xxb égetőmet a WCOM_v4 vagy v5 áramkörrell(ehhez is van már nyák itt a fórumon, vagy tervezel hozzá), a 877-est is kezeli, de hamarosan igyekszem felvenni az A-s típusokat is.
Következő: »»   37 / 82
Bejelentkezés

Belépés

Hirdetés
XDT.hu
Az oldalon sütiket használunk a helyes működéshez. Bővebb információt az adatvédelmi szabályzatban olvashatsz. Megértettem