Fórum témák
» Több friss téma |
- Ez a felület kizárólag, az elektronikában kezdők kérdéseinek van fenntartva és nem elfelejtve, hogy hobbielektronika a fórumunk!
- Ami tehát azt jelenti, hogy a nagymama bevásárlását nem itt beszéljük meg, ill. ez nem üzenőfal! - Kerülendő az olyan kérdés, amit egy másik meglévő (több mint 17000 van), témában kellene kitárgyalni! - És végül büntetés terhe mellett kerülendő az MSN és egyéb szleng, a magyar helyesírás mellőzése, beleértve a mondateleji nagybetűket is!
Hm... Köszi Ghoost! Elkeserítő volt, amit olvasnom kellett. Sajnos az elképzelésem ez iránt butaság volt. Gondolatomban az játszódott, hogy bedugom a 230-V-ba azt a bizonyos trafót,és 12V-körüli elhasználással előállítja nekem az olajkályhámhoz szükséges feszt,ampert. Hát ez van. Gondoltam, hogy ilyen nem egyszerű,nem igazán nyereséges elkészíteni, használni mert ha az lenne, sokan ezt csinálnák. Köszi! Szia
Köszi KöbZoli! Mostmár leesett, hogy nem lehetséges. Még 1X Köszi. És mindenkinek! Üdv
Szerintem ez neked jó lenne csak más trafóval.Mondjuk 1:4 a tekercs arány.És egy kicsit szabályozni is tudod mondjuk 20-50volt között.
Idézet: Ezt kifejtened bovebben, mert nem ertem pontosan a vezerles lenyeget. „20khz PWM-el kellene az AC ventillátor motort vezérelni”
Ennek kapcsán kérdezném, hogy meg lehetne ezt csinálni TLP250-el is? az van itthon...
Egy lengyel termék úgy vezérli a ventilátort, hogy az 50hz-es AC feszültséget 20000 részre osztja (mármint az egy periódust), és ezen nagyon pici részek kitöltését változtatja a szükséges fordulat függvényében.
Ennek nagy előnye,hogy így az aszinkron motornál is megmarad a nyomaték arányossága.
Hali
Ertem. Ez akkor olyan mint az en frekivaltom. Egy valamire azert vigyazzal: alacsonyabb frekvencian csokkenteni kell a feszultseg effektiv erteket, mert nagyon megno a motor arama. Azert erre a vezerlesre inkabb kellene egy felhidast csinalni, mint ezt a diodas varit, mert a diodak utaljak a magas frekit. A felhidasra ugy gondoltam, hogy egyik oldalon 2 FET a masik oldalon 2 kondi sorosan.
Ilyet még nem láttam.... Valami skiccet tudnál róla linkelni?
A másik a méret: 1.5kW-ot kellene kapcsolnia. Ez esetben is jó lenne a megoldásod?
Hali
Masfel kW- az azert eleg huzos. Az szereny szamitas szerint is 15-20 A (marmint az indulo aram). Ezt nem nagyon lehet szabalyozni ezzel a megoldassal. Ide teljes hidas IGBT illik. Olyasmi, mint a frekivaltok kimenetei, csak nem 3 aggal, hanem kettovel. Amugy amit az elobb irtam, az olyan mint egy H-hid, csak az egyik oldalon ket kondi van a tap es a gnd koze bekotve sorosan, es a kozos pontra van a terheles kotve.
Az IGBT képes ilyen gyors kapcsolásra?
mondjuk nem kötelező mindezt 20khz-n megvalósítani, csak mondjuk úgy biztos nem sipol, de egy pár khz-n is mehet...
Nem tudom. Nalam volt sok VFD ezek altalaban 16-20 kHz korul jarnak, es IGBT a kimenetuk.
Sziasztok!
Csengőtrafóról szeretnék egy relét kapcsolni. Tehát, ha csengetnek, húzzon be a relé. Milyen alkatrészek kellenének ehhez?
Üdv!
Egy nagyon egyszerű kérdésem lenne -ebből is látszik, hogy mennyire nem értek az egészhez - ,van egy termoelektronikai kütyü (egy kis lap, és a két kábel, ami az akkumulátorra megy), a lényege, hogyha rákötöd a kábeleket az akksira, akkor fűt, ha fordítva rakod az akksira, akkor pedig hűt. Ez egy 9A-es kis eszköz. Mivel lehetne a teljesítményét csökkenteni mondjuk 2A-re, hogy csak annyit tudjon felvenni, sima ellenállással, vagy mivel? Válaszokat előre is köszönöm
Graetz híd,nyomógomb,relé,pufferkondi,esetleg feszültségstabilizátor.
Szia!
Szerintem inkább vegyél egyet, nem olyan drága... Egy biztos: én nem mernék nagyon belenyúlkálni a konnektorba házi készítésű fázisceruzával. De megvalósítható, kell egy kis izzó meg egy ellenállás. Az a lényeg, hogy az izzón keresztül a föld fele folyó áram nagyon kicsi legyen.(ha túl sok, akkor egy kicsit furcsának fogod érezni a ceruzát) Üdv!
Szia!
Azt a kutyut Peltier modul -nak hivjak. Idézet: „...Mivel lehetne a teljesítményét csökkenteni mondjuk 2A-re...” A villamosteljesitmeny mertekegysege a Watt; az aramerosege pedig az Amper. ha 2A-rol szeretned hasznalni, szerintem egy aramgeneratorrol kenne hajtanod. LM350 -nel epitve talan Idézet: A glimm lampa es az izzolampa ket kulonbozo dolog. A fazisceruzak glimm lampat (gazkisuleses nem izzoszalas) hasznalnak. „kell egy kis izzó meg egy ellenállás”
Hello!
Nem vetted figyelembe, hogy a hálózati feszültséget használtad tápnak. Ezért a "nulla" közös az áramkör GND részével. A Fet meg lebeg az egyenirányító átlójában, holott a forrásának közösnek kellene lenni a GND-vel (azaz a nullával). Így tényleg biztos halál. (Csak csendben megjegyezném, hogy a meghajtó amit használtok, nem a "Totem-Pole"-nak nevezett kapcsolás.) üdv! proli007
Aha kössz a rajzot.A trafó az miből legyen?porvas trafó vagy elég a sima EI trafó is.Méretre mekkora legyen a trafó?
A menetszámok mindegyek csak legyen meg az 1:4? Pl.:250 és 1000 menet.?
Sziasztok. Abban szeretnem a segítségeteket kérni, hogy van egy trafóm. Ami 50 Volt és Pluszt minuszt és testet kéne csinálnom valahogy rá. De nincsen 3 kivezetése csak 2. Hogy tudnám megoldani legegyszerűbben?
Azt tudom hogy 3 kivezetésessel hogy kell. Szerintetek meg lehet ezt oldani egyszerűen?
Sziasztok! Szeretnék egy erősítőt készíteni a kis hangszóróimhoz, amelyek valószínűleg nem lehetnek 30W -nál nagyobbak, de nem tudom lemérni. A hangszórók egy régi rádióhoz vannak, de én a számítógépre szeretném kötni. Teljesítmény lemérési tippek, és erősítő tippeket várok. ( A HANGSZÓRÓ HÁTULJÁN NEM ÍRJA A TELJESÍTMÉNYÉT ! :/ )
Ha megtalálom a rajzot megmutatom.
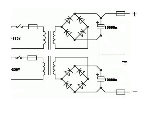
A két szálból csinálsz négyet és ezzel a rajzzal. Vagyis mind akét szálat kettéosztod. Taáltam egy jobbat:Bővebben: Link
Ami a mellekletet illeti azt a trafojaval nem tudja megepiteni, tekintettel arra, hogy ossz 2db kivezetese van ami 1 azaz egy darab trafot feltetelez. a rajz viszont 2darab egyeniranyitott feszultseg egyszeru soroskapcsolasat valositja meg.
A linkben ajanlott dolog viszont eletkepes lehet, felteve, hogy elegseges az egyutas egyeniranyitas a taplalt aramkor reszere.
Köszönöm szépen, ezek nagyon jók
Még gondolkodnom kell ezen a 2 ből 4 szálon, mert nem értem teljesen.
Hello.Ha érdekel nekem van 2x20w-os erősítőm ami 12VDC-ről megy.Ha érdekel írj PM-et.
Hello!
Led-eket nem igazán célszerű közvetlen párhuzamosan kapcsolni, mert a különböző nyitófeszültségek miatt, az áram nem biztos, hogy egyenlő arányban oszlik meg rajtuk. De ha ez a fixa ideád, akkor R1=4,7kohm, R2=10ohm. Ekkor 3 párhuzamos Led-el, 60mA körül lesz a fogyasztása. (De 12V esetén, 3V fog hasznosulni, míg 9V (pontosabban erre jutó teljesítmény) elvész.) üdv! proli007 |
Bejelentkezés
Hirdetés |






Még gondolkodnom kell ezen a 2 ből 4 szálon, mert nem értem teljesen. 




