Fórum témák
» Több friss téma |
A 10k mindig kell.
A nyomtató kábel 50..60cm UTP kábel, a többi kábelról is írok a cikkben részletesen(kép is van), olyan legyen, nincs erről még mit írogatni... Az 1. 3. lábakat remélem csak a próbák idejére kötöd le! (Kicsit érthetelen néha amit írsz, remélem te tudod mit csinálsz! )
Akkor igyekszek majd érthetőbben fogalmazni. Na most akkor az 1, és 3. láb lekötését hogy is érted? Hogy legyenek szabadon vagy arra gondolsz, hogy kössem azokat a földre? A D0-t földre kötöttem az RB7 0.12V lett, viszont a D1-et kötöttem a földre akkor az RB6 maradt 4,98V.
Az eredeti cikket és a v4-est is elolvastam, de csak az utp kábel szerepel ott, de mindegy. Igaz én nem utp kábelt használok, de a normál telefonkábel is jó nem? Most már ezzel kell kipróbálnom, ha nem jó akkor esetleg csere. Végül is szallagkábel ez is, nagy eltérés nincs. (Ha valamit nem írtam érthetőken kérlek írj vissza.) Idézet: „viszont a D1-et kötöttem a földre akkor az RB6 maradt 4,98V.” Ez baj, annak is le kellett volna mennie! Keresd meg miért nem ment le! Az IC 1. és 2. lábai körül valami gond van..
Még annyit, hogy legegyszerűbben úgy tesztelhetsz, hogy a kimenetekre egy egy LED-et teszel 2k2-s ellenállásokkat a test felé. Ez utána is jól fog jönni, mikor majd a programmal ismerteted fel a PIC-et.
Na megvan a hiba az 1. lábra menő vezeték elszakadt. Beletoldtam most és 0.12V lesz az RB6 és az RB7 is. (Holnap még beforrasztom rendesen.) Akkor elviekben jónak kéne lennie?
Igen, eddig jónak tűnik. Akkor holnap majd a programmal kell végigcsekkolni.
Hát sztem a program az már csak jövőre lesz. Majd jövő héten sajnos kicsit kifogytam a szabadidőből, de jövő héten jelentkezek.
Mindenkinek BUÉK!
Néhány új PIC-et felvettem a listára(hmli kérésére), van köztük 12F is. Igazság szerint nem tudom kipróbálni őket, de elvileg jónak kell lennie. Ha valami gond lenne, akkor szóljatok. Az biztos, hogy a PIC tönkre nem mehet ha a progam nem megfelelően kezelné, ha elektromosan jól van bekötve, ettől nem kell tartani, én rengeteg PIC-et nyüstöltem a fejlesztés alatt. A 10k-t a Vpp-Vdd közé tegyétek be! Ezt a verziót az oldalamról egyelőre nem lehet elérni, később felteszem oda is.
Felkerült még két PIC, valamint javítottam egy hibát.
Bővebben: Program Infó
Gondoltam megosztom az infót, hogy kipróbáltam egy PCI-os LPT kártyát a gépemben, és a WPB jól működik az EC00h portcímen is!
Ez megoldás lehet az olyan új PC-kre egyszerű(PIC-et nem tartalmazó) égetőt illeszteni, amiken nincs LPT és COM port se!
Következő verzió, csak az exe van benne.
Javítani kellett a 12F615 írás metódusában.
Szia !
Segítséget szeretnék kérni tőled. Letöltöttem a weblapodról az égető progidat, és végig csináltam a leírásod alapján az élesztést. És úgy tünt, hogy minden rendben van. De mindig előugrik az "LPT PORT CHECK " ablak és a "CLOCK " menű mellet villog egy zőld négyzet. Ezt nem értem, hogy mi ez ? Végig csináltam a méréseket és az ICSP-n a megfelelő értékek voltak. Előre is köszönöm.
Hello
Lenne egy kis problémám. Megépítettem az LTP-s PIC égetőt 16F628-at szeretnék programozni. VDD= 5,12 V VPP= 12,02V PGD= nincs rajta táp = 0,86 V rajta van a táp=5,12V PGC= ugyan ez Nyomtató kábel 1,5M hamarosan lecsökkentem. Azt szeretném megkérdezni , a mért adatok jók? illetve ha azt írja nem ismeri fel a PIC-et akkor az lehet annak az oka , hogy túl hosszú jelenleg még a kábel? Esetleg elmagyaráznád ,hogy kell LED-el ellenőrizni az áramkört mert nem értem , meg hol kell figyelni a programba a 00 stb. Elolvastam az oldalad de egyszerűen nem értem. ( Ha a régebbi programodat használom akkor az működik a gépemen ha az újat próbálom akkor azt írja " nem megfelelő port válasszak másikat de nem tudok mert kilép a program XP SP3) Válaszodat előre is köszönöm: S.Roland
Most próbáltam ha egy ledet beledugok persze ellenálással megspékelve a PDG - GND akkor a led villog de ha átdugom a PGC - GND -re akkor állandóan világít ha a tápegységet bekapcsolom. A 10K ellenállást beépítettem a megjelölt helyre. Próbáltam még IC-Prog-al azzal is ugyan úgy villogott a PDG a PGC pedig égett folyamatosan
Válaszodat előre is köszönöm S.Roland
Szia!
Akkor sorjában: 1. Melyik égetőmet építetted meg? 2. A PGC körrel baj van. Ki kell derítened, hogy az áramkörrel, vagy a program beállításával. Ha lehúzod az LPT portról, akkor is világít a PGC LED(Ha a nyomtató kábelről kapja a testet, akkor azt külön meg kell adnod!)? Testen van a LED katódja és az anódja van a kimeneten(persze sorba vele az 1k)? A többi érték az jó.
ucsreen kérdésére a válasz: kérdés
Szia! Valószínű rákattintottál a port Check ablakban az 1sec teszt fülre. Kattints a Test STOP-ra! A következő verziókban igyekszem a hibát javítani!
Szia Watt !
Köszönöm a gyors válaszodat. Tegnap letöröltem az egészet és újra kicsomagoltam és telepítettem, (sajnos ) azóta káosz van. Futtatáskor 2db hibaüzenet van, az első : hiba a port cím beadásánál, második : hiba a sebesség fájl betöltésénél. Ezeket talán előtte is csinálta, de tovább ment és működött. Most pedig az LPT port adatél beállítás panelnél "Run-time error '53' File not found üzenet, és utánna kidob. Ezt nem értem, hogy miért ? Felakartam telepíteni egy másik gépre is, de ott azonnal hibaüzenet van : "Component MSCOMM32.OCX or one of its dependencies not correctly registered..... Láttam, hogy vannak OCX-ek, és be kell másolni system 32-be, de valami nem jó. Kérlek magyarázd el pontosan, hogy kell. Nincs-e valami telepítési, és beállítási leírásod ? Biztos, hogy nagyon unod már, de én még csak most kezdtem ezzel foglalkozni, és a végére szeretnék járni. Az égető élesztését lepróbáltam másik progival is, és az működik. Egy érdekes dolog, hogy nem 5V-t jön ki, hanem a megfelelő lábakon 8 Volt. Csodálkoztam is az égető építésekor hogy a második IC78L08, ez szerinted helyes így ? Előre is köszönöm. Üdv.,
Töröld le az egész könyvtárat és másold a helyére a csatolt állományt kitömörítéssel. Azon a gépen próbáld, amin nem volt ocx-es gond. (Egyszerre két rendszer problémát ne oldjunk meg!).
Installáld az IO_Win32 könyvtárban lévő drivert. Milyen oprendszered van, milyen LPT portod, vagy soros? Milyen égetőt építettél?(rajz, vagy hivatkozás rá, hogy lássam). Idézet: „Nincs-e valami telepítési, és beállítási leírásod ?” Elvileg semmit nem kell trükközni. Bemásolod, telepíted a drivert kész. Esetleg OCX-eket másolgatsz a system32-be, ha nem talál, vagy nem jó verzió. Beteg XP-vel nehéz dolgod lesz, de az nem igazán ide vágó téma lenne...
Hello,
Égető típusa = http://www.hobbielektronika.hu/kapcsolasok/egyszeru_lpt_egtoaramkor...2.html Rákapcsoltam csak a tápot multival mérve van 5V mind a PGD és a PGC-n is de a kapcsolást nézve ez jó szerintem az lenne gyanus ha nem. Csatoltam az általam tervezett nyákot hozzá hátha segít de már 3X néztem át és minden passzol de több szem többet lát. A LED el kapcsolatban igen úgy kötöttem ahogy írtad. Segítséged előre is köszönöm
Ez a kérdéskör inkább a PIC égetési hibák, problémák, kérdések topicba lenne való, itt a programról folyik a téma. Ott válaszolok!
Szia Watt !
Nagyon hálás vagyok neked, mert így már jó. Valami hiba lehetett a letőltésnél. Mert az első letőltésnél jó volt. Az égető rajzát csatoltam. Még izgat a 8 Volt. Ezután csatlakoztatom a picket. Írtatok kondi beépítést, ezt pontosan hova kell ? Rendszer :XP home LPT. : 0378 Üdv.,
Hello,
Megcsináltam az égetőt most ahogy az oldaladon van úgy is működik megvan rajta a 12V az 5 V is illetve a programozói portok is működnek ahogy írásod alapján kell. Viszont ha beleteszek egy PIC-et akkor azt írja nem lehet felismerni. Ebben az esetben mi lehet a próbléma ha az égető működik be is van kapcsolva minden rajta a programot beállítottam ahogy az oldaladon van. ( Ha hosszú a kábel akkor nem lenne meg rajta a kellő feszültség?) vagy ez nem befolyásolja? Válaszodat előre is köszönöm
Nem mind a kettő L08-as, csak az ami a L05-ösre van ráültetve! Ellenőrizd újra le a tápegység részét, mert ott elrontottál valamit! 8V nem lehet azokon a vonalakon, még a 7405 is tönkre mehetett. A Vpp-nek viszont 12V-nak kell lenni.
Még annyit, hogy a 7405 nem alkalmas ide! Ez egy hibás rajz. Cseréld ki 7406,ra, vagy 7407-re(ez utóbbi jobb, de akkor a programban kell fázist fordítani). Neked is jelzem, hogy ez itt off, ha több kérdésed lenne a korábban linkelt oldalon tedd fel!
A hosszú kábel okozhatja ezt. Egyenáramúlag nem befolyásol semmit. Lassítsd le a linkelt leírás szerint a sebességet és fel kell ismernie(feltéve, ha ismeri). Milyen PIC-et használsz?
Hello watt!
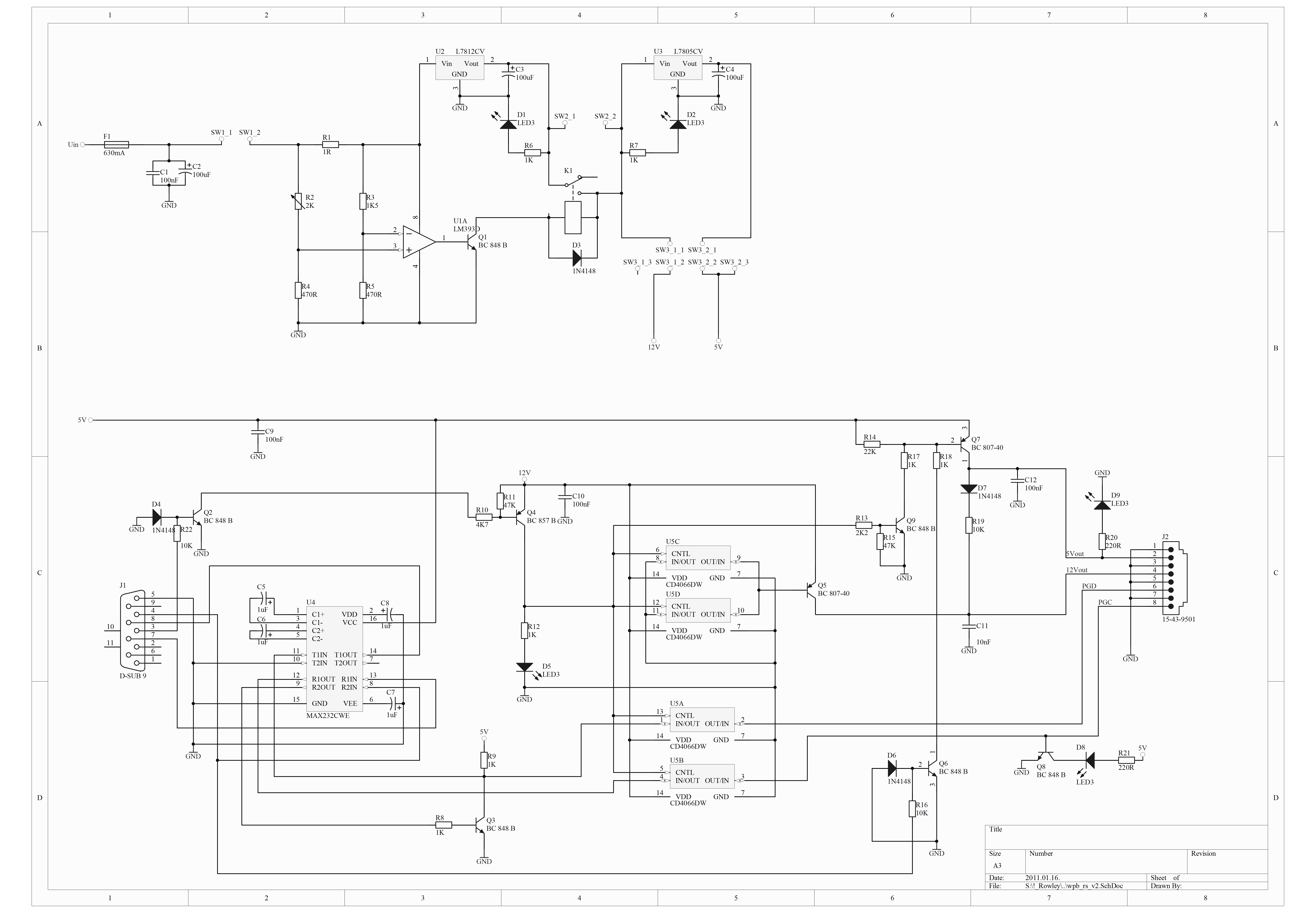
Csináltam egy kis változtatást az áramkörben mégpedig hogy a 4066-os IC felső két kapujának a bemetét földre húztam és egy PNP tranyót nyit, hogy 12V-on is mehessen nagyobb áram. A kérdésem az lenne, hogy a módosítás(ok) ellenére változatlan funkciót látna-e be? Egyébként minden elismerésem ,Üdv.
16F628 as PIC
Csak azért kérdezem mert ahogy leírtad az alapján villogtatja a ledeket azt próbáltam. Illetve most betüről betüre olvasom az oldalt és ott írod nem lehet hosszabítani gyári kábelal viszont én azzal csinálom ezek szerint akkor ez is lehet a bibi. Holnap veszek egy átalakítót hozzá akkor lehet megy. Ha leveszem a sebességet akkor fel kellene ennek ellenére , hogy ismerje melyik típus vagy abszolút nem csinál semmit? Válaszodat köszönöm |
Bejelentkezés
Hirdetés |




) 
,
