Fórum témák
» Több friss téma |
Fórum » Földhurok, avagy mit csináljunk, mikor minden zúg
Témaindító: A Jani, idő: Ápr 17, 2006
Témakörök:
Most megint elkezdtem vele szöszmötölni, kivettem annak az oldalnak a potméterét, amelyik elkezdett kattogni, mármint a hangfalvédő reléje, visszaraktam, most úgy működik, ahogy kell, mármint most a sub és a sztereó rész teljesen független egymástól.
Már "csak" az a probléma, hogy ha nincs bedugva az aktuálisan kiválasztott RCA a bemenetre, akkor a hangfalakon (de csak a sztereó részen) puf puf-ot csinál, mindjárt készítek róla videót. Painttel megcsinália teljes vezetékelési rajzot elég nehéz és reménytelen feladatnak tartom, de ha más nem marad, akkor azt csinálom. A kérdéseidre válaszolva: 1. Igen teljesen külön tápon van a sub és a sztereó rész: A sub-nak 1db trafót tekertem 2x36V-ra, egyenirányítva, 2x10 000µF kondival pufferelve +/-50V. A a másik két végfok úgy van bekötve, hogy 2db trafó 1-1X36V-ra tekerve, két trafó összekötve, így lesz 2x36V, egyenirányítva, 2x33000µF kondival pufferelve +/-50V lesz. 2. Külön külön midnen jól működik. Mind a három végfok jól működött, mielőtt még nem kötöttem volna így be a helyére. 3. Igen 5x2db RCA bemenetem van, úgy van megoldva, hogy az 5x2db bemenet rámegy egy Jacksly kapcsolóra, a jacksly kapcsolóról pedig megy a két oldal 1-1 potméterére, onnan a végfokba. Továbbá a jacksly-ről megy még a sávszűrőre, onnan a jel pedig a "sub panelra" Ha nincs bedugva az RCA kábel, akkor a sub-hoz tartozó végfok hangfalán nem jelenik meg ez a puffogás, ami a sztereó végfoknál ott van. 3. Brumm az szerencsére nincs. Jól van, töltök fel pár képet, de szerintem átláthatatlan lesz. Szerk.: Korábban, földhurok miatt már csináltam egy paint-es huzalozási rajzot: Bővebben: Link
Már nem jársz messze a sikertől
Szóval amikor kihúzod az RCA csatit, akkor gerjed? Illetve ha bekapcsolva rá van téve mondjuk egy mp3 lejátszó és szól, akkor rendesen szól? (természetesen a hibás csatornáról van szó)
Igen, amikor kihúzom az RCA csatlakozót, akkor gerlyed és mindegy hogy az 5 bemenet közül melyiket választom ki, ha pl az ötödik aktív és "menet" közben kihúzom az RCA dugót a bemenetből, akkor elkezd puff-ogni.
Szerk: A videó elejénél már be van kapcsolva a sztereó végfok, de a hangerőn 0-án van. Ahogy veszem feljebb a hangerőt úgy erősödik a puff-ogás is. (A hangszórót már úgy kaptam, hogy rossz volt, ezért nem sajnálom, ilyen tesztekhez pont jó )
Ez igazán érdekes. És még a frekvenciát is tartja
Megvallom őszintén, sok erősítőt buheráltam, de ilyet még nem tapasztaltam Mintha egy kondi töltődne, és nyitna, majd újra és újra mint a stroboszkóp vezérlésében... Ha teszel rá zenét ez megszűnik? Mert olyannal már találkoztam, hogy amikor kihúztam az RCA-t akkor elkezdett egyből gerjedni, de ez ritmusos kattogás vagy mi...
Zanét sem kell rátennem, elég ha bedugom az RCA-t az erősítő hátuljába, már akkor elmúlik, vagy ha felkapcsolom a SUB trafóját, akkor is megszűnik, úgy hogy nincs bedugva az RCA.
Írtad az erősítő fémházban van,és ezt nem földelted le.(bár lehet rosszul emlékszem) Ezt legtöbbször le szokták földelni ,ha másként nem egy néhány ohm-os ellenállással.A másik ami még tapasztalat a vezetékezés nyomvonala is szokott számítani ,valamint egyik erősítőmben egy alumínium lap is segített.
Remélem az RCA csatlakozó nincs testre kötve. Egy másik probléma lehet ,valami transzformátor DVD monitor közelsége.Ez miatt is eltöltöttem már néhány órát feleslegesen.
Igen az erősítő fémházban van és a házon a védőföldelés van. Az RCA aljzatok külső részei rámennek a hangerőszabályzó potméterre, onna pedig a végfokozat GND-jára.
Semmilyen más elektromos készülék nincs az erősítő környékén.
Az erősítő hálózati földelésen van, de a GRD nincs rátéve a házra. Nálam a hálózati föld és a GRD is rajta van a házon (ami fém) és az RCA bemenetnek a külseje természetesen hozzáér a fém házhoz, de mivel az is GRD ezzel nincs semmi baj. Ugyan így az XLR csatlakozók is (mivel PA célra használom)
A házat érdemes szerintem a GRD-ra kötni, mert árnyékolásnak mindenképpen jó. (a szerelést is leegyszerűsíti, mert mindent, ami GRD-ra csatlakozik, elég a ház oldalához kötni.
Gyári készülékek legtöbbjén a közös földpont van egy ellenállással letestelve a fémházhoz (szerintem ezt mindenképp tegyél bele).Ez arra elég hogy a két föld ne lebegjen egymáshoz ,de a földhurok még ne alakuljon ki (talán).
Én régóta használom keverőpultról, és még sose alakult ki földhurok. Általában többedmagával van használva. Egyébként valóban ellenállást szoktak közbeiktatni.
Hány ohm-os ellenállásnak kell lenni?
Én most azon gondolkodom, hogy amikor felkapcsolom a sub trafóját, akkor miért nem "kattog" a sztereo végfokra kötött hangszóró, mit befolyásol ha fel van kapcsolva a sub rész...
Amit javasolni tudok, az a legegyszerűbb. A sztereó részt és a subot kapcsold egyszerre, egy kapcsolóval. Végül is egy erősítő, és így nem fog akkor kattogni. Max nem teszel terhelést a sub részre. Biztosan gerjedés. Valahogy begerjesztik egymást
Tetszés szerint .a rövidzártol sem lesz baja ,max brummosabb lesz.Ha túl nagyot raksz az meg nem biztos hogy használ .Szerintem 10-100 ohm.
Arra azonban vigyázz, ha ezt beteszed,csak kihúzott berendezés mellett lehet az RCA dugókat dugdosni büntetlenül .(a DVD testje 110V az erősítő bemenete védőföld ,az RCA közepe néha hamarabb érintkezik mint az oldala.A bemenetek ezt általában nem szeretik.)
Még azt tapasztaltam, hogy ha felvan kapcsolva a sztereó és a sub rész is és lekapcsolom a sztereó részt, akkor a subra kötött hangfal pattan egyet (elég nagyot) mintha nem lenne hangfalvédő és úgy kapcsolnám le.
Most ugye úgy van, hogy 2db két csatornás hangfalvédő van és az egyik hangfalvédőre a sztereó 1-1 csatornája, a másik hangfalvédőre meg csak a sub van rákötve. Viszont ha a sztereó részt kapcsolom le akkor a sub "bumm-og" egyet lekapcsoláskor. Gondolom ennek valahol köze van ahhoz, hogy úgy pattog a sztereóra kötött hangfalak, ha nincs bekötve az erősítőre a bemenet (RCA)
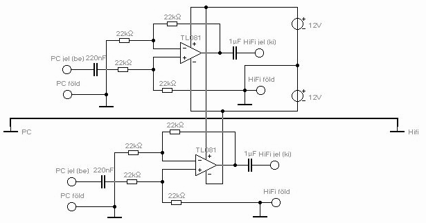
Sziasztok! találtam egy ilyen kapcsolást, nem tudom ez ér e valamit földhurok ellen?
Minden a kivitelezésen múlik ,ha nem használsz galvanikus elválasztást.(vagy a szerencsén
.)Sokszor segíthet valóban egy rendes átmérőjű átkötő vezeték ,de nem gondolom hogy minden esetben jó eredményt ad .A kapcsolás többi része földhurok szempontból közömbös szerintem.
Háát ? A "nyák" lap kell hogy lássad hol és hogy van a " huzalozás" megtervezve.Ez egy nagyon "általános" kapcsolási rajz ..
En így csinálom min ahogy a mellékelt kiegészített rajzon látható . De soha se volt semmi zaj a PC eseteben..csak a gitár hangszedője nagy erősítés eseten a PC mellett/ előtt szedi össze a mindenfele"tüskét' és behallatszik az a "zizegés" .
Sziasztok még új vagyok és olyan kérdésem lenne hogy vettem egy sal 20 active típusú hangfalat és ha az asztali géppel jack rca kábellel összekötöm akkor van egy kis alapbúgása ezt nem lehetne megszüntetni valahogyan?
Szia! Van rendes földelés a lakásba? A hangfal dugója földelt?
Földelt hosszabbítóba van bedugva a számítógéppel együtt a gép földelt de a hangfal nem földelt csak sima.
SZIA!
SOK ILYEN PROBLÉMA VAN MOST KÖRÜLÓTTEM IS. MEG LEHET PRÓBÁLNI A SZÁMÍTÓGÉP 220V-os DUGALJÁNAK A FÖLDELÉSÉT LE SZIGETELŐ SZALLAGOZNI, TALÁN SEGÍTDE A LEGINKÁBB BAJ AZ HOGY A SZÁMÍTÓGÉP RENGETEG ZA FORRÁST TARTALMAZ(PL: HANGKÁRTYA AMI MINDEN ZAJT ÖSSZESZED A GÉPPŐL, VENTILÁTOROK VINYÓ.) ÜDV DGS Ki kellene takarítanod a billentyűzeted, mert beragadt a SHIFT gombot. Gondolom nem kiabálsz. Action2K
És akkor ez ellen tudok valamit tenni vagy meg kell szoknom, az ezelőtti logitech x-210-en nem volt ilyen probléma.
Sziasztok!
Kocsiban szeretnék zenét hallgatni telefonról, szerencsére a gyári hifinek van kisjackes bemenete. Amikor csatlakoztatom a telefont a töltőhöz, elkezd sípolni, fordulatszámtól függően h milyen magas hangon. Annyit sikerült utána olvasni, hogy földhurok alakult ki. Az lenne a kérdésem, hogy lehetne kiküszöbölni? A jackes kábelen már elvágtam a földet, de úgy nemjó, nincsenek mély hangok, kell neki a föld... Előre is köszi.
Szerintem a generátor által keltett frekit hallod. Ezt meg lehet próbálni rossz autórádióból kitermelt zavarszűrővel szűrni a tápot. Az konkrétan a generátor által termelt zaj ellen lett kitalálva. LC szűrő.
Szerintem ide találták ki az illesztő transzformátort a Jack részébe. Vagy addig nem hallgatsz zenét amíg töltöd a telefont.
Nem tudom milyen a telefon kimenete ,ha a jack csatlakozó teste egy ohm mérővel kimérve azonos a töltő csatlakozó testével esetleg az segíthet hogy az autórádió tápfeszültség és test pontjáról veszed egy nagyon vastag (2,5-4) vezetékkel a töltőfeszültséget ,és a töltő kábelt is a lehető legrövidebb és legvastagabbra választod ,a jackból meg kikötöd a testet. (minél közelebb a rádióhoz,a test meg a rádió fémháza legyen.) Esetleg a jelen felállásban is kipróbálhatod hogy a töltő testét a rádió fémvázáról veszed le.(szigorúan csak ha a jack meg a töltő teste azonos)
Hali.
Van egy fémházas itx ház benne egy alaplap, integrált vga val, külső 12V táppal. A bajom hogy az LCD monitoron fényerőváltozások formájában a HDD motor zaját látom. Legalább is erre gyanakszom. Ezt a zajt valahogyan nem tudnám szűrni a vga kábelen? A kábel úgynevezett high quality vga (színenként árnyékolt koax, rézharisnyás). Köszi
Sziasztok, kellene egy kis segítség. Egy 2 dines fejegységhez ( autós) vettem egy mpeg4 tv tunert, aux-on rákötöttem a fejegységre, és miután beindítom az autót, generátorzaj hallatszik. A lehetséges bekötési módokon, táp-és rca szűrőkön túl vagyok, nem javít egyik sem. A tuner helyett kipróbáltam 2 db másik cd-s rádiót( az egyik Kenwood) de ezeknél is van zaj. A tunert áttettem egy másik autóba, ott egy deka zaj sincs... Ha az aux-ra egy 220V-os rádióról adok jelet, na ebben az egy esetben nincsen zaj. Ha az aux-ra kötött bármilyen jelforrás akár csak a pozitív, akár csak a test kábele is csatlakoztatva van az autóhoz , hallatszik a zaj. Tudna vki vmi okosságot erre? Köszi
Szia !
A megoldás .: Földhurok izolátor GL-205 Ha az autórádióban olyan zajt hallasz, ami megfelel a motor fordulatszámának, vagy a generátor hangjának, akkor az autórádió és a végfokozat között földhurok van, vagy az előerősítő kábelen át zavarok kerülnek be. Ez az adapter a földet galvanikusan elválasztja, elősegítve a zavarmentes üzemelést. A ki és a bemenetek RCA aljzat és hüvely. Én évek óta ezt használom és tökéletes megoldásnak bizonyult. Üdv.: moele
Köszi, de mint írtam , ezeken túl vagyok, és nem oldja meg a problémát. Amúgy a zaj csak aux funkciónál hallatszik, rádió, cd-dvd, gps funkcióknál nem...
|
Bejelentkezés
Hirdetés |




) 
.)Sokszor segíthet valóban egy rendes átmérőjű átkötő vezeték ,de nem gondolom hogy minden esetben jó eredményt ad .A kapcsolás többi része földhurok szempontból közömbös szerintem. 
