Fórum témák
» Több friss téma |
Hellosztok,
x10 elavult, Insteon komplikált. Kép1 Kép2 Nézzétek meg UPB-t, power line-on kommunikáció, nagyon megbízható, tranziensek miatt trafon is átmegy a jel. http://www.avrfreaks.net/index.php?name=PNphpBB2&file=viewtopic&t=74677 Kapcsolási rajz is kb kész van. A protokoll iszonyat komplex, lekéne egyszerűsíteni.
Sziasztok!
Több mint 20 éve építek ilyen rendszereket. Ha valaki otthonra akar építeni - anyagilag megértem, de ha elüt a villlamos ki fogja üzemeltetni? Ki fogja javítani. A mai eszemmel mindenképpen stabil megoldásokat használok. Ez sem életbiztosítás, de legalább kiváltható. Nézzétek meg az általam eddig legjobbnak tartott rendszer oldalát. ebből legalább okulni lehet (saját forgalmazás). http://www.seebacher.hu ISYNET GLT rendszer. Valós időben vetít videót az épület falára fényerővezérelt fénycsöveken. És ehhez mind a hardver, mind a szoftver készen van és működik! Nézzetek utána a BIX épületének Grazban a google-ban. Egy kis segítség (még szerkesztés alatt lévő oldal) : Bővebben: Link Ha olcsó, de komplex megoldás kell, lehet próbálkozni PLC-kkel is. A Phoenix Contactnak is egészen értelmes vezérlői vannak. De nem fognak minden problémát úgy megoldani, mint az ISYNET. Tipikus probléma a design. Ha csak egyes, kettes nyomógombok vannak, akkor még a Prodax is jó, de ha tényleg igényesen akarsz kezelni valamit, nem árt 4-8-16 nyomógombot egy helyre vinni. Ilyenek a taszterek és a room controllerek. Lehet persze PIC-el is ilyen rendszereket csinálni, de mire kész leszel a hardverrel és a szoftverrel, drágább lesz mint megvenni a kész rendszert - persze lehet, hogy megéri valahol.
Ezért kell plug-in modulokat használni/csinálni, újra kábelezés helyett. Ha feldobnánk a pacskert csak kihúzzák a falból és működik minden.
Itt egy jó katalógus mik vannak a 120V-s piacon: http://www.homecontrols.com/homecontrols/pdf/HCI_Cat56_web.pdf
Ez teljesen érthető, amit leírtál róla, utólagos beszerelgetés esetén jól is jöhet.
Viszont kissé visszataszító lenne szerintem egy szép lakásban, ha minden konnektor környékén ilyen kis dobozkák állnának ki a falból
Gondoltam még erre is.
Topi féle hosszabbítós megoldás elfogadható kompromisszum lenne. A vezetéken bemegy a 230+vezérlés és az összes aljzatnak lehetne egyedi címe, vagyis lehetne külön kapcsolgatni. Dimmer már merész húzás lenne műanyag házba. Esetleg lengőaljaz féleség is lehetne, a vevő/kapcsoló rajta lehetne a lámpa vezetékén. Bővebben: Link
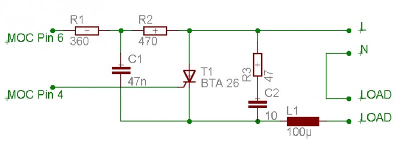
Megszereztem az UPB modul kapcs.rajzát.
Ez 110V-ra készült ezt kéne átalakítani 230V-sra. Bal felül a triak (TO92) tölti/süti ki a Ct kondit a hálózati szinuszra, létrehozva 1 tüskét 1 félperióduson. Lt a kibocsátott zaj szűrésére szolgál. Bal középen a vevő (Bandpass) szűrő látható. Dokumentáció alapján 4-40Khz-ig terjedhet (60Hz esetén) a vett jell frekvenciája. Bal alul pedig a transzformátor nélküli táp van. A mikrovezérlőnek lehetne 8 lábas AVR-t használni, kimenetnek 1db triakot, teljesítménymérő áramkör is elhagyható. És így kijönne kb 1400ft alatt egy modul (a bolti 18eFt-s ár helyett) A tüskét előállító kondi méretét a tárolt energia alapján próbáltam átszámolni. W=1/2*1.5e-6*(120*1.41)^2= 21.6mJ 230V esetén: Ct=408nF ~ 470nF 400V A kérdés, hogy kéne átméretezni a vevő szűrőt?
szerbusztok
Egy este végigolvastam "minden" hozzászólást és elkezdtem agyalni. A lényeg az hogy autómatizálva lesz a lakás + távirányítóra lesz kötve minden. A kérdésem az lenne hogy egyik ötletem része hogy a villany lassan kapcsoljon le -> tud valaki egy egyszer kapcsolást rá? Nemsokára kész a teljes vezérlő egység áramköre majd ha igényli valaki akkor megosztom. Választ előre is köszönöm
Amit te keresel azt úgy hívják dimmer! De 1000oldalt egy este alatt?
Hogy lehet kész az vezérlő, ha még azt sem tudod milyen perifériák lesznek (dimmer) alkalmazva?
Mit értesz azon, hogy rá lesz kötve minden? TV, video, HiFi, Mikró, PC, világítás, fűtés, légkonri, redőnyök, éjszakai irányfények, kültéri világítás, mozgásérzékelők, öntözőrendszer... Szóval nagyon érdekel, hogy mit agyaltál ki, de ha még nincs kész akkor nem ebben a topikban kéne beszélni róla.
Én IP (Internet Protocoll) alapú kapcsolókkal eszközökkel oldanám meg és ip címmel címezve vezérelném. Na de ez tényleg nem az a topic ha nincs még kész.
Sziasztok! Egy családiház helyiségeinek hőmérséklet méréseit milyen alkatrésszel célszerü mérni? A lényeg hogy PIC-re köthtő legyen,vagyis valamilyen digitális alkatrész kellene. Van valakinek ilyen irányu tapasztalata?
Egyébként nálam a sját készítésü modulok RS485-ön kommunikálnak egymással.
Hőmérés: hőelem, PT100, Ni 1000 - ezek a szabványos megoldások, de mérhetsz feszültséget sorbakötött diódákon is, mivel az is hőmérsékletfüggő. Ha elég sok diódád van - precíz lesz a mérés és sokkal olcsóbb. Csinálhatsz 0-10V-os kimenetű hőmérséklet jeladót, de ott már nem mindegy az A/D átalakító felbontása.
Sziasztok! Az iménti hőmérés kérdésre jutott eszembe:
Ha valakit érdekel van egy saját megoldású (már legyártott) kombi szenzorom, ami hőmérsékletet és csapadékot is mér - és éppen azért univerzális, mert bármelyik PID szabályozóhoz, vagy intelligens épület megoldáshoz használható-. Kültéri kivitel, járdafűtéshez ideális, 4cm-es térkőbe is beépíthető, a teherautót is elbírja.
Fényerő leszabályozása: Igen a Dimmer teljesen jó megoldás, de nem mindegy mit tud. Az enyéimen a dimmelés sebessége is állítható, és emiatt sokkal kellemesebb a feelingje. Dimmert több forrásból is be lehet szerezni: Conrad, Inels/ELKOEP. Ha nagyobb teljesítményű kellene keress meg, mert tudok 6-8- 12 csatornás dimmer racket is adni( árban ezek a legjobbak), de 1000-1500W-os 9KE széles (9 kismegszakítónyi) DIn sínre pattinthatót is. Ezeket vezérelheted kontaktussal (legegyszerűbb és legbutább megoldás), de van DMX-es és 0-10V-os is. Ezek bevizsgált, garanciával rendelkező termékek, gyári dobozolásban (műanyag, fém).
Szia!
Köszi az ötletet! Tetszik ez a PT100-as érzékelő.Esetleg ha minden helyiségbe tennék egy ilyent és pl.2x1mm vezetékkel összegyűjteném egy pontban. Ott pedig egy PIC-el feldolgoznám az adatokat, működne? A legtávolabbi érzékelő kb. 15m lenne!
Üdv Mindenkinek!
Segítséget keresek, egy engem régóta foglalkoztatott témában, mégpedig pár éve épülő házunknak, a teljes elektromos felügyeletét ellátó számítógép által vezérelt, és figyelt megoldással. 2000 Körül kezdtem a témában tapogatózni, akkoriban a C-64-gyel csináltam egy 8 kapcsolásra alkalmas szerkentyűt, ami idővel nevetségesen kevés tudással rendelkezett. Lehetőségeimhez mérten rengeteget kutatgattam a témában, és azt látom, hogy kész eszköz, nincs a piacon... azaz van de az ára egy irodaház építésénél szóba jöhet, de a halandó emberek, max csak olvashatnak róla. Többször próbáltam már másoktól segítséget kérni, de senki nem vállalkozott erre. A renszer bizonyos részei, már kiforrottak bennem, a műszaki megoldást megtaláltam rá, de vannak még lyukak amiknek a megoldására keresnék segítséget. Ezen probléma megoldása az elektronika, és a számítógép működésének alapos ismeretét igényli. Azt már tudom, hogy néhány, 10-20 kapcsolt jelből, hogy csináljak több száz, vagy több ezer ki és bemenetet. Azt is tudom, illetve az irányban haladok, hogy a számítógépen olyan felületet és programot hozzak létre, ami a működést, a külömböző logikai kapcsolatokat dolgoza föl, és kezelheti a hozzá gyártott vasat. Viszont nem tudom, mi az a készülék, és módszer ami modern fejlett módon létre tudja hozni a kapcsolatot valamely kimenet, és a többszöröző egység között. Nem tudom, hogy hogyan lehet egy csatolt periféria fizikai működtetése programozással, esetleg egy közbenső program (ha jól tudom ez a driver) létrehozásával. Most kezdek foglalkozni a c nyelv megismerésével, de szerintem ezzel közvetlenül nem tudok a perifériákra hatni. Több megoldást is olvastam itt a fórumon, de mindig van valami rész amihez nem értek. A nyomtatóportos megoldásnál nem tudom hogy lehet azokat állítgatni. A legjobb megoldást kínáló usb-s csatlakozásnál aztán meg végleg egy rakás szakadék van. PIC-ek programozásához lövésem sincs. Jómagam villanyszerelő vagyok, meg vannak php, basic, html, egy kevés delphi, meg majd lesznek C ismerettségeim. Célirányosan vannak elektronikai ismerettségeim is. ***Ezen szövegrész eltávolításra került, Ha a leírtak alapján nincs elég infód, szívesen válaszolok bármilyen kérdésre itt a fórumon, *** az emailcím úgyszintén !
Valamelyik úton pedig el kell indulnod. Nem muszáj PIC-et használni, párhuzamos portra is bitléptetéssel sok be és kimeneti egységet láncba fűzve rá tudsz kötni. Párhuzamos port nem egy vészes dolog, neten ha keresgélsz, találsz példaprogramokat rá mindenféle nyelveken. Delphi meg C az, amiben érdemes gondolkodnod szerintem, de PC oldalra ha Delphit ismered, akkor erre a célra nemis kell több. Nem nagy valami Delphiből egy párhuzamos port vezérlése.
USB az valóban keményebb dió, én erre a célra inkább Ethernetben gondolkodnék. Bonyolultsága kb. az USB-vel azonos Ha készülékek közötti kommunikáció is kell, akkor ezek között lehet RS485, CAN busz, meg esetleg Ethernetet is használni, utóbbi egy kicsit ágyúval verébre kategória, és inkább érdemes a központi egység és a PC közötti kommunikációra meghagyni.Szóval ötlet az gondolom van rendesen, hogy mit lehetne csinálni. Ezzel én is így vagyok. Meg ugye evés közben jön meg az étvány is. Ezért érdemes már az elején olyan alapokra fektetni az egészet, ami később nem áll a bővítés útjába. Közülünk talán watt az, aki a legtöbbet már meg is csinálta az elgondolt dolgokból, hátha ő is ír majd valamit.
Szia!
Egyetértek potyoval, nem feltétlen muszáj a "PIC", de ahogy Ő is érzékelteti, nagyon sok szabadságot ad. A PC-vel az a baj, hogy sokat fogyaszt és lefagy! Ebből kiindulva az én koncepcióm a PC-nek csak monitorozási, beállítási funkciót ad. Az elképzelésem a következő: Egy nagy mikrovezérlő(uC) irányítja a folyamatokat RS485 kommunikációs vonalon keresztül(Master, ill. Központ). A központ feladata még a közvetlen védelmi rendszer kezelése(érzékelők, telefon, stb.) A Slavek a kommunikációban csak a Master megszólítása, engedélye után vehetnek részt. A PC-vel az egyik(vagy kettő) Slave(ahogy potyo is említi, USB-s, és-vagy Ethernetes egység, esetleg RS232 vagy bluetoot (lassúak)) kommunikálhat. Itt a következő adatforgalmak képzelhetőek el: PC->Központ: Alapjelek, höfokprogramok, közvetlen parancsok(be,ki(lámpa, ajtó stb.)), egyéb vezérlő szekvenciák(óra beállítása, ébresztő funkciók hang kezelése, kazán vezérlés alapjelei, kalkulációi stb.). Központ->PC: Pillanatnyi mért jelek, állapotok, regisztrált adatok beolvasása, megjelenítése. A Slavek egyedi kialakításúak, mindig a feladatnak megfelelően. A feladatukat önnállóan el tudják látni, csak alapjelre, esetleg parancsokra van szükségük. Az egész rendszer 4 vezetéken keresztül kapcsolódik össze, amiből kettő a táp, kettő az RS485 vonalai. Kivétel a PC-vel kapcsolatot tartó Slave(USB, Ethernet, esetleg RS232). A rendszer szabadon bővíthető a tápegységtől és a vezeték áramtűrésétől, ill hosszától(kb.100m 115kbs)) függően egészen 254 egységig. A lényeg, hogy a PC nem szükséges a ház folyamatainak konrollálásához. Nekem most 9 Slave egység van kész, de ahogy időm engedi bővitem, mert még épülőfélben van minden, ugyanis egy ilyen rendszer nem egy hét alatt készül el, és lehet, hogy nincs is olyan, hogy készen van. Jelenleg a fűtés vezérlését, a világítás vezérlését(néhány kivétel folyamatban van), valamint az adatok(hőfokok, állapotok) rögzítését, kiértékelését oldottam meg.Ennyit az én elképzelésemről. Ettől eltérően, csak PC felhasználásával is működő rendszert lehet építeni, kisebb megbízhatósággal, sokkal nagyobb fogyasztással, viszont nagyobb kényelemmel, már ami a rendszer fejlesztését illeti. Itt meg kell még említeni, hogy a PC-vel elég nyűgös távoli adatok mérése, regisztrálása, miután az RS232 is csak 15méteres lehet max és az csak egyszál kommunikáció és nem analog, azaz oda is valami uC kellene a végére egy hőméréshez. A bővítés sem túl egyszerű feladat. Tehát sok a korlát, de ha ezekkel megelégszünk, akkor elvileg használható ilyesmire. A nyomtató porton 12 kimenet felhasználható, és ezt lehet bővíteni, ahogy említetted is. Vannak olyan dll-ek, amikkel meg lehet oldani az LPT port közvetlen vezérlését, akár Win7 alól is. Ezt VB6 alá könnyű illeszteni. Ha érdekel délután tudok küldeni infót erről. A másik lehetőség, hogy belefogsz a uC-ek világába...
Sziasztok!
Egy kérdés fogalmazódott meg bennem. Az ok hogy RS485, de csillagpontos huzalozáskor a master-t hogyan építitek meg? Az RS485 tudtommal nem csillagpontra van kitalálva, hanem inkább "sínrendszer"-szerűen kell felfűzni a slaveketek, az utolsónál pedig kell a lezáró ellenállás. Javítsatok ki ha hülyeséget írtam... Lutyii
Üdv!
Csillagpontos kábelezés esetén, ha mondjuk UTP/FTP kábel (1 db) van minden végpontba kihúzva, akkor: a kábelben ugye 4 érpár van, ebből egy érpáron megy a kommunikáció ODA irányba, egy másik érpáron pedig megy a kommunikáció VISSZA irányba. Kell egy elosztó/kötő doboz, amelyben a szükséges kötéseket az ODA/VISSZA irányú vezetékekre megcsinálod. Tehát az (n)-ik slave-től VISSZA jövő ágat folytatod az (n+1)-ik slave ODA irányával, az (n+1)-ik slave VISSZA jövő ágat folytatod az (n+2)-ik slave ODA irányával, stb. A kábel fizikai két végét pedig zárod 120 Ohm-al. A legbaloldalibb (tehát az első) eszköztől a kommunikáció csak VISSZA irányú, a legjobboldalibb (tehát az utolsó) eszközig pedig csak ODA irányú. Imi.
Üdv!
DS18B20-at javaslok. 900+áfa/db körül van az ára. Amennyiben direkt PIC lábáról hajtod, akkor kb. 30 méter a maximális távolság, ha viszont ezt az eszközt használod, akkor kb. 300 méter elérhető. Vigyázz, mert a maxim is készít hasonló terméket, azzal csak kb. 60 méter érhető el, a legjobb a sárga színű iButton-os cucc. A távolságok tapasztalatból vannak. A kábel FTP legyen ! Imi.
Pontosan, de ezzel duplára növelted a kábelhosszt, ami nem mindig szerencsés, mert bizonyos hossz felett a sebességből engedni kell néha.
De a megoldás jó. Gyakorlatban a kettő keveréke szokott lenni, ahogy nálam is sok Slave sorba esik és csak egy-két kiesőt huzaloztam oda-visszára. Gondos előzetes tervezéssel hosszt, ezzel sebességet lehet spórolni. Persze minden kábel UTP, mert annál olcsób nincs...
Tényleg, potyo, hogy állsz az ethernetes paneleddel? Én most szenvedek az USB CDC-vel, át akarom gyúrni HID-re, mert ez a soros szimuláció csak bajt okoz. Viszont szöget ütött a fejembe, hogy minek szenvedjek az USB-vel!
Azt hiszem áttérek az ethernetre teljesen, úgy is jó, ha nem csak egy gépről érem el a vezérlőt(ébresztések, hőfokbeállítások, üzenetek stb.) és egyébként is akartam ethernetet, úgy hogy van is egy 87J60-am... Naszóval neked sikerült valamit a demóval kezdened? Könnyebb lenne, ha nem kellene az elejéről kezdenem! Esetleg válaszolhatsz az ethernetes topicban, ha itt offnak érzed! Köszi!
Üdv!
Igen, a kábelhossz növekszik, de: - 1200 méterbe eddig még minden ház belefért csillagpontosan is - 1200 méterig megy a 20 kbps, ez nekünk mindenre elég volt, igaz mi CAN-t használtunk, és nem RS485-öt, az pedig még rosszabb is a sok kitöltőbit miatt, kérés-válasz alapon kb. 80-100 csomagot lehet így 20 kbps-en átvinni 1 sec alatt, ha a master és a slave egységek kellően gyorsan hajtják végre a programot - amennyiben a kötődobozod megfelelő kialakítású, UTP aljzatokkal minden egységhez, illetve egy NYÁK-on oldottad meg a kötéseket, akkor kaptál egy rendkívül jól szervízelhető dobozt, amelyben nincs kábelrengeteg, az egységeket egyesével kiiktathatod, pillanatok alatt beköthetsz újat, hiba esetén rendkívül könnyen szakaszolható, stb. - ezzel a megoldással minden egységnek bátran vihetsz tápot az UTP maradék érpárjain, hiszen a közös csillagpontból párhuzamosan kapják a tápot, egy UTP-n csak 1 eszköz tápja folyik Ettől függetlenül teljesen igazad van, a legjobb a kombinált megoldás, ha az egyik eszköz mellett ott van a másik közel, akkor az felfűzésre kerül (persze a tápra figyelni kell, mert ilyenkor több eszköz tápja folyik ugyanazon a kábelen). Imi.
Főleg a tápos indok fogott meg, de a többi is igaz. Köszi! Lehet, hogy csak nekem fontos, hogy 1/4 sec-enként látni szeretném a változásokat, ezért ragaszkodom a 115kbs-hez, de valóban elég a 20-is.
A másik, hogy az RS485 az csak egy fizikai szabvány, ezen az elektronikai felépítményen sok protokol elfér, én pl. egy egyedi fejlesztéssel próbálkozok, és nagyon gyors és egyszerű. Lényeg, hogy a soros felfűzött egységek felé érdemes elmenni, a könnyű bővíthetőség és a végtelen lehetőség miatt.
Úgy állok vele, hogy ami volt fizetős munkám vele, azt megcsináltam (az azóta is gyönyörűen működik
), de azóta nem foglalkoztam gyakorlatban a témával. Követem az ethernetes témát, illetve adatlapokban nézegettem ezt-azt, de újabb kódot nem írtam egy sornyit sem. De ha valami érdekel, kérdezz, ha tudok, válaszolok. |
Bejelentkezés
Hirdetés |



















Ha készülékek közötti kommunikáció is kell, akkor ezek között lehet
Jelenleg a fűtés vezérlését, a világítás vezérlését(néhány kivétel folyamatban van), valamint az adatok(hőfokok, állapotok) rögzítését, kiértékelését oldottam meg.
erre nem is gondoltam...
), de azóta nem foglalkoztam gyakorlatban a témával. Követem az ethernetes témát, illetve adatlapokban nézegettem ezt-azt, de újabb kódot nem írtam egy sornyit sem. De ha valami érdekel, kérdezz, ha tudok, válaszolok. 




