Fórum témák
» Több friss téma |
BY233 van most benne, alaposan túlméretezve, kisebbet sikerült ellőnöm. Tekercselésnél ügyelj a menetirányokra, rajzon jelölt kezdetek szerint.
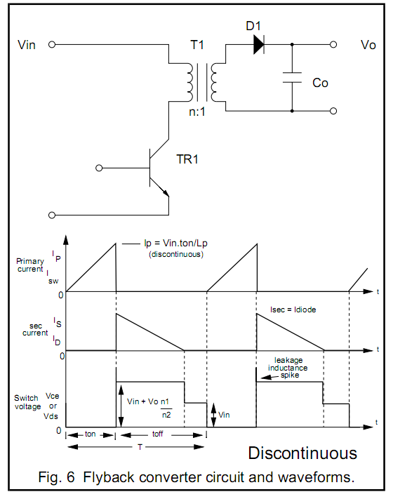
Idézet: „...az itt nem nem így van...” Azt az üzemmódot hívják úgy, amire gondoltál, hogy "Discontinuous Mode" Csatolok egy jó kis doksit. (11. oldal)
Köszönöm, a rezonánsnál már megtanultam,hogy kell figyelni a menetirányokra...
Megvan minden alkatrészem már hozzá úgyhogy holnap nekiveselkedek.650-ért tudtam szerezni IC-t(6 db-ot).50mA-ra az tényleg alaposan túl van méretezve ,de osztom a nézetedet.
Sziasztok
Kezdő kérdés lenne Hogy értelmezem, azt hogy Idézet: „„olyannyira összeszorítjuk, hogy a vasmag 2 érintkezésénél 0 légrés lesz, akkor egy 2400*102 nH-s induktivitást kapunk”” Ezt a cikböl csíptem ki Lehet hogy ezért nem sikerült rendesen mérnem EI33 magon mértem 342.8uH Ez az érték kicsit sok szerintem ![]() Szerintetek?
Sziasztok
Tudom, hogy buta kérdés de fel teszem Nem értem még ezt a légrést a magnál hol kel mérni vagy látható egyáltalán? Azt olvastam feljebb, hogy légrés nélküli magot kel választani De akkor nem tudom, hogy jön ide be a légrés számítás, ha az 0
E-E magnál a l a középső oszlopok közt található a légrés, ha van egyáltalán. E-I magnál a középső oszlop, és az I közt kell keresned.
A fényképen az E-E mag nagy légrésű, az E-I -nél viszont csak pár század a hézag. Természetesen van légrés nélküli mag is, sőt sok esetben csakis ezek a típusok használhatóak, (de ezt az adott kapcsolás dönti el).
Sziasztok.
Össze sikerült ügyködnöm a flyback tápot. Egyenlőre a tápágban egy 40W-osizzórol úgy tűnik semmi probléma a feszültségek +33V és-32V-ra adódtak amit nem értek mert párhuzamosan fogva a huzalokat tekercseltem. De,ha így terhelem a kimenetet bármelyik ágát( egy 24V-os izzóval)egyből leesik a fesz. 0V-ra. Ja és alapból van egy kis nagyfrekis hangja.Amint leterhelem meg is szűnik....Kipróbálhatom szerintetek soros izzó nélkül? Képek
Szia
Köszönöm az információt, ezt idáig nem találtam sehol És köszönöm külön az ilustráciot
Lehet kicsit bolonditja a multid, azért tapasztalsz asszimetriát a tápágak között, de lehet más oka is.
Leterhelni fölösleges úgy, hogy sorba van kötve egy izzóval, mert leesik a primér oldali feszültség, és leáll az ic, ezért esik le a feszültség is. Izzóval sorbakötve az izzó kialszik? Nem melegszik semmi sem? Mag? Snubber? IC? Ha minden oké, akkor mehet élesben a hálózatra, ottis egy ideig üresen járasd, aztán először csak egy nagyon kis terhelést akassz rá (pár W) külön-külön a tápágakra, és méregess, ha minden stimmel akkor fokozatosan menj feljebb a terheléssel, közben pedig vizsgálgasd melegszik-e valami. Juteszembe, a bemeneten az egy PTC? Ha igen, akkor cseréld ki egy NTC-re (pc tápban van) mert így vagdosni fogja a megszakítót. Majd befejezem a nyákot, aminek nekiáltam, és kirakom ide. Ezt én így nem használnám, óvatosan bánj vele. Az üresjárati hang az amiatt van, hogy nincs terhelése, elindul, feltölti a kondikat, megvárja amíg kisülnek kicsit, aztán ismét elindul. Ez jó jel, azt mutatja hogy működik a szabályzás.
Nem melegszik semmi egyáltalán.Az izzó bekapcsoláskor felvillan egy másodpercre aztán kialszik.
Azért ptc-t tettem bele mert a cimó rezonánsba is azt tettem de van itthon 5R6-os NTC-m beleteszem azt. Na kipróbálom...már úgy izgulok. Köszi.
Üresjáratban rendesen megvan mindkét oldali tápfesz.De még így is leesik a fesz. nullára,ha terhelem.
Húúú...ezt benéztem
![]() Pedig Te is meg kadarist és CHZ is figyelmeztetett a bidirekt supressorra én meg most nézem,hogy ott van a végén a C betü.Azért is nem volt rajta jelzés.. én meg méregetem itt össze-vissza.Olyan pici betüvel van ráírva,hogy nem vettem észre.Marad a hétfői vizsgálódás ezek szerint mert gondolom ez okozza a problémát.
Sziasztok.
Még mindig szenvedek a flyback táp trafó szórási induktivitásával.18uH alá nem tudok lemenni. PC tápban találltam egy kis flyback trafót.Legalább is szerintem az volt de nem volt benne légrés.EI magos volt.A szórása 4 uH volt.Szétszedtem tanulmányozásra.2x20 menet primmer.6 menet szekunder ami rézlemezböl volt.A csévetest teljes szélességét elfoglalta és egymás tetejére volt tekerve a hat menet.Középen volt egy megcsapolása.És volt 4 menet talán segédtápnak sima 0.5mm-es huzalbol.És a külső primer alatt és a belső primmer fölött volt 1.5 menet rézlemez.Egy rézlemeznek egy kivezetése volt és mindkettő a primer tekercs kezdetére volt rákötve. Kivettem belőle a 4 menet segédtápot és a szekunder középmegcsapolását.Tettem bele 0.5mm-er légrést.Tehát primer1 20 menet,szekunder 6 menet rézlemez és primer2 20 menet.Plussz beraktam a két rézlemezt is.Szórása 5uH.Ezen felbuzdulva megcsinál hasonlóképp az EDT33-as magot.2x40 menet primer,3 menet szekunder rézlemezböl,plussz a két rézlemez,1.5mm-er légrés.A szórása 120uH. Kezdem elvesziteni a fonalat.Hogyan lehet a két magnak hasonló elrendezésben ekkora külömbség a szórásban?Hol hibázok?A vasmag anyagának van köze a szóráshoz?És annak hogy hol hejezkedik el a légrés?Tehát a mag közepén (ETD) vagy a tetején (EI) Tehát egy PC tápbol bontott mag ami nem flyback lehet belőle flyback-et csinálni?
Több köze lehet annak a problémához, hogy mivel méred.
Próbáld ki a cimó féle oszcillátoros mérést szkóppal. saraha: Szerintem ott más gond is akadhat, ha a supresszor dióda nem lenne jó, akkor nem lenne kimeneti fesz. (Igazából egy szkóppal hipphopp fényt lehetne deríteni a problémára, így viszont többet kell majd tapogatózni.)
Szkópom nincs sajnos....remélem nem nagy gondja van.
A szórási induktivitás nem csak a térbeli elhelyezéstől függ, hanem a menetszámtól is. Talán, négyzetesen. Kétszer akkora menetszám, négyszer akkora szórást eredményez ugyanazon elrendezésnél. ( Azért erre nem esküszöm meg... )
Akármilyen vasmagból lehet fly-back-et csinálni és a légrésnek sincs túl sok köze a szóráshoz.
Sziasztok
ETD34 vasra kiszámoltam a primer menetszámot 64 menet Szerintetek nem túl sok Rá fog férni a cséve testre?
Nekem gyanus hogy ezt is jóltudod.Ugyanis ha csak az első 40 menet primert teszem rá és a szekunder 4 menetét akkor mérek 1mm-er légréssel kb 250uH mágnesezésit és kb 5-6 uH szórásit.Ha ráteszem a második primer negyven menetet a szekunder tetejére akkor Lm=kb 950uH,Lsz=kb 25-35uH.Attol függ mikor hogyan sikerül.
De akkor arra mi a magyarázat hogyha a szekundert 4 szál egymás mellé tekert drótbol csinálom ami a csévét ugyahogy befedi akkor 25-35uH a szórás,ha rézlemezböl amit egymás tetejére tekerek szigetelve és teljesen tökélletesen fedi a csévét akkor meg bőven 100uH fölött van a szórás. De most mond meg hogyí mi tévő legyek.Én mindig ilyen problémás ember maradok. Már azon agyalok hogy méretezek egy félhidas trafót és az UC-vel két fetet hajtok meg inpulzustrafókkal.Ragaszkodnék az UC-hez mert nagyábol ismerem,szeretem és egyszerűen megoldható a szekunder oldali szabájzás.
Kicseréltem unipolárisra a supressort,de a helyzet még mindig ugyanaz.Üresjáratban van szek.fesz.(+-31V=>62V) terhelve leesik 0-ra.Átnéztem az alkatrészeket és a kapcsolást is szerintem jó.Arra gondoltam,hogy a visszacsatoló ággal lehet valami vagy a tekercseléssel.
Az okozhat ilyen problémát,hogy mondjuk a szimmetrikus szekunder tekercseknek rossz végüket közösítettem? Úgy csináltam,hogy kettő sodratot összefogtam és egyszerre tekertem őket.A GND az első huzal vége és a második huzal kezdete.(ellentétes irányba tekerve a primerrel)
Valami olyasmi, hogy egészen más a mágneses tér alakja, elhelyezkedése, amikor egymás tetejére tekered a rézlemezt, mint amikor egymás mellett van drótból megtekerve. A primer- és szekunder mágneses körnek egyformának kellene lennie és egymással minél jobban kapcsolódni. Miért nem próbálod ki azt a szendvicset, amit a napokban írtam? Azt bonyolultabb megcsinálni, de már úgyis annyira benne vagy...
"... egy félhidas trafót és az UC-vel két fetet hajtok meg inpulzustrafókkal." Bölcs gondolat... bár, nem igazán szép, hogy nem csinálod végig azt, amit elkezdtél. Mindenesetre sok előnye van. Meg hátránya. Az sem fenékig tejfel... Akkor inkább aszimetrikus félhidat csinálj ( két dióda, két tranyó ), az még egyszerűbb, E42/15-ös ferritből még 300 W kijön különösebb erőszakoskodás nélkül, mondjuk 50 kHz-en.
Gondolom terhelve kivetted a primer körből az izzót.
Nyákterved nézegetve, nem világos a kapcsolás, egyik elko polaritása fordítva van. Szerintem kockázatosabb ilyen nyáktervet használni, primer bemenet a szekunder oldallal keveredik, mérések során könnyen balesetet okozhat. Én ezért is szeparáltam a primer és szek. kört, így világosan el van választva a primer oldal, szigetelni , árnyékolni is könnyebb a primer részt egy nyákdarabbal . A 2R2 helyén NTC van.
Persze kivettem az izzót.Gondolom,hogy az egyik kimeneti puffere gondolsz de az nincs fordítva csak el van forgatva.A lényegi változás csak az szerintem,hogy a visszacsatolás úgy lett megoldva,hogy az optó anódja megy a pufferelt +31V-ra a másik fele(VR4 anód-tól) meg a -31V-ra.A zenerek meg 22+22+16.Azt nem tudom,hogy annak a működés szempontjából van-e jelentősége,hogy a kimenet szimmetrikus.
Rajz
Nem csak méréseknél okozhat balesetet, használat közben is.
8mm szigetelési távolságot kéne tartani, nálad pl. ki kéne szedni azt a hv-s körvonalat, mert elcseszi az egészet. saraha: A szabályzásod jól működik, ha gond lenne vele, már füstölnének a kimeneti pufferek. A nyákkal lehet a gond, pl. a C láb bekötésével. Fogj egy vezetéket, és kösd be alul az optóra közvetlenül. Ill. C3-R4-et alulról forraszd rá. C13-ról is vigyél egy vezetéket közvetlenül a -30V kondira, átlósan! ui: Csinálok hozzá egy nyáktervet, mert nektek ez így nagy szívás lesz.
Így valóban nincs fordítva a kondi. Az én tervemen is akad hiba a primer körben. Már dobozolom, végleges változat, tesztelések során nem volt semmi gond.
Igazad van , tervezés során én is gondoltam erre, de akkor nem tűnt vészesnek, simán lehúzható az a fólia szakasz, meg is csinálom.
Helyzet változatlan.Még annyit megcsinálok,hogy a szekundereket áttekercselem nem ellentétes irányba és felcserélem a végeit aztán,ha így sem jó akkor szétszedem és megvárom amíg csinálsz egy nyáktervet szimm. tápláláshoz.
Itt van, az optó alatt oldalról befúrészelni, és kireszelni 2-3mm vastagra a rést.
Az értékeket nem írogattam rá, azt majd rád vár. A fehér cucc a trafó alatt az Y1-es kondi, aluról megy rá, a lábaira zsugorcsövet kell rakni.
Ezt ilyen hamar megrajzoltad
Köszönöm szépen nagyon rendes tőled.Örök hálám. ![]() Miért kell kifűrészelni az optó alatt?
Csak befejeztem.
Mielött maratod, a zöld keretet töröld ki. |
Bejelentkezés
Hirdetés |





Megvan minden alkatrészem már hozzá úgyhogy holnap nekiveselkedek.650-ért tudtam szerezni IC-t(6 db-ot).
,de osztom a nézetedet. 









