Fórum témák
» Több friss téma |
- Ez a felület kizárólag, az elektronikában kezdők kérdéseinek van fenntartva és nem elfelejtve, hogy hobbielektronika a fórumunk!
- Ami tehát azt jelenti, hogy a nagymama bevásárlását nem itt beszéljük meg, ill. ez nem üzenőfal! - Kerülendő az olyan kérdés, amit egy másik meglévő (több mint 17000 van), témában kellene kitárgyalni! - És végül büntetés terhe mellett kerülendő az MSN és egyéb szleng, a magyar helyesírás mellőzése, beleértve a mondateleji nagybetűket is!
Köszi a segitséget mindenkinek
Sziasztok!
A képen látható sziréna szerintetek működőkepés?Én terveztem.
Szia!
TTL-kapuk kimenetét nem szabad közvetlenül egyesíteni, csak kiegyenlítő ellenállásokon keresztül.
Milyen tippek, ötletek vannak a szebb nyák, forrasztással kapcsolatban? Lakk, kémiai ónozó...? Tippeket, tapasztalatokat várok !
Mire gondolsz, hogy lehet szépen megforrasztani a nyákba tett alkatrészt?
Ügyes kéz. Bár vannak segédeszközök. Majd kerítenem kell csipeszt, meg panel tartó izé bizét. Olyanokról olvastam, hogy használnak védő lakkot, meg kémiai ónozót. Ezek mire jók igazából? Hasznosak?
Na igen, csak amit nyertél a réven, azt a vámon meg elvesztetted (teljesítmény).
Ha furatszerelten készíted el a nyákot, tehát egy furatba helyezed az alkatrész lábat, akkor még csipesz sem kell. Nyáktartó herkentyű sem szükséges, mert szereléstechnikai fondorlatokkal megoldható, hogy ne essen ki az alkatrész a furatból. Például:
1, Azonos méretű (magasságú) alkatrészeket forrasztod be egyszerre. Először diódák, ellenállások, aztán kondik, tranyók ilyenek. 2, pl 100nF/63V-os kondi beforrasztása, (nekem mindíg kiesik a panelból) Ekkor azt szoktam, hogy csak az egyik lábát forrasztom be, megigazítom, közben melegítem, és miután jól áll a kondi, beforrasztom a másik lábat is. Szerk: szükséged lesz viszont egy karton lapra, amelyet ráhelyezel a beültetett alkatrészekre, és megtámasztod a beültetett alkatrészeket, és akkor fel tudod fordítani a forrasztáshoz a panelt. Ha a kartonlapon van egy vékony szivacsréteg még jobb. Majd rájössz a fortélyokra ha sok panelt készítesz... Kémiai ónozó, és a forrasztható lakk végül is hasznos dolog, mert megvédi a nyákot a korróziótól, nem lesz grünspanos a rézfelület. (A grünspan a réz zöldes színű oxidja) A forrasztást segítő dolog az lehet, ha forrasztás előtt bekened a panelt forrasztóvízzel (fenyőgyanta és alkohol keveréke) Az alkoholt nem meginni előre, mert nem tudsz forrasztóvizet csinálni A fenyőgyanta egy nagyon jó folyasztószer, az ónban is van, de egy kis plusz nem árt. Megforrasztod az alkatrészt, és még 1-2 másodpercig ott tartod a pákát. Ahogy nagybátyám mondta: A forrasztást jól át kell melegíteni.
Áha, értem. Ezeket nagy vonalakban eddig is tudtam. Akkor most szerezzek be lakkot vagy valamit. Nekem mindig instabil a panel az asztalon, pedig mindig növekvő sorrendben ültetek be. Ja, s furatszerelt alkatrészeket használok.
Ha gondolod, akkor vegyél lakkot, de szerintem nem kardinális kérdés, csak ha nagyon professzionális kinézetű nyákot akarsz készíteni. Én nem szoktam használni, bár az első erősítőmben flancoltam vele egy kicsit. Szerelésnél le is jött. Nem érdemes rákölteni. Inkább készíts forrasztóvizet, valamilyen szinten az is véd a korrózió ellen. A Szúnyogok sem korrodáltak el a borostyánban...
Hát ha a panel billeg, az előfordul, ilyenkor jön az, hogy alátámasztom egy radírral, dobozzal, vagy valami hasonló nagyságú tárggyal. Tehetsz a panel szélére nehezéket, pl kombinált fogót az egyik oldalra, csípőfogót a másikra, és az megtámasztja addig amíg forrasztasz.
Hihhi. Nagyobb lesz az ide oda pakolás, mint a forrasztásra szánt idő. Na nembaj. Köszi a sok ötletet. Az nem baj, ha a gyanta amit feloldok, az picit szutykos? Mekkora arányban kell?
Tudod a jó munkához idő kell. A rosszhoz még több...
Nagyon szívesen örülök, ha segíthettem. Szerintem nem baj, ha szutykos, bár valahol lehet kapni fenyőgyantát, viszont ha tiszta gyantát használsz, akkor szebb lesz a panel, meg nem kerül rá szennyeződés, ami ronthatja a forrasztás minőségét. Az arányt sajnos nem tudom, hát úgy legyen benne rendesen gyanta, de ne legyen sűrű, mert nem tudod felkenni, és ragadni fog az egész. Ha felkened, olyan vékony legyen a réteg, mint a lehellet.
Sziasztok!
LM301-es adatlapjával nem boldogulok. Honnan lehet kibogarászni, hogy mi a legnagyobb áramerősség amit az Output lábon ki lehet belőle venni? LM301 Köszi.
szia4
Nézd meg a Current Limiting diagramot: Bővebben: Link
A TTL kapuk párhuzamosításával kapcsolatban tudna valaki valamilyen leírást adni vagy linket adni?
Köszi. A táblázatokból próbáltam kiokoskodni, a diagramokig nem jutottam el.
Sziasztok!
Kaptam egy kapcsolási rajzot itt valakitől, de nem értek rajta valamit. Kérdések: - A jobb fölső sarokban van egy BD136, de rajzon nem látom, hogy és hova van az bekötve. Ennek 3 lába van, a rajzon meg az alkatrészt sem látom, nemhogy a három lábát. Hogy kell ezt bekötni? - Ez és 24 és 36 voltra szeretném kötni. Meg tudja mondani valaki, hogy fogja e bírni? Hogy csináljam ha nem? Köszi szépen! Kapcsolási rajz: http://kepfeltoltes.hu/view/110319/Indexvillog__www.kepfeltoltes.hu_.jpg
Szia!
Azért nincs a rajzon a BD, mert nincs rá szükség. Egyébként mi lenne ez? Valami villogórelé?
Sziasztok!
Találtam otthon egy működőképesnek látszó trafót.Feltehetőleg egy lemezjátszóban volt benne és a primer oldalon elég sok vezeték jön ki valószínű azért, mert lehetett váltani a feszkót. Azt hogyan tudom megnézni, hogy a 220V hálózati kábelt melyik vezetékre kötöm? Köszi!
Szia!
Tehát nem kell bekötni. Értem, akkor nem keresem a helyét. Az lenne pontosan, egy villogó "relé". 12Vra van méretezve a leírás szerint. Én úgy gondolom a 24Vot még el kellene viselnie, de a 36V talán sok lenne neki. Tudok valamit tenni vele, hogy bírja a 36V-ot? Vagy tesztelni kell és "kiderül"?
Van valakinek valami egyszerű sziréna kapcsolása. Olyan "zümmerem " van, ami játék mobiltelefonból volt kiszéve. Esetleg valakinek még olyan poloska, ami 1-2 alkatrészből áll, s nem olyan, amit multkor csináltam? Találtam egy másik mikrofont.
Vagy esetleg tudnék LM386-ból kihozni valamit. nagyon dolgoznék. Ötletet kérek.
Sziasztok!
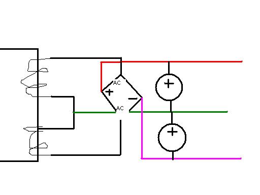
Először is bocs ha nem ide kellet6 volna írnom.De tudnátok abban segíteni hogy van egy torroid trafom ami 2x29v-ot ad.Ezt szeretném egyenirányítani.Meg van hozzá a többi kellék (Graetz,2 nagy kondi) de nem tudom,hogyan kell bekötni a Graetz-et.Csináltam egy paintes rajzot ha azon valaki össze kötné nekem azt nagyon megköszönném.
Sziasztok!
Találtam egy kapcsolást, amivel sima tápból lehet szimmetrikust csinálni.Bővebben: Link. Ezzel szeretném hajtani az erölködőm, mert a mostani szimmetrikus tápom kevés neki. Megépítettem, működik is, azt szeretném kérdezni hogy mi a hátránya az igazi kettős táphoz képest?
Én egy ilyet javasolnék. (összekötés csak a "bogyónál" van, máshol csak keresztezik egymást a vezetékek)
Szerintem valami ilyesmit kéne, a két fehér vgay piros vezetéket közösítsd, az lesz a GND-d
Köszönöm srácok a gyors választ!!!
|
Bejelentkezés
Hirdetés |






A fenyőgyanta egy nagyon jó folyasztószer, az ónban is van, de egy kis plusz nem árt. Megforrasztod az alkatrészt, és még 1-2 másodpercig ott tartod a pákát. Ahogy nagybátyám mondta: A forrasztást jól át kell melegíteni.








