Fórum témák
» Több friss téma |
- Ez a felület kizárólag, az elektronikában kezdők kérdéseinek van fenntartva és nem elfelejtve, hogy hobbielektronika a fórumunk!
- Ami tehát azt jelenti, hogy a nagymama bevásárlását nem itt beszéljük meg, ill. ez nem üzenőfal! - Kerülendő az olyan kérdés, amit egy másik meglévő (több mint 17000 van), témában kellene kitárgyalni! - És végül büntetés terhe mellett kerülendő az MSN és egyéb szleng, a magyar helyesírás mellőzése, beleértve a mondateleji nagybetűket is!
A modern autók alternátora háromfázisú külső gerjesztésű 6 (vagy több) pólusú szinkron generátor. A benne levő "elektronika" egy háromfázisú kétutas diódahíd, ami a generátor által termelt áramot egyenirányítja. Általában 3 csatlakozása van, a ház a test, a negatív, az egyenirányított feszültség a +, és a gerjesztés, ami a szabályzóból jön, és a forgórész csúszógyűrűjére megy.
Heló!
R4 kihagytad a nyáktervből , a többi az jónak tűnik.
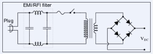
Sziasztok!
Ebben a tápban van értelem a trafó előtt az EMI szűrőnek, vagy teljesen felesleges?
igen azt tudom de így sem biztos hogy elég lesz a fesz a fetnek.
Hat elég tanulságos amit írtál csak meg egy kicsit nem tudom melyik formában érteném meg jobban egy kicsit a ház ,test,negatív értékeket !
Nincs a kimenetére fogyasztó kapcsolva, teljesen felesleges.
De így az egész kapcsolás felesleges...
Hát... nem üresen járatnám a tápot, ez csak egy "illusztráció" volt. Egy 60W-os 2.1-es rendszert látna el árammal.
Analóg lámpához, egyszerű akkutöltőhöz nem kell.
Hangfrekvenciás készülékhez, nagyfrekvenciás készülékhez illik. A diódákat illik 100 nF kerámiával söntölni.
Hello!
Az alapvetően nem az ellenállástól függ. A Fet-el meghajtott Drain áramhoz tartozó küszöbfeszültséget kell megnézni elégséges-e. Ha 12V tápfeszültséget használsz, akkor az 555 kimentén maximálisan kb. 10V feszültség lesz mérhető. Ez szinte bármely Fet számára megfelelő. Ha kisebb a tápfeszültség, akkor viszont "logikai bemeneti szintű" (Logic-Level Gate Drive) Fet-et érdemes alkalmazni (természetesen a maximális terhelést figyelembevétele mellett), pld. IRLR024N IRL540N... A soros ellenállás nem szükségtelen Fet esetében sem, mert a Fet bemenő kapacitását, az IC a maximális áramával fogja tölteni. Ezt illik korlátozni egy 47..100ohm-os ellenállással. A működési frekvencia itt elég alacsony, hogy a kapcsolási sebesség csökkenése, ne okozzon gondot. Így akár a 470ohm is maradhat a helyén. üdv! proli007
Én nem látok FET-et a rajzon. A BD139 egy 1,5A mezei tranzisztor.
A LED-eket, hogyan gondoltad?
Engem valami érdekes elektromágnes kapcsolás érdekelne. Lényege például az, hogy a mágnesességet állítani tudjam, stb.
A nyákrajz Fethez van tervezve. Igen 12v ról táplálom. akkor teszek elé ellenállást. Még egy kérdés: CMOS 555 elbír 12v-ot?
Levitron?Vagy egy potméter és egy elektromágnes
Mi az a levitron? Kapcsolási rajza valakinek?..
Bővebben: Link.Amúgy meg google harmadik találat...
Sziasztok!
A kapcsolási rajzokban a "dz" az Zener diódát jelent?
Sziasztok! Erről a tápegységről érdeklődnék, kinek mi a véleménye???
http://elektronika.vatera.hu/ipari_gep_berendezes/villamossagi_bere...3.html
Szerintetek ez a nyak jo a kapcsolasrol? Mellekelem oket.
Mi az, hogy a nyákrajz fet-hez lett tervezve? Talán TO220 tokozáshoz. :bummafejbe:
Bővebben: Link Megnéztem !helyetted! az adatlapot. 2-15V
Ezt már egyszer kérdezted, totális káosz az egész, se eleje se vége, se kimenet se bemenet.
Ez nem az a rajz csk probakoztam megint meg ez lenne elso komolyabb muvem mar ha lehet annak mondani de szamomra az meg eleg fiatal vagyok es tapasztalatmentes... de azer kosz megprobalkozok majd megint hatha akor jo lesz mar.
Szia!
Vedd szemügyre ezt a nyáktervet és ennek fényében készítsd el a tiédet.
Igen
.köszi
Szia!
Túl nagy, túl drága és nincsenek rajta feszültség és árammérő műszerek.
Feszültség és áram mérő is van rajta. Szerintem ezért az árért egy ilyen bivaly táp megéri, vagy nem???
Látom már a kijelzőket. Én viszont nem venném meg, mert nekem felesleges lenne egy ilyen böhöm jószág. De ha neked szükséged van ekkora teljesítményre, akkor vedd meg.
Ennyi pénzért már három csatornás digitális labortápot kapsz.
Vagy nap mint nap kell az 50V/50A? Szerintem 50V-hoz sok az 50A és fordítva.
Üdv!
Nem, sajnos 8V feszültséggel nem tudsz rendesen feltölteni 6db sorbakötött Ni-MH cellát! Ugyanis az Ni-MH cellák 1,2V -osak, ha félig LEMERÜLTEK. minimum 1,38V -ig kellene tölteni őket cellánként. |
Bejelentkezés
Hirdetés |







2-15V
.köszi 




