Fórum témák
» Több friss téma |
Fórum » Skoda Octavia elektromos probléma
köszönöm a választ....átvizsgáljuk azokat a részeket is amit kihagytam, remélem valahol meglesz a hiba oka is!
![]() Dugózáson a fékrásegítő vákuumcsövének a motorba vezető oldal dugózását értettem!
köszi a választ! megnyugtató, amit írtál mert ez a legegyszerűbb megoldás. a benzinszivattyú kissé problémásabb lett volna, szerintem (de mint írtam, nem vagyok műszakilag képzett - finoman szólva).
a trafó miatt azért keseredtem el először, mert rákerestem a neten és kidobott egy bosch cuccot 65 e ft-ért. akkor megremegtem, aztán itt a fórumban olvastam, hogy lehet ezt olcsóbban is kapni. veszek is egyet, mert mint írtad egy octaviában "egy plusz trafónak mindig ott kell lenni" (meg egy 10es kulcsnak )még 1x köszi!
Remélem,nálad is a trafó lesz a gond-2 féle trafó van a Boch igen valamenyire drágább de felesleges bele Boch-t venni,a másik is tökéletes és ez csak 9500Ft.
Szia!
Köszi a tippet, ezt is meg fogom nézni!
Sziasztok!
Egy kis segítség kéne. Egy 1.9 TDI octaviám van. A jelenség az, hogy minimális fékezésnél is szaggat a pedál, a kontroll lámpa nem jelez hibát. A hiba kiküszöbölése mennyire fájna? Előre is köszönöm a segítséget
Szia! Így első hallásra nekem az ABS tűnik problémásnak. A jeladókat kellene megnézni a féktárcsáknál, nem-e érintkezési hiba okozza a fordulatérzékelési hiányosságot.
Szia! Háááát, lehetséges, hogy a trafó tranzisztoros gyújtásmodulja okozza a rejtett hibát, ha a képen látható módon össze tud koszolódni, vagy a kelleténél nedvesebb lesz a trafó környéke. A trafó két részből tevődik össze. Ha már elhatároztad, hogy beszerzel egyet tartalékba, a másikat (a hibásat) szét lehetne bontani vizsgálódás szempontjából, hogy hol is kap nedvességet a vezérlő. A gyári trafó nyilván olcsóbb, de ezt a hibát nem valószínű, hogy a nevesebb gyártók darabjai is produkálnák. Ezzel nem azt akarom mondani, hogy olyat kell venni, hanem a jelenleginek a hiányosságait kellene feltárni, ha lehet. Talán nincs is kiöntve az elektronika, csak le van szegecselve az alaplapra a tokkal együtt. Az ára az így is sok, mert ez akkor már a második lesz. A lényeg a képen látszik, a többit egy kupacba szedtem linkelve.
Sziasztok!
Régen írtam már nektek, most megint kérdezek... ![]() A kocsim 2000-es évjáratú, 1.6 benzin, AEE. A szokásos Octavia betegségek nálam is előjöttek, de többetek segítségével megoldódott: - ablaktörlő belassulás, megállás (mechanika ki-és szétszedés, megkenés ezerrel) - központizár menet közben "ugrál" (zár mikrokapcsoló csere, sufni-tuning kolléga szerintem belőlem gazdagodott meg, ha jól emlékszem 70 Ft volt... , azóta is jó)- műszerfal mutatók hirtelen nem mutattak semmit (ellenállás újraforrasztása, 2 perces munka) - középső konzol kapcsolóknál nincs háttérvilágítás (kicsit macerás volt kiszedni az izzót, de ha rájön az ember, pár perc) Ami viszont még megmaradt hibának: - menet közben leáll a motor, gázpedálra nem reagál. Visszakapcsolás, gázpedál rugdosása, majd 20-30 méter után visszajön, és sokáig semmi probléma. Eddig 5-6 alkalommal csinálta, de csak jó időben, amikor eső sem volt. - 10-ből 5x indítózás első fordulatánál megáll a motor 1 másodpercre, majd pörög tovább és szépen beindul. Gyanakodtam én is önindítóra, akkura, de nem ez a bibi. Még a két főkábelt akarom kicserélni (ami az akksira megy), hátha... - nagyon ritkán előfordul, hogy nem indul be elsőre a kocsi, ilyenkor amikor újra próbálom, akkor megfigyeltem, nem megy az elektromos AC pumpa. Néhányszor rárakom a gyújtást, és pöcc indul. Lehet, hogy köze van a motor ritkán történő megállásához? Illetve egy Off: tudnátok adni egy linket service manual-hoz? Csak rajzok is jó lennének, most ez első futóműről... Előre is köszönöm.
Szia!
Először is azt szeretném megkérdezni, hogy oldottad meg az ajtózárban lévő mikrokapcsolót, mert sajna ugyanez a gondom, valamint a középső konzol világítását ha elmondanád nagyon megköszönném. (octavia AEE 1.6 benzin.) A motor nekem egy időben hasonlóakat produkált mint a tiéd. Folytószelep tisztítása, valamint a gyertyapipákon lévő fémlemez ledobálása megoldotta a problémát. Kb. két hónapi variálásba telt mire rájöttem mi a gond. (A gyertya fémborítása áthúzott.) Remélem tudtam segíteni. Első futóműhöz keresem a rajzot és felrakom.
Szia,
A mikrokapcsoló az egyszerűbb. Akár sufni-tuningtól, akár máshonnan veszel egy ugyanolyan kapcsolót. A zárat kiszereled, a régi kapcsoló szegecseit, lefúrod, a vezetéket elvágod és összekötöd az új kapcsolóval. Nem bonyolult, egyedül a kapcsoló helyével vigyázz. Ügyesen tedd ugyanoda, ahol volt, vagy veszel a neten olyan szettet, amiben benne van egy kis lemezke, amivel tudod rögzíteni, és oda teszi ahová kell. A középső konzol megoldásán kicsit gondolkozom még, megkeresem a neten a pontos leírását. De ki kell szedni a 3-as burkolatot. Arra emlékszem, hogy ki kell húzni a középső gombot, finoman de határozottan. Ott van mögötte a rizsszem izzó.
A menet közbeni motorleállás szó szerint értendő leállás, vagy pedig olyan érzés mint amikor kihagy a henger és hiába nyomod a gázt elerőtlenedik gázadásra nem reagál? Mivel ebben a motorkódos autóban nem elektromos hanem bowdenes a gázpedál teljesen felesleges rugdosni. Valószínű, hogy gyújtásproblémád van és legfőképpen gyújtógyertya hiba. Üzem meleg állapotban és a hidegindítási üzemben sem tudja eldolgozni a befecskendezett üzemanyag mennyiséget. Ezért indítózáskor olyan jelenséget produkál az el nem égetett üzemanyag miatt, mint ha túl nagy előgyújtása lenne (szakértői szemmel) szorulna a motor (laikus szemmel). Azonban a hiba okaként nem zárható még ki a gyújtáselosztó sem aminek a tengelyének lógása vagy a beszivárgó olaj okozta "zárlat" miatt elégtelen a gyújtás biztosítása. Az elektromos AC ebben az autóban nem minden esetben indításkor tölti fel a rendszert, lehet, hogy már az ajtó kinyitásakor megteszi azt. Tehát nem mindig kell gyújtásráadásra búgó hangot hallanod ha már feltöltött állapotban van a rendszer. Azért előre bocsájtom az AC is tud meglepetést okozni mert amikor csak többszöri gyújtásráadásra tudja feltölteni a rendszert akkor valószínű nyomásproblémával küzd. Ilyenkor kellene beméretni. Lehet ennek az oka még az eltömődött benzinszűrő is. Az első futómű legkényesebb része az alsó lengőkar hátsó fekvőszilentje aminek a gumiágya ha ki van lágyulva vagy szakadva leüt a bölcsőre igen erős kopogó hang kíséretében. A stabilizátorkar "kutyacsont" szintén kopogó hang kíséretében adja tudomásodra, hogy elfáradt, de akkor előfordul a törése is. A stabilizátor rúd viszont a bölcsőn levő két felfogatási pontján levő gumiszilentjei száraz időben vagy nagyon zavaróan nyöszörögnek vagy ha ki vannak kopva szintén erősen kopognak.
Szia!
Ennyit sikerült a futóművel kapcsolatban hirtelen találnom, remélem tudtam segíteni valamicskét. A középső konzol lebontását ha megtalálod megköszönöm. Nekem egyébként sokat segített "samara és sufni-tuning" hozzászólásainak olvasgatása. (Köszönet neki érte!)
Igen, tudom, hogy a gázpedál rugdosás nem ér semmit, csak mondjuk az M0-n a belső sávban, 90-nél hírtelen mást nem tudok...
![]() Azt az egyet nem figyeltem meg, hogy a fordulatszámmérő csak az alapjáratra esik vissza vagy teljesen. Az AC gyújtásnál tölti fel a rendszert ennél a típusnál. A hátsó szilent teljesen eltűnt, gyorsan cserélnem kell.
Nagyon köszi.
Így látom, mit akarok cserélni, illetve könyebb megvennem is.
http://torzsasztal.hu/Article/jumpTree?a=74888272&t=9029418
Most nem találtam a neten a részletesebbet, de ez is megoldás. Gyakorlatilag egy csipesz kell csak...
köszönöm szépen. rajta vagyok az ügyön, pénteken megyek egy skoda bontóba pesten.
Octaviam (98"slx) -on semmilyen visszajelző nem működik mi lehet a baja?
A kocsi beindul de semmilyen visszajelző nem működik vagy csak pár pillanatra tehát sem fordulat, üzemanyag sebesség stb. Az autóelektronikai szerelőnek is feladta a leckét. Skoda szervizbe egyelőre anyagi megfontolásból nem merem vinni érintkezési problémára gyanakszok ***
Valami testelési problémára gyanakodnék. Vizsgáld meg a barna vezetékeket.Kiemelés nélkül is olvassuk nincs rá szükség.
hali, a barna vezetéket valami műszerfal alatti helyen gondoltad?
Én is kivettem a 15.-ös biztosítékot és hát lényeg hogy működnek a kijelzők bár a CPU resetel, de egy hetet kibírok mert a szerelő konzultál valami haverjával és jövő hétre ha minden igaz meg tudja forrasztani
Sziasztok! Van egy 2006-os Octavia II-m. A következő problémára keresek megoldást:
A baloldali belső ajtóvilágítás lámpa nem világít (az utasoldali bezzeg igen), pedig az izzó benne jó. Gondolom nem kap feszkót, és lehet hogy azért sem, mert nem érzékeli az ajtó nyitását. Vajon hol lehet ez a kis érzékelő? Normál körülmények között előfordulhat, hogy a vezeték megtörik valahol? Volt már valakinek hasonló problémája. Köszike
Sziasztok! Márciusban írtam: octavia II 1.4B hidegen rángatva indul, erő 0, hengerfej csere volt stb. Megfogadtam a tanácsot, elvittem másik szervízbe. Válasz: az autó így kell, hogy működjön, környezetvédelmi oka van. Azóta kitapasztaltam, hogy időjárásfüggő a dolog, a mostani hidegfront alatt tökéletes. (egész télen jó volt, meleg időben rossz.)
Biztos, hogy elektromos hiba, mert leállítom, vagy magától leáll, közvetlenül utána indítva mint a DOXA. Ezután egész nap jó. Nem akarok egy újabb motor-szétszerelést. Adjatok tanácsot, hogy miket kezdjek el cserélni, a szervíz mindent végigmért hibajel nincs. Lehet ez vezérműtengely jeladó? Köszönöm:Imre
Sziasztok! Még annyit tennék hozzá, hogy az üzemanyag a kipufogórendszerben robban el. (A szerviz szerint ez környezetvédelmi szempont).A katalizátor meddig bírja ezt?
Köszi előre is, ha valakinek vannak ötletei.
Nem sokáig. Keress másik szervizt. :yes:Még nem találtad meg az igazit.
Szia. Én a leírásod alapján testelési hibára gondolok. Mérni kellene, elő a próbalámpával! Ha a testkábel szakadt meg, mindkét hibát indokolhatja...
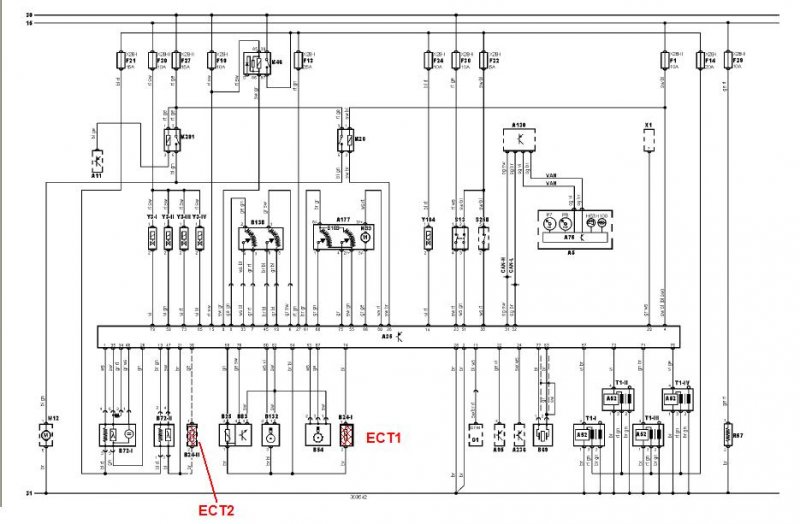
Szia! Nem találok konkrét adatokat a termosztátra az évjáratodhoz, de nekem úgy rémlik, hogy az 1.4-s motorokhoz kettős jeladókat szerelnek és ez a motorkód van megadva a felsorolásban is (de ez nem biztos). Szerintem mégis a hőfokjeladó ad téves értékeket a vezérlőnek és ezért vannak a bajok. A megfigyelésed is ezt engedi alátámasztani, hogy időjárásfüggő, holott nem volna szabad annak lennie. Ha megtennél annyit, hogy megnézed a hőfokjeladót, hány vezeték megy rá és megírod. Az értékeket mellékelem.
|
Bejelentkezés
Hirdetés |














