Fórum témák
» Több friss téma |
Halihó!
Csináltam egy szabályzót a leírás szerint és nagyon jó működik. De lenne 2 kérdésem. 1. szeretnék biztosítékot is bele tenni, de nem tudom mekkorát kell az 1 illetve 2 ventit működtető áramkörbe, autó biztosítékra gondoltam, de csak 5 A-eset találtam. 2. a másik hogy vízhűtésnél kellene szabályozni a szivattyút, de úgy, hogy ha letekerem minimumra, akkor is menjen olyan 300-500-at. Ehhez milyen alkatrészek kellenek? Ja, egy Laing DDC-1 T 12 V 10 W szivattyú lenne, amit BIOS-ban tudok szabályozni, de jobban szeretném egy külön szabályzóval. Válaszokat előre is köszönöm, üdv mindenkinek: Indaboy
Sziasztok!
(Ha már volt, elnézést!) Bontottam egy Chieftec tápból egy jópofa kis ventiszabályozót (lásd képek). Annyit sikerült eddig kiderítenem, hogy LM393 van rajta. A kilógó drót végén egy TTC 502-es termisztor van, az volt felcsavarozva a táp hűtőbordájára - gondolom ez alapján vezérelte a ford.számot. 1. kérdés: valaki találkozott már ilyennel, esetleg van vALAmi ÖTlete, hogyan lehetett bekötve az 5 lába? Az is segítség lenne már, ha egy hasonló áramkör kapcsolási rajza meglenne valakinek. 2. kérdés: ha kitalálom az LM393 adatlapja alapján, melyik a +12V és test, ezeket bekötve elszállhat a kis áramkör? Köszönöm!
Sziasztok!
Van egy Dell Optiplex 270-es gépem, amelyben a tápventillátor rendelkezik egy hőmérő szenzorral. A ventilátor 3 kábellel (piros, fekete, fehér) csatlakozik az alaplapra. A ventilátor túl érzékenyen reagál a processzor teljesítményére, ezért állandóan felpörgött. Ezért kiiktattam a hőmérő szenzort. Most már csak az a baj, hogy még így is túl magas a fordulatszám. Hogyan lehetne tovább csökkenteni a fordulatszámot? A piros és fehér vezetéket is megszakítottam már, és egy ellenállást kötöttem sorba. Ez segít, de akkor a bekapcsoláskor ventillátor problémát jelez a gép, amit állandóan OK-zni kell. Arra gondoltam, hogy talán ki lehetne iktatni valamilyen átkötéssel a hibajelzést. Erre van valakinek valamilyen ötlete? Mert ha igen, akkor már bármilyen ventillátort beépíthetek, amit egyszerűen szabályozhatok. Ehhez csak egy 2200µF-os kondenzátort és 56Ω-os, vagy 68Ω-os ellenállást kell párhuzamosan kötni egymással, és ezt így egyben pedig sorba kell kötni a ventillátorral. A kondenzátor polaritása lényeges! A kondenzátor a biztonságos ventillátor indításhoz kell, utána az ellenállás állítja be az alacsony fordulatot, és nagyon csendes lesz a gép. A tápból kijövő léghőmérsékletet kézzel lehet ellenőrizni. 68Ω-nál csendesebb lesz, de melegebb is, az 56Ω-nál pedig hangosabb, de biztonságosabb, mert kevésbé melegszik.
Felteszek egy saját tervezésű, de nagyon egyszerűen kivitelezhető kapcsolást, ami a korábban leírt módon működik. A kondenzátor csak a biztonságos indításhoz kell, az ellenállás pedig tetszés szerint cserélhető. Általában 56-68 közötti érték az ideális. Én ezt már többször használtam, és mindig jól működött.
Szemmel, vagy műszerrel kövesd le a kivezetésekhez az IC 8.lábát (+12V) és a 4.lábát (GND) Maradék a ventilátor kivezetés. Viszont ez nem szabályoz fordulatot, csak ki/be kapcsolja a ventilátort emlékeim szerint.
Sziasztok.
most szereztem egy PWM ventilátor-borda egyseget, aminek 4 drótja van. Piros fekete kek zold. Gondolom a piros fekete a táp a masik kettő a vezerles. Én egy peltier elemet fogok huteni vele, de nem szamitogepben, hanem egy borhutoben. ez lesz a meleg oldal. Az eddigi ventik sajnos jo hangosak voltak, mikor direktbe kotottem a 12V-ra, de mivel a peltier ennyirol megy es ez se megy tole tonkre, ezt is 12V hajtana meg.(masreszt nem vagyok elektromuszeresz, igy nem vagyok nagyon virgonc a kapcsolasokkal) az lenne a kerdesem toletek, hogy ha mar ilyen okos kis ventim van ennyi zsinorral, akkor van e valami pofonegyszerű megoldas, hogy lassabban pörögjön és halkabb legyen? lehet erre valamit kapcsolni? probalgattam, es kb 6 volton lenne eleg halk, de nem szeretnek ennek is kulon tapot szerezni. tenyleg egyszerű megoldast keresek, mondjuk egy potit vagy ilyesmit, vagy valami par alkatreszes kapcsolast, amit nem tudok elszurni. sajnos csak savos probanyakom van otthon ebbol gazdalkodhatok köszi a segitseget. ja meg annyit, hogy nem szeretnem hofok szerint vezerelni vagy ilyenek, hanem csak az a cel hogy halkabb legyen, ne zugjon annyira. köszi szepen elore is. tamas
+táp és a ventilátor közé köss be 4db 1N4148 -as diódát sorba.
oh köszi szepen, hat kb telleg ennyi a kapacitasom
Es minel tobbet teszek be annal lassabban forog akkor? mert akkor eleg jol be is lehet allitani, ha probalgatom.
diódánként - 0.7V -al számolhatsz
kiprobaltam a hangjat....haat ez se sokkal halkabb a tobbinel... ugy neztem, hogy kb 6V-nal kezd elviselhető lenni. 9 db-ot csak nem kothetek bele, nem? nem sok az kicsit?
Akkor használj zenert, vagy potit.
A #907272 hozzászólásomban mellékelt kapcsolási rajz is pont erre való, csak az fix ellenállással készült. Teszteltem több esetben is. De akár potit, akár diódákat, akár Zener-t választasz, mindenképpen köss vele párhuzamosan egy elektrolit kondenzátort (polaritás helyesen), hogy a ventillátor indulásakor 12V-ot kapjon, különben előfordulhat, hogy időnként nem indul el, ha túlságosan halkra állítod. Ha van kondenzátor, akkor nyugodtan halkíthatod, biztosan el fog indulni.
Köszönöm a tippeket, vegulis raszantam magam egy lm317 elkeszitesere mert ez a diodas megoldas valahogy nem állt össze. az itt a HE-n leirt es bemutatott kapcsolast csinalom meg de par problemam van: én nyakba forrasztott trimmer potit szeretnék, és annak a lába nem egyvonalban van mint itt a ket kabel, hanem 2 sorban. Hogy be tudjam szepen forrasztani, megfordulnak a poti labai, az nem gond? az mindegy melyik laba melyik poluson van? marmint a kozepso es a szelso felcserelese gond lehet?
a masik, hogy en a 6Vra nem direktbe kötöm a ventit, hanem egy termosztat fogja ki-be kapcsolni. az a kerdesem ezzel, hogy 1. lehet-e a 0-ára a termosztatot kötni hogy azt szakitsa meg? 2. a 6V mellett szeretnék ugyanazzal a termosztattal 12Vos peltier elemet is kapcsolni. Ha ennek a 0áját siman rakotom a termosztatra abbol nincs baj (marmint hogy a 12V-tal igy ösze lesz kötve? 3. ha a 12Vot ill a 6V.ot szeretnem megszakitani a 0 helyett, az nem baj a termosztatnek? marmint h 2 fele feszultseget kapcsol? (birja a 12Vot persze) köszönöm a segitsegetek ja, mivel total dilettans vagyok a mellekelt rajzzal igyekszem tervezgetni, hogy mit hova kell kotni. a lm317 szinei ugyanazok mint a leirasban, a nagy sarga bigyók meg olyan nyakra forrasztott csatlakozok. a jobb felso a termosztat tapja, a bal felso a termosztat kapcsoloja a bal es kozepso also a ket ventilator es a jobb also a peltier elem. igyekeztem feherrel megszakitani a savokat pirossal a pozitiv fekete a negativ szin. szerintetek összejöhet? köszi tamas
Sziasztok,
menet közben rajottem am, -tudom ez alap nalatok- hogy a rajz total rossz, de kitalaltam egy ujat, amit meg is csinaltam. Elsore sikerult, el se hittem Minden szepen mukodik allithato a venti, hut a peltier egyseg, majd lefagy a kezem, annyira, a termosztat kapcsol, uh minden a legnagyobb rendben. De sajnos nem ennyire szep az eletem Ha csak a 2 venti megy, minden rendben. Ha rakotom a peltiert is, kicsit leesik a fordulatszam, de a feszultseg marad. 3 perc utan a tap 12V helyett csak 4ed ad le hirtelen. Ennek mi lehet az oka? Ez egy 12V 4A tap valami szamitogep vagy nyomtató vagy hasonloe lehetett. A termosztat egy 12V KEMA univerzalis Thermometer switch, A Peltier-em nem tudom mi, allitolag 136Wos, de ezt nem tudom pontosan nincs rairva semmi. ezen kivul csak egy 3W os es egy kb 1W-os ventillatorom van bekotve. Ennyi az egesz hutom, semmi tobb. Biztos tudjatok mi tortenik ilyenkor, lehet ez ellen tenni? vagy valamelyik alkatresz nem eleg eros? Eszembe jutott, hatha a tap gyenge es valami biztonsagi cucc lekapcsol benne. Vagy lehet hogy csak egyszeruen rossz? Köszi a segitseget! közben a megoldas a kepen lathato lett, rajottem, hogy jobb a LM317 elott meg rakotni a termosztatot, es akkor eleg a 12V-ot rakotni, nem kell ketfelet.
Nnem tudjátok, ha a pc ventillátort megpörgetem indukálódik valami delej a végén, vagy ehhez módosítani kell?
Szétszedve azt látom, egy 276116F nevű 4 lábú valami szétoszt valamit, és mintha a tekercsek nem sorba lennének kötve hanem erre a 4 lábra valahogy, és mintha minden csévestesten 2-2 tekercs lenne egymáson. Azt hinném, hogy ha sorbakötöm a 4 csévetesten a 4 tekercset akkor már miniatűr generátorként is működik. Jól hiszem? Köszi
Sziasztok
Rátaláltam erre a fórumra és a segítségeteket kérném. Tulajdonképpen semmilyen hozzáértésem sincs az elektronikához.Viszont szeretnék készíteni egy ventilátor szabályzót ami 4 ventit kezel külön-külön potméterrel, a legnagyobb intervallumba.Az egy potméteres rajzát megtaláltam de hogyan kell 4-est csinálni? Skiccelne valaki nekem egy rajzot erről,és milyen alkatrészek kellenek bele? Köszönöm
Szia!
PC-be akarod használni? Nekem van otthon rajzom, 78xx stabilizátor IC-vel. 24 órázom, csak holnap reggel megyek haza. Ha addig valahol ráakadok a neten akkor felrakom ide. Én is megcsináltam, de rájöttem hogy semmi szükség rá úgyhogy ki is dobtam a gépből. Vettem 12cm-es folyadék csapágyas ventiket. Teljes fordulaton is nagyon csendes, kicsi a fogyasztása akkor mi a fenének szabályozni. Közben találtam egyet. "Az egy potméteres rajzát megtaláltam de hogyan kell 4-est csinálni?" Egy panelre megcsinálod ugyanazt 4x.
Köszönöm hogy segítesz.
Az ok hogy négyszer megcsinálom ugyan azt de mindet külön meg kell táplálni vagy elég egy bemenet és a nyákon kell össze kötni? Tulajdonképpen semmilyen hozzáértésem sincs az elektronikához. Ezért is kellene az a skicc.
Sziasztok,szeretnem megépíteni ezt a kapcsolást Bővebben: Linkde nem értek pár dolgot.Megköszönném ha elmagyarázná valaki!1:miért kell a c1 kerámia kondi mi a szerepe?
2:miért kell az 1KΩ-s ellenállás mi a szerepe? 3:a 10KΩ-s potméter hogy működik nem értem a testre van kötve az egyik láb,elvileg nem + kell rá ?és akkor a kimenő feszültséget tudom csökkenteni vagy fordítva ami az ic bázisra van kötve? ![]() Előre köszönöm a válaszokat.üdv.
Uraim!
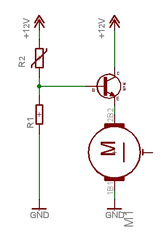
Egy egyszerű, ám elegéns megoldás 3db alkatrészből. 2,7k NTC; 3,3k ellenállás;NPN tr - és láss csodát. A venti annyira pörög, amennyire melege van. Gondolkodjatok el rajta!
Hogyha dobsz róla egy képet akkor kipróbálnám én is
Én inkább egy kis gondolkodásra ösztönözném a társaságot, mint készen tálalni. Ha senki se akar egy kicsit se gondolkodni, akkor segítek.
Ez az alapfelállás, amit lehet tuningolgatni.
R2 - 2,7k NTC R1 - 3,3k Így 20fokon ( ami feltételezhetően minden lakásban meg van ) kb 5,6V-ot ad ki magából. Itt már elindulnak a ventik, és szép lassan forognak. Ahogy melegszik úgy csökken R2, és nő a kimenő fesz. No, hogy tetszik? Ki mit hoz ki belőle? Hajrá...
Gondolkodjatok egy kicsit! Filléres játék, és csodát tesz. Lehet változtatni, bővíteni, hogy jobb legyen. Ez csak egy alapötlet.
Üdv engem érdekelne csak először meg kellene értenem azt a kapcsolást amiről nemrég kérdeztem és akkor tovább is mennek.Ha tudnál válaszolni megköszönném.
Sziasztok!
Nos, én is építettem egy ilyen szerkezetet, annyi különbséggel, hogy egy NTC van a poti helyén! Nekem tetszik a művem, viszont nem vagyok vele megelégedve... Fordítva működik "Szoba" hőmérsékleten kb max fordulaton pörög, amikor elkezdem melegíteni, lassul lényegében ezért fordulnék hozzátok, ezeket tettem bele: LM 317 T 1µF / 35V 640-2,2 K 1R 5% 1 µF / 50V Illetve, még annyi, hogy pár másodperc után megfoghatatlanul meleg lesz az IC annak ellenére, hogy csupán egy darab 8cm-es ventilátor van rajta! Válaszotokat előre is köszönöm! Üdv: Kopi
Hali! Az 1 ohmnak nem 1k ohmnak kéne lennie?
Igen az 1K-s ellenállásra gondoltam, kondenzátornak jó az 1uf is. Valami kis hűtőzászlót azért tegyél az LM-re nehogy
legyen. |
Bejelentkezés
Hirdetés |














legyen. 




