Fórum témák
» Több friss téma |
hi
egy kérdésem lenne: potival szeretném vezérelni a számgép 6db ventijét. 2,5-3w teljesitmény/db, ugye 12 volt. a gáz azzal van, hogy elméletileg ehhez nem elég a sima 12-6 v poti, hanem teljesítménypoti kell, ami nagy drága és egyébként is ![]() van rá mgoldás pl: fokozatkapcsal 6állás mindegyiken kulombozo ellenálás. ez már jobb de nem az igazi. potival kéne megcsinálni. 12v roll max 6-7 re kell visszavinni a feszt. orok hálám aki segít
Uff, ma elég sokszor emlegetem, PWM. Keress rá google-n. Rengetek kapcsolás van rá. főleg 555-tel. Ugyan nem tudom még körübelül se mennyi egy teljesítmény poti, de ez a kapcsolás olyan 500 és 1000 forint körül van szerintem, ha semmid nincs otthon hozzá... De ehhez minden kép kell legalább egy próbapanel. Keresek már egy PWM-et nektek...
A google-be azt írd hogy fanbus vagy baybus... ez az amit keresel...
Ha a PC alatt SEMÉLYI SZÁMÍTÓGÉP-et értesz,
akkor a PWM es megoldás SZtem némázígází .Egyszerü és olcsó megoldást adhat egy áteresztő tarnzisztoros fesz szbályzó, amit egy potival szabályozhatsz. Vagy egy 7806-os feszstab ic, aminek a földpontját a potival eltolhatjuk. Persze a kimenet és az IC földpontjára kell egy ellenállás, hogy a stab.IC tudjon mihez viszonyitani. Persze a poti kiváltható egy megfelelő értékű PTC Idézet: ellenállással-is...„Pozitív Termikus Kontroller” Remélem segitettem. Üdv: _jani_ Ja! Ezekhez kisteljesitményű potik is jók .
Üdv!
Épp egy egyszerű vezérlőegységet tervezek a számítógépbe a ventillátorok kordában tartásához. A részletekbe nem mennék bele, vannak potva vezérelhetők, és lenne egy 2állású kapcsolóra kötött, ami alsó állásában "csökkentett" fordulatszámmal hatja a ventit, "felkapcsolva" pedig fullon. A csökkentett dolog érdekelne, hogy lehet megodani. Elég csak egy megfelelő méretű ellenállás? Vagy összetettebb a dolog? Hasonlót már csináltam, ahol egy Gigabyte 3D RocketCooler butítómadzagját kötöttem be. Ott a +-on volt valami, be volt zsugorcsövezve, de akkora volt mint egy átlag ellenállás.
sztem kapcsold át az 5 Voltra... az már úgy is benne van a gépben. vagy a 7 voltra (12-5)
Gondoltam rá, de ez egy különálló vezérlő egység, aminek csak 12 volt bemenetet terveztem, de végül is van 4 csati lehetőség, berakom a többit is. A 7 voltot hogy tudom megcsinálni?
Mikor előpször elolvastam mnekemis a 7805 bekötésért gonoltam, a test és a stbkocka testje közé pedig egy mezei kisteljesítményű potira. Legegyszerűbb legjobb.5V nál minen venti szinte no hangerővel de még mozgatja a levegőt. Sztem ezzel csináld.
Köszi, mielőtt elolvastam volna válaszod, már bent volt a 7805-ös, mert nekem is az jutott eszembe. Ez ugyanis egy 8cm-es venti, ami megy 5v-ról is. (A Thermaltake 12cm-esre ugyanis rá van írva, hogy starting voltage: 6V)
Szia !
Miért kell poti? Miért nem jó egy kicsi 6 állású kapcsoló ? sokkal egyszerűbb, pont pár napja raktam össze magamnak egyet. 6 állás van 5 smd dióda , 0.5V fokozatonként a feszültség esés. Ez fordulatban kb:120 - 150 ford/perc minden fokozat. Ennél kisebb fordulat változás meg szerintem felesleges. Üdv
Hali!
Ez egy nagyon jó megoldás, köszönöm. Nem jutott eszembe. Bár már kész az egység és használom, eddig a legmelegebb napokon is jó hasznát leltem, viszont a SZERELHETŐséget figyelembe vettem, így bármikor tudok rajt változtatni. Ha jól értettem, akkor ezzel azt is meg tudom oldani, hogy a "starting 6v" -ot kiküszöböljem és az alá eleve ne engedjem a dolgot.
Szia !
Igy van. Mivel nálam az alaplap 8 - 12V közt szabályoz, ezért ugy csináltam, hogy beállítottam egy tápot 8V-ra és csak annyi fokozatot készítettem, hogy ha a 8V -ot bekapcsoltam a ventillátor stabilan elinduljon. Az ugyan is kellemetlen lehet, ha a PC indulásakor a ventillátor kinlódik, vagy el sem indul. Teljesen biztonságos igy mert a kapcsolót bármilyen helyzetben hagyom, nem kell figyelni arra hogy indításkor kisebb fokozaton legyen. Üdv!
Szisztok!
Én arra szeretnék megoldást találni hogy a számítógépemben lévő 2db ledes ventimet szabályozzam de nem akárhogy! Úgy mint egy strobi müködik. Pl. ha tapcolok egyet akkor egy pillanatra kialszik majd vusszagyulladnak a ledek.magyarán ütemre villogjanak.Hallottam már errül de nem tudtam utánajárni hogy hogyis lehetne megoldani az elektrónikáját.Előre is köszi
a kapcsolásról:
1k ellenállás 1k potméter 12V ennyi a problémám: amikor bekapcsolom a ventillátort akkor lassan forog és ha még a potival még lejjebb csavarom akkor aztán már majdnem leáll ! hogy lehetne hogy kezdésnél gyorsan forogjon és aztán a potival lejjebb lehessen venni? az 1k ellenállással? (nem hinném) lécci segítsetek!
és ennél akapcsolásnál a poti egyik lábát szabadon kell hagyni???
Szia !
Szabad lába jobb ha GND-n van. Üdv !
Akor egy sima ellenálásal is menne?
Hány vatos legyen? Én egyszer mikor raktam az enyémre elégé melegedett.... Kinek mekora fordulaton felel meg a venti hangja? (Én everestel néztem.)
Sztem nézd meg ezt: http://www.hobbielektronika.hu/kapcsolasok/kapcs.php?id=26:thumbup:
Az oldalamon címe találsz egy egyszerűt ami nem drága LM 317-es IC vel én nekem műxik annyi hogy ha minden venit külön akarsz vezérelni akkor külön kell mind1hez elektronika!!!
KLIKKÜdv Dj George (látványelemek és kapcsrajzok, azon belül fordulatszám szabályzó) 100% h működik
Fölösleges a GND hagyni a szabad lábat nekem amúgy is műxik bár mondjuk az a 10k-s poti az a gáz mert csak akkor indul be a venti ha félig nekicsavarom. amúgy kismotorral teljesen kilehet használni. én dupla kivitelben csináltam meg 2 motorhoz bár a panel túl nagy lett.
Elirtam a szabad lába nem lehet a GND-n mert akkor két irányból megy be a minusz a poti elméletileg mindkét irányban MAX-on ugyanannyi feszkót ad le tehát középállásban ad le kevesebbet (javítsatok ki ha nem igaz
)
nah jó megosztom a féltveörzött kapcsrajzomat. Annyi ha ti 5v ot adtok a ventinek túlmelegxik a gép és leégethetitek ez meg hőfoxabályzós elektronikasztem 500 ftból ki is jön. de akinek a potis kell ami az oldalon található az is jó. Azthiszem mára ennyit írok
Szia !
Idézet: „Fölösleges a GND hagyni a szabad lábat” Fogalmazzunk úgy, hogy nem felesleges, de megy annélkül is. Mi a poti szerepe ? feszültség osztás ebben az esetben. Hol a poti üresen hagyott lábának a helye Hát nem a levegőben :no: Üdv!
Szia !
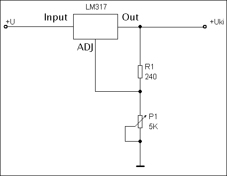
Miről beszélünk ? LM317 regulátorról ? Mert ha igen, egy szavadat sem értem. Input - ADJ - Out Üdv
Szia!
Na ja, igazad van abban amit irtál, megnéztem a rajzot (#48541) ebből a topikból. Azért ha lehet inkább igy használjuk az LM317-t Elég sok kis hiba van ezekben a cikkekben Üdv !
Nekem működik 100%osan az ami az oldalon van LM317es annyi hogy a potinak a szabad lábát nem kötöttem be a - vezetékre mert ha bekötöm akkor középállásban forog Xel minimumon és maximumon Y-al
Szia !
Persze, működik igy is, csak .......... olyan szedett- vedett igy. Egy dolog több féle képpen is elérhető, csak nem így szokás egy potit bekötni. Üdv ! |
Bejelentkezés
Hirdetés |





.
. 

) 






