Fórum témák
» Több friss téma |
- Ez a felület kizárólag, az elektronikában kezdők kérdéseinek van fenntartva és nem elfelejtve, hogy hobbielektronika a fórumunk!
- Ami tehát azt jelenti, hogy a nagymama bevásárlását nem itt beszéljük meg, ill. ez nem üzenőfal! - Kerülendő az olyan kérdés, amit egy másik meglévő (több mint 17000 van), témában kellene kitárgyalni! - És végül büntetés terhe mellett kerülendő az MSN és egyéb szleng, a magyar helyesírás mellőzése, beleértve a mondateleji nagybetűket is!
Nem kötheted össze a két szélsőt ha a két középső össze van kötve mert akkor rövidzárt csinálsz. Az egyik középsőt a vele nem szomszédos szélsőre kell kötni és a másikat hasonlóképp.
Köszönöm hogy szóltál!
Ez az utolsó darab amit még nem raktam fel a próbanyákra, és még szerencse hogy nem. El sem olvastam rendesen az adatlapot csak a lábkiosztást néztem. Első áramkör és annyira vágyom már rá hogy szinte a számban érzem az ízét! ![]() Köszi még egyszer.
Nem tudom eldőnteni, hogy melyik szélsőhöz melyik középső tartozik mert a két középső a 1. képen látható módon van kivezetve.
A piros vezetékek a primer. Zöld , fekete, fekete, Fekete szekunder
Kérlek ajánljatok fotoellenállást vagy fototranzisztort ehhez a kapcsoláshoz: Bővebben: Link
Egy másik rajzon láttam hogy Rx fény esetén 10 ohmig kéne hogy lemenjen. Áramkör szimulátor szerint 8 ohmnál működne rendesen(10 vagy fölött egyszer bekapcsol de nem kapcsol ki). Néztem hestore-on és gugliztam is de nem találok ilyen ellenállást, a legkisebb is 100 ohmig megy le, de nekem kb 9 kellene. Egyéb fórumokon is írták hogy megépítették de folyamatosan világít a led. Szerintem ez pont azért van mert nem megy le eléggé az ellenállás. Mit lehetne tenni Rx helyére?
Milyen fényviszonyok között szeretnéd használni? Sajnos ezek az ellenállások egy bizonyos határon felül csak a rájuk eső fény mennyiségétől függnek...
Heló! Az egyik haverom hasonlót épített és 10-20k-s fotoellenállást használt bár a kapcsolás egyszerűbb volt valamivel. és tökéletesen működik. Nézz szét itt kicsi a kínálat
Telefon kijelzőjéről szeretném működtetni. (qVGA))
Dobozban lenne az egész és a fotoellenállás/tranzisztor közvetlen a kijelző fölött lenne, fehér/fekete pixelek kapcsolák be/ki). Gondolom ez nem könnyíti meg a dolgot.
Ezen a trafón csak egy szekunder tekercs van, egy megcsapolással. Így nem fogod tudni megcsinálni hogy 20V legyen nagyobb áramerősségel.
Hello!
Fogalmam sincs, honnan vetted ezt a kis értéket.. De hogy lásd, leszimuláltam a kapcsolást. Itt látható, hogy a poti középállása mellett, kb. 280kohm-nál kapcsol be, és 140kohm-nál ki. Az áramkörben egy dolog nem korrekt, hogy a poti ellenállása rövidzárra is tekerhető. Ha CDS ellenállást használsz, akkor nem biztos hogy gond lesz, de ha optotranyót, akkor esetleg belehal, ha jól a "szemébe kacsint" a nap. De ez kivédhető, a potival sorba kötött 1kohm-os ellenállással. (poti és a bázis közé) Szerintem bármely fotóérzékelővel működésre bírható a kapcsolás. pld. egy rossz egérből kibányászott tranyóval is. üdv! proli007
Bocs az értetlenségemért. Elmagyaráznád részletesen, hogy akkor miért tudok két fajta feszültséget mérni?
Menetközben rájöttem, hogy miről is van szó.
Tévedés, olvass vissza!
Bővebben: Link
Ha ezt a két feketét összekötöd, akkor mérd meg a maradék kettő közti feszültséget. Ha 0V, akkor összekötheted azt is, és kész vagy.
Köszönöm hogy ennyit fáradtál a prezentálással!
Holnap amint lehetőségem lesz be is szerzem a fotoellenállást és a biztonsági 1k-t. Köszi: chocob
Megmértem és 20V a feszültség. A másik középső fekete és a zöld között is 20V van.
A #1005871 hozzászólásomban azt írtam, hogy csak akkor van feszültség ha a két középső össze van kötve hát ez nem igaz. Valósszínű a multiméterem nem érintkezett jól mert akkor nem mutatott semmit. B.I -nek van igaza, hogy egy szekunder tekercs van, egy megcsapolással. mert összekötöttem ahogy a #100589 hozzá szólásában a mellékletben rajzolta és nem nőtt az áramerősség ugyanannyi maradt. Köszönöm mindenkinek a segítséget.
Ha csak egy szekundered van egy megcsapolással, az csak három vezeték lenne. Ha neked ki van vezetve négy vezeték, akkor elvileg két tekercsed van, mivel a megcsapolás mindkét végét kivezették.
Szét kell válogatni, hogy melyik-melyik ellenállásmérővel! Ha a két középső között szakadás van, és a két legszélső között is, akkor össze lehet hozni a dupla áramot. Ha a két középső között nincs szakadás, akkor valószínűleg belül össze van kötve a két tekercs, és valóban csak egy tekercs van egy középleágazással, ekkor nem lehet dupla áramon használni. De a hibás mérés nagyon félrevezető, ha bizonytalan a műszered, akkor keress megfelelő feszültségű izzókat, és azzal tesztelj. Ha 40V a maximum, amit a trafód lead, akkor két db 24V-os izzót, vagy négy db 12V-os izzót köss sorba a próbához.
Sziasztok!
Nézegettem 2 relé adatlapját és nem találtam választ arra, hogy a tekercset hogy kell bekötni, és a relén sincs jelölve. Kérdésem: A relének mindegy melyik vége megy a 12V-ra és melyik a GND-re? Köszi.
Szia!
Ezek passzív alkatrészek pont mint az ellenállás. Polaritásfüggetlenek. Persze vannak itt más topológiájú relék de sokkal kevesebb. Ha "mezei" reléd van neked is akkor nem számít, főleg ha fel sincs tüntetve.
Szia!
Akkor számít a polaritás, ha beépített visszafutás-dióda van a tekercs kivezetéseire kötve.
Szia!
Lesz védődióda a relével párhuzamosan ha arra gondolsz. Akkor ha jól értelmezem akkor rákötöm valahogy és a diódát annak megfelelően kell betennem párhuzamosan így van?
Sziasztok!
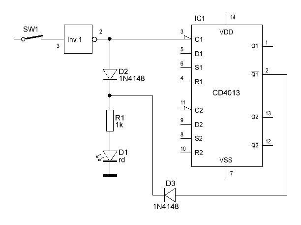
Egy leddel szeretnék 3 állapotot jelezni. Mellékeltem, hogy mit alkottam csak nem tudom, hogy ez így működő képes-e. Szóval SW1 valójában egy mozgás érzékelő ami érzékeléskor bont. Ha bont akkor átbillenti a flip-flop -ot és szintet vált a kimenet. Ezek után ez addig így marad amíg nem rezetelem az IC-t. Hiába jön újabb jel marad az állapot. Azzal az egy szem LED-el szeretném jelezni, hogy: 1. nem világít (nincs esemény) 2. villan (mozgás történt) 3. világít (IC átbillent) Az első kettő nem is gond. A 2. 3. állapot nem fog 'össze veszni' így? Ha az IC adja a H szintet és közben az érzékelő is adja mert érzékelt.
Sajnos nem lehet dupla áramon használni minden variációt kipróbáltam.
Van olyan relé, amelynél a relé belsejében van ez a dióda, és ezeknél a reléknél fontos a megadott polaritással használni a behúzótekercset, mert fordított bekötéssel zárlatot okozol.
Sziasztok!
Kérdésem egyszerű éslényegretörő, de nem tudok rájönni, mert olvasok mindenfélét. Szóval ha akarok egy flyback rendszerű kapcsolóüzemű tápegységet, akkor ott a 325V-os feszültség szaggatásához elég egy 400V-os FET? És a diódát(hogy a tekercs ne vága haza a tápegységet) hogy kell bekötni? Izeg
Szia!
Inkább 600V-os (vagy 800V-os)FET lenne az ideális az induktív feszültségcsúcsok miatt. Egy flyback megoldás
Üdv!
Készítettem egy tranzisztros erősítőtt bd245-ből a magas szépen tisztán szól de amikor a mélyet elkezdi akkor recseg , csak magas hangszóróm van . Valamilyen megoldást tudnátok javasolni ? |
Bejelentkezés
Hirdetés |











