Fórum témák
» Több friss téma |
Mielőtt kérdezel, a következő két dolgot ellenőrizd!
I. A helyes tápfeszültségek megléte.
II. A kimeneten van-e egyenfeszültség.
Élesztés.
Nem igazán értek hozzá, ezért nem nagyon tudom, hogy mire gondolsz. De nekem egy komplett rajz kéne.
Azért köszi!
Ha egyszerű rajzot akarsz nézd meg az íc-k adatlapját és a gyártó ajánlását.
ÉS mi az az IC ?
http://www.datasheetcatalog.org/datasheet/philips/TDA1558Q.pdf
Például de mindegyik íc-hez ajánl a gyártó egy egyszerű rajzot.
ezzel sem lettem okosabb
Ennél egyszerűbb már tényleg csak a kit.Illetve lapozgass vissza és használd a gugli-t és olvasgass építés előtt ha megfogatsz egy tanácsot.
Talán elsőként egy kis elméleti alapozás nem ártana. S ha úgy találod érdekel, akkor néhány alap szerszámot beszerezvén, az ott tanultakat, át kellene ültetni a gyakorlatba, egy egyszerűbb áramkör megépítésével.
Ha '96-ban született nem biztos hogy most rögtön elmélet kellene, hanem inkább sikerélmény. Ha egy Kit-et összerak, látja hogy működik, talán elkapja a gépszíj és belemerül az elméletbe
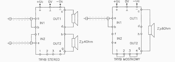
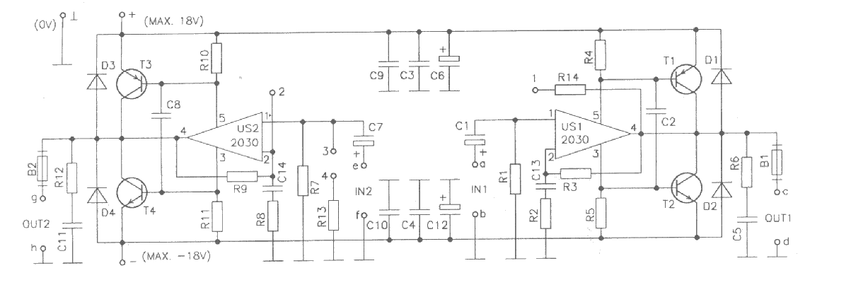
Szeretném kérdezni tőletek ki építette meg ezt a kapcsolást ? :http://www.hobbielektronika.hu/forum/files/7c/7c4e18fc9f5efccdb632c94dafbe7169.jpg
Én most csinálom a másodikat belőle hogy sztereó legyen de viszont van egy másik verzió is , aminek a fotóját fel tenném ide, ennél két felé lehet választani ezt a hidat és 2szer 40w lesz a teljesítménye. Nekem ez így jó volna viszont nem tudom hogy az működő képes e ? Ez a 3ik végfokom sok tapasztalatom nincs ezekben a dolgokban az előzők TDA híd és sima tranzisztoros TDA Végfok volt . Ha létezik ez elé valamilyen szűrő, az a kapcsolás jó volna ha megtudnátok mutatni nekem . És megköszönném ha tudnátok olyan kapcsolási rajzot mutatni , amivel kiegészítve ezt a 100w TDA2030+tranzisztor hídkapcsolást mélynyomó hangszórót tudnék vele hajtani .
Ha nem tudja mi az IC, polaritás, egyenfeszültség, stb. szerinted összerakja működőképesre?
Szia,
nagyon szívesen. A "kimenti feszültségen" gondolom az áramkorlátozó ellenálláson mérhető feszültséget érted? Tehát nem az erősítő offset feszültségét? Mert, akkor rendben. Az a baj, hogy gyakran pont próbálgatás közben szállnak el az erősítők. Különösen, ha "csak úgy" beleker az ember a potméterekbe, remélve, hogy majdcsak megjavul. Hát nem. Attól biztosan nem.
Hello!
A csatolt képen látható egy számítási feladat. Szeretném tudni, hogy a megoldó kulcsa szerint miért ez a helyes: RC=UT-UC0/IC0=2kOhm ? RE=UC0-UCE0/IC0=0,5kOhm ? és miért nem ez: Ugyanis UC0+UCE0+UE0=UT Az UC0 és IC0 adott, => RC=UC0/IC0=2,66kOhm? és RE=UE0/IE0=Ut-UC0-UCE0/I0=-0,5V/3mA ???
Sziasztok! Nemrég megkért egy ismerősöm, hogy szüksége lenne egy kb. 2x 300w-os erősítőre. Az anyagi részét 15-20 ezer Ft-ban szeretné megúszni. Körülnéztem magam is. Először a TDA 7294-es végfok jutott eszembe. De sajnos az is "csak" 150w-ot tud leadni hídba kötve, 8ohmon. Találtam több 300w körüli teljesítményű fetes kapcsolási rajzot, de az alkatrészek beszerzése nehézkes. Ebben szeretném a segítségeteket kérni. Szükségem lenne egy olyan kapcsolási rajzra, mely egyszerűen megépíthető és könnyen beszerezhető alkatrészekből áll. Aki tud, kérem segítsen.
Előre is köszönöm
Üdv.
Én úgy tudom lead 300W-ot hídban itt egy link töltsd le a pdf et és nézd meg amit leírnak 311W- 8ohm +-42V mellett. De nagy táp kell és nagy hűtőborda, nameg puffer. TDA7294 Híd
Helló, igen igazad van ez elkerülte a figyelmem. De ez a 311W nagyon a vége az erősítőnek, bár lehet, hogy izmos hűtéssel simán elbírja.. Viszont egy ötletnek jó. Köszönöm
Ha fetekhez hozza tudsz jutni akor a VF2 megcsinalod abbol is kijon ennyi watt 270w eleg szep teljesitmeny szerintem...de hat az meg a kerdes hogy van mar trafo vagy ezutan szerzed be...
Helló! Nos még nincs trafó, de talán az nem lesz probléma. Először is kapcsolási rajzot keresek, és ha az alkatrészekkel sincs probléma utána jöhet a megvalósítás és a táp. Persze csak addig nyújtózkodhatok, ameddig a takaró ér.
Ertem...na es milyen az a kapcs.rajz amit kuldtem ? beszerezheto szamodra az alkatreszek?Vagy a feteseket nem szereted?
Természetesen köszönöm a rajzot, ez is megfelel egynek. Megnéztem a feteket, beszerezhetőek és nem olyan húzós az áruk. A festés egyáltalán nem zavar. Lehet, hogy viccesnek tűnök, de nem szórakozásból kérek segítséget...
Szia! karikas87!az ax-500-ban mérés nélkül cseréld ki a 4db 0,22ohm 3w ellenállást,valamelyik nekem a 4-ből kicsit megnyúlt.....nyugalmi áram gondomat megoldotta.
Szivesen maskor is.En mondjuk ezt a rajzot szeretnem elkesziteni trafot az apukam attekercseli a megfelelo feszulltsegure es ezt szeretnem elkesziteni..Meg keresek szamodra rajzot....
Pa 300 -on nem gondolkoztál?Bővebben: Link
Sziasztok! Hozzám került egy STK408-040E valaki tudna hozzá adatalapot? Aki adta nekem az azt mondta hogy jó, egy sanyo Tv-ben volt a hangvégfok.
A PA300 biztosan nagyon jó HF erősítő, de annál kicsit egyszerűbb megoldást keresek. Köszi neked is
Szia.
Kdmester 400W-os Monster-jét ajánlom neked.Olyan az,mint a kávé olcsó és jó.Írd be ide a keresőbe.
Üdv!
Ha az erősítő kimenetére szeretném kötni a kivezérlésjelzőt és egy trimmerel szeretném beállítani a kijelzőt akkor a trimmer középső lábát a testre kell kötnöm ugye?
Helló! Láttam már a 400W-os KD-t is, de szerintem a kisebb 270W-os testvére is megteszi. Elképzelhető, hogy vagy a két hídba kötött TDA7294-re vagy a 270w-ra esik majd a választásom. Szintén, neked is köszönöm
Mivel feszültségosztót szeretnél belőle, ezért a csuszka megy a kivez. jelzőhöz, az egyik láb a bemenetre, és a másik a test.
Amire gondolsz - ha jól értelek - az nem a TDA7294, hanem a TDA7293. Azt lehet master/slave-be párhuzamosan kötni és így kialakítani 4 IC-ből a hidat.
Ezt találtam hirtelenjében, persze el lehet hagyni a híd 2-2 oldaláról 2-2 IC-t. Nagyon csekély passzív alkatrészt igényel, nem kell rajta semmit beállítani, és alapból koppanásgátlós, rövidzár és hővédett. |
Bejelentkezés
Hirdetés |













