Fórum témák
» Több friss téma |
Fórum » Labortápegység készítése
Üdvözletem!
Meg lett a probléma oka köszönöm szépen a számolásos levezetést. 0,22 ohm helyett simán becsomagolták nekem a 3,3 ohm-os ellenállást, és így már mindjárt más lett számolással is. 5 ampernél a 3,3 ohmmal U=IxR=1,25x3,3=4,125V elfűtendőre átszámítva P=UxI=4,125x1,25=5,1W ( ettől már bőven füstölne a 2W-os ellenállás ) és ahogyan én néztem, azaz 1,8A-el a 3,3 ohm-os ellenállással P=I2xR ami (1,8A/4)x3,3ohm= 1,485W ami már fűti a 2W-os ellenállást, és ezt éreztem én. Köszönöm mégegyszer a segítséget, cserélem majd
Szisztok!
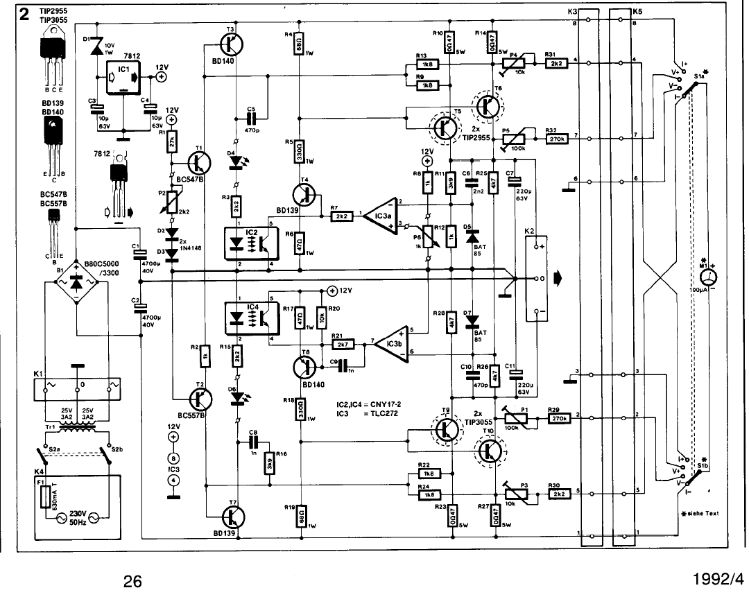
Szeretném megkérdezni, hogy milyen trafót vegyek egy 1.4.2 labortáp után építéséhez. A problémám az, hogy a kapcsolási rajzon van legalább 5 szekunder ami csak 1 oldalnak kell. Ha szeretnék egy kétoldalas labortápot 50V 5A. Akkor a kisfesz. vezérléséhez szükséges +- 15 V feltétlen 2x kell tehát nem lenne elég ha két oldalnak egy lenne csak nagyobb áramra méretezve? Továbbá miért fontos hogy a kijelzőknek külön szekundere legyen? Összegezve a dolgot tudnátok nekem segíteni, hogy milyen trafót vegyek egy 2X 50V/5A labortáphoz? Köszönöm!
Célszerűen éppen olyat, mint a rajzon van. Sem a vezérlésnek, sem a kijelzőknek nem lehet közös a tekercse.
Mivel ezek elég nagy trafók, ezért célszerű mindkét tápegységnek külön trafót használni. De pl. az is járható út, ha veszel egy jó nagy trafót, amin csak 2x42V/5-6A-es tekercs van, és e mellé használsz egy külön kis trafót, amin a sok kisáramú tekercs van.
Hasonló cipőben járok én is.Én egy nagy legalább 600VA-es trafó legyártatásán filózok megfelelő szekunderekkel,mert én is a kettőset építek a 1.4.2-esből.De nem lesz olcsó muri azt már látom.A másik amire még várok az Alkotó előszabályzója amit szeretnék implementálni ehhez a táphoz.Emiatt a szekunder leágazások szükségesek ami szintén nyom az árban.
Műszerek tápjának nem lehet jó esetlegesen dc dc konverter? Pl a hálózati kártyákon lévő 12-9 V os jó lehet. Ekkor már kevesebb lenne a szekunder igény. Leválasztás is meg van oldva csak kérdéses nem zavarja-e a dvm modult.
A kijelzők szekunderét fel lehet másra is használni pl: hűtés, hővédelem?
A relés előszabályzó 12V-os táplálása is külön-külön kell oldalanként, vagy mehet egybe? Lenne még egy olyan kételyem, hogy a Vezérlésnél járható út-e az hogy létezik olyan kapcsolás ami egy szekunderből képes +- -os tápot előállítani így két szekunder helyet elég egy. Ez használható megoldás? Lenne még egy másik jellegű kérdésem is. Az 1.42 és 2.7.2 labortáp között mi a különbség? Köszönöm!
Jó lehet, de csak akkor, ha galvanikusan leválasztott. A többség nem az! A szűrés szerintem megoldható.
Lehet ezzel variálni, sőt elvileg a műszer táp-GND-jét sem kell feltétlenül hozzá kötni a mérőbemeneti GND-hez, csak ki tudja mennyire megbízható így a tokozáson belüli elválasztás. Vagy akár az LCD-s kijelzőkhöz használhatunk elemet is.
De ezek csak "pótlékok". Az igazi, minden szempontból kielégítő megoldás a műszerenkénti külön szekunder. Ez tudja megoldani a tényleges galvanikus elválasztást. Én semmiféle gondot nem látok abban a párszor 10 menetben. Pl. ha egy külön kis trafót használunk, azon nagyon kényelmesen elfér a két tápegységhez és a műszereihez szükséges 8db szekunder. Idézet: „A kijelzők szekunderét fel lehet másra is használni pl: hűtés, hővédelem?” Igen. Bármilyen kiegészítő mehet erről, ha az nem terheli túl, és nincs olyan galvanikus kapcsolata a tápegységgel, vagy más eszközzel, ami zavart okozhat. Pl. használható a hőfigyelőhöz és a relés előszabályzóhoz, mert ezek nincsenek elektromos kontaktusban a táppal. Idézet: „A relés előszabályzó 12V-os táplálása is külön-külön kell oldalanként, vagy mehet egybe?” Ravasz kérdés. Attól függ miként akarod használni. Az előszabályzó közvetlenül kapcsolatban van a tápegység kimenetével. Ha ezt végig gondolod, akkor egyetlen esetben lehetséges lenne, ha teljesen szinkronban szabályoznád a két tápegységet, na de akkor meg nem kéne csak egyetlen előszabályzó modul, ami dupla érintkezős reléket szabályozna. De a valóság nem ez. A két tápot célszerű teljesen külön kezelhetővé tenni, ami miatt két teljesen külön előszabályzó is kell, hiszen az egyiken lehet 5V, a másikon meg mondjuk 50V a kimeneti feszültség. Idézet: „létezik olyan kapcsolás ami egy szekunderből képes +- -os tápot előállítani így két szekunder helyet elég egy.” Ilyen létezik valóban, és DELON-hidas feszültségkétszerező-nek nevezik, csak te most a GND-t is kivezetnéd. Elvileg megoldható, de mivel ez csak félhullámban egyenirányít, ezért sokkal nagyobb kapacitások kellenek a szűréshez, illetve ezt célszerű szimmetrikusan terhelni, amiről itt szó nincs. Tehát ezt sem javaslom. Idézet: „Az 1.42 és 2.7.2 labortáp között mi a különbség?” Sokat mondó kérdés. Két különböző kapcsolásról van szó. Az első RT-s, és ahhoz kell a külön segédtáp, a másikat Pioneer jegyzi, és oda elég egyetlen szekunder. Persze mindkettőnek van előnye és hátránya is. Végül -nem csak tőled kérdezem-, miért merül fel ennyi kérdés? Ott a rajz, ki van próbálva, számos utánépítés készült. Akkor miért kell megkérdezni ilyen dolgokat? Idézet: „amire még várok az Alkotó előszabályzója amit szeretnék implementálni ehhez a táphoz” Először is ezt én Proli007 előszabályzójának nevezném, mert ő tervezte a kapcsolást, én csak panelt rajzoltam hozzá és kipróbáltam. Másodszor, erre már nem kell várni, mert készen van, ki van próbálva, és a szükséges módosításokkal szerintem kifogástalanul működik. Az más kérdés, hogy kimondottan Proli007 tápjához (aminél a pozitív a "közös" pont), valóban készült egy másik előszabályzó vezérlés, ami már mindkét polaritást tudja kezelni. Illetve szintén ehhez készült egy hőfigyelő is. Ezek táplálása úgy van kialakítva, hogy egyetlen AC12V-os tekercs elegendő lehet a labortáp vezérléséhez, az előszabályzóhoz és a hőfigyelőhöz.
Valóban igazad van.
Nos közben készült pár fotó a nyákokról.
Sziasztok!
Megépítettem Alkotó labortápját, és most sikerült olyan formába hozni, hogy kipróbálható legyen, ezzel együtt probléma is felmerült. A segédtáp 7815-je piszkosul felmelegszik. Elültetve nincs semmi. Nem tudom még mit mondjak, kérdezzetek. Képek Bővebben: Link
A legfontosabb kérdés, a mérés idejét kibírja-e, vagy már ez is kizárt, olyan gyorsan melegszik, illetve egyébként működik-e, vagy már itt elakadt a dolog?
Ha mérhető, mérd meg a +-15V-ot, illetve a referenciafeszültséget (a 723-as IC 3-as lába ha jól emlékszem). Elsőre ennek kell jónak lenni. Ha melegszik, akkor valami gond biztos van, mert egyáltalán nem kéne neki, durván túl van méretezve. Ha nem mérhető, akkor pl. vedd ki a két TL071-et, és így mérj, ekkor is stimmelni kell a +-15V-nak, és kb. 7V körüli referenciának. Egyik esetben sincs még szükség a "főtápra".
A greatz D7 és D8 diódája mintha fordítva lenne.
Jelenleg úgy mérem, hogy a trafó primerével van sorba kötve egy 60W-os izzó. A főtáp nincs bekötve. Még izzóval is pillanatok alatt tűzforró lesz. Az izzós áramkorlát miatt feszültséget nem nagyon tudok mérni. Ha kivenném, szerintem bekapcsolás után azonnal szétcsattanna, mert a segédtáp szekundere 2A-t bír. Jelenleg próbálom felszabadítani a pozitív ágon lévő alkatrészek lábait. A 3 IC sincs benne most.
Ha most erre nem hívod fel a figyelmem, akkor szerintem még holnap is keresném a hibát
Amúgy működik most már tökéletesen
Remek, gratulálok.
A képeken még láttam valami furcsaságot. A teljesítmény elemek alatt lévő profil, mintha valamilyen vékony lemezből lenne rétegelve. Ha ez valóban így van, akkor ebben rejlik kockázat. Ide szerintem kimondottan kell a homokén alumínium "tömb" egysége. Meg fogod látni, hogy itt lehet fűteni keményen.
Cserélve lesz mielőtt még dobozba kerülne, ez csak ilyen átmeneti megoldás a beüzemelés idejére
Megépítettem a 2.7.1-es tápot, remekül működik. Szeretnék valami olyan kiegészítést hozzá, hogy lehessen használni szimmetrikus tápnak is. Pl a táp kimenetére valami elektronikát rakni amivel ha kell akkor szimmetrikus kimentem lenne. A 2.7.1-es táp pedig úgyis szabályozná a feszültséget és az áramot, így már nem kellene vezérlés hozzá.
Lehet hogy nem megoldható a dolog, de néha jól jönne. Ha nagyon bonyolult akkor nem is foglalkoznék vele. De most állok a dobozolási fázisban és ha megoldható akkor még azt is beépíteném. Válaszotokat előre is köszönöm.
Egy szimmetrikus tápnak általában nem kell nagyon stabil feszültséget tartani (igazából nekem még eddig egyetlen áramkörhöz sem kellett), azt általában végfokok élesztgetésére használják (használom). Ahhoz pedig elég egy jóval egyszerűbb táp is, pl. egy-egy zéner megfejelve egy-egy áteresztő fettel és egy-egy potival, plusz egy-egy tranyó hogy áramkorlátja is legyen.
Sziasztok! A tápegységem építése közben olyan problémába ütköztem, hogy a transzformátoromnak csak egy 24 voltos szekundere van, ugyanakkor dupla tápot szerettem volna eredetileg építeni. Viszont itt a hozzászólásokat átolvasva azt olvastam, hogy sajnos nem lehet egy szekunderről járatni a kettőt. Szóval a kérdésem az lenne, hogy pontosan miért is nem lehet?
Mert ha sorba akarnád kötni a két tápodat, azzal csúnya zárlatot okoznál!
A dupla tápot azért építjük, hogy elő tudjunk állítani plusz - mínuszos, tehát kettős tápot, tipikusan erősítőkhöz, amit a két táp sorba kötésével érünk el.
Lehet őket közös szekunderről járatni, csak mint azt qvasz2-elmondta, nem lehet a kimeneteiket összekapcsolni.
Ha te biztosan tudod előre, hogy mindig egymástól függetlenül fogod használni (elég vakmerő kitétel lenne), azaz nem kell soha a két táp kimeneteit összekötni, és az egyetlen szekunder teljesítménye elegendő, akkor mehet közösről.
Ha szimmetrikus labortáp kell akkor érdemes valami hasonlóban gondolkodni mint ez az elektoros. Lehet persze ennél egyszerűbbet is csinálni, elvileg 4db OPA-val (pl 2db LM358) meg lehet csinálni mindkét oldalt.
Sziasztok! Köszönöm szépen a válaszokat. Akkor azt hiszem marad az a megoldás, hogy új trafó után nézek.
|
Bejelentkezés
Hirdetés |




köszönöm szépen a számolásos levezetést. 0,22 ohm helyett simán becsomagolták nekem a 3,3 ohm-os ellenállást, és így már mindjárt más lett számolással is. 5 ampernél a 3,3 ohmmal U=IxR=1,25x3,3=4,125V elfűtendőre átszámítva P=UxI=4,125x1,25=5,1W ( ettől már bőven füstölne a 2W-os ellenállás ) és ahogyan én néztem, azaz 1,8A-el a 3,3 ohm-os ellenállással P=I2xR ami (1,8A/4)x3,3ohm= 1,485W ami már fűti a 2W-os ellenállást, és ezt éreztem én. Köszönöm mégegyszer a segítséget, cserélem majd 









