Fórum témák
» Több friss téma |
Fórum » Erősítőhöz való hangsugárzó védelem (koppanásgátló)
Témaindító: Thom, idő: Márc 14, 2006
Témakörök:
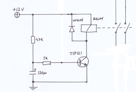
Szia! A BC557 bázisán lévő diódát duplázd meg, sőt köthetsz hármat is sorba, akkor lesz szimmetrikus érzékenységű.
Köszi
! Működik, 2 diódával már jó.
Hello!
Ez elég meglepő, mert 5mV nem rúg itt labdába, de még 500mV sem.. üdv! proli007
Üdv! A darlington miatt érzékeny a kapcsolás, sima tranyóval gond nélkül menne.
Hello!
Ja, értem mert a darlingtoon nyitófeszültsége kb. pont megegyezik, a PNP+dióda feszültségével. Bár számomra nem túl szimpatikus, amikor egy tranyó bázisa "lóg a levegőben". üdv! proli007
Meghat ez a kapcsolas ront a frekvenciameneten (felso tartomany), valamint ha nem is jelentos, de azert mestersegesen letrehozott athallas a csatornak kozott...
Meg valami ami nem tetszik. 12V-os tapfeszultseg es (gondolom) 12V-os rele??? A maradekfeszultseggel szamolt valaki?
Az NPN-re menő diódát át lehet hidalni, akkor csak fel olyan ellenszenves
Üdv.:reloop
Azt szoktam ajánlani, hogy mérjük meg a relé behúzásához szükséges minimális feszültséget. Ez 12V relé esetén 6-11V között várható. Ettől 2-3V-tal magasabbra válasszuk a védelem áramkör tápfeszültségét. Ez biztosít tartalékot a maradékfeszültségnek és a tápingadozásnak.
Hello!
Mindennek van hatása mindenre. De amit írsz, az túlzás és megalapozatlan. Mert ha ez az áramkör egy LINE kimeneten lenne (ami persze értelmetlen lenne), akkor talán lenne miről beszélni. De egy hangszóró kimeneten? Kiszámoltad, hogy hány dB áthallást okoz és milyen frekvenciától? Mert elárulnám, hogy a fekete lemezek csatorna elválasztása nem volt jobb 26dB-nél, és már ezzel is szép sztereó teret lehetett hallani. Hogy a felső határfrekvenciát hogyan tudná rongálni a hangszóró kimeneten, arról még elképzelésem sincs.. üdv! proli007
Sziasztok!
Amatörként kérdezném tölletek, hogy a Majki-féle védőkapcsolás mellékelt kezdetleges nyákterve megfelelő. Elsősorban a relé bekötésében nem vagyok biztos. Segítségeteket köszönöm!
Hello!
Nemrégiben vásároltam egy Rotel RA 930 AX tipusú erősítőt használtan. Ki és bekapcsoláskor a hangerő teljesen a 0-ra van állítv, ennek ellenére lehet hallani a hangfalakon tompa pukkanásszerű hangot. Kérdésem az lenne, hogy ez mennyire normális jelenség ill. árt -e hangfalaimnak. ? Lehet -e ezt javítani? A pukkanás nem nagy, de mivel korábban ilyen nem tapasztaltam az ugyanerre a hangfalakra kötött más erősítőknél, ezért nyugtalanít a dolog. A hangfalakat újonnan vásároltam 3 hetesek jelenleg. 150 wattosak Tangent Clarity 8-as típusúak. Válaszokat előre is köszönöm!
Üdv.
Szerintem az erősítődben nincsen koppanásgátló,ezért a pukkanás bekapcsoláskor. Jól sejted nem tesz jót a hangfalnak. Lehet bele építeni utólag, találsz itt a fórumon is.
Köszi szépen.
Akár én is be tudom építeni? Ill. kopannásgátlóként kell keressem?
Még az lenne a kérdésem, hogy bekapcsolás után van-e további hatással a hangfalakra, ha nagyobb hangerőn hallgatom?
Ill. van - köze a jelenséghez, ha potméteres jeleket észleltem a AUX kimeneten. (számítógép csatlakozással) Köszönöm!
Elvileg nincs.Gyakorlatilag csak akkor ha rossz a relé.Bővebben: Link Ha nem akar engedni a relé, ha egyenfeszt kötsz a kimenetre, akkor kisebbre kell cserélni az r5 illetve r7 ellenállásokat.A feszültség nagyságától függően, de 100-220 kOhm elég szokott lenni.
Nagyon köszönöm a válaszokat!
Sajnos az erősítő "építéshez" nem értek és eszközöm sincs hozzá. Remélem találok olyan szervizt, ahol csinálnak ilyet. (A CD kimenetnél a 20 kohms van megadva a specifikációban.) Akkor is lehet belőle problémám, ha mindig 0 hangerőre van állítva be és kikapcsoláskor?
Sziasztok!
Nincs meg véletlenül valakinek ennek Bővebben: Link a kapcsolásnak a nyákrajza Lay formátumban?
A LAY-ban nem tudok segíteni, munkafájlokat nem adok ki. De esetleg nézd meg azt a változatot amit én terveztem hozzá, mert abból tudok adni nyáktervet azt hiszem itt indul.
Aztán még olvass bele, mert azt hiszem a kondi mégis jó volt az eredeti irányában, illetve nagyon fontos a mérési eredmény. Valahol leírom, hogy az egyenfigyelés nagyon különböző a két irányban, és mindkettőben durván magas. Azt hiszem ettől számos jobb védelmet találhatsz itt, de nem akarom a kedvedet elvenni.
Én eddig mindég azt építettem az összes erősítőmbe ami itt a fórumon a kapcsolások között is megtalálható.
De ezt most csak azért szerettem volna megépíteni mert ebben van Clip jelzés is. Esetleg ha tudnál mutatni egy jól működő kapcsolást amely a Clip-et megoldanám nekem azt megköszönném.
Üdv!
Egy egyszerű relé késleltetés kéne, ami a tápfesz ráadásától kb 2-3mp múlva kapcsol. Ha minden igaz legegyszerűbben egy RC taggal lehet ezt megoldani. Mekkora értékeket használjak? Fontos lenne, hogy ha elveszem a tápfeszt akkor egyszerre vagy 1mp múlva engedjen a relé. Légyszives segítsetek!
"Clip"-eset nem tudok ajánlani, nem is látom igazán értelmét. Csak egy felesleges fény, ami semmire se jó.
Ha erről lemondasz, akkor többféle védelem is szóba jöhet. Amiket én konkrétan használok, az a KD-mester által tevezett, és a direkt erre kitalált uPC1237-es IC-vel készült. Ezek bármelyike szinte tetszőleges tápfeszültségről működhet, és biztosan tökéletesek.
Hali! Mellékelek egy nagyon egyszerű kapcsolást ez 4-5 másodperc múlva húzza meg a relét, a ha a kondit kicseréled 220µF -ra akkor hamarabb. A tápfesz megszűnésével szinte azonnal leoldja a relét. Tranyónak TIP122 kell bele mert már nem lehet tip121-et kapni.
Nagyon szépen köszönöm! Holnap meg is csinálom, megjön a trafóm is és készen lesz a kicsike
![]() (2x50W, 88000µF puffer, 100VA toroid, fémdoboz és egyéb "finomságok") + saját tervezésű hangfalak. További szép napot!
hi
Az lenne a kérdésem, hogy kinek milyen relé vált be a hangszóró védelemhez? Első sorban arra gondolok, hogy ne rontsa el a hang minőségét. Bevált típusokat mondhatnátok. Köszi.
Omron finder, Schrack és általában az ipari jelfogók mind jó minőségűek. Oxidációra kevésbé hajlamos ötvözött anyagból készült érintkezőket használnak. Aki ezek kontaktusai között hangzásbeli különbséget hall, az meg is érdemli. Vagy vegyen mágneskapcsolót. Most kezd begyűrűzni egy új őrület a hányendeseknél, hogy nincs relé a jelútban, és ezt fennen promózzák a manufaktúrák.
Azért nekem az aranyozott fóliákkal bevont hangfal-sarkok fényévekkel jobb hangot produkálnak...
![]() Na jó, nem vagyok ilyen vájtfülű... de az biztos, hogy olyan szépen még sehol sem hallottam zenét szólni, mint egy vájtfülű ismerősömnél, aki minden ilyen dolgot kipróbál, és persze, hallja is a különbségeket. Sokszor csak röhög rajta az ember -én is, de az biztos, hogy nem vagyunk egyformák, így a hallásunk is más, minden embernek. A hallás útján agyunkat ért ingereket is megtanuljuk, hogy mik azok. De két ember ugyanazt a hangot teljesen máshogy érzékeli, és hallja... csak megtanulta, hogy mi az, és azzal azonosítja. Ugyanaz, mint a látás.... Mi az a zöld? Vagy a kék, piros, stb... Minden ember máshogy érzékeli a színeket, csak megtanulta kiskorában, hogy mi a kék, a piros, a zöld, stb.. -mert azt mondták neki, hogy az az. Én ismertem egy olyan srácot, aki szabad szemmel, kb. 20 m távolságról megmondta, milyen színű a gyufa feje, miközben a tőle 20 m-re lévő másik ember úgy fogta a kezében, hogy csak a pici, foncsorozott része látszott. Miért ne lehetne így a hallással is pár ember? Ez adottság. Van, akinek több, van, akinek kevesebb jutott belőle.
A relékre visszatérve: kíváncsi lennék rá, mennyire hallhatóak ezek a különbségek.
Kellene egy szeánszot csinálni azokkal a vájtfülűekkel, akik azt mondják, hogy hallják a különbséget. Vakteszt, egy erősítő, és mondjuk 10 különböző relé. Hol ez, hol az bekapcsolva a jel útjába. Ha hangzás alapján mindig azonosítani tudják ugyanazt, akkor tényleg kezd érdekes és hiteles lenni a dolog. Ha nem, akkor ez is olyan, mint az az emlékezetes gabonakör, amit két srác csinált, neves ufológusunk meg jól pofára esve ország-világ előtt, műszeres mérésekkel igazolta, hogy ez bizony, ufó műve...
Üdv!
Nekem egy olyan problémám lenne, hogy a gép hangkártyájának a digitális kimenete és az erősítő össze van kötve egy koaxal(aranyozott dugók) , és mikor kapcsolgatom a lámpát akkor kattog a hangfal és úgy az 5. kapcsolás után elhalnak a hátsó hangfalak. Mi az oka? a Gépben lehet a hiba? Rosz a táp nem bírja az áramingadozást? Előre is köszi. |
Bejelentkezés
Hirdetés |




! Működik, 2 diódával már jó.








