Fórum témák
» Több friss téma |
Szia.
Nagyon egyszerű, ahol kattog ott kell keresni. Multiméterrel kitudod mérni melyik szál hova, de tök mindegy a vezérlőn melyiket melyikre kötöd. Ha jól emlékszem akkor a barna színűek azok a vezérlőn.
Ahol kattog az indexrellé ott semmit nem fog találni, mert az a közös szál van csak ott, és ott nincs jobb és bal oldal!
Attila86: első ajtónál keresd meg a vezérlőszálakat arra kösd a riasztót, ahátsó motorokat amiket beépítesz kösd az elsők motorszálára. Az ablakot most egy modul vezérli valószinű a központizár valamelyik részéről veszi a jelet a lezáráshoz ezt szerintem ne piszkáld mert ez müködni fog ezután is- mert a központizár is dolgozni fog-. Idézet: „Attila86: első ajtónál keresd meg a vezérlőszálakat arra kösd a riasztót” Ez egy központi zár, nem riasztó! Idézet: „ahátsó motorokat amiket beépítesz kösd az elsők motorszálára” De honnan tudom hogy melyek az elsők "motorszála"? Mondjuk ezt még kitalálom, ez nem gond. A probléma azzal van, hogy az előző hozzászólásokban linkelt bekötési rajzon 6db vezeték van amik a központizár-motorok meghajtására vannak. Narancs, fehér, sárga, narancs/fekete, fehér/fekete és sárga/fekete. Ezek közül melyik micsoda?
Kicsit visszább lapozol, vagy rákeresel, többször, visszatérően ki lett vesézve...
2db váltóérintkező áll rendelkezésedre, 2*3=6. Van egy közös, egy alap esetben ehhez zárt és egy működés közben ehhez zárt érintkező relénként, abból pedig 2db. Ha 5 vezetékes motor van elöl, akkor meg kell keresni, melyik 2 a motor szála, erről is írtunk már regényeket itt kicsit visszább... A 2 vezetékes motornál nincs gond, csak a polaritást kell eltalálni. Ha utólagos lenne a kp zár, akkor mondanám, hogy kék és zöld a motorok szála... Üdv Inhouse
Most rászántam bő egy órát. Így már világosabb egy kicsit a dolog, de még mindig nem értem teljesen.
Az oké hogy 2db kétállású relé van a vezérlőben, melyből egyik nyitáskor, a másik pedig záráskor húz meg egy pillanatra. Azt is értem hogy ezáltal hogyan történik a kétvezetékes motorok működtetése. A visszaolvasgatástól már azt is tudom hogy az ötvezetékes motor azért ötvezetékes mert van benne egy kétállású mikrokapcsoló ami a zár fizikai állásától függően vagy az egyik, vagy a másik érintkezője felé zár. Viszont az még mindig nem világos hogy ezzel a mikrokapcsolóval (mely az első két ajtóban van) hogyan nyílik ki a többi ajtó. Tehát hogyha kézzel vagy kulccsal kinyitom vagy lezárom mondjuk a vezetőoldali ajtót, akkor a többi ajtót hogyan fogja működtetni a vezetőoldali zárban lévő mikrokapcsoló.
van egy vezérlőegység ami váltotpolaritással vezérli a mikrokapcsoló alapján a motorokat.
jól írod de egy fontos dolgot tennék még hozzá léteznek bistabil központi zárak is!
Magyarán nem csak egy jelet ad a vezérlésnek hanem tartásba marad :whistle:
És a mikrokapcsolót hogyan kell bekötni a vezérlő 6db lábára? (a két morzerelé érintkezőjére)
Az 5 vezetékes motor mikrokapcsolója ad jelet a vezérlőnek (egy doboz minimális elektronikával, gyakorlatilag a statikus jelből csinál adott hosszúságú impulzust), ami kapcsolja a benne levő reléket, amik a motorokat kapcsolják.
Ha az 5 vezetékes motor mikrokapcsolója testet kapcsol (99% igen), akkor annyi a dolgod, hogy a vezérlőd 6 vezetékéből levágod az NC jelzésűeket, a COM-okra testet adsz, és a 2 maradék NO lesz a kapcsolószálad. Ebből egyik a nyitás, másik a zárás, ezek mennek a motor mikrokapcsolójának NC és NO lábaira. Üdv Inhouse
Mi marad tartásban? A motorban levő mikrokapcsoló biztosan, ezért kell az elektronika.
Olvastam már 4 vezetékes, meg 2 vezetékes kp zárakról, látni nem láttam még élőben... Üdv Inhouse
Hogy áll a saját készítésű autóriasztó/fedélzeti számítógép project?
Üdv Inhouse
Első körben a fogyasztásmérő funkcióját szeretném majd megoldani és leprogramozni, ehhez viszont az injektortól és a sebesség-jeladótól kellene 1-1 vezeték amin impulzusokat és impulzus-szélességeket mérnék. Ha ez megvan akkor tudom leprogramozni a fogyasztásmérést, addig még a hardvert sem tudom 100%-ra kitalálni. (De a mérési elv elv már megvan.)
Nos az a helyzet hogy itt már rögtön nehézségekbe ütköztem, mert nem tudom hogyan kell szétszedni a műszerfalat. Még azt a nyamvadt központi zárat sem találtam meg mert nem akar lejönni a kárpit hátul... Sőt, az ajtókról sem tudtam leszedni a kárpitot a kilincsek és hátul az ablakok 'tekerője' miatt. Ja meg a műszerfal-világítás izzóit is ki kellene cserélnem mert kiégett kettő, de ahhoz sem tudom hogy férjek hozzá. Kellene egy emberke aki tudna segíteni nekem és szedett már szét régi swiftet, tudja hogy hogyan jönnek le a belső burkolat egyes részei és mi hol van eldugva az autóban (központi zár, sebesség jeladó...). Amúgy egy távirányítós központi zárat vettem már, ez lenne a 'fedélzeti számítógépem' egyetlen olyan része amit nem én készítek el. Egész egyszerűen csak azért mert ilyen szép távirányítót én nem tudok gyártani. Majdan ennek a központi zárnak a jeleit fogja kapni az én elektronikám.
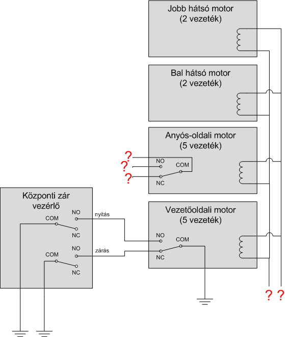
Megrajzoltam amiket mondtál. Jól értettem? És a kérdőjelekkel jelölt vezetékeket hova kössem?
Suzuki Swiftnél a belső nyitó körüli műanyagon van alul-felül 2-2 műanyag pöcök, szögletes nyílással a közepén, amik az ajtón maradó ellendarab pöckökbe akadnak. Vigyázz, könnyen törik!
Az ablaktekerő egy omegarugóval van rögzítve. Csinálj egy 1,5-2mm-es átmérőjű acélos drótból egy kis sugarú kampót! Kicsit feszítsd el az ajtókárpitot a tekerőtől, hogy legyen közte pár mm hely. A kampót bele kell akasztani az omega tetejébe és lehúzni a helyéről...utána a tekerő lehúzható. Kell hozzá egy kis kitartás és gyakorlás, a következő utána már könnyebben fog menni... A kárpitot patentok fogják körben, ezek vagy benne maradnak az ajtóban, vagy eltörnek, esetleg a helyükön maradnak...pótlásról gondoskodni kell. A Suzukiban vannak trükkös dupla patentok is. Ezeknek a közepében van egy kis hegyes műa. darab, ez rögzíti. A kivételhez óvatosan , kicsit!!! (kb 1-2mm-re) be kell tolni a közepét, fogod érezni. Ha sikerült, akkor ki lehet egyben venni. Ha túltolod, beleesik a kaszniba, vehetsz helyette másikat, jó drága... Visszafelé, fogod a kezedben és a középső pöcköt kihúzod, kb. 3-4mm-re, fogod érezni és így rakod a helyére, a rögzítéshez benyomod a közepét, hogy szineljen a szélével. Üdv Inhouse
Sehova.
A motorokat a saját vezérlője vezérli, nem kell törődnöd vele. Az anyós ülés felől levő mikrokapcsolója gyárilag párhuzamos a másik oldallal, mindegy melyikre kötöd... Üdv Inhouse
Tehát a motorokban is van külön elektronika? És a motorok tekercseit hova kössem? Azt hittem hogy a központi zár reléi és/vagy az 5 vezetékes motorok mikrokapcsolói kapcsolják a tekercsekre valahogy közvetlen a 12V-ot.
Végre sikerült leszednem a burkolatot! Lefényképeztem és méricskéltem, eredmények a mellékletben. Ez most engem teljesen összezavart, elképzelésem sincs melyik vezeték melyik lehet és hogy az út központi zárat hogyan tudom bekötni helyette. Tudnál segíteni?
Még pár kép:
Nincs a motorokban elektronika, csak egy motor és esetleg egy mikrokapcsoló. Az elektronika egy kis dobozban van a műszerfal alatt, vagy a környékén, és központi zár vezérlő elektronikának hívják.
A motorok mikrokapcsolói által kapcsolt statikus jelből csinálnak egyszeri impulzust. Üdv Inhouse
Keresd meg az ajtóban a motort, és ott nézd meg, hogy 5 vezetékes-e? Ha igen, írtuk már itt a fórumban párszor, hogyan lehet mérni és kikövetkeztetni, hogy melyik vezeték micsoda, és mit kapcsol...
Üdv Inhouse
Sziasztok!
Lenne egy nagy gondom a riasztómmal. Fél éve lett beszerelve, semmi gond nem volt vele. Thunder CA103 a pontos típusa azt hiszem, a központi zár is thunder. Alapból úgy volt beállítva ugye hogy motor inditásakor bezárja minden ajtót, ha leállitom a motort kinyitja az összes ajtót. Utóbbi hónapokba SAJNOS ha pl egy vasúti sinen átmentem, kinyitott, pár másodperc mulva becsukott. Aztán már utóbbi idöbe 1-1 aknafedélen miatt is csinálja (persze olyanon amin nincs szintkülönség, a többit én kikerülgetem...), és most voltunk kirándulni egyet Balcsin, ez betett neki... Mostmeg már sajnos folyamatosan ki be nyitja csukja néha folyamatosan pár másodpercenként... Sőt a vezető oldalon fura kattogó hangot is hallok már, mintha akarná csukogatni, de nem tudja, vagy nemtudom, valami rendszertelen kattogást néha néha. Szerintetek mi a baja? Mit csináljak vele? Nem lehet kikapcsolni azt a funkciós hogy motor indulásakor ne zárjon be, akkor lehet nem csinálná De ez csak egy ötlet.Van valakinek ötlete, tapasztalata? Üdv John
Szedd szét a vezetőoldali ajtót, valószínű, hogy az a motor haldoklik.
A döccenőtől való nyitás-zárás lehet kontakthiba a vezetékben, de lehet az is, hogy pont oda van állítva a motor a mikrokapcsoló billenésére és minden döccenőre reagál, hol ide, hol oda kapcsol. Üdv Inhouse
Ha már úgyis szétszeded az ajtót, akkor érdemes megnézni az ajtóátvezetőnél is a kábelköteget, nem-e ott a bibi. Nekem ott volt.
Üdv Jani
Köszi az ötleteket. Azt azért kifejtenétek mit kezdjek vele ha szétbontottam részletesen
![]() Mire figyelek, hogy jöhetek rá a hibára? Nem vagy szakember csak informatikus, szóval anyira nem értek ezekhez. Üdv John
Szerintem meg, ha fél éve volt beszerelve, és véletlenül nem saját magad csináltad, hanem szervízben csináltattad, akkor oda kell visszavinni és megkérdezni a garanciát, hogyan működik náluk...
Az az igazság oda nem szívesen vinném vissza. Elég gány munkát végzett már a borítás leszedésébe is (megkarcolta kilincseknél), és jól le is húzott, kamu szöveggel rátett a megbeszélt összegre. Full inkorrekt volt.
Szerintem ez is le van írva itt párszor, kicsit visszább.
A vezető felől lesz egy 5 vezetékes motor, ha minden igaz. Nézd át az ajtóba menő vezetéket, de szerintem ennyi idő alatt nem törhetett el. Az 5 vezetékes motorban van egy mikrokapcsoló, aminek 3 lába van, általában testet (fekete) kapcsol a zár állásától függően, egyik, vagy másik (fehér és barna) vezetékre. A mikrokapcsoló néhány típusnál a motor útjának közepén kapcsol, az újabbaknál inkább az egyik széle felé. A szerelésre vannak szabályok: - minél rövidebb rudazat - a rudazat párhuzamos a zár rúdjával, amit mozgat - a két vonal között ne legyen túl nagy távolság - legyen stabilan rögzítve a motor és a pálcája - ne szoruljon - legyen úgy beállítva (előre-hátra állítható a lemezeken található hosszúkás furatokban), hogy a motor könnyen végig tudja vinni a nyitáshoz/záráshoz szükséges utat, és közben a mikrokapcsoló határozottan, és ne a legszélén kattanjon. A motorok végén általában saruk vannak, azokon keresztül kapcsolódik. Ha lehúzod, tudod mérni ellenállásmérővel, hol kapcsol, ha mozgatod kézzel. Ha nincs rajta az 5 vezetékes motor, nem tudja a vezérlő, hol állnak a motorok. Ha szétszedted az ajtót, akkor csinálj képeket a beszerelésről...de légyszíves ne mobillal, és ne homályos, túl közel, tapogatózósat... A szétszedés is trükkös lehet, írd meg, milyen az autó... Üdv Inhouse
Ok köszi szépen, meglátjuk milesz. Most esik nagyon az eső, úgyhogy hétvégén lehet hogy nem tudom megnézni szerintem. Remélem nem lesz nagyobb baja addig...
Amúgy Daewoo Lanos, márkaforumba van pár rendes ember akik már feltöltöttek hasznos dolgokat, ajtó szétszedés, hangszóró csere stb. Szal remélhetőleg menni fog. Hiba detektálás lesz kérdéses Üdv John |
Bejelentkezés
Hirdetés |




Multiméterrel kitudod mérni melyik szál hova, de tök mindegy a vezérlőn melyiket melyikre kötöd. Ha jól emlékszem akkor a barna színűek azok a vezérlőn.









De ez csak egy ötlet.





