Fórum témák
» Több friss téma |
Az RA6363 nem is durran akkorát, mint az AIDA-CLEOPARTA rádió! Mert azoknál ha átváltasz Mágneses hangszedő bemenetről bármi másra, az előerősítő modul egy pillanatra 8Vpp!!! jelet ad ki, mivel a korrekciós tag kikapcsolásakor egy pillanatra megszűnik az negatív visszacsatolás és ezzel "végtelenre" nő az erősítése addig, amíg be nem kacsolódik a körbe a visszacsatoló ellenállás.
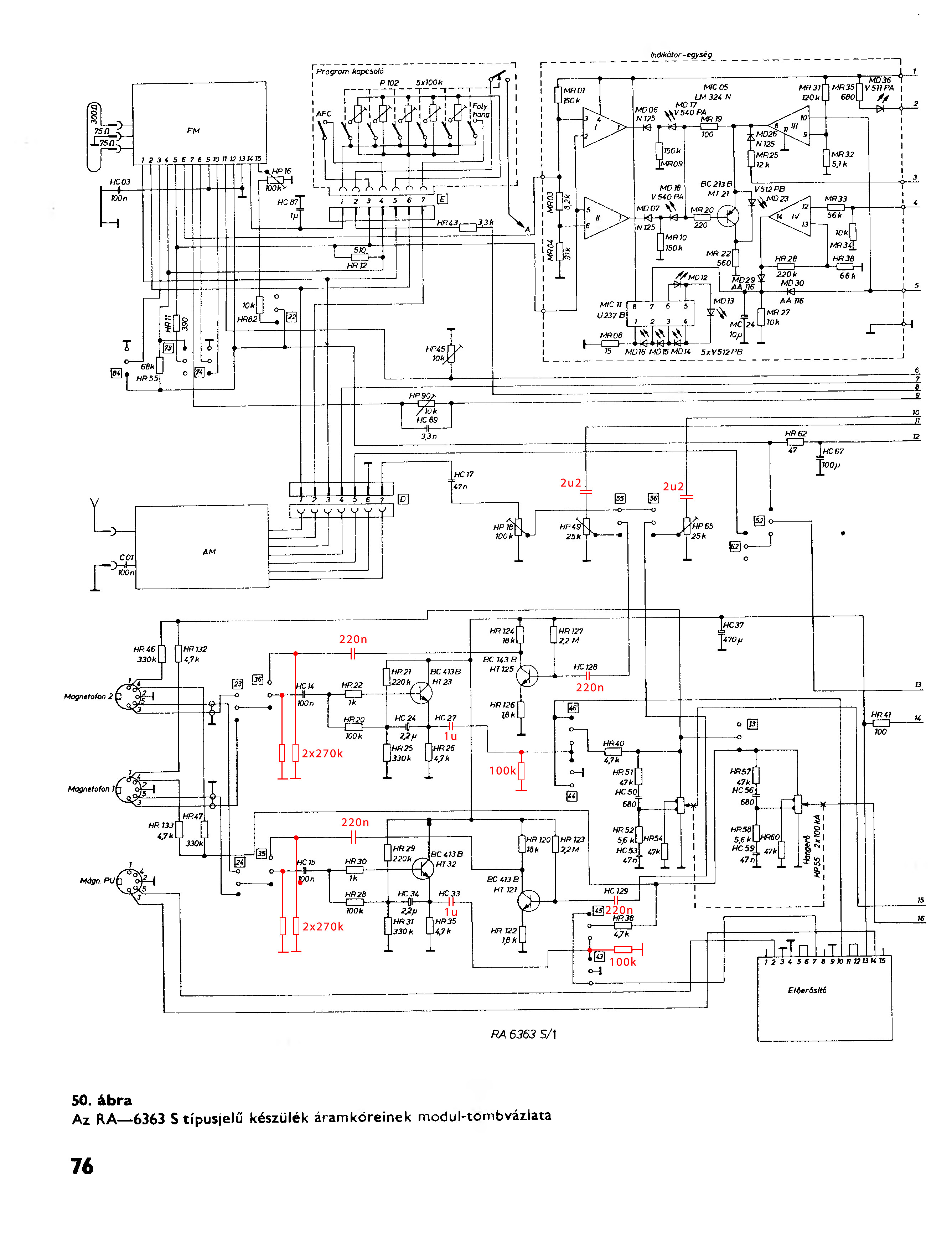
![]() Az RA6363-nál viszont lehet csökkenteni pár csatoló kondenzátor és egy két lezáró ellenállás használatával.
Itt van a rajz, hogy mit kell csinálni!
A következő kondenzátorokat javasolom pl. a LOMEX-től 07-09-03 220nF 50V kerámia multilayer 07-10-18 1µF 50V kerámia multilayer pár forintból meg lehet úszni az egészet és az eredmény nem marad el!
Köszönöm a rajzot, kipróbálom mit csinál így!
A HC27; HC33 ha jól látom alapból 1µF-os, ezeket direkt rajzoltad át? Azzal kapcsolatban mit tapasztaltál, hogy a hangjában okoz ez a kis átalakítás észlelhető változást? Természetesen nálam sem durran akkorát mint egy Cleopatra, nem kellett attól félni, hogy a hangszórók kikönyökölnek , de azért ez is elég zavaró...Még egyszer köszi a segítséget! Üdv: Laci
A két kondenzátort direkt rajzoltam át, mivel ki kell őket cserélni valamilyen nem polarizált típusra. A hangjában okoz némi változást, egy kicsit kiegyenlítettebb lesz a hangképe
Sziasztok!
Kaptam 2db ilyen 6363-ba való végfokot, és beleszeretném tenni 6383-as vidi erősitőbe, ami + - 34V-os trafóval rendelkezdik. Hány voltos a 6363 tápja, áttudom tenni? Köszi!
Az RA-6363 tápja +/- 31V-os, szerintem átteheted a végfokjait a 6383-ba.
Nem tudom milyen végtranyóid vannak hozzá, ha a TE1820-1819 páros, akkor talán kicsit neccesebb, de szerintem még elviseli a +/- 34V-ot (sajnos adatlapom nincs hozzá, csak tippelem, hogy a TE valamivel kevesebbet bír), viszont ha már valami cserélt pl. BD810 vagy 910 páros van benne akkor 100%, hogy simán átrakhatod a 6383-ba.
Köszi a segítséget, áttettem őket, gyönyörűen szolnak!
Viszont lenne egy újabb kérdésem! Végtranzisztor pár BD244A és BD809V. Ezeket kicserélem 6383-ban gyárilag lévő 809-810 vagy 910-es párosra akkor növel-e a teljesítményén? Előre is köszi!
A teljesítményén nem növel, de én mindenképpen kicserélném, mivel ezek nem rendes komplementer párok, a BD911-912 páros a legjobb, ez könnyen és olcsón beszerezhető ma is, emellett kisebb az esélye, hogy hamisat kapsz.
Ha cseréled a végtranyókat a bekötésükre figyelj, mert pl. az RA-6363 rajzán fel van cserélve az NPN és a PNP tranyó. (a 6383 rajzán nem tudom így fejből, hogy van feltüntetve).
Rendben kicserélem, a 911-912 páros strapabíróbb is lesz mint a mostani?
Sziasztok!
Van egy ra6363mam és szerelő meg nézte, a két végfoka zárlatos és elég boros árat adott rá, az lenne a kérdésem hogy ki menyért vállalná?Köszi Üdv. Van hirdetési részleg!
Sziasztok!
Van egy ra6363mam és szerelő meg nézte, a két végfoka zárlatos és elég boros árat adott rá, az lenne a kérdésem hogy ki menyért vállalná?Köszi Üdv.
A két végfok félvezetőit fillérekből újra lehet cserélni. Ha ezeket kicseréled és átnézed az ellenállásokat(főleg a végtranzisztorok környékén), akkor mennie kell ezután.
Sziasztok Videoton rajongók. Hozzájutottam egy RA 6363 s típusú erősítőhöz és szeretnék megtudni 1-2 dolgot ebben kérném a segítségeteket. Az normális ha hozzáérek a power, tape2, phono, fm, am, fm2, mute valamelyikéhez akkor az erősítő elhallgat.
Igen normális jelenség. Ezzel hivatottak kivédeni a gombnyomásra jelentkező pukkanó hangot a hangszóróban.
Lenne még kérdésem! A bekapcsoláskor keletkező pukkanást hogy tudom elkerülni ?
Szia! A hibát egy koppanásgátló áramkör oldaná meg........
Elvileg van benne egy be-és kikapcsolási koppanásvédelem, a készülék hátuljánál, a biztosíték panelen vannak az alkatrészei, és a szabályzó modulba megy a némító jel. Gyakran meghibásodott, a diódákat meg kell nézni.
Sziasztok!
A mai nap folyamán szert tettem egy videoton ra6363s típusú rádiós erősítőre. Kicsit leharcolt állapotban van, ezért egy nagy átalakításra készülök, mind doboz, mint áramköri szinten. Kérdések:befolyásol e valamit a végfok működésében(csak végfokként használnám),ha az fm egységet, a riaa korrektort,illetve a dekóder áramkört kiiktatom?(az fm egységnél nem csak az árnyékolt dobozkát értem,hanem az egész memória alaplap is kivételre kerülne...). Lehet e valami folytán növelni a kütyü teljesítményét,ha igen, akkor milyen végfokok,meghajtók lennének még az ideálisak hogy a gyári trafó még elbírja,a növekedést???Ezért is lenne a felesleges áramköri elemek kiiktatása,mert a 130w - os trafóból egy max 2X50 Watt teljesítményt megfelelő kondikkal ki lehetne paszírozni..... A válaszokat előre is köszönöm'''
Ennél a kütyünél a némítást én személy szerint nem nagyon kedvelem, mint védelem, mert mert könnyen kijátszható akár akaratlanul is és akkor újra ott a kopp.Elég ha a bekapcsoló gombal egy időben megérintjük a fém fedlapot is(testelünk),és már is nem működik a dolog......
Jó súlyos darab, lehet, hogy azért csinálták ilyen nehézre, hogy a "user" ne tolja el a szekrényről, vagy az asztalról, mikor nyomja a bekapcsoló gombot...
![]() A bekapcsolási némítás szerintem független az érintőgombtól. De majd utánanézek. Amit Te írsz, az az üzem közbeni némítás, az valóban nem működik, ha testeled a némítókört. Tipikus hiba, hogy valamelyik Isostat kapcsoló száráról leugrik a rúgót tartó zéger, és a rógó leugrik, ami miatt letesteli házhoz a némítókört, és nem megy az érintésre némítás miatta. Leginkább a hálózati kapcsolónál fordul elő.
Ezt pontosan én sem tudom,de nem is nagyon érdekel hogy őszinte legyek mert a másik jó állapotban lévő erölködőmböl én kiiktattam és beépítettem egy kopp gátlót,ami a mai napig működik.
A némítás amúgy is idegesítő,főleg akkor ha az ember hangosan hallgat zenét pl házibulin és oda nyulkál ahova nem kellene ittasan,és ekkor jönnek tánc közben a szép szavak mindenkitől... .Az előző kérdésemre azért még várnék egy választ valakitől,mert addig nem akarom folytatni a kütyüt.........
Hello! Fu én ennyire nem értek hozzá:S a szervizben 8ezret akarnak kérni:O
Nna, akkor itt a válasz
![]() Kiveheted a modulokat, csak a szabályzó modult ne vedd ki. Amiket felsoroltál, kivehetők, az erősítő része menni fog. Mivel a teljesítményt leginkább a tápfeszültség nagysága, illetve a táp teljesítménye korlátozza, ezért nem igazán tudsz növelni rajta. Esetleg egy Texas kapcsolással nagyobb kimenőfeszültségig kihajtható lenne a végfok, de a Texas 4 Ohmra nem jó, már 8 Ohmon is épphogy megy. A trafó épphogy elég így is az erősítőbe, többet nemigen bír. Lehetne esetleg nagyobb áramú végfokot csinálni bele, és kisebb impedanciájú hangszórót hajtani vele, de a táp nem bírná.
8 ezret??? Mire?Max 5 ezret ér az egész cucc,ha teljesen hibátlan......
Köszi.A szabályzó modult nem is akartam kivenni,csak a loudness részét.Most hogy írtad,lehet tényleg határeset ez a táp,már csak azért is mert hármonegyed hangerőn már igencsak pislákolnak azok az izzók.
![]() Akkor jön a második felvonás.Mivel minden fölösleges dolgot kiveszek belőle,ezért lesz egy kis hely a házikóban,,így arra gondoltam hogy beletuszmákolok trafóval együtt mégegy ugyanilyen vidit a házba... csak fejjel lefele elvileg ha jól oldom meg belemenne... -nem akarom a másik roncsot elpazarolni.Bár lehet hogy csak elméleti dolog lesz,mert szerencsétlen trafók nem kapnának levegőt..........sőt.....biztos...... Harmadik felvonás: két táp bele a dobozba,és építek hozzá egy pöpec kis 100w-os végfok modult... RÁmjött az épithetnék........
Hello!
Van egy ilyen erősítőm, az a baj vele, hogy túl érzékeny(ez annyira nembaj mert teszek rá egy másik potmétert.) nagy az alapzúgása meg néha a bal vagy a jobb csatorna recseg, ha megütöm akkor egy ideig jó. A zúgásra szerintem egy kondenzátor csere jót tenne, de nemtudom melyiket kéne legelőször kicserélni.A pufferkondenzátorokat már kicseréltem.
Szia! A recsegés hol jön elő?Rádió vagy erősítő rész?Amúgy általában valami kontakt hiba okozhatja,valamelyik poti koszos lehet(volume,balance).Én a táprésznél mindig az olcsóbb kondikkal szoktam kezdeni.Ha esetleg nem is azok a hibásak azokat is kelessz idővel úgyis cserélni,mert öregek már.Pl a végfokmodulokkal szemben lévő három kék....
A recsegés az erősítőnél jön elő.A volume egy kicsit recseg, de nemvészes.A balancet meg kikötöttem(nagyobb hangerőn emiatt kezdett el recsegni.)Most meg csak akkor jön elő amikor kis hangerőn van.
Indulj el előröl.
Szedd ki a szabályzó modult és az audió bemenetet kösd direktre a végfokon(de azért nem árt közbe iktatni egy potit ) Ha így is recseg a végfokot kell átnézned,ha nem a szabályzó,vagy előerösítő körben lesz a bibi.... |
Bejelentkezés
Hirdetés |






.Az előző kérdésemre azért még várnék egy választ valakitől,mert addig nem akarom folytatni a kütyüt......... 




