Fórum témák
» Több friss téma |
Szia!
2*25V-ból sehogy. Minden toroid közepén marad egy kis lyuk, így bele lehet tekerni néhány plusz menetet (megfelelő keresztmetszettel), hogy 2*29(31)V jöjjön ki, innen már egyszerű. A Graetz feszültségesését figyelembe kell venni! A hozzászólás módosítva: Aug 13, 2013
Ez így nem igazán baba. Tekerj rá, jobban jársz, ki bírod venni a teljesítményt a trafóból.
Hogyan számítsam ki a huzal keresztmetszetét meg a menetszámát, hogy kijöjjön az említett feszültség.
A toroidod teljesítményét ismered? I=P/U, ez a szekunderen is érvényes. Mivel külső tekercs lesz, vehetsz 3A/mm2 áramsűrűséget, innen egyszerű mértan. ((Isz/3)*(4/3.1415))0.5, na ez lesz az átmérő. A menetszámot kikísérletezed; először rátekersz 10 menetet akármiből, és megméred hány volt lett, innen arányosságszámítás.
A hozzászólás módosítva: Aug 13, 2013
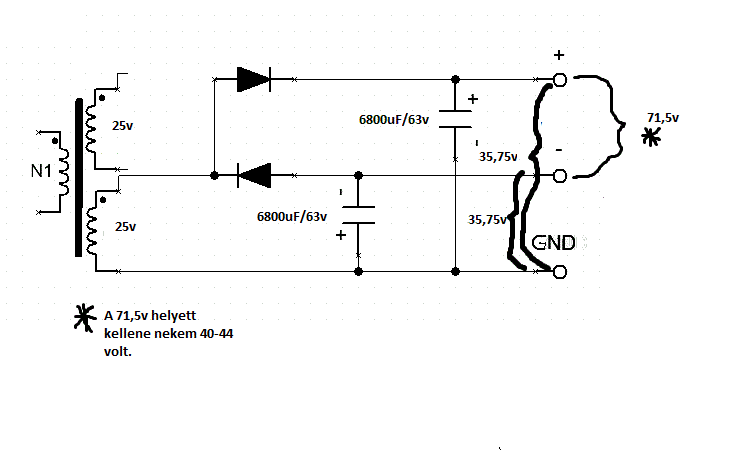
Van nekem itthon egy toroid trafóm. Adattáblán ez szerepel: TP0350-031 B4000SUB 350VA
Bemenet az 2*110V (ezzel minden ok) Kimenet 30V 0V 30V 5,8A Ebből szeretnék építeni Attila86 SMPS Labortápegység II megépíteni duplán. De itt jön amit nem tudok. Kimértem a kimenetet, és a kimenő vezetékek alapján 2*2*30V jön ki. Kiszámoltam, hogy egy ág teljesítménye (P=U*I) 174W. Elvileg a trafó 350Wos lenne nem? Akkor belül közösítve lehetnek a kimenetek? Ha megbontom, elképzelhető, hogy szét tudom választani külön ágakra, és ebből építem meg a dupla tápot?
Hogy van ez? 3, 4 vagy 6 véged van a szekunderen? Ha két tekercsed van, tekercsenként ~175VA a kivehető teljesítmény. Párhuzamosítva 350VA.
6 kivezetésem van 4 kék (ezen van a 30V) és 2 fekete (ez a 0V). De megmérve mind "közös", azaz nincs elválasztva. Tehát mind a 6 kivezetésnél sípol a műszer.
Olyan kivezetések vannak, amik közt 60V-ot mérsz (netán még többet)?
Idézet: „Tehát mind a 6 kivezetésnél sípol a műszer.” Nem "sípolóval" állapítjuk meg, hogy mi mivel hogyan van összekötve. Mérjél mindegyik pár (6*5/2 = 15 mérést kell végezned) között feszültséget.
Csatolom a méréseket.
Mind V-ba értendő, terheletlen állapotba. A hozzászólás módosítva: Aug 16, 2013
Ez cseles: 2*33(30 lehet terhelve)V, minden tekercsvég duplán kivezetve, és nem függetleníthető a két tekercs.
Csak akkor nem értem, a 350VA-t. Lehet, hogy belül közösített, de szét lehet választani?
Szia! Terheld be 1-3-at néhány amperrel! Ha 1-2 között V nagyságrendű feszültséget mérsz, akkor elképzelhető, hogy dupla a szekunder és külön ki van vezetve.
Ugyan annyit mérek mind a két ponton. 12cm átmérőjű és 7cm magas toroidról van szó. Én kicsit keveslem ha csak közös és csak 5,8A ad le vagy ezt úgy kell nézni, hogy 2*30Von 2*5,8A ad le?
Egy ilyen toroidom van.
330VA. Tekercs kiosztása: Primer: 230V Secunder: 36,5V-24-20-0-20-24-36,5 (V) Labortáp szempontjából nekem nem jó a középkivezetéses kivitel. Kérdésem lenne, hogy ezt könnyedén át lehet tekerni? Vajon mennyit kell letekerni, hogy elérjem a '0'-t, hogy ott külön tudjam bontani? Még toroidot nem szedtem szét, és nem tudom mennyire lehet nehézkes a dolog. A hozzászólás módosítva: Aug 17, 2013
A 2x30=60V és az 5,8A terhelhetőség szorzata reális teljesítményt ad, a méret is klappol
![]() Sajátos, hogy a tekercsvégek és a középmegcsapolás dupla vezetékkel lettek kihozva. Bizonyára az áramerősség miatt volt rá szükség.
Ez egy visszatérő trafó itt a fórumon, és már többször kiderült róla a "turpisság". Mellékeltem egy rajzot, és azt tételezem fel, hogy szerinted az 1. jelű tekercselrendezéssel állsz szemben. De ennek ellentmond a tekercsenkénti különböző terhelhetőség, illetve az összes teljesítmény. Sokkal valószínűbb a 2. jelű elrendezés, ami magyarázat lehet minden dilemmára.
A tekercsek megbontásának nehézsége attól függ impregnálva van-e a tekercs, és mennyire vagy gyakorlott az ilyesmiben. A kivezetett közös végek szétválasztása sikerülhet, de nem garantálható a megbízható működés.
Köszönöm!
Két kérdésem lenne, akkor érdemes megvennem? (nagyon közel állok hozzá, azért írtam, hogy van ilyenem) A Te labortápegységedhez kellene majd valamikor. Ha nem nyúlok hozzá, akkor is megoldható a Te általad csinált 2.7.4-es labortápegységhez való alkalmazása? (2-t építenék meg belőle) Gondolom így majd ugrik a tápegységek sorba kötése. És ahogy nézem ezt ki sem lehet mérni műszerrel, hogy melyik elrendezés.
Ha nem vetted meg eddig, akkor inkább nem kéne, ha az a célod, hogy két labortápod legyen belőle. Ha megvetted, akkor is inkább el kéne adni/cserélni...
A ráírt áramok alapján szinte kizárható az első verzió, hiszen akkor az alacsonyabb feszültségek felé haladva nem csökkenhetne a megengedett áram (továbbá akkor rajta kéne legyen, hogy a kisebb feszültségű kivezetések áramánál a nagyobbak áramát is figyelembe kell venni, hiszen ugyanazt a vezetéket melegítik). Nem olyan irreálisan nehéz két független szekunderrel megáldott trafót venni, hogy érdemes legyen egy szép, "gyári" trafót szétberhelni. Ha korrekt, akkor tényleg ki is van öntve, na akkor aztán küzdelmes lesz a dolog. Ha pedig annyira olcsón adják, hogy pusztán ezért megvennéd, akkor meg egy labortápot azért tudsz belőle építeni, igaz, a trafó teljesítményét (330VA) közel sem fogod tudni kihasználni, emiatt valószínűleg nem lesz túl gazdaságos a dolog. A hozzászólás módosítva: Aug 17, 2013
Sajnos csak ilyet találtam, ez 5e Ft.
Más nagyobb feszültségű, és főleg független '0'-val rendelkező nem nagyon van. Vagy esetleg tudsz valamit, ami jó lehet? Labortápnak nekem 30-40V körüli kellene, nem akarok ilyen 20V-al kisérletezni, mert előfordulhat, hogy nagyobb fesz kell, 20V kevés. De ez alapján független '0'-s trafó, nem? Bővebben: Link De nekem az 2.2A elég lenne olyan nagy feszültségen, ha tényleg osztott '0'-s. Ha meg kisebb kell, akkor relés vezérléssel átkapcsolom a 20V-os ágra, és akkor 3A-t tud. Ez így kivitelezhető, nem? Vagy Esetleg nem tudsz valamit? Én már sokat kerestem, de semmi normálisat nem találok. Amit találtam, egy darab toroid, 20.5V 3A 2500-ért, az jó lenne, ha nagyobb lenne a feszültsége. Újan a toroid meg nagyon drága nekem. Idézet: „De ez alapján független '0'-s trafó, nem?” Szerintem a rajta levő feliratok alapján ez egyáltalán nem 100%. De a kedves eladót meg kell kérni, hogy mérje meg; ha független, akkor a két nullás kivezetés között szakadást kell mérnie. Vagy keresni valakit, aki már épített ilyenből valamit. Hogy egyáltalán szétbontható-e értelmesen, azt is leginkább olyan tudná megmondani, aki már próbálkozott vele. Idézet: „Ha meg kisebb kell, akkor relés vezérléssel átkapcsolom a 20V-os ágra, és akkor 3A-t tud. Ez így kivitelezhető, nem?” A 20V-os ág 2.5A-t tud... Ez üzembiztosan úgy tudna működni, ha raksz bele egy szép nagy átkapcsolót, ami átkapcsolja a trafó kivezetéseit relével, plusz a tápban az áramkorlátot maximalizáló trimmerpotit is átkapcsolja (ide kell egy fixen bekötött poti, meg vele sorban egy másik, amit söntöl a relé). Nem lehetetlen ez így, de a két eltérő max. áramot ugye két trimmerrel kell belőni, mert a trafód leég, ha 2.5A-rel terheled a nagyobbik tekercset, és a táp által felvett áramot semmi más nem korlátozza, csak az a trimmerpoti. Idézet: „Újan a toroid meg nagyon drága nekem.” Annál drágább nincs, mint amikor olyasmit veszel, ami aztán nem is jó a kívánt célra... A Lomexban egyébként kapsz 150VA-es, 2x30Vx2.5A-es toroidot nettó 5900 Ft-ért.
Köszönöm!
Mindenképpen megmérem, amikor megveszem, szeretem saját szemmel látni. Aki itt az oldalon épített belőle, az is azt írta, hogy független '0' van, de a rajz is akár indokolja ezt kis mértékben, mivel látszik hogy a '0' ághoz 2 kivezetés van. Ha nem, akkor nem veszem meg. Az áramátkapcsolás egyenlőre csak terv, mert lehet a 2.2A is elég. Először megépítem azt a fajtát, ha működik, akkor ráérek átmódosítani, hogy 20V-ig 3A-t is ki lehessen venni. Ha meglesz a trafó, akkor majd megírom, hogy milyen, hogy ha legközelebb valaki vesz ilyet, akkor ne kelljen felesleges köröket futnia, hanem lássa, hogy mi a helyzet. Nagyon szépen köszönöm a segítségedet! Idézet: „hogy 20V-ig 3A-t is ki lehessen venni.” 2.5A-t akartál írni. Kérdés persze, hogy azért a 300mA-ért érdemes-e ezen erőlködni.
3A rémlett, de igazad van!
![]() Csak a képet elfelejtettem, s nincs a kezemben. ![]() Akkor nincs értelme. Köszönök mindent, hogy ilyen segítőkész vagy!
Mekkora bűn egy ilyen transzformátorra még szekunder ágat rátekerni?
Kellene még nekem 6-8V-os szekunder oldal műszerek meghajtására. (oldalanként 100mA körül)
A TE330 toroid transzformátornak függetlenek a szekunder oldalai már biztosan, mérés alapján is.
Remélem másnak is jó információ lesz későbbiekben.
1. Ez mit jelent, nem értem: "függetlenek a szekunder oldalai". Mitől függetlenek? Többen is vannak?
2. Ha van hely, akkor a "rátekerés" könnyen megoldható (azért egy kis gyakorlat nem árt). 3. Nem tudjuk milyen műszereket akarsz táplálni. Ha a LED kijelzős ICL7107-en alapuló kapcsolások valamelyikéről van szó, akkor oda a 100mA nem lesz elég, mint ahogy a 6V se. A hozzászólás módosítva: Aug 22, 2013
1. két szekunder fele független, azaz a GND (0, feszültség közösítések) nincs összekötve. Azaz két oldala van.
2, köszi, szuper!!!! ![]() 3, én ilyeneket használok (igaz még csak a 2 vezetékes változatát, ami a mérő ágról veszi a működéshez szükséges feszültséget) , nincs velük gond, és lehet őket kalibrálni. Bővebben: Link Power: DC 3~30V de sajnos a felvett áram sem teljesítmény nincs megadva, de szerintem 100mA elég lehet nekik, de 200mA-nál több tuti nem kell. |
Bejelentkezés
Hirdetés |
















