Fórum témák
» Több friss téma |
Helló.
Én nem rég csináltam egyet. Fet és tranzisztor ellenőrző. Mindent LED-del jelez, npn-pnp, n csatornás, p csatornáshoz is jó. Mérhető a saturációs feszültség is, és egy külső kapcsolóval nagyobb árammal is vizsgálhatóak. Az alapkapcsolást itt találtam valahol.
Üdv ! Mivel egyre gyakrabban okoz gondot egy-egy tranzisztor vagy ismeretlen alkatrész azonosítása , igy gondolkodok egy ilyen műszeren.
Ismer valaki hasonló tudásút , esetleg pofásabb készüléket? Nem egyszerű multiméterre gondolok. Pl a Kispestivideó gépe. Köszönve : Öreg T
Van. Semiconductor testernek hívják, az Elector Electronics folyóiratban jelent meg 2005 áprilisában. 16F876 kell bele. A programja (hex) letölthető a magazin oldaláról, de fizetős...
Bővebben: Link
Ingyen is letölthető: SCA2005-V10E.HEX az
Elektor fórumáról. De tényleg van fizetős változata is: Bővebben: Link
Sziasztok!
Van egy két éves nokia 5110 kijelzős teszterem. Az a probléma vele, hogy nem akar mérni. Helyette benyomom a test gombot, majd 10-12s elteltével kiírja, hogy: Cell! Utána meg kiír 3 feszültség értéket mV-ba. De ezt is csak akkor, ha mind a 3 pont rövidre van zárva, vagy 3 lábú alkatrészt teszek bele, esetleg kondit. A hozzászólás módosítva: Júl 22, 2017
Szia!Nekem is volt ilyen jellegü gondom az én teszteremmel.Nekem mega328-al és 2x16lcd-vel van megépitve.Nem emlékszek pontosan de vagy csak ujraégettem az avr-t vagy másik került bele...A problémára azota sem jöttem rá,vagyis hogy miért irta ki amit irt.Valaki tudja esetleg hogy milehet ez a CELL?....
Szerintem egy ujraégetés segiteni fog...Márha megvan a hex hozzá...
Aki nem ismerné az előzményeket, de érdekli:
https://www.hobbielektronika.hu/forum/eloerosito?pg=65 innentől visszaolvashatja. Jelenleg ennél a kapcsolási vázlatnál tart az agyalás tárgya: a tranzisztor mérő (teszter?).
Közben körbecsapkodtak itt villámok bennünket, a net is elment, kihúzgáltam minden dugót a hálózatból és ezalatt átgondoltam elejétől fogva az egészet.
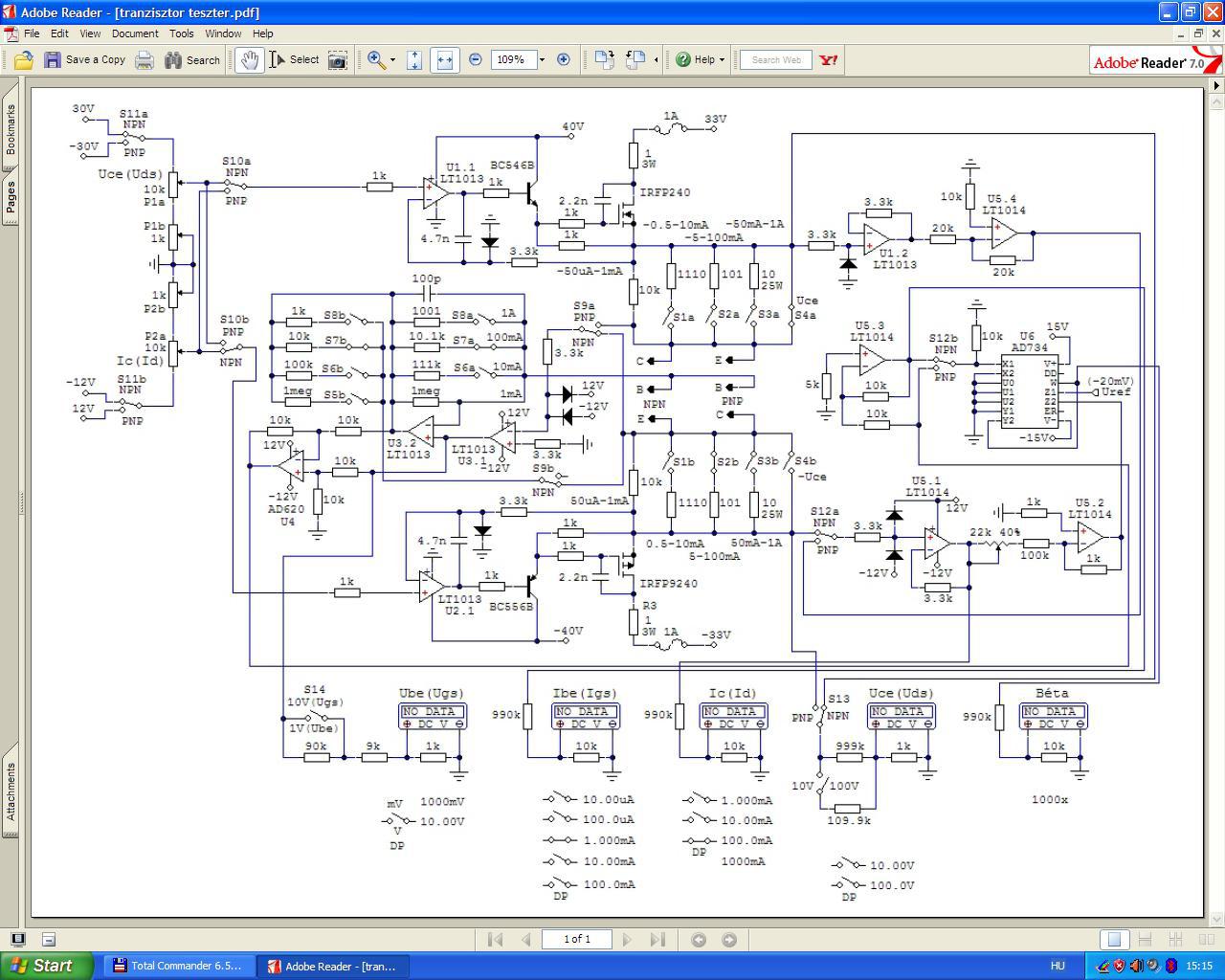
Kiindulásképpen kellett valami elméletet gyártani ahhoz, hogy egyáltalán mennyire bonyolult szerkezet egy ilyen, érdemes-e foglalkozni vele és vajon lesz-e annyira életképes, hogy érdemes legyen kipróbálni. Az elmélet (a kapcsolás) félig-meddig meg van - de vannak itt gazdasági szempontok is, mivel saját költségvetésemből kell mindent megoldani - gatyámat viszont nem akarnám erre elkölteni, tehát főként abból gazdálkodok amim van itthon a fiókban. Viszont azt is figyelembe kéne venni, hogy ha valaki után akarja építeni, akkor az ő gatyája se menjen rá. Olcsó viszont semmiképpen nem lesz a mai alkatrész árak mellett. Egy nyamvadt relé ott van 500-2500 között és amikor ebből kell mondjuk 30 db akkor már szívja a fogát az ember. A kijelző: mennyi és milyen. Mennyi: a kollektor áramot és feszültséget mindenképp ki kell jelezni, mert ezt a két paramétert kell megadnunk a méréshez. A bázis feszültség nagyon fontos, mert az NPN és PNP nyitófeszültsége különböző, tehát ezt is látni kell - FET-eknél pedig az Ugs feszültséget kell látni, mert erre lehet (kell) beválogatni őket. A bázis áram nem lenne annyira fontos, de amikor a Teslával játszottam engem érdekelt volna, de nem tudtam mérni mert zavarjelet vitt be a multiméter. És már említettem egyszer, hogy roppant hasznos lehet átütött gate-ű fetek azonnali kiszűréséhez is. A Béta (h21) mérése sem nem lenne szükségszerű de megszoktuk, hogy ezt a legfontosabb és elsőrendű jellemzője egy BJT-nek... kell ez is. Ez öt. De ezt már többször átszámoltuk és nem lett kevesebb még mindig. Milyen kijelző legyen: pontos. Ezt mindegyik tudja - a panelműszer is, meg az ICL is. Áttekinthető. Ez meg előlap tervezés kérdése - jól kell kitalálni. De személy szerint engem zavar ha egy előlap a karácsonyfára emlékeztet. (A kék LED-et pl. ki nem állhatom.) Engem az is zavarna ha öt LED kijelző világítana és villogna a szemembe - de ez ízlés dolga. Nem néztem meg mennyibe kerül az ICL akármennyi, de kijelzővel, nyákkal, tokkal-vonóval, biztosan többszöröse az LCD-s panelműszernek. Ezeket már használtam, gyorsak és elég pontosak ahhoz ami most ide kell. Ezeket meg fogom rendelni magamnak. Közben vetődnek itt fel mindenféle gondolatok arról, hogy miket tudjon egy ilyen szerkezet. Rövid idejű, impulzus-üzemű mérés, hűtés-fűtés, különböző mérőjelekkel történő vizsgálat, karakterisztika rajzoló, adattárolás, mindenféle számítógépes izék... és még biztosan lesznek egyéb ötletek. Egy kedves ismerősöm már felajánlotta, hogy szívesen megcsinálja PIC-esre, rajzolósra, tárolósra, égigérő dörmögősre. De ugye a legelején amikor még jóformán hozzá sem kezdtem azt írtam, hogy ha létezne ilyen műszer akkor az biztosan a milliós árkategóriába tartozna és nekem akkor lenne, ha lenne. Most csináljak (nem is tudnék) egy méregdrága műszert, vagy inkább egy aránylag egyszerűt, de olyat ami jól használható a gyakorlatban? Egyelőre elindulok a kályhától. Rajzolok egy kísérleti nyákot, ahogy mindig. Ezen kipróbálom a pontosságot, zavarérzékenységet, gerjedékenységet és amit ilyenkor szokás. Egy úttal kipróbálom ezt az AD534-et, mert ezzel még nem volt dolgom. Reléim vannak (Bélának fel tudok ajánlani a felesleges alkatrészeimből annyit, amennyi ehhez fog kelleni - ha komolyan érdekli/foglalkoztatja a dolog) és hasonló műszert már csináltam. A többi majd jön magától... Még talán az előlapot kellene először kicsit átgondolni, hogy mennyi kezelőszerv kell rá egyáltalán és azok nagyjából, hogy legyenek elrendezve.
Nem tudom mennyire fontos az , hogy sok panelműszer legyen , de én úgy látom , hogy megoldható lenne összesen 2db panelműszerrel is .Én a többi érték megjelenítéséhez nyomógombokat használnék.
A Tesla pontosan így oldotta meg a tranzisztor teszterén. Gombokat kell nyomogatni. Ezért mértem még két multival is - a saját egyetlen műszerét kiegészítendő.
Ettől a gombnyomogatástól akadtam ki elsőként.
Mint minden bonyolultabb berendezésnél, itt is előtérbe kerül az olcsósítás. Persze nem minden áron.
Egy drága relé kiváltása olcsó rossz relé el nem megoldás, mert a megbízhatóság és pontosság rovására megy. Viszont amikor megpillantottam a kapcsolást, arra gondoltam, hogy az árammérő söntöket mosfettel is lehetne kapcsolni. Ha gép közelben leszek, megpróbálom le is rajzolni mire gondolok. Ezek a kis LCD panelmérők szinpatikusak. Nem ismerem őket, de talán Alkotó tud valami infót ezekről, neki volt tapasztalata az ilyen uC alapú műszerekről. Úgy rémlik a labortápot csinálta mikrovezérlős ízével, és az a saját AD konverterét használta, aminek volt valami gondja. De csak a méréstartomány legalján. De nekem nincs tapasztalatom velük, talán kétszer találkoztam ilyennel. És ha már mikrovezérlős, akkor valóban elgondolkodtató lehet erre építeni. Egy kétsoros LCD kijelző egymagában ki tud jelezni öt mért értéket is. Meg a mintavételezés és tárolás sem okoz nagy problémát, gondolva a rövid mérési időre. Sőt, még el is tudná osztani a kollektoráramot a bázisárammal. Csak hát tudni kellene programozni. De én már nem fogok megtanulni, és talán Te se. Bár az is igaz, hogy egy igazán értékes műszer nem szoftveres alapokra épül. Bár csak lehet hogy az én analóg szemléletem retteg a szoftveres dolgoktól.
A különféle mért értékek megjegyzése , még ha egyszere van kijelezve is sok. Főleg ha sok alkatrész vizsgálatra kerül sor. Tehát fel írni egy papira , , így is úgy is fel kell majd nem ? Akkor meg felesleges a sok műszer ebből a szempontból. Persze ha ennél a verziónál maradsz , mert ha mikrokontrolleres lesz belőle a végére , akkor már más a helyzet. Persze nyilván olyanra csinálod amilyenre akarod , csak spórolás szempontjából írtam , amit.
Az olcsósításnál én sem arra gondoltam, hogy gagyi alkatrészeket használjunk, mert az nyiván hamar visszaüt. Ezek a Reed-relék elég megbízhatóak és azok NEC miniatűr relék sem az olcsó kategóriát képviselik, de már én is kinéztem az SSR-eket a TME-nél és a múltkor ezt írtam is. Szép hosszú neve van: EPR 211A 064 000 E2 és 500 pénz, meg a posta, meg kell belőle ki tudja mennyi... könnyen repkednek ám a húszezresek. Bár nem tartom magam kicsinyesnek, csak inkább megfontolnak.
Az megint megfontolás tárgya, hogy kellenek-e ide pl. katonai minőségű 10 ppm-es ellenállások újabb százezerért. Igen ez a kétsoros kijelzős izé jó ötlet, majd a következő életünkben programozunk hozzá PIC-et. Az a néhány analóg IC mindenképpen kell bele és azt ki is próbálni első körben, hogy működnek-e rendesen.
Nem is tételeztem fel hogy nálad fog gagyi alkatrész bekerülni egy készülékbe, mert ez a kommersz profitorientált gyárak fegyvere. Inkább az optimális kihozatal mint olyan.
Egy ilyen példa, amikor 1%-os pontossággal kell mérni, pontosabban megjeleníteni 10mA-től 1A-ig. Ez megoldható egy 3,5 digites kijelzővel két méréshatárral, vagy egyetlen 4,5 digites kijelzővel is. Mind a két megoldás jó, és ha egymás mellé tesszük a két megoldás költségeit, kiderült melyik olcsóbb. Ezt még meg kell fejelni (melóban tanította valami optimalizációs okostojás, aki erre volt kiélezve) annak a munkaidőnek a költségével, amennyit elvesz maga a döntés meghozatala. Ha az olcsóbb megoldás nem hoz legalább annyi hasznot mint a döntéshozatallal elpocsékolt idő költsége, akkor az adódó első lehetőséget kell választani. Még jó, hogy nem csesztet az asszony hátulról hogy : -Karesz! -Kapsz tíz percet, de aztán egy ezressel olcsóbban szeretném ha kijönne darabja a panelmérőknek! Nem kell komolyan venni, de az iparban sajnos ez megy. Van egy ötlet, aztán első kérdés, hogy mit hoz ez pénzben.
És ma még egy kapavágást nem csináltam, csak itt lebzselek. Ez mibe kerül nekem átszámolva és azt elosztva kettővel. Közben meg majdnem elszállt a videó kártyám, kénytelen voltam kiköltöztetni a pókokat a gépből... és akkor már asszonyéból is, oszt mindjárt este van.
Én sem csináltam semmit, de abból sokat. Vagyis játszok egy panelmérővel. Ez az ICL7106 alacsony áramú verziója, ami csak 100uA-t eszik. Nem látom a típust, mert felette van az LCD. Bár mind az IC, mind az LCD foglalatban van, nem akarom eltörni. Tekergetem a referenciára és a szignálra menő potikat, hogy meddig stabil. Nekem is PC, de nekem a hangkártya nincs feltelepítve. Ez azért elég nagy trehányság egy hang- és zene érdeklődésű gyerektől. De fontosabb volt a CM2000.
Ezt a munkaidős dolgot ne vedd komolyan, egy magára valamit is adó elektrós nem foglalkozik ilyesmivel. Egy horgász is kifizeti a tagdíjat, megtankolja a terepjáróját, vesz drága felszerelést, oszt hazavisz két tenyérnyi keszeget.
Ez magas labda volt, nem tudtam nem lecsapni.
![]() Nem én írtam. Nem is én adom elő. A hozzászólás módosítva: Máj 25, 2022
Hangkártyám nekem sincs, csak ami az alaplapon van. Az volt a gondom, hogy kis pöttyök jelentek meg a monitoron, aztán szaporodtak. A múltkor is így kezdte a videó-kártya (videókártya, videó kártya), csak ki kellet volna takarítani, de ennél hamarabb elszállt. Most meg én voltam gyorsabb.
Most meg mindjárt át leszünk küldve a PC-s topikba. Mindig azzal foglalkozunk amivel nem kellene. A hozzászólás módosítva: Máj 25, 2022
Nincs nekem időm ilyen pókokat olvasni/nézni. Éppen arról beszélünk mennyire elfoglaltak vagyunk.
Én is készülök ezerrel a csabai találkozóra.
Nem tudom honnan szedted ezt a kapcsolást, de ez túl bonyolultnak tűnik.
Az Elektor valamelyik számában van komplett műszer leírás, elég jó. A korábban ismertetett egyszerű kapcsolás is jó, de nem a munkapont közepén mér, hanem .a tápfesz közelében ahol már beleszól a maradék feszültség. Nekem van egy ilyen tervbe véve: Elve: beállítható kapcsolóüzemű áramgenerátor (csak a disszipáció csökkentése végett) Bázis áram növelése amíg a kollektor feszültség a tápfesz feléig esik vissza. A bázis áram mérése. Ezt egy mikrovezérlő vezényli le ami kommunikál a számítógéppel is, így kijelezhetem a mért értéket egy kijelzőn, de a PC komplett görbesereget is képes megjeleníteni a mikrovezérlőnek adott parancsok révén (különböző kollektor és bázisáramok)
Azért is meg akarom építeni, mert van vagy 600 db eredeti BU323A Motorola tranzisztorom (Vcb=600V, Vce=400V, 10A, 175W)
Az analóg kettős tápegységem most is ezzel megy (3-3 db párhuzamosan), de építettem már belőle QUAD-ot is. És úgy gondoltam, milyen menő lenne ha egyedi mérési jegyzőkönyvet is mellékelnék. (mert el akarom adni) A hozzászólás módosítva: Máj 26, 2022
https://www.hobbielektronika.hu/forum/eloerosito?pg=65
Innen szedtem a kapcsolást és ezt fogom megépíteni.
OK. Tisztelem az elhatározásod, de nem értek egyet vele (a mai világban ahol mikrokontrollerek tömegét használjuk miért ne használjuk mi is ?, és ott a PC ami bármilyen megjelenítésre nyomtatásra stb. alkalmas, de sok sikert az építéshez)
Összesen 6 db IC van benne. Nekem ahhoz nem kell számítógép, hogy megmérjem egy tranzisztor bétáját. Beledugom, megnézem mennyi és kész.
Ha az ember nem tud úszni, akkor meg kell kerülje a tavat.
Sokan nem tudunk programozni sem mikrovezérlőt, sem számítógépet. Na ezért vannak ilyen bonyolult analóg izék. Én nagyon szeretnék megtanulni programozni, de gyanítom nem lesz rá időm soha. Pedig sok esetben ez lenne a megoldás akár relés hangerő szabályzóról, vagy ilyen bétamérőről van szó. De a kovács az izzó vasat ismeri, a bankár pedig a kamatot. Igazából az a probléma, hogy nem egy tranzisztor tesztert szeretne Karesz építeni, mert minek. Engem sem érdekel, sőt utálom a forrasztópákát, a csavarhúzót, a szkópot, meg a labortápot is. De a kerékpárt, meg az autót is. Csakhogy az ember szeret zenét hallgatni, és azt meg jó rendszeren. De gyakorta építeni kell, és ahhoz meg kell mérni dolgokat. Ha pedig nem csak másol az ember akkor tervezni is kell. Azt meg csak úgy lehet, ha ismerjük az alkatrész minél több paraméterét. Nekem csak csövekhez van tesztelő összeállítás, de tipikusan 4 féle csőhöz ami igazából csak kettő. El34 és 6L6, valamint ECC83 (81). Ezeket szoktam tesztelni, több nem is kell. Viszont engem is érdekel egy tranzisztor áramerősítési a kollektoráram függvényében, sőt a hőmérséklet függvényében az UBE értéke is. De még zajtényező, kacsa, tyúk, liba is kellene, csak hát véges a lehetőség. Én a bétamérést direkt egy ICL7106 (7), vagy ICL7135 segítségével szándékozom kijelezni, ebben más metódust céloztam meg mint Karesz, de neki az, nekem meg ez van a fiókban. Van hőmérőm, van termosztátom így melegíteni is tudnék. Igazából én nem is építenék hozzá saját tápot, mert van egy fölösleges 70V/20A labortápom arról mehetne. Tehát már csak az UBE, és az IBE méréséhez kell két műszer. Az meg van.
Szerintem most veszítettük el GAnna fórumtársat, tehát őt győzködni hiábavaló.
|
Bejelentkezés
Hirdetés |


















