Fórum témák
» Több friss téma |
Ez jó lesz, ha a piros és a fehér vonallat összekötott részeket összeforrasztom?
Végre működik!
![]() ![]() ![]() Köszönöm Pucurka! Köszönöm Proli007! Köszönöm Inhouse! és mindannyian, akik segítettetek vagy próbáltatok segíteni! ![]() Remekül számol. Ezen a filmen be is mutatom, hogyan. A hang rossz lett, nem tudom miért, de nem is az a lényeg. Tízszer ütök a labdába és a végén megmutatom a tizest a számlálón, az utolsó másodpercben még olvasható is... https://vimeo.com/566063498 További tervem, hogy csinálok még legalább 3 darabot, aztán lehet belőle olimpiai versenyszám.... ![]() A nyákot és a számlálót hordozó dobozt a nyél aljára csavarozom, az ütő fején csak a piezo lesz, abból megy majd a kábel a nyélen keresztül. A hozzászólás módosítva: Jún 22, 2021
Örülök, hogy jó lett végre!
![]() Proli007 egyszerűsített áramköre jobb lett, mint az első változat?
Igen! A tiéd nagyon érzékeny volt, minden billentésre számolt, így nem lett volna alkalmas a játékhoz. Ez most nem számolja a melléütéseket, hirtelen visszarántásokat, csak amikor csattan a labda.
Az is Proli007 rajza volt, én csak megépítettem. Nehéz egy prototípus életre keltése.
Most gyakorolhatok majd, lemásolni az áramkört úgy ahogy van. Így könnyebb lesz, mint rajz alapján. Pucurka mutatta a gyakorlatban is, hogy kell a forrasztani.
A doboz is tökéletes, a nyáknak csak a sarkait kellett lecsippenteni, mintha méretre szabták volna, stabilan fekszik benne. És valóban, egy AAA elem el tudja látni az egészet, a lépésszámlálót nem kell többé kinyitni. A hozzászólás módosítva: Jún 22, 2021
Hello! Húú..Azért ez "nehéz szülés" volt. De az áramkör építését gyakorolni kell, mert olyan mint a kötés. Fejben én is tudok kötni..
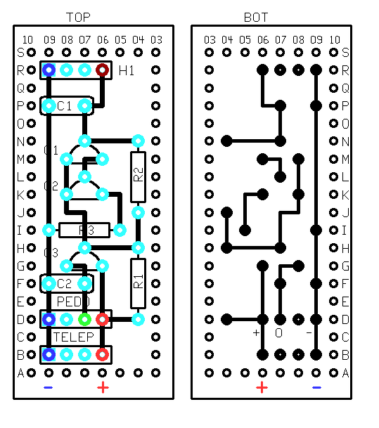
Azt minden estre nem értem, hogy az áramkör nem hasonlít alulról arra, amit rajzoltam. Mert próbáltam úgy rajzolni hogy az alapján egyszerűen el lehessen készíteni. De ott semelyik vezeték nem keresztezi a másikat. Nálad meg össze vissza mennek a vezetékek. Ha behelyezed az alkatrészeket a pozíció szerint, és a lábat felülről "megpöttyinted", akkor ha megfordítod már nem esik ki, és vékony szigeteletlen vezetékkel a megfelelő pontok összeköthetők. Akkor ki is fog nézni valahogy, meg hasonló lesz a tervhez. Persze a nyomtatottáramköri (fekete) rajzolatot meg kel tükrözni nyomtatáskor, hogy a panelt megfordítva könnyen eligazodj, ha ez gondot jelentene. Minden esetre örülök, hogy végre valamire jutottál..
Mitől lehet, hogy az eredeti áramkör túl érzékeny volt, az egyszerűsített változata meg bevált?
Hello! Őszintén szólva én már nem látom át melyik kapcsolást építette meg. De az ellenállások számából, arra tippelek, hogy az elektret mikrofonhoz valót készítette el, de közben a piezo van rajta..
Ez így is van, csak az elektret mikrofonnal nem működött, a piezoval viszont igen.
Pucuka, r nélkül, bocs...
Vennék ugyanolyan kábel csatlakozót, amilyent te is használtál, de nem találom a Hestore nagy választékában. Egy linket kérek szépen.
A tüskesorra gondolsz?
Igen. Kösz.
Itt is sok van. Ezek közül melyik? Persze aljzattal együtt. A hozzászólás módosítva: Jún 23, 2021
Összehoztam nagy nehezen életem első áramkörét, proli007 júni 12.-i rajza szerint.
De kedves proli, nincs rajta az elem! Az elemtartót hová forrasszam?
Hello! Ugyan arra a pontokra, ahova a lépésszámláló tápja csatlakozik. Hiszen mind két áramkört az elem táplálja. Csak eredetileg a belső gombelem kifelé, most meg a ceruzaelem befelé.
Tehát az elem negatív pontja a GND-re, a pozitív pontja pedig a V1.5 pontra megy.
Ebből a panelből nem sok mindent nézek ki...nem ér össze alul minden mindennel?
Vigyáztam, amennyire tudtam, de holnap megnézem nagyítóval, mielőtt az elemet beleteszem.
Ennek valahogy így kellett volna kinézni. Nem tudom miért a levegőben forrasztod össze a drótokat, mikor a lábaknak ott a forrpont. Ha beforrasztod at alkatrészeket és rövidre levágod a lábakat, akkor csak a megadott pontokat kell alulról vezetékkel összekötni.
Megpróbáltam lerajzolni, hátha így érthető..
Ez így nagyon szép. Nem a levegőben forrasztom, csak az a különbség, hogy nem vágtam le a lábakat, hanem lehajtottam és azt használtam vezeték helyett, ahol lehetett. De akkor megint megcsinálom, levágott lábakkal.
Ha majd lesz időd és kedved, de tényleg csak akkor, magyarázd majd meg nekem, hogy mit miért és miért pont ott. Hogy értsem is, amit csinálok.
Tudásom színvonala 55 évvel ezelőtti humán gimnázium elsumákolt fizika-órái. Az ellenállásról még van fogalmam, a tranzisztor és a kondenzátor megértése már nehezebb, de ha tudsz linkelni ide valami könnyű olvasmányt ezügyben, szívesen elolvasom. Erről talán érdemes egy külön posztot indítani és mások is hozzászólhatnak. Talán mások is érdeklődnek ezen a színvonalon. Elvégre nem csak profi-elektronikusok vannak itt. A hozzászólás módosítva: Júl 3, 2021
Hát erre ráment ez a gyönyörű vasárnap. Csak egy keskenyebb nyákom volt már, de azért követtem Proli007 rajzát. Aztán összekapcsoltam - és semmi.
Tudom, hogy nem lehet így fotó alapján megmondani, de talán láttok valamit direkt, ami rosszul csináltam? Melllesleg Inhouse, a te számlálódból 3 vezeték jön ki, de az egyik semmihez sincs hozzáforrasztva, csak egy gombelem-nagyságú kerek lemezhez (fóliához?). A panelon mégis három csatlakozás van a számlálóhoz. Én csak kettőt csináltam. Kellene egy harmadik is? Idézet: „Melllesleg Inhouse, a te számlálódból 3 vezeték jön ki, de az egyik semmihez sincs hozzáforrasztva, csak egy gombelem-nagyságú kerek lemezhez (fóliához?)” Az a gombelem másik érintkezője volt, nem? Nagyon nehéz ehhez már érdemben hozzászólni hónapok múlva. Úgy küldtem el neked, hogy működött, hogy közben mik történtek vele én nem tudhatom. Lassan be kéne látnod, hogy hiába szeretnéd, neked ez nem fog menni. Kell valaki, aki hozzáértő és megcsinálja. Idézet: „Kell valaki, aki hozzáértő és megcsinálja.” Ezzel indítottam az egész témát és reménykedtem, hogy valaki felajánlja. Akár pénzért is. Pucuka csinált is egyet (ingyen), de ő már nehezen bírja, és 1 nem elég a versenyhez. A te műved túl jól működött, minden billenést számolt, de ezt már megbeszéltük. Az valóban a gombelem másik érintkezője volt, aztán Pucuka paneljéhez kapcsolva az AAA elemmel csak úgy működött, hogy kivettem a gombelemet és ezzel együtt a csatlakozót is. Eszerint ez a csatlakozó feleslegessé vált. Még mindig örülnék, ha valaki gyártana nekem legalább 4 ilyent, akár pénzért is, habár az is értékes, hogy egy tanulási folyamat is beindult. Meg hát költöttem az alkatrészekre is. De nekem a végeredmény kellene és fogalmam sincs, hová forduljak ezzel a kérdéssel. Azért az anyagi lehetőségeim végesek... A hozzászólás módosítva: Júl 5, 2021
Szerintem a lehetőségekhez mérten mindannyian kitettünk magunkért, akik segítettünk rajtad. Akár még a saját kontónkra is, nem csak a szerszámpark és időnk terhére. Ha elsőre a most jónak tűnő kapcsolást építhetem meg neked, akkor már sínen lennél. De ez a fejlesztősdi még ilyen kis tételben is nehézkes. Részemről megtettem amit kívánt a haza, nekem a továbbiakban sajnos nincs több időm erre. Ne add fel, még beeshet valaki új. De szerintem a saját kezű áramkör építést a maradék alkatrészbázis védelmében ne folytasd. Mindent meg lehet elvileg tanulni, de ha nagyon nem megy, meg az idő is véges, akkor nem szabad erőltetni.
Hálásan köszönöm, amit tettél. Ha az ember alapoktól tanulja az elektronikát, nyilván nem ilyen projekttel kezdi... Lehet, hogy amit most én összehoztam proli007 legújabb rajza alapján majdnem jó, csak valahol valami apró hiba van benne, amit egyedül nem találok. De úgy néz ki, most megint kapok segítséget privátban.
Easyeda.com es jlpcb.com
... onnan legyartva megkapsz mindent Ami bevalt mukodo aramkor lett pucukaval csinaltatok azt lerajzolni es nyakot legyartatni ... Smdket teljesen keszre szerelik ... feliratozva kuldik mit hova ... "csak" végszerelni kell ... 3 4 szal drotot bekotni ... lehet mar elozoekben irtam errol . Olcson tomegesen elkeszulne igy . (Furatszerelt alkatreszeket nem ultetnek be... Elkuldikcsomagban a nyak melle ha kered) A hozzászólás módosítva: Júl 7, 2021
|
Bejelentkezés
Hirdetés |


















