Fórum témák
» Több friss téma |
A TL084 aligha jön zavarba megfelelő tápfeszültség esetén. Olyan elképzelhető viszont, hogy a kapcsoláson belül egy fokozat túlvezérlődik, vagy egytelepes táplálásnál nem elég pontos feszültségosztóról mennek a bemenetek.
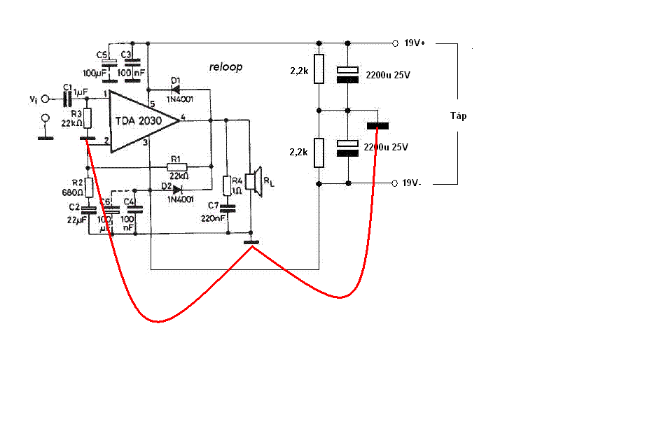
A tápja egy 19V-os laptop táp, utána pedig egy egyen.híd, így az IC-re 17V jut.
Ekkora tápfeszültségből egy nagyságrenddel nagyobb jelet lehet a TL084-gyel előállítani, mint ami a híd kivezérléséhez szükséges. A híd 22k/680ohm, vagy más de azonos arányú visszacsatolásával gondolom az érzékenységet.
Sziasztok!
Építettem egy erősítőt TDA2030-al,de nem működik. Segítettek abban,hogy ennek kell egy negatív táp is. Azt szeretném megkérdezni,hogy azt hogyan tudnám előállítani? Még arra gondoltam,hogy a PC tápoknak van -12V os águk. De ahogy műszerrel méregetem,olyan,mintha valami zárlatos lenne,pedig minden ugyanúgy van bekötve,mint a rajzon. 7/15 oldalon
Az egyik megoldás, a bemenet számára féltápot kialakítani, és csatoló kondenzátoron keresztül rákötni a hangszórót: Bővebben: Link
A másik, a jelenlegi kapcsolásod meghagyása mellett, egy látszólagos földpont kialakítása: Bővebben: Link Szerk.: melyik a szimpatikusabb?
Hát sajnos akkor ez így marad egy darabig,mert ezt nem tudom megcsinálni,mert ötletem nincs az értékekkel kapcsolatban,de így hagyni meg nem szeretném,mert elég sok munkám volt benne.
Egy nagyjábóli értéket tudnál adni ezekről?Mert soha nem csináltam ilyet,nem is tudom lemérni,meg én olyat láttam ebből a megoldásból,hogy sima dióda van ott és nem zener.
Nem megrázó feladat, mivel a rajz tőlem származik
Köszönöm,már csak annyi a dolgom,hogy a "zsáknyi" zenerből megtaláljam azt a 2 darabot,ami kellhet
![]() Csak fel van tüntetve rajta valami,vagy valahogy lehet ezeket mérni? Van egy csomó bontani való régi lapom,de pont zener diódákkal soha nem volt dolgom.
Amíg a diódákat válogatod, így is szólni fog
Közben megtaláltam,hogy miért volt zárlatos,mostmár melegszik,nem szikrázik,amikor ráadom a tápot,és a hangszóró is "koppan" egyet,amikor ráadom a tápot,már csak az kell,hogy hangot adjon
De ahogy látom az alap kapcsolásban is van ilyen "okosság" a negatív táphoz. De én közben megcsináltam úgy,ahogy Te írtad,de ugyanaz a jelenség van így is.. nem tudom,hogy mi van ezzel.. csak nem kötöttem el rajta mást is,most megint jól átnézem és majd kiderül.
Itt van a kép,ezen leírtam és lerajzoltam.
Az ugye nem lehet gond,hogy nem volt itthon 680Ohm-os ellenállás és az helyett trimmer potmétert használtam,amit beállítottam 682Ohm-ra,és az 1Ohm-os helyett is egy trimmer van,ami 2 Ohmra lett beállítva?
Az ellenállás mikéntje nem számít.
A hangszórónak nem kéne koppannia. Szerencsésebb lett volna egy fotó az erősítődről. Mérd meg, hogy a test és a kimenet féltápon van-e.
Képet azért nem küldtem,mert próbanyákra forrasztottam,alul vezetétekkel és levágott ellenállás lábakkal van megcsinálva és nem láttál volna belőle semmit.
A bemenet 24V (Nem tudom miért lett ennyi) A kimeneten,ha nem kötök rá semmi bemenetet 0,6 V-ot ad le. És ha a + bemenet és a C6 alsó lába között mérek feszültséget,ott -24V-ot mutat. Én még arra gondoltam,hogy lehet,hogy megöltem az IC-t,mivel a hármas lábon a mínusz feszültség helyett pluszt kapott. Nem annyira hangosan koppan,csak hallatszódik,hogy tápot kapott az IC.
Valami viszonyítási alap kéne a mérésekhez.
Legyen az egyik mérőcsúcs a negatív tápon (IC 3-as láb), a másikkal pedig mérd meg mekkora a feszültség ehhez a ponthoz képest az 1, 2, 4, 5 lábakon.
Lemértem a lábak között a feszültséget,elküldöm a képen az eredményeket.
Ez elég rosszul néz ki. A test pontokat összekötötted?
Igen,össze vannak kötve.Lehet az lessz,hogy holnap szétszedem teljesen és újra építem az egészet,vagy még most elkezdem,de nem tudom,hogy mi baja lehet,ha minden jól össze van kötve.
Még nézegetem,méregetem,de lehet tényleg meghalt a TDA 2030 benne,az elkötés miatt,de nem hiszem,mert az IC-ig el sem jutott a fesz,szóval,ahogy próbáltam mérni előtte,semmit nem mutatott,mert a táp bemeneténél azonnal rövidre volt már zárva.
Mérd meg a test és a negatív táp közötti feszültséget. Hangszóró nélkül be kell állnia 14V-ra, ha nem, akkor valamit rosszul kötöttél.
Lemértem,semmi,valami nagyon el van kötve.
Tegnap este szétszedtem,ma miután hazajöttem megint összeraktam,mostmár mindenhol lehet mérni feszültséget,sehol sem zárlatos,minen jól van kötve,de ha a 19V-os adapterről adok neki tápot,akkor recseg össze-vissza,de ha meg a PC tápról kapja meg a 12V-ot,akkor nem recseg,de nem is zenél
![]() Szerinted hány voltot adjak neki?
A tápfeszültség közömbös a számára. Fussuk át még egyszer a lábak egyenfeszültségeit. Elég 1, 2, 4, 5 sorrendben leírnod őket. Bővebben: Link
Az alap tápfeszültség:11,97V
Hármas lábon volt a negatív. 1 és 3 között: -0,66V 2 és 3 között: -0,08V 4 és 3 között: 1,98V 5 és 3 között: 2,71V Ezeket mértem le, a hangszóró kimeneten,hs nincs rákötve se a bemenetre,se a kimenetre semmi,akkor : 11,19V
Valami megint nagyon nem jó. Ha jól van rákötve a táp akkor az megjelenik a 3-5 lábakon.
Tehát akkor a tápot kötöttem el?
Ugyanannyit kellene mérnem a 3-5 közöt,mint a tápcsatlakozónál?
Már beindul,hangot is ad,de csak recseg.. Holnap megpróbálok még 1-2 dolgot,de már nagyon közel vagyok a megoldáshoz.
Figyeld, hogy a test és a negatív között a teljes táp fele legyen. Erre szolgál az általam javasolt két egyforma ellenállás.
Sajnos eltörtek az IC lábai,a hajlítgatás és szerelgetés közben,most nincs is rá időm,meg pénzem sem nagyon,majd később újrakezdem az egészet 4.1 rendszerben,akkor hátha sikerül és a nyákot is majd talán magamnak fogom csinálni és nem próbapanelen fogom kötözgetni.
Majd rád írhatok egy PM-et,ha megint elakadok? Köszönöm a segítségeidet! :worship: |
Bejelentkezés
Hirdetés |















