Fórum témák
» Több friss téma |
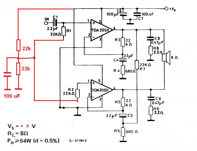
Van egy ilyen megoldásom.
Megépítettem az áramkört, szól, csak halkan. Szerintem ugyan azon a hangszórón ennek az IC-nek nem 6W-oskét kéne szólni. (80W-os a hangszóró), és irtózatosan melegszik. Talán zárlat? Talán az, hogy kicsatoló kondinak 170u-osat raktam be? Vagy az, hogy mélyszűrő áramkör van előtte? Mi lehet a baja? Ez a kapcsolás hány W-ra lenne képes?
Ezek szerint nem néztél utána, csak vakon megépítettél egy áramkört. Hány voltról hajtod az áramkört? Az a kicsatoló kondi nagyon kicsi értékű.
Az első kérdésemben leírtam, hogy 19V-ról.
170uF??? Honnan szereztel olyant, mivel nem szabvany ertek. (Meg az E192-es sorozat se tartalmazza).
Ahogyan kadarist is irta, nagyon kis erteku, igy csak kozep es magas tartomanyban fog mukodni az erositod. Azt irod, hogy nagyon melegszik, erre ket kerdesem lenne, 1., hutobordara raktad-e? 2., melegedes oka lehet gerjedes, azaz megfelelo a szures a tapon?
Igaz nem a legjobb egy vegfok szamara, de egy szekunder tekercses analog tapbol is lehet +/- -os tapot kesziteni.
A kondit bemértem. Eredetileg 220µF-osnak kéne lennie. A táp után van egy 35V-os 4700µF-os pufferkondi. A melegedést azon értem, hogy pár másodperc alatt már tűz forró borda nélkül. A tápegység egy 18,5V-os 3,5A-es laptop táp.
Szereld fel egy hűtőbordára és próbáld úgy. Azt a kimeneti csatolót meg növeld meg legalább 1000µF-ra és úgy teszteld a hangerőt. Ilyesmi jó lenne kezdésnek
Az adatlap 5. és 7. ábráján megtekintheted a tápfeszültség/terhelőimpedancia függvényében elérhető teljesítményeket. A 19V (+/-9,5V-tal egyenértékű) 5W/8ohm, illetve 8W/4ohm maximális teljesítményt biztosít 0,5% torzítás mellett.
Miért melegszik ennyire, ha nincs is rajta nagy terhelés?
A nyugalmi áramfelvétele miatt melegszik. De az extrém melegedés gerjedés miatt is lehet, ha rossz a vezetékezés vagy kusza a nyák.
Szevasztok. Áramgenerátort hogy iktatok be ebe a szerkezetbe? A osztályba szeretném működtetni a cuccost.
És a tápfeszültséget hogyan lehet a legkönnyebben megnövelni? Nem sok az a 8 Watt... 2 db IC-t párhuzamosan össze lehet kapcsolni? Ha igen, akkor nő a teljesítménye?
A tápfeszültség akkora, amekkora tápot választasz. Ennek az IC 50V feszültségtűrése szab határt. Célszerű 4 ohm-on 36V, 8 ohm-on 44V alatt tartani, mert az IC tok által elvezethető hő mennyisége véges.
A további teljesítménynövelést híd kapcsolással ajánlom. A párhuzamos kapcsolást - bár meg lehet valósítani - nem tartom szerencsésnek.
Én erről a tápról szeretném hajtani, valami inverterre gondoltam. A legegyszerűbbre.
Az inverter nem tud egyszerű lenni, ez viszont igen:
Itt a pirossal kiegészített rész mit takar? Mi a pontos működése és funkciója? Engem nagyon érdekelnek ezek az újítások. Főleg miután megterveztem és megépítettem az általad átalakított erősítőt.
Érdeklődésed megtisztel. Ez is egy megoldás a híd egytelepes táplálására. A kérdező fórumtársnak azért ajánlottam, mert így tudja a meglévő kapcsolását legegyszerűbben híddá alakítani. Teljes értékűen működik, hátránya a bekapcsolási koppanás és a jelfölddel közösített negatív tápból eredő zaj.
Az egytáposítás miatt féltápfeszültségre kell állítani a neminvertáló bemeneteket, ezért a két ellenállásos feszültségosztó (felező).
Az adatlapok érdekes módon kerülik ezt az opciót, pedig a híd kapcsolás csak referenciának használja a szimmetrikus táp 0V-ját
Úgy látszik néha mégis csak fel kell találni a spanyolviaszt.
Azt elfelejtettem megkérdezni,hogy puffernek mekkora kapacitásúak legyenek a két oldalnak? 2×2000uf?
Köszi szépen, működik is az erősítő rendesen, mostmár ki lehet vezérelni negatív irányba is, kb. ugyanannyi a kivezérelhetősége, mint az eredeti szimmetrikus tápos változatnak.
Köszönöm szépen mindenkinek a segítséget, működik az erősítő hídban! Az az egy hibája van még, hogy szerintem a mélykiemelő áramkör túlvezérlése miatt torzít és nem lehet túl hangosan hallgatni. A híd elé kötött előerősítő megoldhatja ezt?
Szia! A híd kapcsolás érzékenysége aligha kevés. A mélykiemelőt kéne górcső alá helyezni.
A kiemelő áramkör gyári, szerintem az IC alapból nem bírja a bemeneti feszt. A típusa tl084cn.
|
Bejelentkezés
Hirdetés |











