Fórum témák
» Több friss téma |
Köcce! Majd otthon kipróbálom, nem sok pénz...
Helló!
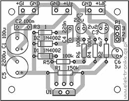
Próbálom megcsinálni ezt a végfokot, de egy dolgot nem tudok hogy mi az a P1 az ábrán...Ötletem sincs. Előre is köszönöm!
Hangerőszabályzó potméter.
A számok szerint kell bekötni a lábakat.
Köszi!
Esetleg abban tudnátok segíteni hogy milyen táp lenne jó hozzá, mert nem nagyon tudom mekkora kellene... Egy ilyen trafót néztem: TRAFO 230V / AC 24.0V 20VA - ez elbírná a 2 végfokot? Akkor már valami bevált kapcsolási rajzot is szeretnék, hogy milyen tápot érdemes hozzá építeni. Köszönöm!
Na még egy utolsó kérdés...a képen az R1 es ellenállásnak mekkorának kéne lennie? Csak annyi van ott hogy 1..lehet olyan hogy 1 ohm?
hello
Egy TDA2030 és egy TDA2050-es kapcsolást szeretnék öszekötni!!! Mehet ez úgy hogy Pl.: a 2030-as kimenetére megy a 2050-es és annk a kimenetére a Hf? Vagy tegyek a 2 közé valamit? Ha igen! mit?
Nem, ezeket nem lehet összekötni sehogy sem...se sorban, se máshogy...
uhuu, ne tedd, mert szet fog az egesz dolog pattani es tok nagy fust lesz... gondolj bele, hogy az erositokbe a bemeno jel kisaramu es kisfeszultsegu es azert van az erosito, hogy felerositse ezt. Esetleg hidba tudsz kotni ket uolyan tipusu chipet, ezt mar nem en fogom elmagyarazni...
Helló! Megépítettem TDA-val az erősítőm a lenti kép szerint és aza vezeték amelyikkel földelem a 3mas lábat lepattant és így próbáltam ki először... Ez mondjuk utánna derült ki mert voltam olyan hülye, hogy a nyák alján húztam a vezetéket és nem hoztam fel... Nos ráadtam 17Voltot ekkor koppant egyet a hangszóró de bemenő jelre nem reagált... Aztán láttam hogy lepattant az átkötés visszakötöttem így is kipróbáltam de így is csak koppant egyet és így sem reagált bemenő jelre... Am. az IC 4edik lábán 1,1Voltot lehet mérni... Valahogy kilehet mérni hogy jó-e még az IC vagy MEGHALT?
Hello, lenne 1 problémám. Az RT-ben találtam egy Tda2030 kapcsolási rajzot és megépítettem. Működik is de valami *** miatt szól rajta a rádió is valami keresztény adó, akkor is amikor nincs bemenő jel. Már sokmindent próbáltam, pl stabilizálni a feszt 78**-cal, hidegíteni nanós kondikkal a ki és bemeneten, a jelföld, a tápföld éd a kimeneti föld összekapcsolva (amúgy is össze van, csak mégis hátha, na mindegy). Dobálom a 100nF kondikat mindenhova ahova lehet, stabilizálok mint állat és semmi, ugyanúgy jön a rádióadás. Mit csináljak, milyen lyukszűrőt építsek vagy még mit próbáljak meg. Köszi előre is.
Nem káromkodunk az oldalon! Norberto
szia! először is: azt hiszem ebben az ügyben válaszoltam már neked, csak egy másik topikban!
szóval: 1. ne kármokodj 2. a jelföld, tápföld, kimeneti föld össze van kötve? 3. a jelet árnyékolt kábellel vezeted a panelra?
Csumi adorján.
Bocsi, de a könnyem potyogott a röhögéstől, mikor olvastam a problémádat, ne hari. Nagyon jó sztori, szegény TDA2030 esete a keresztény adóval... . Na és a leírása a problémának, az sem gyenge... Komolyra fordítva, szerintem szedd szét az egészet, mármint a kábelezést, nézd át a nyákot, (ha fémházas a doboza, nem lóg-e rá a fémre valamelyik forrasztás, vagy forrasztásból kilógó le nem csípett alkatrészláb, vagy ilyesmi), ha nem vagy ebben biztos, tegyél fóliát a forrasztott oldal és a ház közé. Kábelezd újra, áttekinthetően, mindig ellenőrízve, hogy oké-e. Ne feledd, a földelést csillagpontosan kell kötni, nem összevissza mindenfelé a testre. Nekem is van egy ilyen erősítőm, és tökéletesen működik. Esetleg azt is vizsgáld meg, hogy akkor is szól-e a rádió rajta, ha a bemenetére nem is csatlakoztatsz semmit. Vagy esetleg nézz körül, nincs-e a lakóhelyed közelében az az adó. Sok sikert.
csá
Elmondod hogy csináltad mert igen komoly erősítőnek építed aztán radiós erősítő lessz belőle. Hát ehhez tehetség kell nem tom mivel varázsoltad azt a rádió adót de biztos nagy tudomány kellett hozzá. ![]() Na a lényeg haveromnak ugyan ez volt csak nem az erősítőjével hanem a szgjével.Jó mi ott a hiba a hang karivolt. Ja sé neki a kossuth szólt igen torzan.
Cső mindenki!
Köszönöm a hozzászólásokat és reagálnék is rájuk. A jelet árnyékolt kábel viszi, de mint mondottam akkor is hallani az adást ha nincs összecsatlakoztatva az erősítővel. A földelés csillagpontosan van kötve és ha minden igaz akkor van valami torony is a közelben. Nem ér hozzá semmi fém jellegű anyaghoz ezért onnan sem lehet zavar. A táp szűrve van márcsak amennyire írtam, most inkább egy lyukszűrővel próbálkoznék mert más már nem jut az eszembe. Vagy ha van valakinek egy 2030-as kapcsolása beültetéssel, nyákkal együtt és a táp kapcsolási rajza is kellene, akkor azt megépíteném és leírnám a tapasztalataimat vagy legalább látnám mennyiben tér el az enyémtől. Köszi a segítséget előre is.
Nekem unokatestvérem pc-s 5.1-es erősítőjén jött( jön) be ilyen adó, de csak esténként.
Érdekes jelenség...
Hát ez elég érdekes ... valami gubanc lehet.
![]() Én is megépitettem még egy jó pár éve, jól működött meg minden, de annyira nem jött be. ( Legjobb erősítő TDA1575 nekem ez volt sokáig, a 2030-ast meg szétszedtem )Itt van komplett tda2030-as doksi van kapcs beültetési rajz is.
Hát ezt már miért kellett feltölteni? CSAK likelni kellett volna.
adorjan81: igaz hogy 83 oldal, de nem ártana visszalapozni, és akkor látnál minimum 3 fajta nyákot és kapcsolást, vagy a cikkek közt lévő kapcsi is ott van!! Egy jó vezetkélessel kialakított erősítő, nem foghajta a rádiókat. Legalábbis egy TDA-nal erre kevés példa van! Üdv
Bocs, akkor majd legközelebbb linket írok be.
helló !
Lehet hülye kérdés de csinálni akarok egy 2.1-es rendszert TDA 2030-al és ne vok benne biztos hogy jól gondolom lehet-e atx tápnak a 12V-át rákötni Az erősítő adatlapjára rá van írva hogy 6-18V namost nekem a 12V az 5 amperral jön.Mivel 2.1-est akarok ezért az aktív váltónál maradtam és ennél kell a 12V +;-;GND.Meg lehet csinálni vagy igen hülye ötlett? Segítséget előre is köszi.
sztem csináld újra, hol az ic ötödik lába?
túl vékonyak a vonalak, hol vannak az IC-k?
jah megtaláltam, ha így csinálod - vezetékkel kötöd be az ic-t - , akkor ez erősítő helyet 2.1 -es rádió állomás lesz! :yes:
üdv
és hanem kábelesen csinálom hanem rendesen akkor a táp jó lesz neki?
+22V és -22V és GND
Vagy +44V és GND a max. De nem mindegy melyik táposnak csináltál nyákot. PC-tápról valszeg zajos lesz. És csak keveset fog leadni 12V-ról
értem akkor csináljak egy 12V-osat meg külön egy 16V-osat.
Vagyis 12V a aluláteresztőszűrőnek kb max. 1A-val és 16V 2,5A a TDA 2030-nak. Very Cool
Te...
Ez neked hogy jött ki?? Kell egy Kb 100-120Wattos trafó. És ha jól láttam a nyákod a simpla táposhoz van csinálva. Könnyebb is olyan trafót találni ami pl 1*24V AC vagy 1*28V AC (ez az utóbi lenne a legjobb hozzá) Egyenírányítod, és a tápa teszel stabkockát 12V ra. Van a stabkockákal egy kapcsolás amivel sima + feszből miníúszt is lehet csinálni. A subszűrőnek pedig kell a -12V-is. De nem hiszem hogy többet enne az IC bene 30mA-nél. Ezért jó lehet az a kvázi középleágazásos táp a subszürőnek.... Vagy ha már van egy trafód aminek a feszűltsége nem nagyobb 15V AC-nál, akkor esetleg a feszkétszerezővel is lehet csinálni + - -t Egyéb kérdés??
Hi!
Nem tudom mit ahogyan mások is írják, nekik is bejön ez a keresztény rádió, egyik haverom gyári házimozijából jön be. Szóval nem hiszem hogy én lennék ennyire béna. Bementem pár elektronikai szaküzletbe és mikor megemlítettem a problémámat, az eladó fejvesztve menekült a raktárba a keresztényrádió hallatán. Azt mondta hogy már mások is jártak az üzletben ezen probléma ürügyén. Dobhatnátok egy két szűrőkapcsolást, vagy valami támpontot.
Csumi
Hivatalosan esetleg annyit tehetsz az ügyben, hogy jelzed a Hírközlési Felügyeletnek a zavarás tényét, a rádiók is ezt csinálják, ha valami másik adó elnyomja a frekijüket. (Pl. van ahol a Sláger-t is elnyomja egy helyi adó, és ezt is jelzik). Természetesen ez nem rosszindulatú bejelentés, meg kiszúrás a másikkal, a zavaró adó tulajdonosának is érdeke az, hogy tiszta legyen az éter. Esetleg szedj össze több embert, akinél ez szintén előfordul, és ha mindenki rájár a Felügyelet nyakára, akkor már csak foglalkoznak a dologgal... TaTa |
Bejelentkezés
Hirdetés |







Az erősítő adatlapjára rá van írva hogy 6-18V namost nekem a 12V az 5 amperral jön.Mivel 2.1-est akarok ezért az aktív váltónál maradtam és ennél kell a 12V +;-;GND.





