Fórum témák
» Több friss téma |
na 2.1 hangrendszert szeretnék és a sub meghajtására a tda2050 gondoltam és azt kérdeztem hogy jó e ez szerintetek
Még 1 kérdés! Ha sikerül valamikor megépíteni ezt a kis 2.1 hangrendszert, 3 végfokkal ugyebár, akkor hogyan tudom megoldani a 3 csatorna hangerejének egyidejü vezérlését?
sztem(én úgy csinálnám)hogy a sztereo potiról ami 2x2 kábelt vezetsz ki az egyik megy a két front végfokba a másik meg a szub szűrőbe mert úgyis két csatornát alakítani "egybe"
Sztem ez nem jó elgondolás, ugyanis azért szereo poti mert 1-1 külön csatornát vezérel és különbözö jelek szaladgálnak a két csatornán, vagyis sztem ezért szereo és ha összekötöm, akkor eltűnik a sztereo mivolta nem?
Sztem félreértessz mert külün-külön van a jobb és a bal de a szubszűrőbe ugyanúgy bekel vezetni a job és balt majd az "csinál belőle eggyetmint pl itt.
Egyéb ként itt van egy rajzis még ha segít. hogy hogy értem. (egyébként én is ugyanezt csinálom csak a tda8946-al és +mellé mély)
Hi Gery, a mélyszűrő kapcsolási rajzát be tudnád linkelni, ami neked van és jól működik? Köszi
Még nincs meg mert nekem is készülőben van de azt fogom megépíteni amit az ellőbb belinkeltem(pont ma feszem meg az alkatrészeket hozzá
)
Itt van ezt fogom megépíteni amúgymeg a "Sub filter" topikban van ez tárgyalva ott asszonták mükszik.
Sziasztok! van egy kis gondom ezzel a tda-val. A kimenetén 14.3 v jelenik meg. A táp +- 15v. már cseréltem ic-t benne az eredmény ugyan az. A táp renben van, mert a másik csatorna szól. T1,T2,d1,d2 ki van irtva ,hogy ne kavarjon. Van valakinek ötlete?
Nézd csak meg a másik 2 tranzisztor (T3, T4) épségét is! Aztán érdemes még megnézni mind a 4 diódát a kimeneti tranyók kollektor-emittere között!
te most egy egy évvel ezelőtti hozzászólásra válaszoltál..
De miert kell TDA2030-al kinlodni, mikor van ennel sokkal egyszerubb is.
Peldaul itt Van benne mindenfele vedelem meg Mute es a hangzasa szuper + olyan hallkan kapcsol ki meg be, hogy nem is hallod.
Mert vannak olyanok akik azért csinálják mert szeretik. Én is ilyen vaok
Helló!
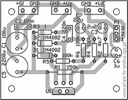
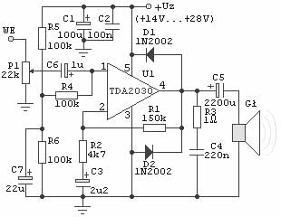
Elnézést, hogy így külön kérem, olvastam ezt a fórumot az elejétől, csak sok kitérés volt soksok másféle megoldásra is, és én meg teljesen kezdő vok, szval először szeretném a TDA2030-at megépíteni, és ehhez szeretnék NYÁKrajzot, kapcsolási rajzom már van, de azért esetleg azzal is kisegíthetne valaki, hátha van vmi eltérés... ![]() Vki légyszi ha tudna segíteni, segítsen!!!
Akkor itt van feltöltve(rem nembaj
) mégeccer
Köszi szépen a segítséget!
Szval ezt a NYÁKrajzot akár kezdhetem nyomtatni, meg a hosszú NYÁK készítés eljárásba belevágni.... ezzel a rajzzal már nincs más teendő, ugye???(((kissé kezdő vok, mint látod ![]() )))
jaaa, meg még azt elfelejtettem megkérdezni, hogy ezen a hangerőszabályozás hogyan valósítható meg???....mert nem látok a kapcs. rajzon egy szál potmétert sem...
ajánlatos olvasgatni a he-át,mert akkor "mindent megtudsz" egyébként: a jackdugóról leveszel egy jelet és egy földet.ezt a potméter(10-100k-majd kiegészítenek) két szélső lábára kötöd és a középső lesz a fontos,ami megy az erősítőbe.
Szia
Hát ez a rajz neked nem jó így ebbena formában! Neked csak a vezető sávokra van elsősorban szükséged! Azt kell valahogy alkoholos filccel ráfirkálnod a nyákra, de úgy, hogy ennek a tükrözését! ugyanis ez a rajz (beültetési rajz) az azt mutatja, hogy hogy nézne ki a kapcsolás felülnézetből. Úgy hogy az alkatrészeket látod a műanyag panelen, és a vezetősávok vannak alul! Tehát neked a vezetősávok rajzolatának a tükrözését kell felfestened a rézre! Remélem érthető... Peti
"(((kissé kezdő vok, mint látod)))"
De akkor mer kezded nehezebbel? Nyak meg minden tessek: http://www.electronics.extra.hu/movie/audioerosito.pdf De gyonyoruen megy proba panelen is (nagyobb hutobordat neki! ).
Igen, közben rájöttem h. hülyeséget kérdeztem
...Igazából én a nyákot úgy akartam elkészíteni, h.lézeressel fóliára nyomtatom, onnan meg rávasalom a nyákra, és lemaratom...Ez mondjuk lehet h. még nehezebb mint egyszerűen filcel átrajzolni ...viszont közben meg azt láttam h.meg lehet rendelni nyákkal, alkatrészekkel a netről, és akkor csak a forrasztás marad...még a hangerő szabályozást nem értem egészen ...
az a baj a nyákrendelgetéssell, hogy így elveszik a D.I.Y. szellem!
D.I.Y.=Do It Yourself=Csináld magad
Igen, igen, de sztem egy teljesen kezdonek erdemesebb eloszor az elektronikara koncentralni es nem a NYAK gyartassal szivni ... sok kellemetlensegtol kimelheti meg magat, ha egy jo es hibatlan NYAKra dolgozik. Sztem mareknek meg boven lesz alkalma, hogy sajat NYAKot csinaljon ha az elektronika lesz (vagy mar az is ) a hobbija
... de ez csak szemelyes tapasztalat/tanacs ... nem szukseges megfogadni
Fureszk-nek igaza van!!! Legy te is a Csinald magad mozgalom hive !!! Egyebkent a rajzodon ott a P1-es poti, onnan allitod a hangerot!
TDA7375, nem tom mindenki fel tole? Itt van a Nyak, A4-re igazitva csak Print neki, PNP Blue foliara lezerrel es sutheted ! Ha tudod hogy, akkor ok, ha nem, akkor itt a link: http://www.techniks.com/how_to.htm
annak van valami jeelntősége bármiféle nyákgyártásnál, hogy nem csak a vezetősávokon vannak, hanem körültte is van réz, majdnem a panel teljes nagyságában? mint a te ábrádon (pcb prints2 jpg)...azon kívül, hogy kevesebb rezet kell lemaratni.
|
Bejelentkezés
Hirdetés |





)












