Fórum témák
» Több friss téma |
Sziasztok! azér nyitottam új témát mer nem találtam ehhez hasonlót...
Szóval az impulzusokról anyit tudunk hogy hirtelen felfutású változás vmely villamos paraméternél! négyszögjelek... amik inkább enyhén trapéz alakúak... ilyen négyszögjelet tudunk készíteni 555 ös ICvel. az érdekelne engem tudok-e vmilyen ICvel olyan órajelet készíteni ami összevissza ad ki magas értéket és különböző időközönként különböző ideig(teljesen véletlen vagy mondjuk 10-15 percenként imsétlődik)(rajzon mellékelve) előre is köszi: geri
Neked 1 zaj generátor kell aminek a kimente 1 számlálóra kerül . A számláló kimenetén mindenféle "véletlen szerű" ideig lesz jelen négyszög jel.
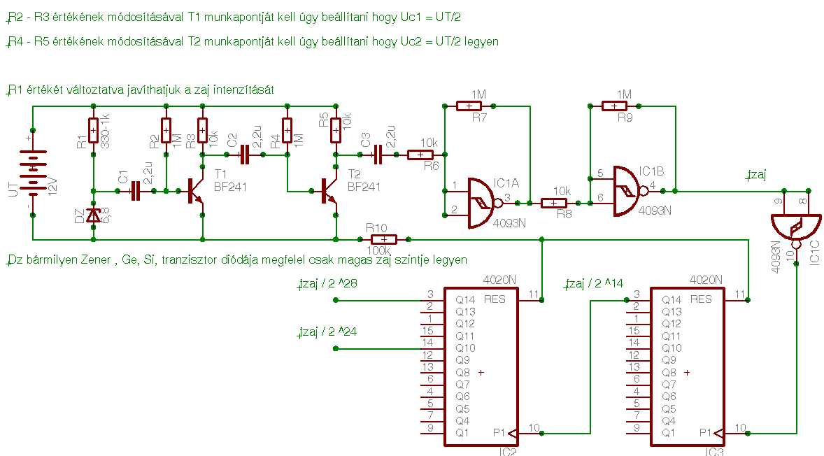
Zaj generátor : 1 jó nagy zajú dióda / tranzisztor PN átmenete, ezt 1 pár fokozatú erősítővel négyszögesíteni kell ami már rá ereszthető 1 számláncra pl 1 CD4040 bináris osztóra, ha kevés akkor mégegyre. Ekkor a pn átmenet generált zaja adja az órajelet ennek leosztott értéke lesz a kimeteden ami eléggé véletlenszerű lesz a zaj miatt. Ha meg ezek az "ősi analóg eljárások "nem érdekelnek akkor a legújabb kor XXI. századi vívmányaiból válasszá pl PIC amiben 1 "álvéletlen" generátor programot futtatsz ami a kimeneteit rángatja az álvéletlen időzítések szerint. De ha belső RC oszcijára hagyatkozol és eléggé szélsőges körülmények közt müködik akkor annak a belső RC tag hőfüggése segíthet rontani a stabilitást, esetleg külső R C tagú oszci beállításban müködő PIC.Aminek az R tagját ntk/ptk ellenállások ból rakod össze .Ekkor hőmérséklet függővé válik a alap órajel adó oszci . Esetleg ha az 1ik nem használt kimenet is vmi "álvéletlen" állapot szerint változik ennek a kimenetén vmi izzó vagy kisebb értékű ellenállás fűti a ptk/ntk oszci ellenállásodat. Ezzel má jó kis vadítást lehet elérni a időzítés bizonytalanságában ami a célod...
Vagy még vadíthatod fény ellenállás bekötésével az oszci frekijét ,, igaz megfelelő nagyság rendben változhat csak !!! Adatlapja a PICnek meg mondja hogy X-Y értékűkondi ellenállás és köthető csak rá ha Z értékű órajelet akarsz kapni amiről járatni szeretnéd a PICedet. tehát kb .: +/- 20 - 30 %-os változtatást engedjél meg az R tagodon akkor kiszámolható mekkora Freki változást eredményez az órajelben ez pedig a futó program idejét befolyásolja ! Esetleg ha nem fény/hő akkor 1 2 kimeneten 1 1 ellenállás/kondenzátor tranzisztoron/relén keresztül kapcsolódhat párhuzamosan/sorosan az időzítő tagokkal ...
Ezek a kapcsolt elemeket szintén szoftveresen írt "álvéletlen" időzítések kapcsolgatják a PIC kimeneteiről.
Ha programozni nem szeretnél akkor hardveresen is elő állíthatsz álvéletlen generátort.
Az álvéletlen jelek forrása egy visszacsatolt shiftregiszteren alapuló generátor. Errôl tudjuk hogy n fokozatú regiszter esetén a kimenôjel 2 az eNediken - 1 állapot után ismétlôdik. A vissza csatolást XOR kapuval hozd létre. Pseudo Random Generator fogalomra keresve találhatsz megoldásokat
Én is így csinálnám. Régen használtak ilyet a távközlő berendezésekben is.
Analóg zajgenerátor valódi véletlen impulzusok , négyszögjelek előállításához.
Ha nem elég az időzítés az utolsó 2^28 osztás után akkor még egy CD4020-at kell utána kötni és máris újabb 2^14 értékű osztást tudsz kivitelezni.
Hali mindenkinek!
Kérdéssel fordulnék a tisztelt közönség felé(rögtön 2vel is) Amit Kera_Will készített zaj generátor működik-e 5Vról megfelelően ? Ha nem, át lehet alakítani, hogy ne 12V kelljen neki? Másik része, hogy ezt megépítettem, tök jó, meg minden, de ez is 12Vos Nekem 5Vos kellene, kérdés ugyanaz, megoldható 5Vról ?Üdv Kiborg
Üdv!
Egy olyan áramkörre lenne szükségem, ami egy gomb megnyomása után néhány másodperccel később bekapcsol egy lámpát, véletlenszerű idő elteltével. Néhány másodpercről van szó. Használható ez a kapcsolás ilyen célra, véletlenszerű időzítéshez?
A lámpa kapcsolásához, valami teljesítmény-kapcsoló elem kell, célszerűen, hogy valami kis teljesítményű dolgot (pl feszültség/áram néhány mA) megváltoztatsz (bekapcsolsz/kikapcsolsz) és ezután a lámpa megkapja a neki szükséges teljesítményt..--> pl a relé pont erre való nézd meg hogy kell használni! ( egy konstans kis áramot kell folyatni rajta, aminek hatására behúz a tekercs és zárja az ettől a "kisáramú" áramkörtől galvanikusan független másik áramkört, így akár 220V is kapcsolgatható persze az erre vonatkozó élet- és balesetvédelmi minden szabály betartásával!)
Az a véletlen idő lehet előállítható többféle képpen is, pl egy mikrovezérlővel, de lehet, hogy vannak erre egyszerűbb analóg módszerek is... Sőt még egy dolog eszembe jutott valaki it ta fórumon csinált akváriumhoz időzítős 220-as kapcsolgató áramkört, hogy egy hosszabbítóba beépített egy áramkört relékkel és a hosszabbító egyes dugaljait lehet vele bizonyos programozható időnként adott ideig bekapcsolni, gondolom ilyen víztisztító meg egyebek időnkénti ki meg bekapcsolására, lehet, hogy ez jó is lehetne neked kompletten...
Szia!
A lámpa kapcsolgatása az nem fog problémát okozni szerintem. A lényege: Ez egy reflex vizsgáló készülék lesz, autóba, műszerfal tetejére helyezhető, amikor felvillan egy kis lámpa, akkor kell a fékre lépni, és majd kiírja, mennyi időre volt szükséged ehhez. És ugye azért kell a véletlenszerűség, hogy ne lehessen rákészülni. Iskolai szemléltetőeszköznek szánom. A mikrovezérlőkhöz egyelőre nem értek, sima ttl íc-kkel akarom megoldani.
Pedig mikrovezérlővel egészen egyszerű feladatnak tűnik...
Ha led-et kell kapcsolgatni, akkor azt talán megteszi maga a ttl-ic/mikrokontroller lába is, viszont esetleg célszerű lehet egy tranzisztorral a kimenetet megerősíteni, és így védeni az ic kimenetét, ami valószínűleg nem túl nagy teljesítményű... viszont lámpához meg mindenképp kell, a legkisebb villanykörte kb 1,5V/0,1A, ennyi áramot nem hiszem, hogy tudna valamilyen mikrovezérlő is, ttl ic-ből lehet van ami ennyit még tudhat, direkt nagyteljesítményű, viszont ez elég kicsi "lámpa"... szóval mindenképp tranzisztor/relé...szerintem
Alapvetoen a tranzisztor E_B atmenet letoresi zajat hasznalja fel a kapcsolas, ami altalaban 6-7 volt korul mukodik. Tehat alatta nem fog mukodni az efektus.
Hali!
Ahogy nézem, ez még lehet, hogy működne 5Vról is. Erről az oldalról szedtem Vélemény? Üdv Kiborg |
Bejelentkezés
Hirdetés |






Bocsi ! 
Nekem 5Vos kellene, kérdés ugyanaz, megoldható 5Vról ?




