Fórum témák
» Több friss téma |
Na kipróbálom =) Bízok benne, hogy menni fog
Nem szeretném, ha az egész erősítő kárbaveszne
A bemeneti szintszabályzó potmétert ne felejsd el bekötni.
Rendben. intézkedek
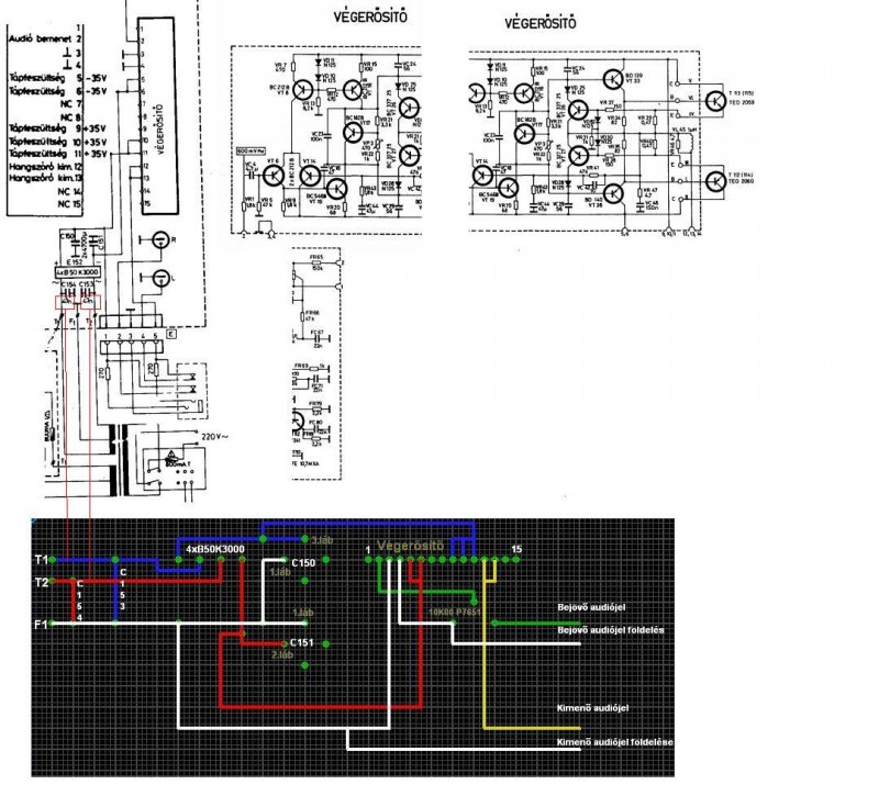
![]() remélem ez megfelel. Ez a gyári, és ebből még van is itthon új, mert szöszölt már a hang mikor tektertem rá a hangot :S 10K00 P7651 Fekvő Trimmer
Próbaként jó lessz, első bekapcsolásnál vigyázz hogy ne kapjon nagy jelet a végfok (poti csuszkája a főld felé nézzen.)
Hmm... Meg se nyikkan :S bedugom, bekapcsolom villany visszajelez egy pillanatnyi halványodással, hogy felveszi a feszt, rá van kötve a hangfal (pozitív szál 12-13-as lábba, negatív a trafó földeléséhez) elvileg kapja a jelet a DVD lejátszótól (hangjel a potira, potira földelés és be a 2-es tüskére, trafó földelése 3-4-es tüske) illetve kapja a feszt az 5-6-os és 9-10-11-es tüskén. Nem igazán értem mi lehet a gond=/
A földelések találkoznak? Mármint a jelforrás földje és a végfok földje (a fordított T) , ezek mindenhol össze kell hogy legyenek kötve. Semmi búgás vagy torz hang?
Akkor valószínűleg megvan a gond
a jel földjét nem kötöttem össze a trafóéval. Semmi búgás, torzítás de majd most kiderül. Írok amint összejött valami
A modulba is bemegy a föld, ellenőrizd le azt is, a 3,4 lábak.
igen tudom
a bejövő jel földjét rákötöttem a trafóra, de semmi. T1 T2 felcserélése torzító búgást csinált ami már haladás!
Hmm, akkor valami nincs rendben a bekötéssel, T1, T2 a váltófesz, ezeket felcserélheted nem lesz hatással a végfokra.Valami más a hiba.A poti mozgatására nem változik semmi?
Talán jó lenne, ha tudnál jó minőségű képet mutatni arról a végfokról...
igen, csak nincs kéznél fényképező, csak telefon, de adatkábel meg nincs
Megnéztem volt 1-2 hiba, amiatt, hogy egyszínű kábeleket raktam mindenhova -.-"
Most kötöm újra remélem jó lesz
Érdekes... Hibás kötéssel legalább búgott, most semmi
holnap feldobok egy rajzot mi hogy van pontosan, de ma már nincs rá időm sajnos. Mindenesetre köszönöm szépen a segítséget mindenkinek!
Heló!
Néhány fotó tényleg jó lenne, sokat tudna segíteni. A 3,4 lábaknál a földet közösitsd egyébbként a bekötés jónak tűnik.
Igen azt rosszul jelöltem, a lábnál össze van kötve 3-4es. Valahol elakad az tápfesz valószínűleg, csak ki kéne deríteni, hogy hol. Sajnos nincs kéznél semmilyen műszer amivel kimérhetném, így maradt egy egyszerű 20V-os izzó. A végfok elé kötöttem és nem világít. Végig kísérletezem az egészet aztán majd kiderül.
Ja utólag én is észrevettem hogy a modulon belül össze van kötve a 3,4.
Egy műszer viszont nagyon kellene, e nélkül tényleg nem lehet ellenőrizni semmit azt pedig jó lenne tudni, hogy tényleg eljutnak e a tápfeszek. A 20v izzó sajnos nem jó mert a táp 35 voltos.
Hmm... Van másik tápom, csak azzal annyi a baj, hogy külön panelen volt a bekapcsológomb, és ilyen nyomógombos volt és nem tudom hogy lehet működésre bírni. Ez viszont 300W-os táp (a mostani 130W-os), és azt se nagyon tudom, hogy hány V-ot ad le és hogy hányszor.
Egy kenwood krv7070-es erősítőből lett kikapva ami kapott egy üveg sört és hát... Mondjuk ez tranzisztoros erősítő volt ha jól tudom. A táp biztos hogy jó, mivel mikor még egyben volt az erölködő belehetett kapcsolni, csak a védelmek egyből szétkapcsolták és kinyomta stand by-ra.Ez lenne az! viszont kapcsolási rajzot nem találtam hozzá. Megvan még minden alkatrésze. ha esetleg ezt a tápot működésre bírnánk és megnéznénk ezzel talán többet tudnánk.
http://pdf1.alldatasheet.com/datasheet-pdf/view/38049/SANKEN/2SD2390.html -->1db van belőle és nem 2sd2390, hanem 2sd2380 de azt nem talált sajnos
![]() http://pdf1.alldatasheet.com/datasheet-pdf/view/2588/MOSPEC/BDV66.html ---->ebből is 1db van http://pdf1.alldatasheet.com/datasheet-pdf/view/63007/HITACHI/2SD1470.html ---->3 db van belőle http://pdf1.alldatasheet.com/datasheet-pdf/view/13144/PANASONIC/2SD2222.html ---->3db van belőle http://pdf1.alldatasheet.com/datasheet-pdf/view/108666/ROHM/2SC4137.html ---->4 db bár az egyikből az egyik láb kitört Ezek voltak az eredeti tranzisztorok a kenwood-ból és megvannak még. lehet jobb lenne nekiállni ennek az újjáépítésének? Bár nem tudom, hogy az én szekértelmemmel ez nem lenne egyszerű. tranzisztoros erősítők állítólag nehezek. :S Alkatrész is több kell hozzá, de az nem gond megveszem. ![]() Használd a LINK gombot! szamóca Idézet: pont emiatt irtam hogy kellene egy műszer. A pdf ből amit linkeltél csak az derült ki hogy hány voltos a primer, a lényeg vagyis a szekunder sajnos nem , de hagyuk is ezt a tápot az eredeti jó lessz oda. „és azt se nagyon tudom, hogy hány V-ot ad le és hogy hányszor.” De sajna műszer nélkűl viszont nem éredmes továbblépni.
Igen. Én is így vagyok vele :S
Viszont ez feltűnt (képen pirossal jelölve), hogy az a 47n az külön van, vagy az a c154 és c153?
Az két darab 47nF a trafó egy-egy ága és a sasszi közé. Csak zavarszűrő szerepe van.
Ha a rajz szerint vannak bekötve akkor jól vannak, azok kis kerámia kondik, egyik a váltófesz egyik , másik a másik ágát szűri, ennyi csaka szerepük.
Értem! Rá is van írva. Megint sikerült olyat kérdeznem ami kis figyelemmel felesleges!
Viszont feszt a B50K3000 után biztos nem kap... Sikerült véletlenül a b50 1-es és 4-es lábából kijövő 2 kábelt (pozitív negatív) összeérintenem a c150-151 előtti részen -.-" Eszembe jutott, hogy megnézem a két 4700uf-t, hogy nem e csúszott szét aztán koccantak... Utólag azért rájöttem, hogy mindent megforrasztottam... szóval valószínűleg a B50 a gond. És a 2 transistort is kicseréltem a szétégett moduléval még délelőtt, utánna jöttem rá, hogy fesz valószínűleg nincs, így vissza kötöttem az eredetit.
Mit takar, hogy koccantak? Ha eddig esetleg jóvolt a graetzed, ami visszább olvasva kétséges, az mostmár gyaníthatóan rossz. Műszer nélkül teljesen fölösleges bármit is csinálni... A szikroszkóp, nyaloszkóp és egyéb használata kerülendő. Elrontod azt is, ami eddig jó volt. Már ha egyáltalán egy működőképes készülék elérése a célod
Idézet: „szikroszkóp, nyaloszkóp” Hát ez jó ![]() Amúgy a "koccanás" nem teszt céllal történt. Nem állt szándékomban rövidre zárni, de úgy néz ki, hogy ha akartam volna se tudtam volna. Amúgy ha a b50 a gond, akkor gondolom valószínűleg vennem kéne egy újat (már ha a mi kis alig felszerelt Profi Finomelektronikai KFT. üzletünkben kapok... ha nem akkor internet -.-") Szóval ma már nem tudok mit kezdeni vele =/ Ha úgy se lesz jó, akkor hagyom az egészet, mert akkor valószínűleg a trafó lesz a gond, vagy maga a panel. Trafó ha nem lesz fesz, ha továbbra is csak torzítva búg (mint legutóbb) akkor a panel. Azért gondoljunk csak bele... Könnyen lehet, hogy azzal is lesz gond, hiszen a 2panelen 2 tekercs, 3 ellenállás és 1 dióda (asszem) ~szenesre égett. És ezen a panelen is amin dolgozok elszállt 1 ellenállás amit ki is cseréltem. És akkor nekiállok a képen lévő TDA végfoknak.
Megvettem, kicseréltem, áramot már kap (kimérve ismerős műszerével) 34,4-7 V-t pozitív negatív oldalon és semmi. A panel úgy néz ki, hogy gajra ment
Mindenesetre köszönöm szépen a segítséget Sokat tanultam Legközelebb az alkatrészek ellenőrzésével kezdem
Megint a segítséged szeretném kérni,igaz nem ezzel az erősítővel kapcsolatban,de lehet,hogy tudsz segíteni.
Megkérnélek,hogy a fórumban a "Yamaha erősítő-nél" felvetett problémámat megnéznéd. Hátha tudsz segíteni. Előre is köszi! |
Bejelentkezés
Hirdetés |







Egy műszer viszont nagyon kellene, e nélkül tényleg nem lehet ellenőrizni semmit azt pedig jó lenne tudni, hogy tényleg eljutnak e a tápfeszek. A 20v izzó sajnos nem jó mert a táp 35 voltos. 

szóval valószínűleg a B50 a gond. És a 2 transistort is kicseréltem a szétégett moduléval még délelőtt, utánna jöttem rá, hogy fesz valószínűleg nincs, így vissza kötöttem az eredetit.






