videoton TS 4317 SP TV-hez kapcsolási rajzot keresek. A tv üzemképes csak a piros szín hiányzik a kék és zöld szinek rendben van.						
				
		 		
						
		
		
				Kapcsolási rajzot keresek c. topik. Egyébként  - látatlanba -  cseréld ki a piros színhez tartozó tranyókat, és akkor lehet, hogy működni fog.						
				
		 		
						
		
		
				Sikerült megcsinálni a 'piros' szint. Nem tranzisztorokkal volt a gond hanem két darab ellenállás ment el (1k-820),de most már működik a TV. Köszi a tanácsot üdv.tibcsi62						
				
		 		
						
		
		
				Ennek örülök, én is köszönöm.						
				
		 		
						
		
		
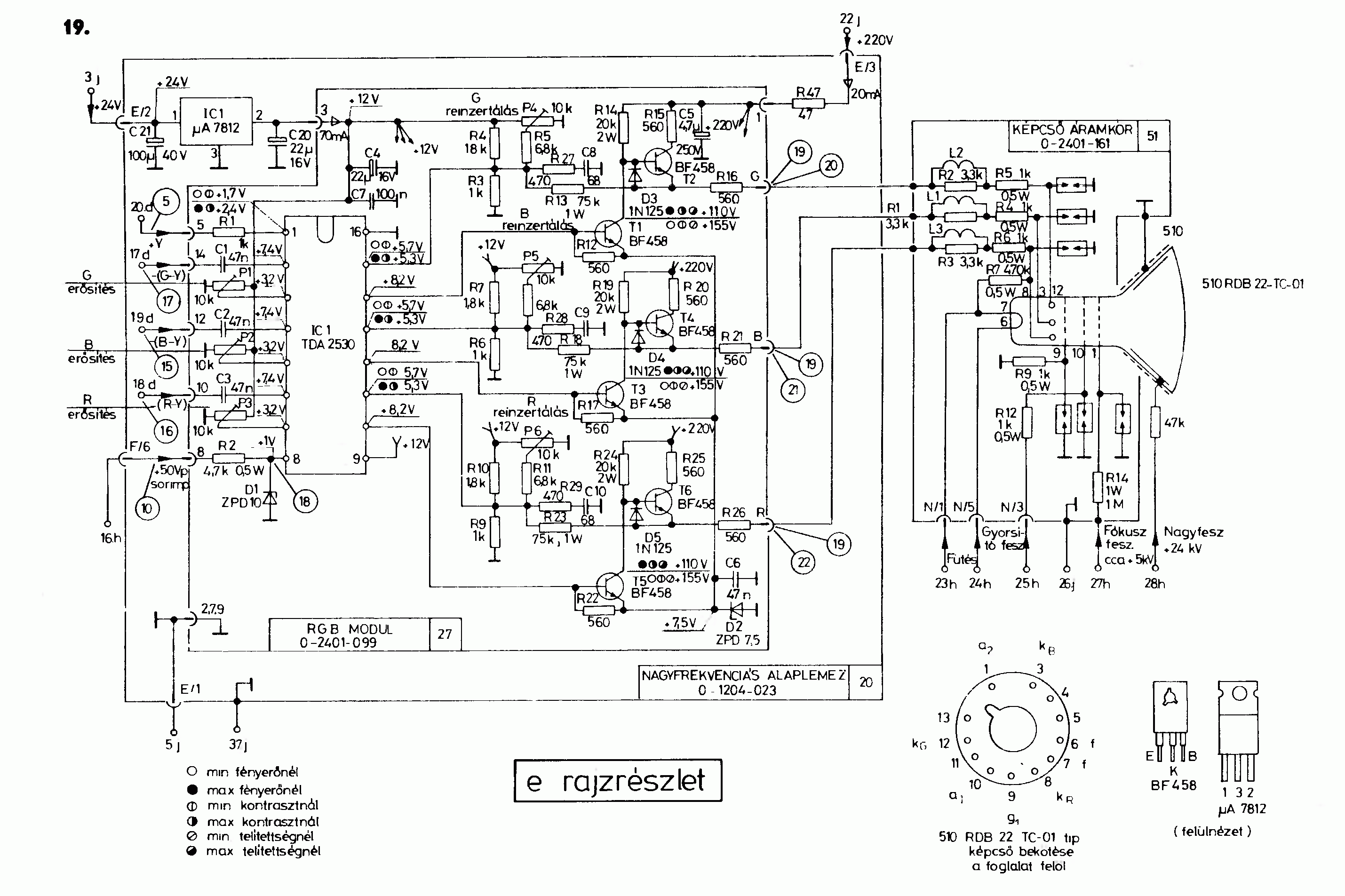
				Itt a keresett rajzrészlet.						
				
				
		 		
						
		
		
				Köszönöm a rajzot. Üdv.Tibi						
				
		 		
						
		
		
				sziasztok az enyem 3302  videoton a kapcsolasi rajzat szeretnem legy szi?						
				
		 		
						
		
		
				Üdv. Délután felteszem , a baj az csak fotózni tudom. Konkrét része kell vagy az egész?						
				
		 		
						
		
		
				Helosztok.
Vidi TS3302SP RGB modul rajzát keresem.						
				
		 		
						
						
						
		
		
				Szívesen! 
 
						 		
						
		
		
				hali.nekemis a piros szin ment el .karikázd be a rajzon légyszi hogy mit cseréltél ki.köszi						
				
		 		
						
		
		
				sziasztok van egy videoton ts-4317sp tvm müködik csak elég homájos a képe a szinek rendben van mikor egy orás üzem után jobb mi lehet a bja ha tudtok segitsetek elöre is köszi						
				
		 		
						
		
		
				homájos =homályos
Egyébként az lehet, hogy kontakthibás a fókuszáló potija.
Nem lengyel képcsöves véletlenül?						
				
		 		
						
		
		
				helo lac08 a képcső poland 3-orás üzemeltetés után elég türhető de amikor bekapcsolom arcot nem lehet felismerni anyira homályos