Fórum témák
» Több friss téma |
Fórum » Villanymotor készités házilag 48V-ig
Ha van a fórumozók közt autóvillamossági szerelő és ismeri ezt a tipust kérem ossza meg velünk is az adatokat.
Ez eddig szép de ez nem gk generátor az már biztos. Az elképzelésed a léptetőmotorok analógiájára o.k de ezt nem olyan egyszerű megcsinálni házilag főleg egy kezdőnek.Spec erről a generátorról is tudni vmit? Miben volt benne: szerintem valami stabil gépé lehetett ahol nincs fordulatszám ingadozás, vagy akár egy hegesztődinamó gerjesztője vagy aggregátoré ahol követelmény volna az azonnali felgerjesztés??? Mindenesetre akármi is ez tény, hogy használták. Kérdés: a fényképen nem látszik de akkor diódahid nincs is benne?
Sziasztok no ugy látom beindult a téma köszike a jo megoldásokat
Mex melyik MÉH telep volt ez? :kerdes: és akkor ebböl csak kiveszem a középrészt és a mágneseket és csinálok hozzá egy házat ja de még mindeig nem jo 48vkell akkor most mi hogy tudom de sok bajom van
na ugye itt a megoldás ja de hát 20.000ft egy motorért meg hát amugy is meg akarom tanulni jo lenne egy konkrét link vagy valami
DC motor - kis nyomatékú motorok: 250W - 24VDC (1.1 +/- 5% Nm), ára: 10.950,- Ft +áfa (13.140,- Ft) DC motor - nagy nyomatékú motorok: 500W - 36VDC (1.91 +/- 5% Nm), ára: 15.950,- Ft +áfa (19.140,- Ft) 500W - 48VDC (1.91 +/- 5% Nm), ára: 15.950,- Ft +áfa (19.140,- Ft) 1500W - 48VDC soros (csak rendelésre!!!), ára: 68.980,- Ft +áfa (82.776,- Ft) DC motor - Angell 707-1 rollerhez is: 350W - 36VDC (12A) HTD bordás kerékkel, ára: 14.200,- Ft +áfa (17.040- Ft) HUB motor - (kerékagy motor, fűzhető kivitel): 260W - 36VDC (Pmax.: 430W), ára: 36.950,- Ft+áfa (44.340- Ft)
Az elektronika megépitése valóban nem kezdőknek való feladat. Bár én azt mondom,hogy egy kefés motor áttekercselése korrekt módon még ennél is nehezebb. ezért is mertem ezt az alternativát ajánlani. De most megtudtam csipi hsz-ből nem érdemes, hacsak nem az épités öröme miatt az egész motorüggyel foglalkozni. Meg kell venni,ez a legolcsóbb relative nagy ára ellenére. Az állandómágneses generátorokra visszatérve: speed motorokon már jó ideje ilyeneket használnak,pedig ott a fordulatszám nagyon tág tartományban ingadozik,ennek ellenére könnyedén lekezelik a gerjesztett változó frekijű,és feszültségű áramot. Ezek külső forgórészes generátorok, a mágnesek a forgórészben helyezkednek el. A Delco-Remy nevű cég a 70-es évek óta gyárt kocsiba állandómágneses gerjesztésű generátorokat. A fényképen látható generátoron nem volt diódahid,még az is lehet,hogy motorként funkcionált. Mindenesetre én generátornak véltem.
Ha ez igy van akkor hajrá. Biztos igazad van de annyira széles körben nincs elterjedve. Végiggondolva nem is kell dióda hiszen egy integrált szabályozó ezt a feledatot simán ellátja. Bocs ha esetleg megbántottalak volna. Sorry.
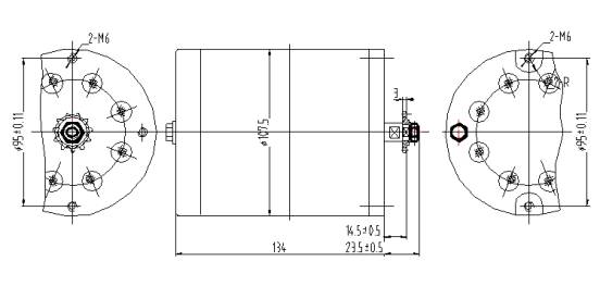
Még egy utólsó kérdés. Mekkora ez a kütyü a valóságban? A válasz után leirom miért is kérdezem.
Pontos méretet nem tudok mondani mert visszavittem a garázsba,de~ a ház átmérő130mm,a forgórész meg kb 50mm.
Csak azért érdeklődnék mert az iparban használnak állandómágneses tachogenerátort is. Ezek kimenetén szokott 3fázisú diódahid lenni és innét nyerik az ellenörzőjelet a szabályzás céljára. Ilyen megoldás volt pl a kábelhúzógépeknél ami a kihúzási sebességet mérte és ennek fügvényében adta a huzalra a több KA-s lágyitóáramot. Nem lehetetlen de elképzelhető egy ilyen alkalmazás is.Persze ez csak feltevés. Mindenesetre köszi az infót.
Az első fényképen látható a tengelyen egy tárcsa,és a tárcsa körül 6db köröm. Ezt biztos,hogy fordulaszámérzékelésre használták mert a tárcsa is mágneses.
Én egy kefés mosógép motort tekertem át 36V-osra, csak egy gond volt vele hogy a kommutátor nem bírta az áramot, és kiégett,
de amúgy két hónapig bírta a rolleremen, kajálta rendesen az áramot, egy töltéssel kb 20 percet ment de volt amikor mentem vele 60-at.
Akkor valószinűleg az lehet amire gondoltam. Csak azt nem tudni miből származik.Ha van kedved és időd próbáld meg valamivel megforgatni és akkor kiderülhet feszmérések után, hogy mi ez az eszköz.
huu 60 al? rollerrel? kemeny
nincs a gepröl fotod?
Már nem tok képet csinálni mert már szétszedtem, de a motort letudom fényképezni majd ha lesz gépem. Amúgy egy sima elektromos rollert alakítottam át. A fordulatszám-szabályzását megoldottam egy jó hatásfokú PWM szabályzóval, és ami volt a motor végén kis tekercs az volt a fordulat szám érzékelő, vagyis kis fordulaton is volt elég nagy nyomatéka.
És gondolkodom rajta hogy nyáron ha lesz egy kis időm akkor újra összerakom, de akkor csak 110V-ra tekerem át a motort és valami jó hatásfokú inverterrel meghajtani, ez azért lenne jó mert akkor nem folyna annyi áram a motoron és akkor nem égne szét.
Akkor elég kis ütüs gép lesz belöle na meg a száguldozás is komoly lesz vele ezt milyen aksival akkarod kivitelezni
de szerintem baromi jo ötlet!!!!Bárcsak énis tudnák már tekercselni De ugy néz ki ma este kapok gulyi88-tol hála neki 2 tekercselésröl szolo könyvet! és azt ezerrel tanulányozom akkor talán lesz esély
Az akksi majd attól függ hogy milyen invertert tudok épiteni. A forgórész tekercselést én úgy csináltam hogy elmentem egy hozzá értő emberhez és megmutatta hogy hogyan kell, és mikor megtekertem a forgót akkor elvittem hozzá hogy hegessze le a kommutátorba a végeket és egyensúlyozza ki. Forgónál nagyon odakell figyelni a tekercs végeire hogy melyik szeletbe van bele húzva mert ha eggyel odébb teszed akkor szikrázik mint állat. Én is megszívtam vele, de melegen annyit tudtunk fordítani a kommutátoron hogy jó lett. Ja és a szénkefék állása se mindegy!!!
Hát sok embertöl halotam már hogy nem egyszerü
tudom hogy nekemis rengeteg bénázásom lesz de ha megtanulom akkor az még késöbb bármire jo lehet telek lakás elektromos nyito dolgara ugy kreativan is de föként most az elektromos bici mocira kellene :yes:
Szerinted porszivo motoral is sikerülne mondjuk leszabályozásal ilyesmi kütyü akár roler is??
Sziasztok
Tudja valaki mekkora zománchuzal kell 48V nak a tekercseléshez DE ha hozáértö vagy akkor már léci a 24v 36v és60v is leirhatnátok köszike na meg hogy googlén kivül tényleg ki honna veszi hol érdemes keresni??? köszke Alul van egy édi képem:::macsek céloz :::sosem lehet tudni!!!
Sziasztok
gulyi88 elkülte nekem kis vilanymotorok átekercselése cimü könyvet 3mega számitogépen És a villamos forgoképek tekercselése könyvet 6megea Ha kell valakinek nyugotan szoljon e-mailre elküldöm
szia csipi!
Első a menetszám meghatározása, ami arányos az eredeti feszültség, és az új feszültség arányával.. Példa, teszemazt 230v-os (vegyes tüzelésű) azaz univerzális motor esetén /kefés/! legyen az állórész tekercsenként 300 menet, akkor ha azt 48 v-ról akarod üzemeltetni, akkor:48v oszta 230v,szorozva a 300 meneteddel=62,6 menet, utána jön az átmérőből való keresztmetszetszámítás: átmérőd 230v-on legyen: 0,5mm /mivel a teljesítmény megmaradásával a feszültségcsökkenés arányával az árambírást kell növelni, ezért amilyen az aránya a 230/48-nak, olyan arányban kell lennie a 230v-on folyó áramnak a 48v-on folyó árammal.tehát 4,8x-osa lesz az áramod, tehát közel 5 ször nagyobb keresztmetszetű huzal kell neked mint a gyári! Ezt pedig kis matekkal az r2xpi-vel ki lehet számolni: D=0,5mm...akkor r=0,25,tehát: 0,25x0,25x3,14=0,19625mm2 az esetünkben az eredeti 230v-os tkercsed, ennek az 5xöse:0,98125mm2, tehát 0,98/pi=0,3125, ez a gyökalatt=0,559, ez az r, azaz a sugár, tehát az átmérő 2xr=1,118mm átmérőjü huzal kell az esetünkben.. Így a sajátodból is át tudod számolni, és természetesen az alacsonyabb menetszám miatt ez a vastagabb derót is rá fog férni.. A forgórésznél azonos a módszer, bár ott eleve alacsonyabb a menetszám, na mindegy remélem segítettem..
Szio!!!
Persze hogy segittetél lehet hogy pillatnyilag Még nem érem tejesen de kapizsgálom és ha késöbb viszanézem biztos hasznos lesz Azért köszi
Halli
KI holl szokot zománchuzalt vennni hol olcso és érdemes Budapesten!!!!! Van még valakinek ötlete 48V Villanymotora!!!! E-motorhoz!!!!
Itt nézz szét: http://www.villert.hu/
Sziasztok!!
Volna mégegy kérdésem mert látom elégé elhalt a téma!!! Akkor a mortor azaz az elektromos (robogoszerüséghez) 3 fázisu motort használjak Az egyenáramu nem jo ugye Amugy anyit változot a dolog hogy min48v vagy max60V motor lesz és a párom rábeszélt hogy QUAD legyen belöle de igaza is van mert jobban elfér benne minden kütyu az elektonikához Alul a kép!!!Ilyesmire!!!! Köszi!!
Csipi! 3 fázisú motorból csak az aszinkron motor lenne jó, de ahhoz is kell frekvenciaváltó a sebességszabályzáshoz, ezért semmi értelme.
Mondok egy tuttit: Az univerzális motorok/szénkefe, kommutátor/ azért univerzális motorok, mert mennek egyenfeszültségről és váltakozóról is, ezek mezei soros gerjesztésű motorok. Próbáld csak ki, a nagyflex megy akár egy 12v-os akksiról is , persze nem forog valami gyorsan, Ilyet kell szerezzél valami jó nagy teljesítményűben, én még az áttekercselésről is lebeszélnélek, mert össze lehet rakni a 240v-ot is kis 12v-os akksikból. Annak meg a szabályzásához sem kell olyan nagy áramot bíró szabályzó. |
Bejelentkezés
Hirdetés |









de szerintem baromi jo ötlet!!!!




