Fórum témák
» Több friss téma |
Üdv.!
A vezeték alá semmiképpen nem gondoltam sem fát, sem épületet. A leszakadás lehetőségére én is gondoltam. Nem egy szerencsés telek a vezeték miatt. Még az a jó, hogy éppen a telek végében van.
Szerintem kérdezd meg az áramszolgáltatót az többet tud mondani.
üdv.
Szia!
ezt a változtatható ellenállású földelést megnézném??? mert az az 5-10ma mikor igaz tél után? szeles tavasz? esős-száraz nyár ?? mert igy változik az ellálláapl: 4Ohm tól 6Ohmig. A te eseted meg:5-10Kiloohm!!! a 10 Ohm felettiek NEM SZÁMITANAK FÖLDELÉSNEK!! A működését megbizhatatlanná tenné, sokszor kisem oldana !!!
Szia!
ez csak 1 dologra lenne jó!!a telkeden csirkehálót 4m magasan szigetelve kifesziteni - ha eléred a 4-600 m2, akkor akár 50-60W hoz is hozzájutnál ingyen. DE mihelyt meglátnák már bontatnák is le!!!
Nem gondoltam azért ennyire bonyolultan,a FI relé rendesen működne tovább ,védőföld az maradna az ami volt mindenütt, tehát a védelmi funkciója elvileg nem változna,csak egy ellenállással (fixen ÉN választom ki a dobozból ) átkötném a FI kimenő nulláját a védővezetőre, vagy egy általam készített normális földelésre (10-20 ohmot szerintem biztonságosan lehet készíteni és nem igazán változik ).
Nulla szakadás esetén (vagy laza kötésnél) a hibaáram jelentősen megnőne az ellenálláson ezáltal a FI relé még a nagyobb baj előtt leoldana.
Ugy gondolom 4.7 K már jó lenne (a FI relé leold de 20 A terhellésnél sem folyik rajta 20 ma nál több .Ha a védővezetőhöz kötöm akkor meg még sokkal jobb a helyzet .
Hello
Még van egy évem(ezen kívül) a szakmunkás bizonyítványig,és még meg kell tanulnom egy pár dolgot,de nagyjából értek a villanyszerelés szakmához Ma ahogy készen lettünk egy házzal,és raktuk be a mérőóraszekrényt,és kötötte be a mesterünk a földkábelt,olvadóbiztit,és a kismegszakítót(van engedélye) nem értettem,hogy minek kell a fogyasztásmérő elé olvadóbiztosíték és kismegszakító! Nekem azt mondta,hogy első túláram védelmi készülék! Ebben igaza is van! De pl. minek olvadóbiztosíték,ha a kismegszakitó mind a kettő feladatot ellátja:túlterhelés,és zárlat elleni védelem. Jah és alapból 3x 16 amperes biztosíték mehet a fogyasztásmérő elé?(három fázisnál,azért gondoltam,hogy 3x) ha pl 3x 20A-esre lenne szükség,akkor fizetni kéne minden egyes fázisnál a 4 amperre? Remélem értitek UI: Remélem megértitek,hogy nem mindennel vagyok tisztában Köszi,Tomi
Hello
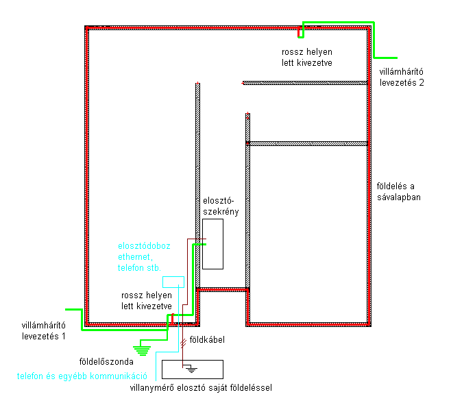
Nővéremék, épp most építkeznek. Már az alap elkészült, benne a villámhárító földelésével. És épp most állunk az aljzatbeton leöntése előtt. A földkábel becsatlakozásáról és a villámhárító földelésével kapcsolatban kérnék pár tanácsot. A helyzet az, hogy benn van a villámhárító földelése, sajnos nem tökéletesen. A vilámhárító levezetése nem a megfelelő helyen lett kivezetve, ezt látni az ábrán is, piros színnel van rajzolva a már elkészült szakasz, és zöldell a kb. 20cm -vel a föld alatt toldás a magfelelő helyre, ez az amit szeretnék tudni, hogy maradhat e így. A földkábelnek van az alapban egy lyuk a bevezetéshez, persze oda még le kell ásni, sajnos nem tudom, hogy véletlenül nem e keresztezi a villámhárító földelését. Ha igen akkor ez lehet így megoldva? Hány centi mélyen kell becsatlakoznia a házba a földkábelnek? Bent ugye a vezeték már futhat a közvetlenül a padló alatt is, együtt a földelés vezetékével. És még valami. Most van a villanymérő szekrényben kialakítva földelés, ez gondolom azért van hogy építkezésre is legyen valami. De ha ott van földelés akkor szükség van földelésre a házban belül is? Mondjuk én tennék, mert összekötném az alapban lévő földeléssel a ház földelését, főleg ha közel futnak a vezetékek. És még egy kérdés, a bekötési terv szerint a házba, 4 eres vezeték fut, ami azt jelenti, hogy bent van szétosztva a PE és az N. Én is így csinalnám, mivel már benn van a földelésés is, de sok helyen hallom, hogy már a villanyóra előtt szétosztják TN-S -re a hálózatot. Ti hogyan csinalnátok? És még egy a végére. Az aljazatba acelhálók kerülnek. Azt nem lenne jó összekötni a ház földelésével?
Szia!
ez már csak igy van... gyakran előfordulnak régi beidegződések , mindenűt elég a kimegszakitó -egészen 63 A-ig afelett kell olvadó bizti. ellenben kell a Fogymérő elé az áramszolgáltató "D"jelű kismegzakitója --utána meg a lakás biztositói . CSAK KISMEGSZAKITÓ lehet! ezek "B_C" jelűek. igen a HFH-t 50 A felett kell fizetni. ( ez 3X16 A vagy 1x35 A ) mert 1fázisnál nem engednek 42és 50 A-st feltenni.
Szia!
akkor szépen sorban: maradhat, megfelel :ha a keresztmestzete jó (horganyozva átm. 8mm )fetve , véd nélkül 10mm köracél. a toldás hegessztett 10cm hosszban kátránnyal védve. mivel a földkábel, a villámháritó öszekötendő --keresztezhetik egymást. A fagyhatár alatt (0,8m )futhat együtt. a házon belül nem kell +még földelés. valóban a mérőszekrényben szokás szétosztania N-PE re , DE ha a keresztmetszet 10mm2 nagyobb akkor máshol is lehet. De az acélhálokat célzerű lenne legalább két helyen bevonni a földelésbe . (a villámháritó kivezetésnél ) de ezt mind elolvashato Az MSZ EN 2364 ben .
Hello
Kössz a választ. Én szivesen elolvasnám a megfelelő szabványokat, csak az a gond, hogy csak pénzért lehet hozzájutni, nekem csak egy leegyszerűsített könyvem(valamikor még abból tanultam) van, ami nem tartalmaz mindent. Nem mindent értek a válaszodban ezért rákérdeznék: Idézet: „A fagyhatár alatt (0,8m )futhat együtt.” Ezzel azt akarod mondani, hogy a földkábelnek 0,8m mélyen kell becsatlakoznia, és már bent mehet közvetlen padló alatt, együtt földvezetékel az alapból? Idézet: „a házon belül nem kell +még földelés.” Ezzel azt akarod mondani, hogy nem kell több földelés, de amit berajzoltam, hogy az alapból a földelést be kell kötni a belső elosztószekrénybe, és így csatlakoztatni a hálózat földjéhez? Idézet: „valóban a mérőszekrényben szokás szétosztania N-PE re , DE ha a keresztmetszet 10mm2 nagyobb akkor máshol is lehet.” Akkor ezek szerint szétosztódna a mérőszekrényben kint, de benn a PE vezeték újra le lenne földelve? Meg én egyébként is úgy tudom, hogy nálunk itt Szlovákiában a földkábelnek minimum a 10mm2. Idézet: „De az acélhálokat célzerű lenne legalább két helyen bevonni a földelésbe . (a villámháritó kivezetésnél )” Tehát akkor ráköthetjük egyenesen a villámhárító levezetőjére őket? Nem fog galibákat okozni a villám bácsi. Ja, és például honnan lehetne beszerezni a megfelelő szabványokat.
Szia!
1: igen a 0,8m 2: összesen 1 földelés elég a mérőszekrénynél 3:A kinti elosztóból a PE vezeték "továbbviszi"a földpotenciált- nem kell külön vezeték. viszont a 3f mehet 4 éren - PEN vezető esete.ezt lehet még tovább is osztani - megint 5 vezetékre. 4: mivel közösiteni kell a 20m-en belüli földeléseket- pont igy nem okoz nagyobb galibát Nálunk jelzőkábel isvan vértezett/ páncélozott kivitel ben ez 6X1,5mm2.tehát földbe fektethető. energiaátviteli (föld)kábel 4,6,10, stb mm2
Hello
Idézet: „2: összesen 1 földelés elég a mérőszekrénynél” De akkor az alapban lévő földelést nem kell összekötni a hálózat PE vezetékével? ,mert én személy szerint összekötném, mert most is túlfeszültségvédelem órán azt tanultuk, hogy a házban minden nagyobb fémtárgyat ekvipotenciálra kell hozni, és ebbe szerintem beletartozik a villámhárító is. És ha rá kell kötni a sávalapföldelést a PE -re akkor hol tegyem. És igen akkor az a 10mm2 tényleg téves infó lehet, de mondjuk mekkora vezetéket kellene akkor betenni földkábelnek, most 3*25A -s biztositék van a mérőóránál. Akár a 4mm2 már elég is lehetne nem? , vagy inkább a 6mm2 egy kis tartalékkal.
Összevissza nem célszerű! A szétválasztási pontot, ami célszerűen az EPH csomópont összekötheted az alapban lévő betonvashálóból kialakított földeléssel is, sőt elfogadják az alapban lévő vasat földelésnek és akkor szonda sem kell. De ne feledd, hogy kell egy bontható kötés a földelésnél az óra alatt ahol a mérést el lehet végezni.
Nem célszerű több pontot kialakítani, érdemes a csillagpontos rendszert megtartani, ahol minden az EPH csomópontból indul, mert így kisebb az esélye a földhuroknak. Én levernék az óra közelében egy rendes földelőrudat, a betonvasból kivezetett pontot összekötném vele és innen mennék tovább a mérőszekrényhez. ( ha nem ez a nyomvonal az ésszerű, akkor értelemszerűen ) Én 16-os rézvezetőt szoktam használni az EPH - nál a nagyobb fémrészekhez valamint a lakáselosztóig és a földelőszondát is rendes keresztmetszetű vezetékkel illik bekötni. A lakás elosztójától a fázisvezetővel megegyező keresztmetszetű védővezetőt kell használni. Az én ökölszabályom a maximum 10A/mm^2. Az így kijött keresztmetszetet pedig a következő nagyobb méretre kerekítem. ( 25A-re én min. 4-es vezetéket használnék!) A szolgáltató betápvezetékére a szolgáltatói előírások a mérvadóak. Ha jól rémlik min. 10-es réz vagy 16 - os alumínium. ( 1%-on belül kell tartani a feszültségesést a szolgáltatói szakaszon, mert nem szeretik ha a kábel méretlenül elfűti azt amiért fizethetnél is )-szerintem-
Hello
Sajnos nem értem teljesen a dolgot, de szerintem az okoz galibát, hogy nem mondtam a mérőóra kint lesz a kerítésbe beépítve, most pl. onnan vesszük az áramot az építkezésre, sajnos az sincs tökéletes kialakítva, de most az nem lényeges. A lényeg az hogy most az aljzat leöntése előtt állunk, és nem szeretném ha valami kimaradna, és netán később kellene vésni a betonba. A tervdokumentáció szerint, a mérőórától 4 eres vezeték megy be a házba. Ugyanígy a belső elosztóba be van kötve a sávalap földelése, tehát én úgy gondoltam ott kellene kialakítani a szétosztást, ott lenne a gyűjtősín, ahová becsatlakoznának a nagyobb fémtárgyaktól jövő zöldsárga vezetékek. Nem teljesen értem, miért kellene külön földelőszondát leütni az óra mellé. Még mindig nem értem hogyan kellene rákötni az alapban lévő földelést a hálózatra, legutóbb azt értelmeztem, hogy kimenne a ház alól a vezeték és becsatlakozna a mérőóra földeléséhez. Szerintem úgyis valahogy össze kell kötni a két földelést, mivel kisebb köztök a távolság mint az Atis szerint mondott 20m, csak még nem tudom hogy. Most én azt tenném, hogy betennék egy védőcsövet az alapon keresztül, ahol majd később behúzódik a földkábel, és ugyancsak kivezetném az elosztódoboz környékén az alap földeléséből jövő vezetéket, amit persze még előbb össze kellene hegeszteni a földkábellal ami az alapban van(nem lenne elég csavarkötés, vagy az föld alatt elzárva nem engedélyezett?). Ez így elég lenne?
A legtutibb megoldás az, ha az óra előtt szétválasztod a PEN -t. Ha a kerítésben van az óra és onnan minimum 10-es rézvezetővel, kötés nélkül jössz el a lakáselosztóig, akkor ott is szétválaszthatod. Ez esetben a lakáselosztóban célszerű az EPH csomópontot kialakítani.
Ha földelésnek (is) akarod használni az alapban lévő vasat, akkor én úgy tudom a szokásos drótozgatós szerelés nem jó, hegeszteni kell a vasalat főbb elemeit, hogy a kontaktus megfelelő legyen. Aztán a szükséges helyhez legközelebb ki kell vezetni az egyik vasat oldalra ( hosszabbra hagyod ) és később erre könnyen tudsz rákötni, nem kell a betont megvésni. A földelőszonda semmi más, mint egy plusz biztonság, ha a sávalap földelésed nem sikerülne tökéletesre. A költsége elenyésző az összköltséghez képest. De el is hagyhatod, mint írtam.
Én nem használnám a vasalást földelésnek, csak bevonnám a földelt hálózatba.
És akkor azt a földelőszondát, hogyan is kellene kialakítani? Meg arra gondoltam én is, hogy a vasalat az nem igen lesz hegesztgetve, tehát akkor hagyjam az egészet a csudába, és ne kössem össze semmivel?
Legjobb lenne, ha a betonalapba csövet vagy csöveket tennétek, akkor egy esetleges kábelsérülés/csere miatt nem kell szétverni a fél házat. Kellő átmérőjű cső, amibe a kábelt később is könnyedén bele lehet majd húzni, és persze ne legyen benne hirtelen törés. Az nem jó, hogy a mérőórától egészen a lakáselosztóig egybefüggő legyen a cső, mert akkor vízzsák képződhet az aljában. Inkább csak a háztól mondjuk egy méternyire távolodjon el(vagy amilyen széles lesz a járda a ház körül - egyéb feltétel - hogy későbbi probléma esetén ott se kelljen mindent felverni).
Ugyanez érvényes a ház későbbi vezetékezésénél is. Ne csak annyi csövet tegyetek, ami pillanatnyilag szükségesnek látszik a villany, telefon, stb. hálózatokhoz, hanem tegyetek további csöveket is, amibe később szükség esetén be lehet húzni, ami kell. Vízszintesen körbe minden helyiségben, helyiségek között is, illetve minden helyiségben legalább egy helyen függőlegesen is a padlótól a plafonon túlig. Sokkal egyszerűbb építkezéskor csinálni az ilyesmit, mint utólag agyalni rajta. Földelés kialakításánál a cső leverése helyett egyszerűbb a cső végét betömni pl. valami fadarabbal amibe fúrsz egy hatos lyukat, a másik végét rácsatlakoztatni a vízvezetékre, a vízsugár utat mos magának a földben, és sokméteres földelő is "leverhető" így.
Hát már sokmindent megtudtam, de még egy kérdésre sajnos még mindig nem tudom a választ.
Akkor most be kell kötni a ház belső elosztószekrényébe a sávalapból jövő földelést? És már értem hogy miért jó a plusz földelőszonda, de most hová is kellene azt csatlakoztatni? És még egy új kérdés: A telefon és egyébb kommunikációs vezetékek számára nem kellene már most kialakítani az alapnál védőcsövezést, vagy azt pontosan, hogy szokták a házba becsatlakoztatni?
Föld vagy légvezetéken. Ha földvezeték, akkor én sima lefolyócsövet használtam, amihez vettem a szigeteléshez használható átvezetőt, hogy ne sérüljön a szigetelő. Az átmérőt kb. duplájára választottam a szükségesnek és nem használtam 90 fokos kanyarokat, ha kellett, akkor 2 db. 45 fokosból raktam össze. A toldások egyfelé nézzenek, hogy könnyebb legyen a húzás.
Légvezetéknél a padlásról kell elcsövezgetni mindent. Én nem szeretem mert ronda viszont sokkal olcsóbb, mint a földkábeles bekötés Az alapföldelőt és a földelőrudat összekötöd egy atombiztos kötéssel és továbbviszed az immár egyesített földelők vezetékét a lakás elosztójába. Ha úgy kényelmesebb viheted külön-külön vezetékkel is. Amin gondolkozz el! Hosszú az órától az elosztóig a PEN vezető, aminek szakadása nem egészséges. Tervezz a rendszerbe védelmet a PEN szakadásának esetére! Idézet: „A telefon és egyéb kommunikációs vezetékek számára nem kellene már most kialakítani az alapnál védőcsövezést, vagy azt pontosan, hogy szokták a házba becsatlakoztatni?” De igen, pontosan erre gondoltam a csövezéssel. Ugyanúgy csatlakozik az is be, mint a villanyvezeték, csak bent a házban valahol egy külön elosztódobozba megy. Semmi szekrény, sima villanyszerelési doboz is bőven jó, célszerű a téglatest alakú, kb. 10x10x5cm-es dobozt használni, hogy legyen bőven hely benne. Innen is menjen függőlegesen felfele a padlástérig cső, akkor abba utólag behúzható vezeték, és odavezethető a telefon, internet, kábeltévé, stb., ahol épp szükség van rá.
Hello
A hozzászólások alapján a következő megoldásra gondoltam, lásd lenn a fájlmellékletben. A telekom. vezetéknek külön védőcsövet tennék, remélem az nem baj ha a két védőcső egymás mellet fut. A földelőszonda a ház előtt lesz kialakítva, szerintem ha később csökkene a földelési ellenállás akkor tovább lehetne itt bővíteni a földelést, vagy nem jól gondolom? A betonvasalás meg attól függően fog bekerülni a földelésbe, hogy mennyire lesz megoldható az összehegesztésük. A földelővel való összekötéshez FeZn10 -es vezetéket használnánk, remélem nem lesz túl vastag ahhoz hogy becsatlakoztatható legyen az elosztószekrénybe. Szeretném ha elmondanátok a véleményeteket, hogy jó e a megoldás.
További megoldás szerintem ez lehetne, ez jobb lenne mint az előző? Annyi a különbség, hogy a villámhárító földje a villanyóránál csatlakozik a hálózat földjéhez.
És még mehkérdezném, hogy milyen vastag védőcsövet kellene betenni ahhoz, hogy biztonságosan átférjen egy 4 eres 10mm2 -es kábel rajta, páncélozott külső szigeteléssel, én ilyet még nem láttam, tehát fogalmam sincs, hogy milyen cső lenne neki elég. SYMALEN M32/25 (külső átmérő 32, belső 25) elég lenne?
Az baj lenne, ha vastagabb csövet tennél, mint amibe épp belefér a kábel? Szerintem nem... Inkább arra figyelj, hogy ne legyen benne hirtelen irányváltás, meg a belső felülete véletlenül se legyen bordás, akkor könnyen bele lehet dugni a kábelt (esetleg egy kis vazelinnel rásegítve). Az a 25-ös belső átmérő elég vékonykának tűnik még 4x6-os kábelhez is. Szerintem keress olyan csövet, ami legalább másfélszer nagyobb belső átmérővel rendelkezik, mint a kábel külső átmérője. Nem kell ide semmi spéci cső, jó a locsolócső is, csak azért annyira legyen merev, hogy ne lapuljon össze, amikor öntik rá a betont, vagy vakolják a falat. Meg amikor olyan területet csinálnak, ami a cső környékén van, akkor érdemes ott lenni, mert a melósok nemigazán figyelnek rá, és simán lehetetlenné tehetik a kábel későbbi behúzását...
Kössz a választ, majd csak holnap találunk rá valami csövet.
Egyébként a kérdés másik részéhez miért nem szól hozzá senki, ahol az ábrák vannak, vagy mindegy melyik megoldás van felhasználva? - én csak azért húzódok az elsőhöz, mert a tervdokumentációban is úgy van.
Hello
Ez most egy más jellegű kérdés. Én úgy tudom, hogy ma a háztartásokban a TN-S hálózat kialakítása kötelező, de akkor miért van az hogy még mindig árulnak 4 eres vezetékhez való 3F konnektorokat? -vagy azok a négy eresek, csak a 3F és a PE vezetékre vannak, delta -ba kötött berendezésekhez? Ezt azért kérdem mert láttam bekötve ilyen négyeres kábellal 3F konnektorokat, ahol a föld jelzésű csatlakozó helyére a PEN vezeték volt bekötve, ez még jó is lenne eddig szerintem ,de ugyanerről a PEN vezetékről még ment egy 230V -os 1F csatlakozó is. Tudom hogy ez régen szabványos volt, de szerintem most már nem. Meg egyébként is úgy tudom hogy építkezések ideiglenes elektromos hálózatában szükség van FI relére is, ami ugyancsak nem volt.
Én már régen nem láttam a régi 4 pólusú cuccokat boltban. Ott a nulla marad ki (elvileg) és a vastag tüskére a védővezető ment.
Azon gondolkodtam, hogy vajon üzemekben , ipari létesítményekben is a TN-S a kötelező? Idézet: „Egyébként a kérdés másik részéhez miért nem szól hozzá senki” Én igazából nem értem, hogy mi is itt pontosan a kérdés. Még az, ami az első ezzel kapcsolatos hozzászólásodban volt, vagy már valami más?
Hát nem tudom, de a konnektorok azok újnak néznek ki, és ipari környezetből van.
Tehát akkor jól gondoltam a hogy nem teljesen szabványos a bekötés.
Hát a kérdés az,hogy fekraktam két ábrát.
Az elsőben a villámhárító földelése a ház belső elosztószekrényében van összekötve az elektromos hálózat földelésével, tehát ebből adódik, hogy ott benn lesz a szétosztás TN -C hálózatról TN -S -re. Ezért a házba 4x10 -es réz vezetéken menne az anyag. A második rajzon a villámhárító földelése a villanymérő elosztónál, kinn a kerítésnél van összekötve a hálózat földelésével, és ott lenne kialakítva a szétválasztás TN-C ről TN-S -re. Tehát már a házba öteres vezetéken menne az anyag. Itt elég lenne akár az 5x4 -es rézvezeték is. A kérdés pedig az, hogy ezen megoldások közül melyik a jobb, vagy netán valamelyik nem is jó? |
Bejelentkezés
Hirdetés |







