Fórum témák
» Több friss téma |
Cikkek » A B5 végerősítő A B5 végerősítő
Szerző: KD mester, idő: Jan 13, 2008, Olvasva: 90408, Oldal olvasási idő: kb. 2 perc
A huzalozási rajzot különösen fontosnak tartottam leközölni, mert óriási hibákat lehet vele elkövetni és szinte mindeki, aki erősítő építésre adja a fejét, ezt szúrja el a leggyakrabban. Már sok ismerősőm, aki erősítőt (QUAD 405, stb.) épített, szembesült azzal, hogy a külön-külön felélesztett, kifogástalanul működő végfokok a bedobozolás után, egy tápegységről járatva azonnal "füstbementek", vagy a rájuk kötött hangsugárzóból erőteljes 100Hz-es búgás hallatszott. Ennek az oka a rossz huzalozás következtében létrejövő földhurok. A nagyáramú földvezetéknek sajnos valós ellenállása (és induktivitása) van és az ezen átfolyó áram feszültséget ejt rajta. Minél nagyobb a frekvencia, annál nagyobbat. A rossz földelési rendszeren keresztül visszajut ez a zavarjel az erősítő néhány alkalmas vezérlési pontjába és ha valamelyik frekvencián létrejön így egy önerősítő pozitív visszacsatolás, máris begerjed az erősítő és le is ég. Szerencsésebb esetben csak a zavaró búgás (Kossuth-rádió vétele) jön létre és/vagy a helyesen kábelezett erősítőhöz képesti rosszabb hangminőség lesz csak az ára a baklövésnek.
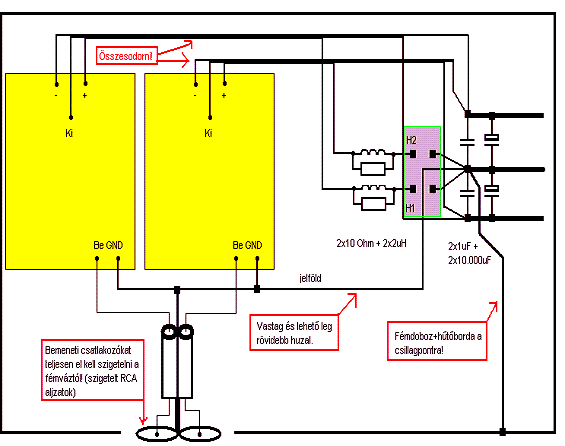
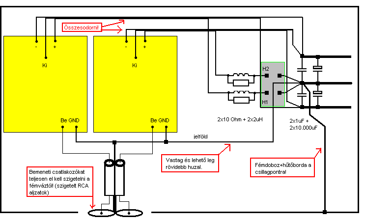
Az erősítő huzalozási rajzán fel van tüntetve minden lényeges pont. A tápvezetékek ne legyenek 30cm-nél hosszabbak, sőt, a lehető legrövidebbek legyenek! Legyenek összesodorva, mert a három szál vezetékben folyó áramok irányai és nagyságai összegezve közel nullát adnak (csomóponti törvény), a körülöttük keletkező mágneses terek így kioltják egymást. A kioltás annál tökéletesebb, minél közelebb futnak a vezetékek egymáshoz. Így kisebb a vezetékek induktív "szórása" és az induktivitása is. (A dolog egy bifiláris tekercshez hasonlóan működik.) A kimeneti párhuzamos L-R tag a kapacitív terheléstől óvja az áramkört, mert az erősítő oszcillációba kezdhet ettől (begerjedhet). Bár nem feltétlenül szükséges, mert a hangsugárzók nem jelentenek közvetlen kapacitív terhelést. Aki szükségét érzi, az építse be. A tekercs értéke kb. 2-3uH, ami 20-30 menetet jelent 1mm átmérőjű rézhuzalból 8mm átmérőjű tollra, fúrószárra, stb. (A tekerccsel párhuzamos ellenállás a tekercsből és a kapacitív terhelésből kialakult rezgőkör jósági tényezőjét rontja le és így biztosítja, hogy az erősítő kimenete ne lásson extrém alacsony terhelőimpedanciát. Szintén csillapítási feladatot lát el a Zobel-tag is.)
Az "egy tápegységes táplálás" huzalozási rajza: (Kattints a képre a nagyobb változatért!)
A "két független tápegységhez (dual-mono)" tartozó huzalozási rajz: (Kattints a képre a nagyobb változatért!)
Itt látható két darab, gyors meghallgatásra "összedobott" deszkamodell dual-mono tápegységének kivitelezése: (Kattints a képre a nagyobb változatért!)
De megoldhatjuk a dual-mono tápellátást úgy is, hogy a két végfok számára két független középcsapolású szekunder tekercset tekercseltetünk egy transzformátorra. Ez olcsóbb megoldás, mint két feleakkora teljesítményű transzformátor tekercseltetése. (Kattints a képre a nagyobb változatért!) A cikk még nem ért véget, lapozz! Értékeléshez bejelentkezés szükséges! |
Bejelentkezés
Hirdetés |






