Fórum témák
» Több friss téma |
Cikkek » BigClock BigClock
Szerző: vicsys, idő: Júl 27, 2006, Olvasva: 52484, Oldal olvasási idő: kb. 1 perc
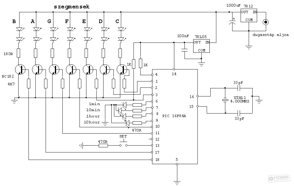
Egyszegmenses nagykijelzős falióra, PIC-el.
BigClock Egy különleges óra építését olvashatod el a cikkemben. A különlegessége abban rejlik, hogy az időt egy darab (7 szegmenses) digiten jelzi ki az óra. Az óra-perc értékek egymás után másodpercenként kerülnek kijelzésre. A kijelző aktív része, 200mm magas. Falra akasztva mint egy kép-rendkívül dekoratív és még hasznos is, hiszen messziről is könnyen leolvasható. A kapcsolás rettentően egyszerű. Egy mikrokontroller vezérli a 7 szegmenses kijelző LEDjeit (1-1 illesztő tranzisztoron keresztül). A kijelző szegmensei pedig 2 darab sorbakötött nagyfényű LEDből lett kialakítva. A mikrokontrollerbe égetett program, mint óra funkcionál, azzal az apró
módosítással, hogy kiolvassa az aktuális idő digithez tartozó értéket majd
kiküldi a kijelzőre.
1-1 kijelzési ciklus között 15mp-es sötét szünetek vannak. Az óra forráskódját itt lehet letölteni A cikk még nem ért véget, lapozz! Értékeléshez bejelentkezés szükséges! |
Bejelentkezés
Hirdetés |



