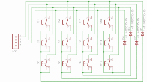
A 12-gombos billentyűzet logikájának könnyebb megértését szolgálja a következő animáció:

Az áramkör úgy működik, hogy nincs állandó közös vonala a gomboknak.
Tegyük fel, hogy az áramkör 4-es csatlakozója rá van kötve egy mikrovezérlő 4 lábára.
Nagyon fontos, hogy a mikrovezérlőn olyan 4 lábat válasszunk, ahol lehetőség van felhúzó-ellenállás bekapcsolására.
Az 1-es lábon a mikrovezérlő kiad logikai alacsony szintű jelet. Ezt a dióda átengedi, és a mikrovezérlő megnézi, hogy a 2, 3, 4 lábbal zárul-e az áramkör, tehát az 1. sorban lévő kapcsolók valamelyikét lenyomták-e. Ezután a 2-es lábra kapcsol logikai alacsony szintet, és itt is megnézi, hogy az áramkör zárul-e az 1, 3, 4 lábon, tehát a 2. sor kapcsolóból lenyomták-e valamelyiket. Ezt így folytatja egymás után, és a negyedik lábat követően kezdi elölről másodpercenkét pár 100-szor (megjegyzem, ez neki meg se kottyan).
Két buktatója van viszont a dolognak:
- Az első csavar abban van, hogy vigyázni kell a port-irányváltásoknál, mert ha egyszerre két kimenet van bekapcsolva, akkor az zárlatot idézhet elő. Ezt úgy tudjuk elkerülni, hogy a következő sorrendben követjük el a portváltást:
1: kimenet / 2,3,4: bemenet → 1,2,3,4: tehát mind bemenet → 2: kimenet / 1,3,4: bemenet → und so weiter... 
- A második zavaró dolog az, hogy sajnos elméletben itt is felléphet az ún. prell-jelenség1.
Ezt itt nem lehet orvosolni azzal, hogy a gombok lábait összekötjük egy 100nF-os kondival, mivel ezt gombmátrixokban nem lehet használni.
Ezért ezt úgy tudjuk kikerülni, hogy a mikrovezérlőben el kell tárolni két állapotot, és ha az egyikben több mint 1 lenyomás szerepel nagyon gyors egymásutánban, akkor azt figyelmen kívül kell hagyni.
Ez a probléma csak elmélet, mivel a mai mikrokapcsolók már elég kiforrottak. Ezeket ma már olyan gyorsra és erős visszarúgásúra csinálják, hogy ennek lehetőségét minél nagyobb mértékben csökkentsék.
Az is jelentősen csökkenti a prellezés valószínűségét, hogy a mikrokontroller másodpercenként csak pár 100-szor ellenőrzi a kapcsolók állását. Ezután nagyon kicsi az esélye - mivel időzített figyelést végzünk, nem pedig megszakítás alapút -, hogy pont abban a pillanatban fog prellezni a kapcsoló, amikor beolvasta a mikrovezérlő a portot.
Ennek ellenére - mint tudjuk, Murphy mindig keményen dolgozik azon, hogy életünket megnehezítse - , ezzel is számolni kell.
Ha ezekkel nem sikerült elvenni a kedvetek, akkor lapozzatok tovább.
Magyarázat:
[1] Prell jelenség: nyomógomb megnyomásakor, annak kívánt és fix állapotba történő kapcsolása előtt az érintkezők többször összezáródnak majd szétnyílnak (pattannak) és az elektronika ezt úgy értelmezi, hogy többször nyomtuk meg ugyanazt a gombot.
A cikk még nem ért véget, lapozz!
Értékeléshez bejelentkezés szükséges!