Fórum témák
» Több friss téma |
Szia! Köszönöm szépen a magyarázatot.
Arra magamtól is rájöttem, hogy a 4060 valószínűleg működik rendesen. A potméterrel tudom változtatni az időt, és az 555 kimenete reszeteli is. A baj az 555 környékén van, mert nem billen vissza GND-re sőt van hogy "billeg". Idézet: „- Avagy a 7-es láb elengedi a C4 kondit, és az el kezd töltődni R6+P2-őn keresztül. - Ha a kondin a feszültség eléri az 5-ös láb feszültségét (táp kétharmada), akkor az 555 kimenete visszabillen a GND-re” Ez a rész működik, ha a Q1 ki van véve, a táp az 12V az 5. lábon 7,8V mérhető, a C4 is szépen töltődik, és annak a sebességét is tudom állítani. Idézet: „Ha újra lehúzod a 2-es lábat a GND-re kezdődik elölről az időzítés.” Q1 a helyére rakva GND és az 555 2-es lába között elág érdekes értéket mértem. Egyáltalán nem stabil a feszültség kb. 6V-ról indul, és mászik fel kb. 9V ig. Lehet, hogy az R4 (100k) vagy az R5 (10k) értékét kellene megváltoztatni?
R4 100k ezt cseréltem 1k-ra most itt van 5 órája, egyelőre stabilan megy nem "akad" meg az 555 kimenete magas szinten.
Hello! Akkor az a Q1 még sem hibátlan. Szerintem azt már valamiben "megnyuvasztottad". Mert a 100k-10k ellenállásokkal is hibátlanul kellene működnie, nem mászkálhatna..
Szia!
Nem mondom lehetséges, de én ezt nem tudom meghatározni ettől jobban. BC548C -t használtam, az adatlapja szerint minimum 110 maximum 800 lehet a hFE értéke. Nálam ez az érték multiméter szerint 415 így jónak titulálom. A lényeg az, hogy működik, és ebből is tanultam egy kicsit a 2 IC működéséről!
Ha a BC-t jónak feltételezzük, akkor a nyákkal kell hogy baj legyen.
De ha a BC kollektor-bázis viszárammal rendelkezik (pld. már sikerült felmelegíteni), azt a műszered nem mutatja ki. Hiszen azt is "hozzá méri" a bétához. Viszont ha a bázis ellenállás 100kohm, azon a megnőtt viszáram már feszültséget ejthet, ami kinyithatja a tranyót. Tehát folyhat kollektoráram akkor is, ha a 4060 kimenete L szintű. Ha a panel átvezet (pld. koszos, korrodált, stb.) ugyan ilyen hatást kelt. Ha a bázisellenállás 1kohm, ugyan ez a viszáram vagy szivárgási áram azon kisebb feszültséget ejt, és már nem képes kinyitni a tranyót. Pont ezen okoknál fogva "nem szeretjük", ha egy tranyó bázisa "lóg a levegőben". Mert egy jó tranyó esetén oly kicsi a viszáram, hogy az nem okoz gondot, avagy jelentős kollektor áramot nem ad, de a viszáram a hőmérséklet növekedésével nőni fog, és így a "lógó bázis" vagy egyéb átvezetéseknek is jelentős hatása lehet. De ezeket a dolgokat csak azért írom, hogy ne maradjon téves szemlélet a topikban.
Szia!
Közben elakadtam a dologgal. Valamiért nem akar működni a kapcsolás, de közben újra elővettem. Q0 beragad valamiért, Beáll 8.1 V-ra és nem történik változás. A kapcsolást többször átnéztem már. Az analóg kapcsoló 3-4 és 8-9 lábak kapcsolnak rendben. További változás nincs. Az 555-nél a 2-3 láb közötti 100k mi célt szolgál? AZ előző kapcsolásban a 2-6 láb is össze volt kötve. Köszönöm a választ!
Hello!
- Az 555 itt is astabil kapcsolásban működik, csak épp nem a megszokott formában. Részeben mert nem állandó ütemidővel működik, az időzítéshez tartozó ellenállásokat váltogatjuk. - Ezt a váltást az U3c és U3d kapcsoló végzi el. Az U2 Q0 és Q5 ütemében az U3c kapcsoló van bekapcsolva. Az U2 Q1..Q4 és Q6..Q9 üteme alatt az U3d kapcsoló van bekapcsolva. - Az LD1-LD2 és R6 egy logikai VAGY kaput alkot. Akár Q0 akár Q5 ütem van, az R6 ellenálláson logikai magas szint van. Grátiszként az ütemeket a Led-ek jelzik is. A lényeg, hogy a Q1 és Q5 ütem alatt, az R6 feszültsége legalább féltáp felett legyen. Mert ekkor kapcsolnak az analóg kapcsolók. - Az U3b kapcsoló, csak egy invertert személyesít meg. Amikor R6-on magas szint van, U3c bekapcsol. De bekapcsol U3b kapcsoló is. Így U3d ilyenkor alacsony szintet kap és ki van kapcsolva. Mikor R6-on alacsony szint van, akkor U3c és U3d ki van kapcsolva, így R8-on keresztül az U3d van bekapcsolva. Vagy is U3c és U3d mindig váltakozva van bekapcsolva. Így lesz két különböző ütemidő. - A C2 kondenzátor pld. P1-R1-R2 útvonalon töltődik fel. Ez alatt az 555 kimenete magas szinten áll. - Ha a C2 feszültsége elérte a tápfesz 2/3-ad értékét (555 5-ös láb feszültségét), a 3-as kimenete alacsony szintre vált. De alacsony szintre vált a 2-es láb is. Így a DIS kimenet R2 ellenálláson keresztül kisüti a C2 kondit. - Amennyiben ha a hagyományos módon működne az 555 (2-6 láb összekötve), a C2 kondi csak a tápfesz 1/3 értékig lenne kisütve. És a kondi újra töltődése innen indulna a 2/3-ad értékig. Mivel a 2-es láb 1/3-ad tápfesz alatt, visszabillenteni az 555 kimenetét magas szintre. - De itt nem ez történik. Amikor a 3-as kimenet alacsony szintre vált, megkezdődik a C4 kondi kisütése R7 ellenálláson keresztül. Ez kb. C4*R7=10sec alatt zajlik le. De a C4 kondi kisütési ideje C2*R2=4,7sec. De mivel a kisütés nem 4,7sec ideig, hanem 10sec ideig tart, a C2 kondi, nem a tápfesz 1/3-ad értékéig sül ki, hanem közel 0V szintre. - Ennek egyik következménye, hogy a C2 töltése tovább fog tartani, mert nem 1/3-ad tápról 2/3-ad tápra kell töltődnie, hanem 0-tól 2/3-ad tápig. Így hosszabb töltés időzítést vagyunk képesek megvalósítani és ehhez még a 10sec kisütési idő is hozzá adódik. De ami a lényegesebb, hogy a táp bekapcsolásakor a C2 kondiban mindenképpen 0V van, az első Q0 ütem a táp bekapcsoláskor kétszer annyi ideig tartana, mint a további Q0 ciklusokban.
Sziasztok!
Megcsináltam ezt a kapcsolást. A C2 értéke 100nF. Tápfeszültség 5V. Bekapcsolásnál kattan(behuz-elenged) egyet a relé de semmit nem csinál. 25Hz-el és 53%os kitöltéssel kéne dolgozzon, de nem csinál semmit. Van utána egy 100R ellenállás és egy IRF3710 fet(azon van a relé). Mit ronthattam el? Már a 2. NE555n van benne de hiába.
Lehet a FET a gyenge pont. Senki nem írja neki elő, hogy 4,5V Ugs feszültségre bármit csináljon.
Hát az adatlapja igen: V GS(th) Gate Threshold Voltage 2.0 ––– 4.0 V
Vagy attól még lehet hogy kevés?
A hozzá tartozó áram azért elég jelentős (250uA) A görbéi szerint 4,5V körül kezdődik.
Hello! Azért azt se feledd el, hogy a relé 25Hz-en lehet nem fog csinálni semmit. A mechanikának van tehetetlensége, a relének meg élettartama ami 25Hz-en hamar lejárna..
Nem a relé a rendeltetés szerű kimeneti szerv, azt csak tesztnek akasztottam rá hogy csak zümmögne legalább, vagy a leg ami rajta van pislákolna. A végleges fogyasztója egy 4 vezetékes 12V os lambda szonda fűtési áramköre lesz.
Közben láttam a másik topikot. De tesztnek relé, motor stb. nem a legjobb. Én 12V1,2W vagy 5W-os izzót, Led-et előtét ellenállással szoktam használni. Sokkal célszerűbb..
Nem értem, levettem mindent a kimenetéről csak egy led van rajta, de semmit nem csinál cseréltem megint ic-t de semmi.
Mi lehet a hiba? Minden úgy van mint a rajzon.
Hello! Nem egészen érthető, hogy hova tettél Led-et. (És csak reménykedek, hogy előtét ellenállást is tettél hozzá.)
Elsőként az 555 kimenetét érdemes megnézni a Led+ellenállás kombóval. Aztán ha az már működik, akkor lehet tovább lépni. De úgy is lehet vizsgálni valamit, hogy ha a 2-6 lábat a GND-re húzod, akkor az 555 kimenete magas. HA a tápra húzod, akkor alacsony szintű lesz. Ha ez működik akkor az 555 várhatóan már jó.
Igen az üres kimenetre tettem egy ledet ellenállással. de nem csinált semmit.
Megpróbálom mi történik ha a 2-6 lábat felhúzom tápra, ha haza érek.
- Egy 555-nél, első lépés, hogy meg kell mérni a tápfeszültséget az 1-es és 8-as lábon. De tényleg a lábon, hogy plusztáp és a GND is ott legyen.
- Ez után az 5-láb feszültségét. Annak a táp 2/3-ad részén kell lenni. Ha az megvan, már van esély rá, hogy az IC jó. - A 4-es lábnak a tápon kell lenni. Akár közvetlen, akár felhúzó ellenálláson keresztül. (De minimum 1V felett kell e 4-esnek lenni.) - Ez után mérhető a 6-2 láb feszültsége. Ha ott a 2/3-ad táp felett van, akkor a kimenetnek és a 7-es lábnak, alacsony szinten kell lenni. Ha a 2-6-os láb feszültsége 1/3-ad tápfesz alatt avn, akkor a kimenetek magas szinten kell lenni. (7-es láb ekkor "szakadt", mert nyitott kollektoros a kimenete.) - A 3-as kimentet a GND-hez képest és a táphoz képest is lehet terhelni. - Ha az oszci jár (és gyors), akkor a 2-6 láb és a kimenet is fáltápfesz közelében van. (Feltéve, hogy 50% a kitöltés. Ha más, a feszültség is arányosan más értéket mutat.) - Néha célszerű a tesztre az időzítő kondit egy jóval nagyobbra cserélni ) vagy csak párhuzamosan az eredetivel). Vagy is jelentősen lassítani a működést. Mert úgy jobban megfigyelhetőek a mért értékek és a működés. A hozzászólás módosítva: Jan 23, 2015
Az alábbi eredmények születtek:
1: 0V 2: 4,61V 3: 0V 4: 4,98V 5: 3,32V 6: 4,61V 7: 4,74V 8: 4,98V Ha a 2 es lábat GND-re húzom akkor vált a kimenet magasba. De nem indul be.
A 7-es lábnak azonos szinten kellene lenni, mint a kimenetnek. Szerintem ott valami szakadás van. Mert a 2-6-os már felette van az 5-ös feszültségének, ezért a kimenet már nulla. De ekor a 7-esnek is annak kellene lenni. Esetleg a 7 és táp között túl kicsi ellenállás van és azt nem tudja lehúzni..
Az nem kicsi. De mérd is meg tápfesz nélkül, hogy tényleg annyi-e. Vagy mA állásban a 7-és 1-es láb között. 1,5mA-nak kellene lenni. De elsőként tegyél sorba ellenállást a műszerrel, nehogy ha a 7-es és a táp között zárlat van kimenjen a műszer biztije.
Köszönöm szépen a segítséget, meglett a hiba bár ilyet még nem láttam. Csont rövidzár volt a 3K3-as ellenállás.
Most már csak a lambda szonda rail to rail erősítőjével kell zöld ágra vergődnöm.
Üdv kedves forum társak,
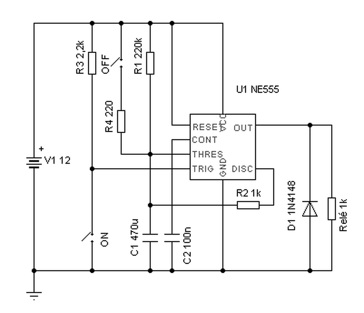
olyan NE555-ös időzítő kapcsolásra lenne szükségem, amely egy nyomógombot megnyomva 100-120 másodpercig kapcsolja a kimenetet, mellyel egy pici áramú relét húz meg. Továbbá kellene egy olyan funkció is, hogy egy másik nyomógombot ha megnyomnék, akkor rögtön megszakítja a kimenetet. Hol találok én ilyen kapcsolást? Előre is köszönöm a segítséget.
Hello! Találsz, ha rajzolok egyet.
De a két perc, már eléggé az analóg időzítési lehetőség vége felé van.
Örök hálám proli. Nagyon köszönöm! Az időn akarnék csökkenteni, mondjuk felére, akkor a 470 mikrós kondit 220-ra cseréljem?
Igen, vagy az R1 ellenállás csökkentése is ezzel jár. De növelni már nem célszerű az időt.
Nem nem, inkább csökkenteni ha kell. Direkt inkább több időt írtam, mint amire szükség van. Olyat lehet csinálni, hogy egy NE556-nál az off közös lenne, úgy hogy a két Treshold, és Discharge lábakat összekötöm?
Annak mi értelme van? Akkor a kettő "egyszerre járna". De "baj" is lehetne belőle, mert esetleg az egyik billenne, a másik meg nem és egyik Dis bekapcsolva maradna..
De gondolom az lenne a kérdés, hogy két időzítőt egyszerre kapcsolnál ki. Akkor ezt megteheted, ha a "Ki" gomb után teszel diódákat és annak katódját kötöd a megfelelő időzítő R4 ellenállására. A hozzászólás módosítva: Jan 24, 2015
|
Bejelentkezés
Hirdetés |





De a két perc, már eléggé az analóg időzítési lehetőség vége felé van. 





