Fórum témák
- • Erősítő mindig és mindig
- • Bojler relé
- • Érdekességek
- • Suzuki Swift elektronika
- • Sprint-Layout NYÁK-tervező
- • Quad 405-ös erősítő tapasztalatok és hibák
- • Multiméter problémák
- • DC motor/lámpa PWM szabályzása
- • AWI-TIG hegesztő rajza
- • Vásárlás, hol kapható?
- • Rádiótechnika számok keresése
- • Felajánlás, azaz ingyen elvihető
- • Akkumulátor töltő
- • Mosogatógép hiba
- • Kamerás megfigyelőrendszer
- • Li-Po - Li-ion akkumulátor és töltője
- • Villanypásztor
- • Alternativ HE találkozó(k)
- • Villanymotor bekötése
- • Okosóra
- • Dansk 3f-T3535, és minden, ami vele kapcsolatos
- • Elfogadnám, ha ingyen elvihető
- • LCD kijelző vezérlése, életre keltése
- • Számítógép hiba, de mi a probléma?
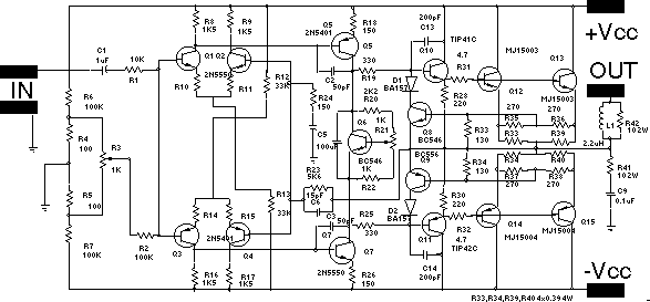
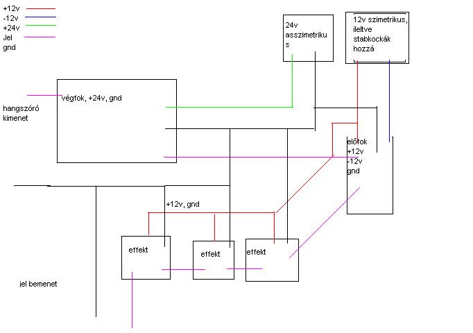
- • Erősítő építése elejétől a végéig
- • Vicces - mókás történetek
- • TV hiba, mi a megoldás?
- • 135.6 kHz-es HGA22 vevő
- • Crystal radio - detektoros rádió
- • Geiger-Müller számláló (hobbi)
- • Inverteres hegesztőtrafó
- • Transzformátor készítés, méretezés
- • Háromfázisú aggregátor
- • MIMXRT1011DAE5A Mcu segítségkérés
- • Biciklilámpa / bringalámpa
- • PIC égetési hibák, problémák, kérdések
- • LCD TV probléma
- • TV-játék
- • VF3 - 6 végerősítő
- • DAC tápegység
- • Indukciós főzőlap javítása
- • Vag-com-hex interfész (kábel hibák)
- • Tápegységgel kapcsolatos kérdések
- • Autórádió (fejegység) problémák, kérdések, válaszok
- • Mikrohullámú sütő javítás, magnetron csere, stb.
- • Elektromos kerékpár, robogó házilag
- • Oszcilloszkóp vétel, mit gondoltok?
- • Pickit3 klón építése
- • Hűtőgép probléma
- • Villanyszerelés
- • Frekvencia - feszültség átalakító
- • Kapcsolási rajzot keresek
- • Készülékek kapcsolási rajzai
- • MyElecParts alkatrészkereső és készletnyilvántartó
- • Orsós magnók
» Több friss téma
|
|
|