Fórum témák

» Több friss téma
Fórum » Erősítő mindig és mindig
Mielőtt kérdezel, a következő két dolgot ellenőrizd! I. A helyes tápfeszültségek megléte. II. A kimeneten van-e egyenfeszültség. Élesztés.
Lapozás: OK   370 / 2570
(#) KD mester válasza KD mester hozzászólására (») Szept 28, 2009 /
 
A tranziens viselkedésről annyit, hogy a szemre tökéletes négyszög is lehet rossz. A kimeneti négyszög fel és lefutása (ha ideális négyszög van a bemeneten) exponenciális függvény szerint alakul, akkor jó az erősítő, ha lineáris (trapéz alakú a négyszög), akkor határolódik a jel emelkedési sebesség. Ez szinte soha nem látszik a szkópon (hacsak nem borzasztó lassú az erősítő), úgyhogy a visszacsatolási pontban kell nézni (ahonnan highagy kolléga tévesen hibajelet szok kivenni) a hibajelet, hogy nem-e okoz túlvezérlést a tüske, ami a bemeneti és visszacsatolt jel különbségéből marad.

Még egyszerűbben: a jó erősítőt, ha teljesen kivezéreljük szinuszjellel és folyamatosan növeljük a frekvenciát (akár több MHz-ig, ameddig a kimeneti jel el nem tűnik a nullvonalban), akkor soha nem "háromszögesedik" a szinuszjel, csak csökken az amplitúdója.
(#) highand válasza KD mester hozzászólására (») Szept 28, 2009 /
 
khmmm...kértem már, hogy maradj a saját eszednél, van abból neked is bőven.

Pl. a foci stadionban is kétféleképpen lehet szurkolni:

- lehet azt kiabálni, hogy fúúúj Dózsa, igen lehet.

- de lehet azt is kiabálni, hogy hajrá Fradi!!


Semmivel sem leszel kisebb szakember, ha nem a saját személyes feladatodnak érzed azt, hogy másokat állandóan minősíts és ráadásul eléggé elfogultan.
(#) steelbird hozzászólása Szept 28, 2009 /
 
Látom, nagy itt az egyetértés..
(#) KD mester válasza highand hozzászólására (») Szept 28, 2009 /
 
Ezt viszont én nem értem. Most ezt mire föl írod?

Kit minősítettem? A "highagy" ra gondolsz. Bocs, az tényleg félreérthető is...

"Pl. a foci stadionban is kétféleképpen lehet szurkolni:

- lehet azt kiabálni, hogy fúúúj Dózsa, igen lehet."

(Bu..i MTK,bu..i MTK indul a vonat auswicz-ba sokkal életszerűbb... )
(#) szulek hozzászólása Szept 28, 2009 /
 
Hello! adott egy Pioneer erősítő ami 8ohm-os. De nem bír el egy 4ohm-os hangszórót?

c29_1_big.jpg
    
(#) KD mester válasza highand hozzászólására (») Szept 28, 2009 /
 
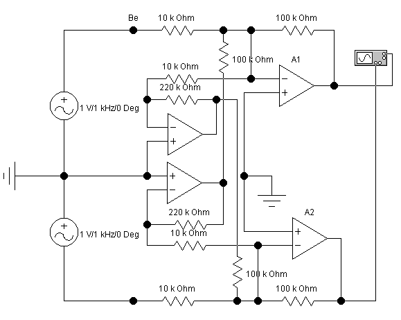
Most nem akarok kötekedni, tényleg, de a hibajavítós kapcsolásod leszimuláltam és beigazolódott a félelmem, hogy egy 100%-os pozitív visszacsatolási-kör jön benne létre. A2 segéderősítő hibajele megjelenik A1 invertáló bemenetén is, hiszen nincs benne a bemeneti jelben. Innen ismét visszajut A2-be, mint saját hibajele (visszakapja100%-os amplitudóval), így a létrejött pozitív visszacsatolás túlvezérli mindkét fokozatot.

Ha megszakítom a hibajel útját, akkor az első képen láthatóak az eredeti viszonyok. Itt még az 1V!-os bemeneti "műhibajel" sem okoz túlvezérlést, hanem A1 kompenzálja tökéletesen A2 kimeneti hibáját. De akkor A1 hibája nincs kompenzálva. Ha A1-et kompenzáljuk, akkor A2-t nem lehet kompenzálni...

A műhibajeles szimulációk képei:
(#) KD mester válasza highand hozzászólására (») Szept 28, 2009 /
 
Javítottam a kapcsoláson:

Most már ki lett iktatva a káros pozitív kör.

A hibajelkioltás A2-re nézve tökéletes. A 10mV-os 1Khz-es kimeneti hibából kevesebb, mint 1uV marad.

Ennél meg az a baj, hogy A1-re nézve nem az...
(#) highand válasza KD mester hozzászólására (») Szept 28, 2009 /
 
1. Nem az én kapcsolásom, a Texas 1977-ben mutatta be.

2. A TDA-s topicba leírtam korábban, hogy az egyes erősítő oldalak, nem javítják a saját hibájukat, a hibát a másik oldal javítja.

3. Nincsen benne pozitív visszacsatolás.


4. Nem szeretném megvitatni a működést, szívesen leírom én hogyan látom, de vitázni nem akarok erről.
Pillanatnyilag is ezt a kapcsolást hallgatom, a próbanyákost, dehát a működőképessége úgy 40 éve nem is vitatéma.


5. A féloldalas hibajavítást módszerét a Sípos Gyula közölte úgy 20 éve a Rádiótechnikában. Íme egy működő megvalósítás.


6. Nem szeretnék veled beszélgetni a magán leveled után.


(#) KD mester hozzászólása Szept 28, 2009 /
 
De van pozitív visszacsatolás. A vak is látja. Szerinted miért van, hogy A2 1mV-os hibájától az egész rendszer túlvezérlődik? Mert a hibajelre nézve végtelen az erősítés!

A2 hibázik, A1 kijavítja, de visszamegy a hiba A2-be, ami már így kétszer akkorát hibázik. A1 ezt is kijavítja. A2 erre 4-szer akkorát hibázik, stb. A rendszer túlvezérlődik.
Ez világosan látszik a szimulációból!

highand! Azt lásd be, hogyha A2 hibajelet képez, akkor azt A1 nem csak a kimenetén jeleníti meg, de az invertáló bemenetén is! 1x-esen erősítve, fázisfordítás nélkül, ami A2-be visszajutva ismét az eredeti hibát növeli, az pedig nemcsak nagyobb korrekciót, de nagyobb válasz hibajelet csinál. A kör 1x-es erősítésű (100%) és pozitív!


Sipos kapcsolása nem ez volt...
(#) KD mester hozzászólása Szept 28, 2009 /
 
A valós kapcsolás működött, persze, de úgy, hogy a kör pozitív visszacsatolását levették pl 90%-ra és megelégedtek a 20 dB torzításjavulással. Így korrekt kapcsolás egy servo motorhoz. (De TDA 2030-nál engem aggasztana a segéderősítő (A2) a maximumot 3X-osan túllépő disszipációja....)
(#) highand hozzászólása Szept 28, 2009 /
 
A méréstechnikai minta után íme a féloldalas hibajavítós kapcsolás. Ezt csak meg kell építeni és működik.

Kellemes darab, mert amint az látható, amikor a felső oldal már durva vágásban van, az alsó oldal hibajavító képessége révén a kimeneti jel, amit a TL tesz láthatóvá itt, még egészen jól néz ki. Olyannyira, hogy akár a teljes hídra jellemző kivezérlés is kivehető belőle.


Csak meg kell építeni és működik.
(#) hapro válasza szulek hozzászólására (») Szept 28, 2009 /
 
Mi a kérdésed?
(#) KD mester válasza highand hozzászólására (») Szept 28, 2009 /
 
Ja! Hogy ez a gyakorlati kapcsolás. Ebben viszont már nincs benne A2 hibakorrekciója. Igaz, ezzel már a pozitív visszacsatolás problémája sincs. Ez már működhet tökéletesen, csakhát kevés torzításjavulást hoz, ha végfokot csinálunk belőle. Előfoknak tökéletes, mivel A2, a szinte nulla kimeneti áram miatt nem torzít egyáltalán.
(#) KD mester hozzászólása Szept 28, 2009 /
 
Azért kipróbálhatnád ezt is...

e2.gif
    
(#) highand hozzászólása Szept 28, 2009 /
 
És egy fajta megvalósítása, kétoldalas hibajavításnak.

50W körül egészen jó torzítás, egészen átlagos eszközből.
(#) szulek válasza hapro hozzászólására (») Szept 28, 2009 /
 
az a kérdésem hogy elbír-e egy 4ohm-os hangszórót? Vagy megöli az erősítőt?
(#) KD mester hozzászólása Szept 28, 2009 /
 
Kár, hogy a lényeg nem látszik....
(#) KD mester válasza KD mester hozzászólására (») Szept 28, 2009 /
 
Ahogy elnézem, nem sok köze van az eddig preferált topológiádhoz. Azt hiszem tudom, hogy mi van a takaró ablak mögött...

Ennek lehet szimulálgatni a torzítását::::::

e3.gif
    
(#) dj-mike válasza KD mester hozzászólására (») Szept 28, 2009 /
 
Szevasz Dávid!
Mit is mondtál? Az NMOS350/500 induktivitásához hány menet kell a kimenetre 1mm-es huzalból, ami 1cm-es átmérőre készül?
Amúgy hogysmint?
Üdv!

Misi
(#) troby válasza dj-mike hozzászólására (») Szept 28, 2009 /
 
Hali. Szerintem 2X15 menet kell.
(#) KD mester válasza dj-mike hozzászólására (») Szept 28, 2009 /
 
8mm átmérőre annyi x 10 menetet tekerj, ahány uH kell. Nagyjából.
(#) KD mester válasza KD mester hozzászólására (») Szept 28, 2009 /
 
Szóval kíváncsi lennék, hogy ennek az áramkörnek ki szimulálná le a torzítását?
(#) KD mester válasza dj-mike hozzászólására (») Szept 28, 2009 /
 
Amúgy s....rul, de büszkén......

(#) dj-mike válasza KD mester hozzászólására (») Szept 28, 2009 /
 
Kössz szépen!
4uH kell!
8mm átmérő nem fog menni, mert a tekercs a nyákon egy 10 ohm/5w ellenállás körül van.
(#) KD mester válasza dj-mike hozzászólására (») Szept 28, 2009 /
 
Ne vedd ennyire vérkomolyan. Tekerd végig az ellenállatot 1-es dróttal, az jó lesz......
(#) dj-mike válasza KD mester hozzászólására (») Szept 28, 2009 /
 
És ha az átmérő 15mm?
(#) dj-mike válasza KD mester hozzászólására (») Szept 28, 2009 /
 
És itt a 2db trimmerpoti a legelső bekapcsoláskor milyen állásban álljon?

350W sch.pdf
    
(#) troby válasza dj-mike hozzászólására (») Szept 28, 2009 /
 
Hali én most építettem meg az erősítőt meg még csinálok belőle. Én úgy csináltam de aztán javítsatok ha nem jó vagy máshogy kell annak én is csak örülök.
Ha nincs szkópod csak egy multid akkor úgy kell, hogy mind kettő középen. Rövidre zárod a bemenetet Beállítod a Vr1 el a kimeneti 0V-ot. Majd a bizti helyére a multit és ott meg beállítasz 70-80mA (haver kiszámolta a fet adatlapjáról meg a keresztezési torzításból). Majd a bemenetről leveszed a rövid zárat és még egyszer a kimeneti 0.
(#) KD mester válasza dj-mike hozzászólására (») Szept 28, 2009 /
 
Középállásban, mindkettő. A 15mm vastag ellenállatodnak tekerd csak körbe a nyakát elejétől a végéig...
(#) KD mester hozzászólása Szept 28, 2009 /
 
Itt látható az előbb emlegetett sípos féle texas hibajelkioltás. 30 éve, az 1980-az évkönyvből. Igen kezdetleges kapcsolás:

e5.gif
    
Következő: »»   370 / 2570
Bejelentkezés

Belépés

Hirdetés
XDT.hu
Az oldalon sütiket használunk a helyes működéshez. Bővebb információt az adatvédelmi szabályzatban olvashatsz. Megértettem