OK
Mégsem
Hobbivasút
|
HESTORE
|
Kislexikon
Hírek
Cikkek
Fórum
OK
Hírek
Cikkek
Fórum
Lexikon
Segédprogramok
Apróhirdetés
Fórum témák
Ki mit épített?
AVR - Miértek hogyanok
Ez milyen alkatrész-készülék?
Elektronikában kezdők kérdései
NYÁK-lap készítés kérdések
[OFF] Pihenő pákások témája
- Elektronika, és politikamentes topik
PIC kezdőknek
ARM - Miértek hogyanok
•
Castone erősítő javítás
•
Erősítő mindig és mindig
•
Akkumulátor töltő
•
Energomat mosógép
•
Androidos okos telefonok
•
3D nyomtatás
•
Dobozolási technikák, műszerdobozok
•
Elfogadnám, ha ingyen elvihető
•
Alternativ HE találkozó(k)
•
Felajánlás, azaz ingyen elvihető
•
Mikrohullámú trafóból hegesztő
•
DC motor/lámpa PWM szabályzása
•
Opel Astra elektromos hibák
•
Kapcsolóáramkör MOSFET-tel
•
Villanymotor bekötése
•
Frekvenciaváltó
•
LG okos tv
•
Tápegységgel kapcsolatos kérdések
•
Labortápegység készítése
•
Számítógép hiba, de mi a probléma?
•
Arduino
•
Vásárlás, hol kapható?
•
Vicces - mókás történetek
•
Mosógép vezérlők és általános problémáik
•
Kapcsolóüzemű tápegység
•
SDR (Software Defined Radio)
•
Gáztüzhely elektromos szikráztatója
•
MyElecParts alkatrészkereső és készletnyilvántartó
•
Kombikazán működési hiba
•
Aszinkron motor teljesítményének meghatározása
•
Mikrokontrollerek zavarszűrése
•
Érdekességek
•
Izzítás és izzítógyertya teszter
•
Motorindító kondenzátor
•
Gigatron TTL számítógép
•
Philips TV
•
Szárítógép problémák
•
HESTORE.hu
•
Sprint-Layout NYÁK-tervező
•
Gázkazán vezérlő hibák
•
Kazettás magnó (deck) javítása
•
Frekvenciamérő
•
555-ös IC-s kapcsolások
•
Bojler fűtése közvetlenül napelemmel
•
Autóelektronika
•
Videókártya probléma
•
Rádióamatőrök topikja
•
Tekercs induktivitás kiszámítása
•
Hangszínszabályzó
•
Csöves tápegység
•
Folyamatábrás mikrokontroller programozás Flowcode-dal
•
PIC programozás mikroC fejlesztőkörnyezetben
•
Akkutöltő hiba
•
Kapcsolási rajzot keresek
•
A műhely (bemutató topik, ahol az alkotások készülnek)
» Több friss téma
Fórum
Keresendő kifejezés
Keresés módja
Intelligens keresés
Hozzászólás keresés
Fájlmellékletben
Fájlmellékletben (képek)
Kategória
Minden kategória
Alapismeretek
Ellenállások
Kondenzátor
Áramforrások
Tekercsek
Kapcsolók
Érzékelők
Motorok
Műszerek
Egyéb
Analóg áramkörök
Erősítők
Szabályzók
Egyéb
Digitális áramkörök
Flip - Flop és tárolók
Kapuk
Vonali választók
Multiplexerek
Dekóderek
Demultiplexerek
Bufferek és meghajtók
Számlálók
Regiszterek
Aritmetikai áramkörök
Logikai áramkörök
Memóriák
Egyéb
Mikroprocesszorok
PIC
Memória / EEPROM
Memória / EPROM
Memória / RAM
Egyéb
AVR
STM32
STM8
Espressif, ESP
LPC
SAM
PIC32
ARM általános
Speciális
Csövek
A/D konverterek
Időzítők
Komparátorok
Egyéb
Technika
Audiotechnika
Fénytechnika
Vezérlés technika
RF technika
Méréstechnika
Keresés
Új téma nyitása
Lapozás:
1. - 50. elem
51. - 100. elem
101. - 150. elem
151. - 200. elem
201. - 250. elem
251. - 300. elem
301. - 350. elem
351. - 378. elem
OK
5 / 8
GeneratorFes...png
bo_119731123...jpg
bosch gener...jpg
VR_D674 fesz...jpg
feszszab.JPG
tekercs.jpg
kep1.jpg
kep2.jpg
kep3.jpg
MTZ 80-82 ka...jpg
QEJGWUtvAwJR...jpg
16137.jpg
16227.jpg
kapcsolási ...jpg
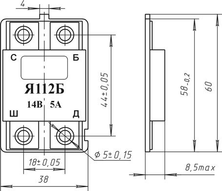
112b.jpg
112b_g.jpg
negativ gerj...jpg
6V BMW szab...jpg
S6300367.JPG
S6300368.JPG
S6300369.JPG
S6300370.JPG
S6300371.JPG
RR362 B elej...jpg
RR362 B fel...jpg
004.jpg
006.jpg
009.jpg
008.jpg
JA 112 A1.jpg
JA 112 ruszk...jpg
JA 112 V1.jpg
Rajz a dinam...jpg
1.jpg
2 bosch.jpg
3.jpg
4.jpg
5.jpg
20120226.jpg
rendszer.JPG
generátor c...jpg
másik gener...jpg
generátor a...jpg
vill. mot. a...jpg
opa fesz sza...jpg
HC130347.JPG
DSC00037.JPG
DSC00039.JPG
DSC00040.JPG
fesz-szab sz...jpg
Következő:
1. - 50. elem
51. - 100. elem
101. - 150. elem
151. - 200. elem
201. - 250. elem
251. - 300. elem
301. - 350. elem
351. - 378. elem
»»
5 / 8
Bejelentkezés
Felhasználónév
Jelszó
Jegyezz meg!
Belépés
» Elfelejtett jelszó
» Regisztráció
Hirdetés
A használat feltételei
•
Adatvédelem
•
GY.I.K., Használati útmutató és szabályok
•
Impresszum
•
Elosztó
•
Hiba jelentése
Az oldalon sütiket használunk a helyes működéshez. Bővebb információt az
adatvédelmi szabályzatban
olvashatsz.
Megértettem